Клуб любителей китайских скутеров

Форум клуба любителей китайских скутеров

      
Текущее время: 28 Jan 2026, 15:50

Часовой пояс: UTC + 3 часа


Правила форума


Посмотреть правила форума



Начать новую тему Ответить на тему  [ Сообщений: 284 ]  На страницу Пред.  1, 2, 3, 4, 5, 6 ... 19  След.
Автор Сообщение
 Заголовок сообщения: Re: Миф или реальность?
СообщениеДобавлено: 04 Jan 2018, 00:38 
Не в сети
Старожил
Старожил
Аватар пользователя

Зарегистрирован: 24 Oct 2010, 23:54
Сообщений: 1564
Откуда: Раменское
Поблагодарил: раз(а)
Поблагодарили: раз(а)
Медали: 4
За полезные и полные ответы. (1) За тех. помощь 1-й степени (1) За тех. помощь 2-й степени (1) За грамотность (1)
Скутер: Haobon qt10, S ZNEN-King, Рига-26
Стаж: C89
Ты сам ответил на вопрос: Как изменяется ток, проходящий через резистор, если подаваемое напряжение - синус.
При переходе через 0 тиристор закрывается.
График нарисовать?


Вернуться наверх
 Профиль  
 
 Заголовок сообщения: Re: Миф или реальность?
СообщениеДобавлено: 04 Jan 2018, 01:00 
Не в сети
Старожил
Старожил
Аватар пользователя

Зарегистрирован: 04 Май 2010, 04:34
Сообщений: 4217
Откуда: город по умолчанию
Поблагодарил: раз(а)
Поблагодарили: раз(а)
Медали: 4
За дальнобой 2-й степени. (1) За полезные и полные ответы. (1) За статью 1-й степени. (1) За грамотность (1)
Скутер: КумсоPeople S200, ReggyFantom, SH300i, Sym Jet50
Стаж: 020
Будет та же синусоида. И на активной нагрузке сдвиг между током и напряжением ноль.
Что имеется в виду, импульсами ты называешь амплитудные значения? Ну и насколько они изменятся, при отборе 0,2А после моста?

_________________
моск атзавись


Вернуться наверх
 Профиль  
 
 Заголовок сообщения: Re: Миф или реальность?
СообщениеДобавлено: 04 Jan 2018, 01:40 
Не в сети
Старожил
Старожил
Аватар пользователя

Зарегистрирован: 24 Oct 2010, 23:54
Сообщений: 1564
Откуда: Раменское
Поблагодарил: раз(а)
Поблагодарили: раз(а)
Медали: 4
За полезные и полные ответы. (1) За тех. помощь 1-й степени (1) За тех. помощь 2-й степени (1) За грамотность (1)
Скутер: Haobon qt10, S ZNEN-King, Рига-26
Стаж: C89
После регулятора синусоидой и не пахнет из-за его принципа работы.
Эскиз графика


Вложения:
Регулятор график.jpg
Регулятор график.jpg [ 37.09 KiB | Просмотров: 5981 ]
Вернуться наверх
 Профиль  
 
 Заголовок сообщения: Re: Миф или реальность?
СообщениеДобавлено: 04 Jan 2018, 01:56 
Не в сети
Старожил
Старожил
Аватар пользователя

Зарегистрирован: 04 Май 2010, 04:34
Сообщений: 4217
Откуда: город по умолчанию
Поблагодарил: раз(а)
Поблагодарили: раз(а)
Медали: 4
За дальнобой 2-й степени. (1) За полезные и полные ответы. (1) За статью 1-й степени. (1) За грамотность (1)
Скутер: КумсоPeople S200, ReggyFantom, SH300i, Sym Jet50
Стаж: 020
AVK73
После регулятора причём здесь? Мы рассматриваем рн, а не форму напряжения в бортовой сети.
На тиристор поступает переменное напряжение с обмотки генератора. И больше ниоткуда. Магниты проходят над сердечниками обмоток ныне присно и во веки веков, и обмотки дают синусоиду. Которая приложена к тиристору. И на части этой синусоиды тиристор открывается и закорачивает обмотку, до нуля (почти) падает напряжение, но не ток, как раз ток КЗ обмотки продолжает поступать на открытый тиристор. Магниты продолжают проходить над сердечниками - тут-то ничего не останавливается....
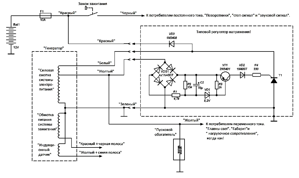
Наверно придется объяснить как эта схема работает.
Изображение
В самом начале - напряжения нет нигде. Везде ноль, диод 1N5406 не пропускает на схему плюс от аккума.
При первых оборотах двигателя на желтом и зеленом появляется переменка, мост VD1-VD4 ее выпрямляет.
Через резистор 4,7к начинает заряжаться конденсатор 22н. Резистор нужен для инерционности, чтобы конденсатор заряжался не от первой же полуволны, а от нескольких, замедлитель заряда.
По достижении некоторого напряжения на конденсаторе, пробивается стабилитрон 8V2. До его пробоя, эмиттер и база (через резистор 2к) находились под одним потенциалом. После пробоя потенциал базы меняется, транзистор открывается, с его коллектора через защитный диод 1N4007 и ограничительный резистор 100 ом потенциал приходит на управляющий электрод тиристора.
Тиристор открывается и закорачивает обмотку генератора.
Переменное напряжение на входе моста становится равным нулю. На выходе моста тоже ничего нет.
Конденсатор начинает разряжаться через резистор 15к, стабилитрон закрывается, эмиттер и база транзюка вновь оказываются под одним и тем потенциалом - транзюк закрывается, дальше закрывается тиристор.
Время заряда и разряда конденсатора определяет частоту открытий/закрытий транзюка и тиристора, и, как легко догадаться, не зависит от частоты следования полуволн - т.е. от оборотов двигателя. Но зависит от нагрузки сети: если из обмотки генератора, через диод или через ещё один диодный мост (в некоторых конструкциях) отбирать ток, это понизит синусоиду - амплитудные значения уменьшаться, и конденсатор будет заряжаться дольше.
А разряжаться так же.
Частота срабатываний схемы будет низкой.
А при отсутствии всякой нагрузки, конденсатор будет заряжаться быстрее и частота срабатываний будет самой высокой.

Отбирается ли ток на заряд аккума, или на лампочку в приборке, совершенно без разницы. Поэтому ещё раз: отсутствие аккума = перегоревшей лампочке, и не более того.

Чёрт извиняюсь двусмысленно написал, частота срабатываний от оборотов зависит конечно же, но не напрямую, ну в смысле что за счет резистора 4,7к он не реагирует на каждую отдельную волну. Но если за единицу времени, скажем, 5 полуволн недостаточно для его заряда, то 10 полуволн за то же время его зарядят. Зависимость сглаженная. Уменшим номинал этого резистора - получим точное срабатывание, колебания выходного напряжения будут минимальны, увеличим номинал - напруга начнет плавать, то ярче то тусклее.

_________________
моск атзавись


Вернуться наверх
 Профиль  
 
 Заголовок сообщения: Re: Миф или реальность?
СообщениеДобавлено: 04 Jan 2018, 18:02 
Не в сети
Старожил
Старожил
Аватар пользователя

Зарегистрирован: 24 Oct 2010, 23:54
Сообщений: 1564
Откуда: Раменское
Поблагодарил: раз(а)
Поблагодарили: раз(а)
Медали: 4
За полезные и полные ответы. (1) За тех. помощь 1-й степени (1) За тех. помощь 2-й степени (1) За грамотность (1)
Скутер: Haobon qt10, S ZNEN-King, Рига-26
Стаж: C89
Пока добавлю замеры:
ток К.З. генератора - 9,6-9,8А(2-5тыс. оборотов)


Вложения:
ток генератора холостые обороты, всё включено.jpg
ток генератора холостые обороты, всё включено.jpg [ 92.23 KiB | Просмотров: 5963 ]
ток генератора 5тыс. оборотов, всё включено.jpg
ток генератора 5тыс. оборотов, всё включено.jpg [ 95.57 KiB | Просмотров: 5963 ]
ток генератора 5тыс. оборотов, всё выключено.jpg
ток генератора 5тыс. оборотов, всё выключено.jpg [ 117.94 KiB | Просмотров: 5963 ]
Вернуться наверх
 Профиль  
 
 Заголовок сообщения: Re: Миф или реальность?
СообщениеДобавлено: 04 Jan 2018, 22:20 
Не в сети
Гуру ремонта
Гуру ремонта
Аватар пользователя

Зарегистрирован: 20 Mar 2009, 23:12
Сообщений: 19841
Откуда: Бронницы
Поблагодарил: раз(а)
Поблагодарили: раз(а)
Медали: 4
За полезные и полные ответы. (1) За тех. помощь 1-й степени (1) За тех. помощь 2-й степени (1) За вклад в развитие клуба (1)
Скутер: Irbis Nirvana 150 уже 175сс
Стаж: Мото 21,скутер 4года
Во!
Прикольно!
А как долго китайские тиристоры способны гасить на себе ток порядка 10 ампер.
Желательно не эмпирические данные в виде ... я так тысячу раз делал, а исходя из штатных характеристик девайса.
По моему мнению, тут авторы темы жидко обгадяться, ибо... ибо от этого даже китайски производитель и продован их не застраховали.
Так как по ТУ исправный аккумулятор положено иметь в цепи и не эпёт.
А авторы темы на свой бред и риск хотят его не ставить и ждут геморрой мозга.
И поверьте, они его дождутся.
Тут меня поддержат все производители скутеров, и не только китайских.
Альтернативные мнения имеют быть место.
Как любит говорить моя двоюродная сестра: упрямство - привилегия ослов, не так ли?

_________________
Попытка прочесть книгу, не открыв её - обречена на провал.


Вернуться наверх
 Профиль  
 
 Заголовок сообщения: Re: Миф или реальность?
СообщениеДобавлено: 04 Jan 2018, 23:00 
Не в сети
Старожил
Старожил
Аватар пользователя

Зарегистрирован: 18 Oct 2010, 06:21
Сообщений: 2538
Откуда: Кубань
Поблагодарил: раз(а)
Поблагодарили: раз(а)
Медали: 4
За полезные и полные ответы. (1) За тех. помощь 1-й степени (1) За тех. помощь 2-й степени (1) За вклад в развитие клуба (1)
Скутер: RACER uragan- 82сс.
Стаж: ***
Вновь к стабилизаторам вернулись в начале 80-х, когда бесконтактная электронная система зажигания добралась до мопедов, а на легкие мотоциклы стали устанавливать 12-вольтовое электрооборудование. Были специально разработаны блоки коммутатор-стабилизатор (БКС), объединяющие в одном корпусе коммутатор системы зажигания и стабилизатор системы освещения. Первый прибор мы уже рассматривали в статье «Электронное зажигание»(«Мото», 1994, № 3). О втором поговорим подробнее.
Стабилизатор (рис. 3) включается в сеть мотоцикла параллельно генератору и потребителям как и феррорезонансный. То есть при выходе его из строя мотоциклист не остается без света; а это немаловажно. Работает он так. Пока напряжение, вырабатываемое генератором, не превышает напряжения срабатывания стабилитрона VD2, весь ток идет к потребителям. Как только напряжение, снимаемое с делителя RIR2R3, достигнет установленного предела, ток через стабилитрон VD2 поступит на управляющий электрод тиристора VD4, последний откроется и зашунтирует генераторную обмотку питания системы освещения. При смене полярности ЭДС тиристор закрывается. В зависимости от нагрузки, приложенной к .обмотке освещения (то есть от количества и мощности включенных световых приборов ), момент открывания тиристора будет возникать в разное время, а при большой нагрузке тиристор вообще может не открываться, тогда вся энергия пойдет к потребителям. Чем больше нагрузка, тем меньшая часть энергии шунтируется тиристором, и наоборот.
Исходя из этого, можно увидеть, что при выключенных световых приборах генератор фактически работает в режиме короткого замыкания. Выделяемая при этом мощность рассеивается в виде тепла на аноде тиристора (при этом радиатором ему служит корпус БКС) и на обмотках. генератора. А вот
тут все гораздо сложнее
и так хватает тепла от горячего мотора. Поэтому для лучшей сохранности генератора, советуем днем ездить с включенной фарой (кстати, этого же требуют и Правила дорожного движения) или хотя бы с габаритными огнями.
Стабилизаторы всех блоков БКС собраны по одной схеме и отличаются только типом стабилитрона VD2: в блоках251.3734 и 252.3734 установлен стабилитрон КС147А, а в 261.3734,
262.3734 и 70.3734-Д814А.
Соответственно, первые два, предназначенные для мопедов, поддерживают напряжение в сети в пределах 6...9 В, а три других (мотоциклетных) 11,5...14,5 В. РезисторR2 - регулировочный, его сопротивление подбирается в пределах 33...200 Ом. Вместо двух резисторов (R2, R3) может быть установлен один, его сопротивление подбирается в пределах 75...260 Ом.
Особняком в БКС стоит диод VD5. Он ограничивает ток, потребляемый звуковым сигналом, дабы тот не создавал слишком большой нагрузки на сеть и лучше звучал. В БКС70.3734 он заменен двумя диодами КД208, включенными параллельно.
Если вам не нравится звук, вырабатываемый сигналом, или его громкость, то можно заменить сигнал 12.3721 на С-205, С-304, С-38 - звуковой сигнал постоянного тока от автомобиля или мотоцикла «И Ж», «ИМЗ», «КМЗ», «Ява». Включается он через выпрямитель (рис. 4). Чем больше емкость конденсатора, тем лучше.
Н. ВИХОРЕВ, Ю. МИХАйЛОВ

_________________
"Добрым словом и револьвером, вы добьетесь намного большего.... чем одним добрым словом"
...Пишу с ошибками, читаю по слогам.


Вернуться наверх
 Профиль  
 
 Заголовок сообщения: Re: Миф или реальность?
СообщениеДобавлено: 04 Jan 2018, 23:11 
Не в сети
Старожил
Старожил
Аватар пользователя

Зарегистрирован: 18 Oct 2010, 06:21
Сообщений: 2538
Откуда: Кубань
Поблагодарил: раз(а)
Поблагодарили: раз(а)
Медали: 4
За полезные и полные ответы. (1) За тех. помощь 1-й степени (1) За тех. помощь 2-й степени (1) За вклад в развитие клуба (1)
Скутер: RACER uragan- 82сс.
Стаж: ***
GRO писал(а):
Желательно не эмпирические данные в виде ... я так тысячу раз делал, а исходя из штатных характеристик девайса.
Желательно и от фанатов ,,секты любителей АКБ,, увидеть подобное. А именно: Таблицу напряжений на всех режимах, осцилограмму импульсов под нагрузкой и без С акб и без оного. А потом сравним и сделаем выводы. Так что жду. Иначе все ваши доводы считаю бредом.

_________________
"Добрым словом и револьвером, вы добьетесь намного большего.... чем одним добрым словом"
...Пишу с ошибками, читаю по слогам.


Вернуться наверх
 Профиль  
 
 Заголовок сообщения: Re: Миф или реальность?
СообщениеДобавлено: 04 Jan 2018, 23:41 
Не в сети
Старожил
Старожил
Аватар пользователя

Зарегистрирован: 24 Oct 2010, 23:54
Сообщений: 1564
Откуда: Раменское
Поблагодарил: раз(а)
Поблагодарили: раз(а)
Медали: 4
За полезные и полные ответы. (1) За тех. помощь 1-й степени (1) За тех. помощь 2-й степени (1) За грамотность (1)
Скутер: Haobon qt10, S ZNEN-King, Рига-26
Стаж: C89
[quote="Dj@gger"]чуть поправил...

При первых оборотах двигателя на желтом и белом появляется переменка, мост VD1-VD4 ее выпрямляет.
Через резистор 4,7к начинает заряжаться конденсатор 22мкФ.
По достижении некоторого напряжения на конденсаторе, пробивается стабилитрон 8V2. После пробоя потенциал базы меняется, транзистор открывается, следом открывается тиристор и закорачивает обмотку генератора.
Отрицательная волна напряжения на входе моста становится равным нулю. На выходе моста остаётся заряженный конденсатор.
Конденсатор начинает разряжаться через резистор 15к, стабилитрон закрывается, эмиттер и база транзюка вновь оказываются под одним и тем-же потенциалом - транзюк закрывается, дальше закрывается тиристор.
Время заряда и разряда конденсатора определяет частоту открытий/закрытий транзюка, зависит от нагрузки сети: если из обмотки генератора, через диод или через ещё один диодный мост (в некоторых конструкциях) отбирать ток, это понизит синусоиду - амплитудные значения уменьшаться, и конденсатор будет заряжаться дольше, а разряжаться так же.
частота срабатываний от оборотов зависит. Но он не реагирует на каждую отдельную волну. если за единицу времени, скажем, 5 полуволн недостаточно для его заряда, то 10 полуволн за то же время его зарядят. Зависимость сглаженная.

отсутствие аккума, не равно перегоревшей лампочке. *YAHOO* ,секта любителей АКБ, РУЛИТ! *YAHOO*


Вернуться наверх
 Профиль  
 
 Заголовок сообщения: Re: Миф или реальность?
СообщениеДобавлено: 04 Jan 2018, 23:47 
Не в сети
Старожил
Старожил
Аватар пользователя

Зарегистрирован: 04 Май 2010, 04:34
Сообщений: 4217
Откуда: город по умолчанию
Поблагодарил: раз(а)
Поблагодарили: раз(а)
Медали: 4
За дальнобой 2-й степени. (1) За полезные и полные ответы. (1) За статью 1-й степени. (1) За грамотность (1)
Скутер: КумсоPeople S200, ReggyFantom, SH300i, Sym Jet50
Стаж: 020
AVK-73
Ну да. Спасибо. Расположил слова в правильном порядке, всё так и есть. :)

_________________
моск атзавись


Вернуться наверх
 Профиль  
 
 Заголовок сообщения: Re: Миф или реальность?
СообщениеДобавлено: 04 Jan 2018, 23:50 
Не в сети
Старожил
Старожил
Аватар пользователя

Зарегистрирован: 18 Oct 2010, 06:21
Сообщений: 2538
Откуда: Кубань
Поблагодарил: раз(а)
Поблагодарили: раз(а)
Медали: 4
За полезные и полные ответы. (1) За тех. помощь 1-й степени (1) За тех. помощь 2-й степени (1) За вклад в развитие клуба (1)
Скутер: RACER uragan- 82сс.
Стаж: ***
AVK-73
Сегодня на скуте проверял. Зеленый\желтый держат переменку до 13,5в. Ниже этого тиристор закрыт и не работает. Отключение АКБ никакого влияния не оказывало. А вот отключение нагрузки от генератора (ламп фары) влияло.

_________________
"Добрым словом и револьвером, вы добьетесь намного большего.... чем одним добрым словом"
...Пишу с ошибками, читаю по слогам.


Вернуться наверх
 Профиль  
 
 Заголовок сообщения: Re: Миф или реальность?
СообщениеДобавлено: 05 Jan 2018, 00:03 
Не в сети
Старожил
Старожил
Аватар пользователя

Зарегистрирован: 24 Oct 2010, 23:54
Сообщений: 1564
Откуда: Раменское
Поблагодарил: раз(а)
Поблагодарили: раз(а)
Медали: 4
За полезные и полные ответы. (1) За тех. помощь 1-й степени (1) За тех. помощь 2-й степени (1) За грамотность (1)
Скутер: Haobon qt10, S ZNEN-King, Рига-26
Стаж: C89
ДОМОВОЙ писал(а):
Отключение АКБ никакого влияния не оказывало. А вот отключение нагрузки от генератора (ламп фары) влияло.

У меня на обоих скутерах зелёный провод с силовыми катушками генератора не связан.
На ZNEN отсутствие АКБ и нагрузок почти не влияет ни на что, на HAOBON наоборот(токи на нём мерил).


Вернуться наверх
 Профиль  
 
 Заголовок сообщения: Re: Миф или реальность?
СообщениеДобавлено: 05 Jan 2018, 00:26 
Не в сети
Старожил
Старожил
Аватар пользователя

Зарегистрирован: 18 Oct 2010, 06:21
Сообщений: 2538
Откуда: Кубань
Поблагодарил: раз(а)
Поблагодарили: раз(а)
Медали: 4
За полезные и полные ответы. (1) За тех. помощь 1-й степени (1) За тех. помощь 2-й степени (1) За вклад в развитие клуба (1)
Скутер: RACER uragan- 82сс.
Стаж: ***
Вот такая у меня.


Вложения:
RR1.png
RR1.png [ 27.23 KiB | Просмотров: 5922 ]

_________________
"Добрым словом и револьвером, вы добьетесь намного большего.... чем одним добрым словом"
...Пишу с ошибками, читаю по слогам.
Вернуться наверх
 Профиль  
 
 Заголовок сообщения: Re: Миф или реальность?
СообщениеДобавлено: 05 Jan 2018, 00:54 
Не в сети
Старожил
Старожил
Аватар пользователя

Зарегистрирован: 24 Oct 2010, 23:54
Сообщений: 1564
Откуда: Раменское
Поблагодарил: раз(а)
Поблагодарили: раз(а)
Медали: 4
За полезные и полные ответы. (1) За тех. помощь 1-й степени (1) За тех. помощь 2-й степени (1) За грамотность (1)
Скутер: Haobon qt10, S ZNEN-King, Рига-26
Стаж: C89
Мои, (на НАОВОN думаю импульсный стабилизатор собрать):


Вложения:
ГЕНЕРАТОРЫ.png
ГЕНЕРАТОРЫ.png [ 26.25 KiB | Просмотров: 5917 ]
Вернуться наверх
 Профиль  
 
 Заголовок сообщения: Re: Миф или реальность?
СообщениеДобавлено: 05 Jan 2018, 04:35 
Не в сети
Старожил
Старожил
Аватар пользователя

Зарегистрирован: 18 Oct 2010, 06:21
Сообщений: 2538
Откуда: Кубань
Поблагодарил: раз(а)
Поблагодарили: раз(а)
Медали: 4
За полезные и полные ответы. (1) За тех. помощь 1-й степени (1) За тех. помощь 2-й степени (1) За вклад в развитие клуба (1)
Скутер: RACER uragan- 82сс.
Стаж: ***
GRO писал(а):
Во!Прикольно!А как долго китайские тиристоры способны гасить на себе ток порядка 10 ампер.
А ничего что на такие типы генераторов как на HAOBON довольно часто ставят РН не на тиристорах, а на симисторах? А там токи совершенно другие. Или два тиристора. Есть и такие схемы. Но изначально мой вопрос был о причинах по которым РН выходит из строя без АКБ. Мож шрифт крупнее и жирнее сделать? *DONT_KNOW*


Вложения:
4.jpg
4.jpg [ 148.72 KiB | Просмотров: 5898 ]

_________________
"Добрым словом и револьвером, вы добьетесь намного большего.... чем одним добрым словом"
...Пишу с ошибками, читаю по слогам.
Вернуться наверх
 Профиль  
 
Показать сообщения за:  Сортировать по:  
Начать новую тему Ответить на тему  [ Сообщений: 284 ]  На страницу Пред.  1, 2, 3, 4, 5, 6 ... 19  След.

Часовой пояс: UTC + 3 часа


Кто сейчас на форуме

Сейчас этот форум просматривают: нет зарегистрированных пользователей и гости: 2


Вы не можете начинать темы
Вы не можете отвечать на сообщения
Вы не можете редактировать свои сообщения
Вы не можете удалять свои сообщения
Вы не можете добавлять вложения

Перейти:  
Powered by phpBB © phpBB Group
china-scooter.ru © 2006-2019