Клуб любителей китайских скутеров

Форум клуба любителей китайских скутеров

      
Текущее время: 07 Май 2026, 00:48

Часовой пояс: UTC + 3 часа




Начать новую тему Ответить на тему  [ Сообщений: 44 ]  На страницу 1, 2, 3  След.
Автор Сообщение
 Заголовок сообщения: Электросхемы (Только схемы! Без вопросов!)
СообщениеДобавлено: 12 Jul 2009, 13:29 
Не в сети
Старожил
Старожил

Зарегистрирован: 08 Jul 2009, 18:07
Сообщений: 3186
Откуда: Беларусь
Поблагодарил: раз(а)
Поблагодарили: раз(а)
Медали: 4
За полезные и полные ответы. (1) За тех. помощь 1-й степени (1) За тех. помощь 2-й степени (1) За вклад в развитие клуба (1)
Скутер: Hors 154\ 157QMJ\RC125T-9X\152QMJ
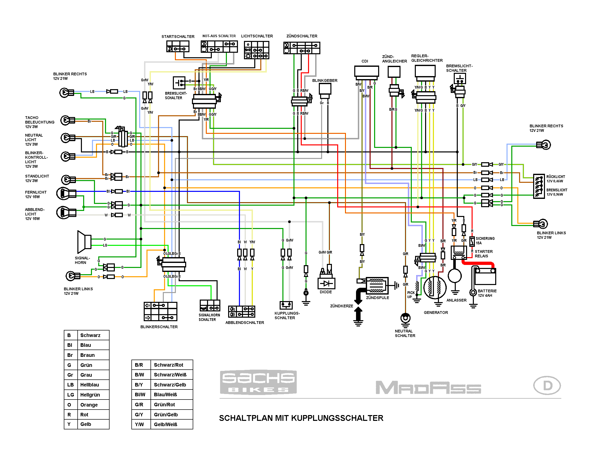
Вложение:
madass_eldiagram_1.png
madass_eldiagram_1.png [ 50.57 KiB | Просмотров: 116939 ]

Вложение:
madass_eldiagram_2.png
madass_eldiagram_2.png [ 48.83 KiB | Просмотров: 116939 ]
Вложение:
madass_eldiagram_3.png
madass_eldiagram_3.png [ 49.22 KiB | Просмотров: 116939 ]


Последний раз редактировалось Hors 29 Sep 2009, 22:18, всего редактировалось 1 раз.

Вернуться наверх
 Профиль  
 
 Заголовок сообщения: Re: Электросхемы
СообщениеДобавлено: 15 Jul 2009, 11:51 
Не в сети
Старожил
Старожил

Зарегистрирован: 08 Jul 2009, 18:07
Сообщений: 3186
Откуда: Беларусь
Поблагодарил: раз(а)
Поблагодарили: раз(а)
Медали: 4
За полезные и полные ответы. (1) За тех. помощь 1-й степени (1) За тех. помощь 2-й степени (1) За вклад в развитие клуба (1)
Скутер: Hors 154\ 157QMJ\RC125T-9X\152QMJ
багги Talon 150 GX\FX\DLX серии
Двигатель 157QMJ
Вложение:
0150.jpg
0150.jpg [ 245.78 KiB | Просмотров: 34245 ]

_________________
„Изучай правила, чтобы знать, как правильно их нарушить.“
„Мир несовершенен, поскольку мы несовершенны.“


Вернуться наверх
 Профиль  
 
 Заголовок сообщения: Коммутаторы
СообщениеДобавлено: 19 Jul 2009, 23:58 
Не в сети
Старожил
Старожил

Зарегистрирован: 08 Jul 2009, 18:07
Сообщений: 3186
Откуда: Беларусь
Поблагодарил: раз(а)
Поблагодарили: раз(а)
Медали: 4
За полезные и полные ответы. (1) За тех. помощь 1-й степени (1) За тех. помощь 2-й степени (1) За вклад в развитие клуба (1)
Скутер: Hors 154\ 157QMJ\RC125T-9X\152QMJ
Виды коммутаторов, распиновка разъемов и типовые модели скутеров, мотоциклов.
Вложение:
5908.jpg
5908.jpg [ 186.77 KiB | Просмотров: 34245 ]

_________________
„Изучай правила, чтобы знать, как правильно их нарушить.“
„Мир несовершенен, поскольку мы несовершенны.“


Последний раз редактировалось Hors 14 Sep 2009, 18:03, всего редактировалось 2 раз(а).

Вернуться наверх
 Профиль  
 
 Заголовок сообщения: Re: Электросхемы
СообщениеДобавлено: 20 Jul 2009, 19:43 
Не в сети
Бывалый
Бывалый
Аватар пользователя

Зарегистрирован: 16 Mar 2008, 16:25
Сообщений: 294
Откуда: Жуковский (50)
Поблагодарил: раз(а)
Поблагодарили: раз(а)
Скутер: ЗиД Lifan LF50-QT15 (75сс)+Вариатор BGM
Стаж: 3 года,13500 км.
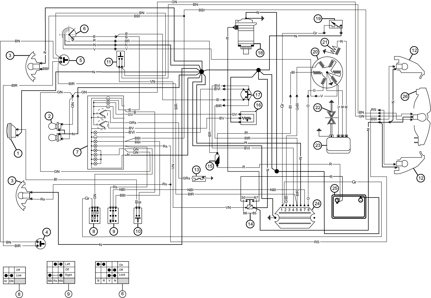
Вот ещё


Вложения:
.JPG
.JPG [ 203.51 KiB | Просмотров: 117167 ]
Вернуться наверх
 Профиль  
 
 Заголовок сообщения: Re: Электросхемы
СообщениеДобавлено: 28 Sep 2009, 22:39 
Не в сети
Старожил
Старожил

Зарегистрирован: 08 Jul 2009, 18:07
Сообщений: 3186
Откуда: Беларусь
Поблагодарил: раз(а)
Поблагодарили: раз(а)
Медали: 4
За полезные и полные ответы. (1) За тех. помощь 1-й степени (1) За тех. помощь 2-й степени (1) За вклад в развитие клуба (1)
Скутер: Hors 154\ 157QMJ\RC125T-9X\152QMJ
Вложение:
Комментарий к файлу: gilera_stalker_старый регулятор
gilera_stalker_gammelspendingsregulator_eldiagram.gif
gilera_stalker_gammelspendingsregulator_eldiagram.gif [ 125.42 KiB | Просмотров: 34244 ]

Вложение:
RR.png
RR.png [ 234.16 KiB | Просмотров: 34230 ]

_________________
„Изучай правила, чтобы знать, как правильно их нарушить.“
„Мир несовершенен, поскольку мы несовершенны.“


Вернуться наверх
 Профиль  
 
 Заголовок сообщения: Re: Электросхемы
СообщениеДобавлено: 29 Sep 2009, 22:28 
Не в сети
Старожил
Старожил

Зарегистрирован: 08 Jul 2009, 18:07
Сообщений: 3186
Откуда: Беларусь
Поблагодарил: раз(а)
Поблагодарили: раз(а)
Медали: 4
За полезные и полные ответы. (1) За тех. помощь 1-й степени (1) За тех. помощь 2-й степени (1) За вклад в развитие клуба (1)
Скутер: Hors 154\ 157QMJ\RC125T-9X\152QMJ
Вложение:
gilera_runner_eldiagram.gif
gilera_runner_eldiagram.gif [ 116.9 KiB | Просмотров: 34244 ]


Вернуться наверх
 Профиль  
 
 Заголовок сообщения: Re: Электросхемы
СообщениеДобавлено: 03 Nov 2009, 21:58 
Не в сети
Новичок
Новичок

Зарегистрирован: 03 Nov 2009, 08:54
Сообщений: 54
Откуда: г. Дубна, Московская обл.
Поблагодарил: раз(а)
Поблагодарили: раз(а)
Скутер: Honling QT-4 72сс, lead 90
Стаж: 3 месяца
Поскольку электросхему на свой Honling Ataka я не нашел в Интернете, то на прошлой неделе рисовал электросхему вживую со скутера, на котором вся электрика исправна в плане стопов, лампочек, цепей итд итп.
Предыдущий хозяин все перепутал в плане цветов проводов, поэтому на цвета смотреть не надо, только общий смысл подключения и что как должно быть соединено.


Вложения:
06.11-1.jpg
06.11-1.jpg [ 309.24 KiB | Просмотров: 113642 ]
Вернуться наверх
 Профиль  
 
 Заголовок сообщения: Re: Электросхемы
СообщениеДобавлено: 12 Jan 2010, 13:40 
Не в сети
Старожил
Старожил

Зарегистрирован: 08 Jul 2009, 18:07
Сообщений: 3186
Откуда: Беларусь
Поблагодарил: раз(а)
Поблагодарили: раз(а)
Медали: 4
За полезные и полные ответы. (1) За тех. помощь 1-й степени (1) За тех. помощь 2-й степени (1) За вклад в развитие клуба (1)
Скутер: Hors 154\ 157QMJ\RC125T-9X\152QMJ
Вложение:
moto_schem_Futong_RF250_CL_inline.jpg
moto_schem_Futong_RF250_CL_inline.jpg [ 309.41 KiB | Просмотров: 113506 ]
Вложение:
moto_schem_Honda_Dio_rus.jpg
moto_schem_Honda_Dio_rus.jpg [ 884.75 KiB | Просмотров: 113506 ]
Вложение:
moto_schem_Kymco_Dink_125_D125.JPG
moto_schem_Kymco_Dink_125_D125.JPG [ 349.56 KiB | Просмотров: 113506 ]


Вернуться наверх
 Профиль  
 
 Заголовок сообщения: Re: Электросхемы
СообщениеДобавлено: 27 Jan 2010, 19:45 
Не в сети
Наблюдатель
Аватар пользователя

Зарегистрирован: 27 Jan 2010, 00:14
Сообщений: 6
Откуда: Коломна
Поблагодарил: раз(а)
Поблагодарили: раз(а)
Скутер: квадроцикл
много схем: http://www.motelek.net/schema/

_________________
Обходя разложенные грабли - ты теряешь драгоценный ОПЫТ!!!


Вернуться наверх
 Профиль  
 
 Заголовок сообщения: Re: Электросхемы
СообщениеДобавлено: 22 Май 2010, 23:57 
Не в сети
Интересующийся
Интересующийся

Зарегистрирован: 02 Май 2010, 22:46
Сообщений: 24
Поблагодарил: раз(а)
Поблагодарили: раз(а)
Скутер: Vortex 150
Схема электрическая на Stels Vortex 150; Keeway Matrix 150.


Вложения:
QJ 150-T8.JPG
QJ 150-T8.JPG [ 137.36 KiB | Просмотров: 103091 ]
Вернуться наверх
 Профиль  
 
 Заголовок сообщения: Re: Электросхемы (Только схемы! Без вопросов!)
СообщениеДобавлено: 19 Jun 2010, 09:32 
Не в сети
Старожил
Старожил

Зарегистрирован: 08 Jul 2009, 18:07
Сообщений: 3186
Откуда: Беларусь
Поблагодарил: раз(а)
Поблагодарили: раз(а)
Медали: 4
За полезные и полные ответы. (1) За тех. помощь 1-й степени (1) За тех. помощь 2-й степени (1) За вклад в развитие клуба (1)
Скутер: Hors 154\ 157QMJ\RC125T-9X\152QMJ
Вложение:
kymco_jup50.png
kymco_jup50.png [ 51.01 KiB | Просмотров: 90728 ]

_________________
„Изучай правила, чтобы знать, как правильно их нарушить.“
„Мир несовершенен, поскольку мы несовершенны.“


Вернуться наверх
 Профиль  
 
 Заголовок сообщения: Re: Электросхемы (Только схемы! Без вопросов!)
СообщениеДобавлено: 29 Jul 2010, 08:04 
Не в сети
Наблюдатель

Зарегистрирован: 28 Jul 2010, 16:22
Сообщений: 7
Поблагодарил: раз(а)
Поблагодарили: раз(а)
Скутер: Huatian Wing HT150t-3A
Стаж: 3
схема


Вложения:
Комментарий к файлу: Принципиальная схема электрооборудования типового мопеда (скутера
popup_image[1].jpg
popup_image[1].jpg [ 201.11 KiB | Просмотров: 89250 ]
Вернуться наверх
 Профиль  
 
 Заголовок сообщения: Re: Электросхемы (Только схемы! Без вопросов!)
СообщениеДобавлено: 04 Aug 2010, 22:05 
Не в сети
Старожил
Старожил

Зарегистрирован: 08 Jul 2009, 18:07
Сообщений: 3186
Откуда: Беларусь
Поблагодарил: раз(а)
Поблагодарили: раз(а)
Медали: 4
За полезные и полные ответы. (1) За тех. помощь 1-й степени (1) За тех. помощь 2-й степени (1) За вклад в развитие клуба (1)
Скутер: Hors 154\ 157QMJ\RC125T-9X\152QMJ
Вложение:
moto_schem_Kymco_Dink_250_D250.JPG
moto_schem_Kymco_Dink_250_D250.JPG [ 778.55 KiB | Просмотров: 75188 ]

_________________
„Изучай правила, чтобы знать, как правильно их нарушить.“
„Мир несовершенен, поскольку мы несовершенны.“


Вернуться наверх
 Профиль  
 
 Заголовок сообщения: Re: Электросхемы (Только схемы! Без вопросов!)
СообщениеДобавлено: 22 Dec 2010, 12:09 
Не в сети
Гуру ремонта
Гуру ремонта
Аватар пользователя

Зарегистрирован: 20 Mar 2009, 23:12
Сообщений: 19841
Откуда: Бронницы
Поблагодарил: раз(а)
Поблагодарили: раз(а)
Медали: 4
За полезные и полные ответы. (1) За тех. помощь 1-й степени (1) За тех. помощь 2-й степени (1) За вклад в развитие клуба (1)
Скутер: Irbis Nirvana 150 уже 175сс
Стаж: Мото 21,скутер 4года
Схема проводки Аутлендера:


Вложения:
Аутлендер.jpg
Аутлендер.jpg [ 1.31 MiB | Просмотров: 67183 ]

_________________
Попытка прочесть книгу, не открыв её - обречена на провал.
Вернуться наверх
 Профиль  
 
 Заголовок сообщения: Re: Электросхемы (Только схемы! Без вопросов!)
СообщениеДобавлено: 14 Feb 2011, 12:30 
Не в сети
Интересующийся
Интересующийся

Зарегистрирован: 29 Dec 2010, 12:30
Сообщений: 20
Поблагодарил: раз(а)
Поблагодарили: раз(а)
Скутер: jia jue jj50qt-11
Стаж: 6 месяцев
JiaJue
50,125,150cc
Вложение:
01.jpg
01.jpg [ 983.06 KiB | Просмотров: 55561 ]


Вернуться наверх
 Профиль  
 
Показать сообщения за:  Сортировать по:  
Начать новую тему Ответить на тему  [ Сообщений: 44 ]  На страницу 1, 2, 3  След.

Часовой пояс: UTC + 3 часа


Кто сейчас на форуме

Сейчас этот форум просматривают: нет зарегистрированных пользователей и гости: 1


Вы не можете начинать темы
Вы не можете отвечать на сообщения
Вы не можете редактировать свои сообщения
Вы не можете удалять свои сообщения
Вы не можете добавлять вложения

Перейти:  
cron
Powered by phpBB © phpBB Group
china-scooter.ru © 2006-2019