Клуб любителей китайских скутеров

Форум клуба любителей китайских скутеров

      
Текущее время: 12 Jan 2026, 06:48

Часовой пояс: UTC + 3 часа


Правила форума


Посмотреть правила форума



Начать новую тему Ответить на тему  [ Сообщений: 22 ]  На страницу Пред.  1, 2
Автор Сообщение
 Заголовок сообщения: Re: Техно-маньячество или как сделать вакуум-корректор
СообщениеДобавлено: 20 Sep 2011, 01:10 
Не в сети
Старожил
Старожил
Аватар пользователя

Зарегистрирован: 03 Oct 2008, 22:46
Сообщений: 8023
Откуда: Киев
Поблагодарил: раз(а)
Поблагодарили: раз(а)
Медали: 4
За тех. помощь 1-й степени (1) За тех. помощь 2-й степени (1) За статью 1-й степени. (1) За вклад в развитие клуба (1)
Скутер: 180-т4 и 150-Т4;
Стаж: 30
zavgar87
Извини друг, я повторюсь.
Глупость беспредельна. Дальше просто лень разговаривать.
Борьба с детонацией при правильном подборе топлива не имеет смысла. Её просто нет.
Если есть, собери мотор правильно. Не пережимая. Это дешевле, чем "технический онанизм".
И.... При наших расходах экономить нечего. Это нецелесообразно.

_________________
Теория,-все знают как, ничего не работает
Практика,-все работает, никто не знает почему
Соединяем,-"Теория+Практика",-Ничего не работает и никто не знает, почему.


Вернуться наверх
 Профиль  
 
 Заголовок сообщения: Re: Техно-маньячество или как сделать вакуум-корректор
СообщениеДобавлено: 20 Sep 2011, 06:32 
Не в сети
Гуру ремонта
Гуру ремонта
Аватар пользователя

Зарегистрирован: 20 Mar 2009, 23:12
Сообщений: 19841
Откуда: Бронницы
Поблагодарил: раз(а)
Поблагодарили: раз(а)
Медали: 4
За полезные и полные ответы. (1) За тех. помощь 1-й степени (1) За тех. помощь 2-й степени (1) За вклад в развитие клуба (1)
Скутер: Irbis Nirvana 150 уже 175сс
Стаж: Мото 21,скутер 4года
zavgar87
Теперь остался вариант сделать ручной корректор опережения зажигания.

_________________
Попытка прочесть книгу, не открыв её - обречена на провал.


Вернуться наверх
 Профиль  
 
 Заголовок сообщения: Re: Техно-маньячество или как сделать вакуум-корректор
СообщениеДобавлено: 20 Sep 2011, 11:51 
Не в сети
Интересующийся
Интересующийся

Зарегистрирован: 16 Май 2011, 17:24
Сообщений: 42
Поблагодарил: раз(а)
Поблагодарили: раз(а)
Скутер: BM Galaxy
Стаж: 5 лет
GRO писал(а):
zavgar87
Теперь остался вариант сделать ручной корректор опережения зажигания.

Кстати, это мысль, на подвесных "Yamaha", "Jonson", и им подобным, как раз так и сделано, привод каретки датчиков от тяги дроссельных заслонок... так-так, надо подумать...

_________________
Человек сам пи....ц своего счастья...в смысле кузнец...


Вернуться наверх
 Профиль  
 
 Заголовок сообщения: Re: Техно-маньячество или как сделать вакуум-корректор
СообщениеДобавлено: 20 Sep 2011, 13:06 
Не в сети
Старожил
Старожил

Зарегистрирован: 18 Jan 2009, 14:07
Сообщений: 7631
Откуда: 69 RUS
Поблагодарил: раз(а)
Поблагодарили: раз(а)
Медали: 6
За дальнобой 2-й степени. (1) За полезные и полные ответы. (1) За тех. помощь 1-й степени (1) За тех. помощь 2-й степени (1) За статью 1-й степени. (1)
Скутер: стелс лидер-50 2т (72 cc)
Стаж: 4
А я учился по старой книжке :)
Так на старых авто в трамблере (распределитель) имеется 2-а регулятора, первый - вакумный и 2-й центробежный. Не совсем помню что и как, но подозреваю что вакумный работает в минус, а центробежный в плюс, так как при открытии заслонки и соответственно разгоне разряжение в регуляторе падает и пружина ставит плату прерывателя на место (в 0), при закрытии заслонки разряжение увеличивается и плата сдвигается в познее. Про центробежный все понятно, грузики на оборотах расходятся и сдвигают стакан платы в раннее.
Получается что вы все делаете не так :) Поспорим? :-D


Вернуться наверх
 Профиль  
 
 Заголовок сообщения: Re: Техно-маньячество или как сделать вакуум-корректор
СообщениеДобавлено: 20 Sep 2011, 13:32 
Не в сети
Старожил
Старожил

Зарегистрирован: 08 Jul 2009, 18:07
Сообщений: 3187
Откуда: Беларусь
Поблагодарил: раз(а)
Поблагодарили: раз(а)
Медали: 4
За полезные и полные ответы. (1) За тех. помощь 1-й степени (1) За тех. помощь 2-й степени (1) За вклад в развитие клуба (1)
Скутер: Hors 154\ 157QMJ\RC125T-9X\152QMJ
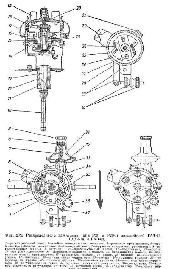
Вакуумный регулятор опережения зажигания

Вакуумный регулятор служит для автоматического изменения угла опережения зажигания в зависимости от нагрузки двигателя и состоит из корпуса, крышки, диафрагмы, пружины и тяги. Крепится он винтами к корпусу прерывателя-распределителя снаружи.

Диафрагма зажата между корпусом и крышкой вакуумного регулятора и при помощи тяги связана с подвижным диском прерывателя, установленным на шариковом подшипнике.

Между крышкой и диафрагмой помещена спиральная пружина. Полость между диафрагмой и крышкой регулятора сообщается через т и трубку с задроссельным пространством карбюратора.

С уменьшением нагрузки на двигатель дроссель будет прикрываться, а увеличившееся в пространстве разрежение по трубке передается под крышку регулятора.

Под действием атмосферного давления диафрагма прогнется в сторону крышки и при помощи тяги переместит подвижный диск с прерывателем против хода вращения кулачка, увеличивая тем самым угол опережения зажигания.

При увеличении нагрузки дроссель открывается, разрежение в задроссельном пространстве уменьшается и пружина, разжимаясь, прогибает диафрагму в сторону корпуса.

Тяга, соединенная с диафрагмой повернет подвижный диск по ходу вращения кулачка, уменьшая этим угол опережения зажигания.

Совместная работа центробежного и вакуумного регуляторов опережения зажигания позволяет получить необходимый угол опережения зажигания в зависимости от числа оборотов коленчатого вала и нагрузки двигателя.

_________________
„Изучай правила, чтобы знать, как правильно их нарушить.“
„Мир несовершенен, поскольку мы несовершенны.“


Вернуться наверх
 Профиль  
 
 Заголовок сообщения: Re: Техно-маньячество или как сделать вакуум-корректор
СообщениеДобавлено: 20 Sep 2011, 15:27 
Не в сети
Старожил
Старожил

Зарегистрирован: 18 Jan 2009, 14:07
Сообщений: 7631
Откуда: 69 RUS
Поблагодарил: раз(а)
Поблагодарили: раз(а)
Медали: 6
За дальнобой 2-й степени. (1) За полезные и полные ответы. (1) За тех. помощь 1-й степени (1) За тех. помощь 2-й степени (1) За статью 1-й степени. (1)
Скутер: стелс лидер-50 2т (72 cc)
Стаж: 4
Перевариваете?! :) Я тоже :-D Может ктонить по русски объяснит что и на каком режиме нужно двигателю :)


Вернуться наверх
 Профиль  
 
 Заголовок сообщения: Re: Техно-маньячество или как сделать вакуум-корректор
СообщениеДобавлено: 21 Sep 2011, 08:34 
Не в сети
Старожил
Старожил

Зарегистрирован: 18 Jan 2009, 14:07
Сообщений: 7631
Откуда: 69 RUS
Поблагодарил: раз(а)
Поблагодарили: раз(а)
Медали: 6
За дальнобой 2-й степени. (1) За полезные и полные ответы. (1) За тех. помощь 1-й степени (1) За тех. помощь 2-й степени (1) За статью 1-й степени. (1)
Скутер: стелс лидер-50 2т (72 cc)
Стаж: 4
Вот собственно то о чем писал, нашел литературку и все оказалось совсем не так.
Вложение:
image528.jpg
image528.jpg [ 94.97 KiB | Просмотров: 2712 ]

Поясню. Направление вращения по часовой, смотрите где стоит пружина вакума это ее нулевое состояние и при максимальной нагрузке (то есть 0). Мембрана под действием разряжения будет перемещать плату только в раннее. При снижении нагрузки (закрытии дросселя) во впускном коллекторе появляется разряжение и мембрана сдвигает плату против часовой, то есть в раннее. Выходит что при нагрузке нужно познее зажигание, т е при макс нагрузке уоз=0 на ХХ уоз=макс (11-20 градусов).
Далее центробежный регулятор, при высоких оборотах грузики расходятся и тащат за собой плату по часовой, в позднее, но пружина вакума старается удержать плату, однако грузики пересиливают. Выходит чем выше обороты тем позднее зажигание ведь при открытом дросселе мембрана вакума не работает, а при пуске наоборот получается оно раннее.
Хотя в той же таблице к этому трамблеру приведены другие данные. В ней видна зависимисть увеличения уоз при увеличении оборотов. Вот так нас учили умные книжки (или авторы :CENS: или дэза для америкосов).
Вложение:
image536.jpg
image536.jpg [ 16.77 KiB | Просмотров: 2712 ]

И еще поясню таблицу, скорость валика 2500 соответсятвует 5000 оборотов двигателя, двигатель 4т


Вернуться наверх
 Профиль  
 
Показать сообщения за:  Сортировать по:  
Начать новую тему Ответить на тему  [ Сообщений: 22 ]  На страницу Пред.  1, 2

Часовой пояс: UTC + 3 часа


Кто сейчас на форуме

Сейчас этот форум просматривают: нет зарегистрированных пользователей и гости: 11


Вы не можете начинать темы
Вы не можете отвечать на сообщения
Вы не можете редактировать свои сообщения
Вы не можете удалять свои сообщения
Вы не можете добавлять вложения

Перейти:  
cron
Powered by phpBB © phpBB Group
china-scooter.ru © 2006-2019