Клуб любителей китайских скутеров

Форум клуба любителей китайских скутеров

      
Текущее время: 31 Jan 2026, 20:01

Часовой пояс: UTC + 3 часа


Правила форума


Посмотреть правила форума



Начать новую тему Ответить на тему  [ Сообщений: 2833 ]  На страницу Пред.  1 ... 141, 142, 143, 144, 145, 146, 147 ... 189  След.
Автор Сообщение
 Заголовок сообщения: Re: CFmoto JetMAX 250
СообщениеДобавлено: 09 Apr 2016, 17:33 
Не в сети
Посетитель
Посетитель
Аватар пользователя

Зарегистрирован: 01 Feb 2015, 23:05
Сообщений: 170
Откуда: Темрюкский р-он
Поблагодарил: раз(а)
Поблагодарили: раз(а)
Скутер: JetMAX250
Стаж: 2go
Читаю я Вас и начинаю ГОРДИТСЯ-Росс госстрахом Краснодарского края!!! Сегодня наконец сделал страховку(БАРАБАННАЯ ДРОБЬ!!!!) 6100 рублей на год. И все хлопали по плечу и говорили: ПОВЕЗЛО! КРАСАВА!!!

_________________
У меня все запчасти оригинальные, это у Вас - КИТАЙСКИЕ!!!


Вернуться наверх
 Профиль  
 
 Заголовок сообщения: Re: CFmoto JetMAX 250
СообщениеДобавлено: 09 Apr 2016, 17:56 
Не в сети
Посетитель
Посетитель
Аватар пользователя

Зарегистрирован: 26 Jan 2015, 18:07
Сообщений: 118
Откуда: Новосибирск
Поблагодарил: раз(а)
Поблагодарили: раз(а)
Скутер: CF250 Jet Max
Стаж: 1
Kitaeza45 писал(а):
Сегодня наконец сделал страховку(БАРАБАННАЯ ДРОБЬ!!!!) 6100 рублей на год.

Вау,а я сегодня страховку сделал 980 рублей,правда на пол года.По плечу не хлопали, наверно обманули ?


Вернуться наверх
 Профиль  
 
 Заголовок сообщения: Re: CFmoto JetMAX 250
СообщениеДобавлено: 09 Apr 2016, 18:40 
Не в сети
Опытный
Опытный
Аватар пользователя

Зарегистрирован: 01 Jul 2009, 19:16
Сообщений: 686
Откуда: Челябинск
Поблагодарил: раз(а)
Поблагодарили: раз(а)
Скутер: JetMax250
Стаж: 9
Kitaeza45
Гордись! Это рекорд! :-D

_________________
АЮ


Вернуться наверх
 Профиль  
 
 Заголовок сообщения: Re: CFmoto JetMAX 250
СообщениеДобавлено: 10 Apr 2016, 15:52 
Не в сети
Посетитель
Посетитель
Аватар пользователя

Зарегистрирован: 01 Feb 2015, 23:05
Сообщений: 170
Откуда: Темрюкский р-он
Поблагодарил: раз(а)
Поблагодарили: раз(а)
Скутер: JetMAX250
Стаж: 2go
Просто КОЗЛЫ неописуемые! Над народом издеваются как хотят, за его-же деньги. Власти всё знают, но как утверждают-ВСЕ СОГЛАСНО ПРАВИЛАМ. А страховые специально создают такие условия, что приходится брать страховку у дилера, переплачивая втрое за навязанные услуги.

_________________
У меня все запчасти оригинальные, это у Вас - КИТАЙСКИЕ!!!


Вернуться наверх
 Профиль  
 
 Заголовок сообщения: Re: CFmoto JetMAX 250
СообщениеДобавлено: 10 Apr 2016, 16:18 
Не в сети
Новичок
Новичок
Аватар пользователя

Зарегистрирован: 16 Jan 2013, 08:40
Сообщений: 91
Поблагодарил: раз(а)
Поблагодарили: раз(а)
Скутер: CF MOTO Jet max
Стаж: растёт
Всем привет ,давно меня тут не было но привело обратно некое горе
при зарядке аккумулятора не снимая его со скутера скачок напряжения что то уничтожил и теперь скут мёртв
из симптомов при повороте замка зажигания нет реакции спидометра обычно стрелка тест исполняет щас мёртвая показания температуры показывает мах потом сползает чек не моргает давление масла не моргает бенз молчит и стартер соответственно
HELP!!

_________________
Люди принимают за истину тот предел, который им доступен, так попробуйте перешагнуть этот предел и все у вас получиться. "power968"


Вернуться наверх
 Профиль  
 
 Заголовок сообщения: Re: CFmoto JetMAX 250
СообщениеДобавлено: 10 Apr 2016, 20:19 
Не в сети
Посетитель
Посетитель
Аватар пользователя

Зарегистрирован: 07 Mar 2010, 20:37
Сообщений: 102
Откуда: Казань
Поблагодарил: раз(а)
Поблагодарили: раз(а)
Скутер: CF MOTO JetMax 250
Стаж: 4
А ведь я говорил, отсоединяйте аккум... Проверяй предохранители...

_________________
Не ошибается тот, кто ничего не делает.


Вернуться наверх
 Профиль  
 
 Заголовок сообщения: Re: CFmoto JetMAX 250
СообщениеДобавлено: 10 Apr 2016, 22:10 
Не в сети
Новичок
Новичок
Аватар пользователя

Зарегистрирован: 16 Jan 2013, 08:40
Сообщений: 91
Поблагодарил: раз(а)
Поблагодарили: раз(а)
Скутер: CF MOTO Jet max
Стаж: растёт
ну я поучений не ожидаю хотелось бы больше конструктива
что интересно даже при выключеном ключе(судя по схеме) плюс присутствует на мозгах и прозвонка подтвердила и видимо это его уничтожило, в бортовую сеть попало БОЛЬШЕ 60 ВОЛЬТ

_________________
Люди принимают за истину тот предел, который им доступен, так попробуйте перешагнуть этот предел и все у вас получиться. "power968"


Вернуться наверх
 Профиль  
 
 Заголовок сообщения: Re: CFmoto JetMAX 250
СообщениеДобавлено: 10 Apr 2016, 22:29 
Не в сети
Посетитель
Посетитель

Зарегистрирован: 29 Mar 2014, 16:39
Сообщений: 171
Откуда: королев
Поблагодарил: раз(а)
Поблагодарили: раз(а)
Скутер: белый джет
Стаж: 4
страховка с картой 1574 ре.ничего не предлагаги.до ноября


Вернуться наверх
 Профиль  
 
 Заголовок сообщения: Re: CFmoto JetMAX 250
СообщениеДобавлено: 11 Apr 2016, 08:06 
Не в сети
Посетитель
Посетитель
Аватар пользователя

Зарегистрирован: 07 Mar 2010, 20:37
Сообщений: 102
Откуда: Казань
Поблагодарил: раз(а)
Поблагодарили: раз(а)
Скутер: CF MOTO JetMax 250
Стаж: 4
Raser 1977
Ну, так вторая часть моих "поучений" есть самый, что ни-на-есть "конструктив" :) Если ниче не зажигается, то кончился предохранитель, либо главный, либо один из второстепенных.

_________________
Не ошибается тот, кто ничего не делает.


Вернуться наверх
 Профиль  
 
 Заголовок сообщения: Re: CFmoto JetMAX 250
СообщениеДобавлено: 11 Apr 2016, 08:53 
Не в сети
Посетитель
Посетитель
Аватар пользователя

Зарегистрирован: 01 Feb 2015, 23:05
Сообщений: 170
Откуда: Темрюкский р-он
Поблагодарил: раз(а)
Поблагодарили: раз(а)
Скутер: JetMAX250
Стаж: 2go
Raser 1977 писал(а):
ну я поучений не ожидаю хотелось бы больше конструктива
что интересно даже при выключеном ключе(судя по схеме) плюс присутствует на мозгах и прозвонка подтвердила и видимо это его уничтожило, в бортовую сеть попало БОЛЬШЕ 60 ВОЛЬТ

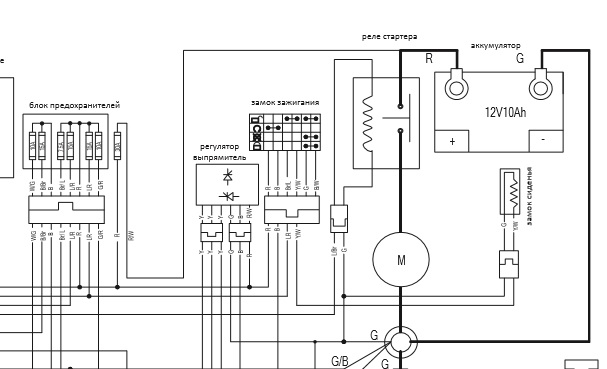
Посмотри на целосность главный предохранитель, находится под крышкой воздушного фильтра. Если посмотреть схему, то все питание идет через него(за исключением реле стартера), но нужно помнить, что любой предохранитель сгорает когда превышен ток нагрузки. на контроллер питание поступает через предохранитель 7,5А, проверь его! находится в бардачке под рулем на колодке.Удачи!


Вложения:
DSCN3792.JPG
DSCN3792.JPG [ 384.65 KiB | Просмотров: 2269 ]
схема.jpg
схема.jpg [ 53.19 KiB | Просмотров: 2269 ]

_________________
У меня все запчасти оригинальные, это у Вас - КИТАЙСКИЕ!!!
Вернуться наверх
 Профиль  
 
 Заголовок сообщения: Re: CFmoto JetMAX 250
СообщениеДобавлено: 11 Apr 2016, 13:52 
Не в сети
Посетитель
Посетитель
Аватар пользователя

Зарегистрирован: 26 Jan 2015, 18:07
Сообщений: 118
Откуда: Новосибирск
Поблагодарил: раз(а)
Поблагодарили: раз(а)
Скутер: CF250 Jet Max
Стаж: 1
Raser 1977 писал(а):
в бортовую сеть попало БОЛЬШЕ 60 ВОЛЬТ

Ну просто любопытно, а где вы взяли эти 60 вольт ? Экономия на заряднике ?


Вернуться наверх
 Профиль  
 
 Заголовок сообщения: Re: CFmoto JetMAX 250
СообщениеДобавлено: 11 Apr 2016, 20:16 
Не в сети
Новичок
Новичок
Аватар пользователя

Зарегистрирован: 16 Jan 2013, 08:40
Сообщений: 91
Поблагодарил: раз(а)
Поблагодарили: раз(а)
Скутер: CF MOTO Jet max
Стаж: растёт
Ну в общем и целом накопали что всё таки умерли мозги при замене предохранителя 7,5 А на них пошло напряжение и они начали предательски греться теперь буду искать как обмануть судьбу и не покупать их за 20,5 тыщь

_________________
Люди принимают за истину тот предел, который им доступен, так попробуйте перешагнуть этот предел и все у вас получиться. "power968"


Вернуться наверх
 Профиль  
 
 Заголовок сообщения: Re: CFmoto JetMAX 250
СообщениеДобавлено: 12 Apr 2016, 22:05 
Не в сети
Посетитель
Посетитель
Аватар пользователя

Зарегистрирован: 01 Feb 2015, 23:05
Сообщений: 170
Откуда: Темрюкский р-он
Поблагодарил: раз(а)
Поблагодарили: раз(а)
Скутер: JetMAX250
Стаж: 2go
Raser 1977 писал(а):
Ну в общем и целом накопали что всё таки умерли мозги при замене предохранителя 7,5 А на них пошло напряжение и они начали предательски греться теперь буду искать как обмануть судьбу и не покупать их за 20,5 тыщь

Да-засада! Особо терять уже не чего, разбери контроллер, отнеси ребятам хорошо разбирающимся в электронике, пусть посмотрят. По опыту знаю бывает просто одна деталька в входных цепях сгорает и "коротит", ну а не прокатит...

_________________
У меня все запчасти оригинальные, это у Вас - КИТАЙСКИЕ!!!


Вернуться наверх
 Профиль  
 
 Заголовок сообщения: Re: CFmoto JetMAX 250
СообщениеДобавлено: 13 Apr 2016, 20:11 
Не в сети
Новичок
Новичок
Аватар пользователя

Зарегистрирован: 16 Jan 2013, 08:40
Сообщений: 91
Поблагодарил: раз(а)
Поблагодарили: раз(а)
Скутер: CF MOTO Jet max
Стаж: растёт
Да разобрал,пока отодрал весь резиновый компауд испортил одну хорошую детальку при осмотре обнаружил две деталь типа диод один побольше другой поменьше у одного даже ноги отпаялись. Что интересно на плате написано ducati e 15852 поиски в нете по этим цифрам никакой ни схемы ни информации не выдали *DONT_KNOW*
И ремонтировать пока никто не берётся

_________________
Люди принимают за истину тот предел, который им доступен, так попробуйте перешагнуть этот предел и все у вас получиться. "power968"


Вернуться наверх
 Профиль  
 
 Заголовок сообщения: Re: CFmoto JetMAX 250
СообщениеДобавлено: 14 Apr 2016, 13:07 
Не в сети
Наблюдатель

Зарегистрирован: 25 Jun 2013, 23:19
Сообщений: 6
Поблагодарил: раз(а)
Поблагодарили: раз(а)
Скутер: хонда такт
Стаж: 14 лет
Всем привет! кто нибудь знает номер подшипника в переднем колесе???


Вернуться наверх
 Профиль  
 
Показать сообщения за:  Сортировать по:  
Начать новую тему Ответить на тему  [ Сообщений: 2833 ]  На страницу Пред.  1 ... 141, 142, 143, 144, 145, 146, 147 ... 189  След.

Часовой пояс: UTC + 3 часа


Кто сейчас на форуме

Сейчас этот форум просматривают: нет зарегистрированных пользователей и гости: 4


Вы не можете начинать темы
Вы не можете отвечать на сообщения
Вы не можете редактировать свои сообщения
Вы не можете удалять свои сообщения
Вы не можете добавлять вложения

Перейти:  
cron
Powered by phpBB © phpBB Group
china-scooter.ru © 2006-2019