Клуб любителей китайских скутеров

Форум клуба любителей китайских скутеров

      
Текущее время: 22 Mar 2026, 10:08

Часовой пояс: UTC + 3 часа


Правила форума


Правила форума

Если ваш вопрос касается неисправности вашего скутера, или у вас возникли затруднения с эксплуатацией, или тюнингом, предварительно укажите:
Модель и производителя скутера;
Модель двигателя;
Тактность двигателя и предположительный объём.
После этого, излагайте суть проблемы.
Не забывайте, название поста должно как можно ближе отражать суть проблемы.



Начать новую тему Ответить на тему  [ Сообщений: 18 ]  На страницу Пред.  1, 2
Автор Сообщение
 Заголовок сообщения: Re: вопросы по электрике 139 движка
СообщениеДобавлено: 07 Sep 2011, 23:19 
Не в сети
Интересующийся
Интересующийся

Зарегистрирован: 28 Aug 2011, 22:33
Сообщений: 31
Откуда: М.О.г.Пушкино
Поблагодарил: раз(а)
Поблагодарили: раз(а)
Скутер: 4t
Стаж: по жизни
funix писал(а):
Какой карб и обогатитель? Для электро нужен рн и какой то баласт типа фары.

обогатитель электро, но могу и ручной прикупить


Вернуться наверх
 Профиль  
 
 Заголовок сообщения: Re: вопросы по электрике 139 движка
СообщениеДобавлено: 08 Sep 2011, 09:07 
Не в сети
Старожил
Старожил

Зарегистрирован: 18 Jan 2009, 14:07
Сообщений: 7631
Откуда: 69 RUS
Поблагодарил: раз(а)
Поблагодарили: раз(а)
Медали: 6
За дальнобой 2-й степени. (1) За полезные и полные ответы. (1) За тех. помощь 1-й степени (1) За тех. помощь 2-й степени (1) За статью 1-й степени. (1)
Скутер: стелс лидер-50 2т (72 cc)
Стаж: 4
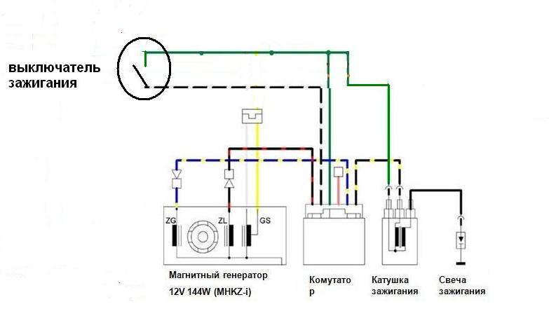
Вот упрощенная схема с электрообогатителем
Вложение:
в1.JPG
в1.JPG [ 57.79 KiB | Просмотров: 718 ]

а это схема под ручной обогатитель
Вложение:
в2.JPG
в2.JPG [ 29.44 KiB | Просмотров: 718 ]

ПС зеленый провод соединяющий комутатор-катушку и выключатель это масса и должен быть соединен с корпусом двигателя.


Вернуться наверх
 Профиль  
 
 Заголовок сообщения: Re: вопросы по электрике 139 движка
СообщениеДобавлено: 10 Sep 2011, 04:38 
Не в сети
Старожил
Старожил
Аватар пользователя

Зарегистрирован: 03 Oct 2008, 22:46
Сообщений: 8023
Откуда: Киев
Поблагодарил: раз(а)
Поблагодарили: раз(а)
Медали: 4
За тех. помощь 1-й степени (1) За тех. помощь 2-й степени (1) За статью 1-й степени. (1) За вклад в развитие клуба (1)
Скутер: 180-т4 и 150-Т4;
Стаж: 30
Последняя схема самая примитивная и надежная. Только зажигание.

_________________
Теория,-все знают как, ничего не работает
Практика,-все работает, никто не знает почему
Соединяем,-"Теория+Практика",-Ничего не работает и никто не знает, почему.


Вернуться наверх
 Профиль  
 
Показать сообщения за:  Сортировать по:  
Начать новую тему Ответить на тему  [ Сообщений: 18 ]  На страницу Пред.  1, 2

Часовой пояс: UTC + 3 часа


Кто сейчас на форуме

Сейчас этот форум просматривают: нет зарегистрированных пользователей и гости: 15


Вы не можете начинать темы
Вы не можете отвечать на сообщения
Вы не можете редактировать свои сообщения
Вы не можете удалять свои сообщения
Вы не можете добавлять вложения

Перейти:  
Powered by phpBB © phpBB Group
china-scooter.ru © 2006-2019