Клуб любителей китайских скутеров

Форум клуба любителей китайских скутеров

      
Текущее время: 06 Май 2026, 13:44

Часовой пояс: UTC + 3 часа


Правила форума


Правила форума

Если ваш вопрос касается неисправности вашего скутера, или у вас возникли затруднения с эксплуатацией, или тюнингом, предварительно укажите:
Модель и производителя скутера;
Модель двигателя;
Тактность двигателя и предположительный объём.
После этого, излагайте суть проблемы.
Не забывайте, название поста должно как можно ближе отражать суть проблемы.



Начать новую тему Ответить на тему  [ Сообщений: 33 ]  На страницу Пред.  1, 2, 3  След.
Автор Сообщение
 Заголовок сообщения: Re: Хелп! Больше не глохнет, но богатит
СообщениеДобавлено: 27 Jun 2013, 11:59 
Не в сети
Гуру ремонта
Гуру ремонта
Аватар пользователя

Зарегистрирован: 20 Mar 2009, 23:12
Сообщений: 19841
Откуда: Бронницы
Поблагодарил: раз(а)
Поблагодарили: раз(а)
Медали: 4
За полезные и полные ответы. (1) За тех. помощь 1-й степени (1) За тех. помощь 2-й степени (1) За вклад в развитие клуба (1)
Скутер: Irbis Nirvana 150 уже 175сс
Стаж: Мото 21,скутер 4года
pvs512
В стандартной схеме, микрик замыкает на массу провод от датчика, блокируя работу зажигания.
Если микрик не установлен, имеется просто свободно болтающаяся фишка, торчащая из проводки скутера.
Провода в фишке: зелёный - масса; черный с белой полосой - выход с коммутатора(индукционный датчик).
Изображение

_________________
Попытка прочесть книгу, не открыв её - обречена на провал.


Вернуться наверх
 Профиль  
 
 Заголовок сообщения: Re: Хелп! Больше не глохнет, но богатит
СообщениеДобавлено: 27 Jun 2013, 12:09 
Не в сети
Гуру ремонта
Гуру ремонта
Аватар пользователя

Зарегистрирован: 20 Mar 2009, 23:12
Сообщений: 19841
Откуда: Бронницы
Поблагодарил: раз(а)
Поблагодарили: раз(а)
Медали: 4
За полезные и полные ответы. (1) За тех. помощь 1-й степени (1) За тех. помощь 2-й степени (1) За вклад в развитие клуба (1)
Скутер: Irbis Nirvana 150 уже 175сс
Стаж: Мото 21,скутер 4года
pan_ohotnik писал(а):
Предыстория: в прошлый раз пришлось заливаться 92-м на какой-то говнозаправке, где пасутся одни маршрутчики.
Смена бензокрана помогла мало.
Самое смешное - накрылся новый вакуумный кран, даже недели не отработал.
ХХ отрегулирован - работает стабильно, винт качества открыт на 2 оборота

По поводу всего написанного, возникли вопросы.
1. Бензин так и не был заменён?
2. Бензокран так и не был исключён из системы питания?
3. Почему тебе известно количество оборотов, на которые откручен винт качества?

_________________
Попытка прочесть книгу, не открыв её - обречена на провал.


Вернуться наверх
 Профиль  
 
 Заголовок сообщения: Re: Хелп! Больше не глохнет, но богатит
СообщениеДобавлено: 27 Jun 2013, 13:10 
Не в сети
Посетитель
Посетитель
Аватар пользователя

Зарегистрирован: 14 Май 2011, 19:02
Сообщений: 236
Откуда: Новосибирск
Поблагодарил: раз(а)
Поблагодарили: раз(а)
Скутер: Irbis Intruder 200
Стаж: 7
1. Был, полностью.
2. Был, тем более, что только купленный накрылся. Я сначала и не понял, в чем дело - вдруг перестал поступать бензин. Откручиваю слив - сухо. Я перед этим еще раз тщательно чистил карб, поэтому все сливал. Соединил напрямую, доехал до сервиса, проверили бензокран - кирдык. Без крана все еще хуже, едва едет. Правда, после этого в сервисе подрегулировали уровень в поплавковой камере.
3. ??? Потому что я сам его откручивал, когда регулировал хх. Сначала ставил 1,5 оборота, а сегодня прибавил, чтобы смесь на хх была победнее. Стал с места лучше брать, почти как надо.

_________________
не верь излишне пышным фразам - их сладость отравляет разум


Вернуться наверх
 Профиль  
 
 Заголовок сообщения: Re: Хелп! Больше не глохнет, но богатит
СообщениеДобавлено: 27 Jun 2013, 17:01 
Не в сети
Посетитель
Посетитель
Аватар пользователя

Зарегистрирован: 14 Май 2011, 19:02
Сообщений: 236
Откуда: Новосибирск
Поблагодарил: раз(а)
Поблагодарили: раз(а)
Скутер: Irbis Intruder 200
Стаж: 7
*DONT_KNOW* Чудеса происходят с конем. Заводил на работе - он вдруг поперхнулся и снова собрался заглохнуть. Дал полный газ - еле крутит, даже сцепление не срабатывает. Я уже начал подбирать матерные слова покрепче. Но поиграл газом - кашлянул, и движок заревел. Полетел, как правдишный. Под горку почти положил стрелку. Дома выкручиваю свечу - стерильная, как только из магазина. Но следов перекала не видно, белого налета нет. На всякий случай прикрутил винт качества на пол-оборота (теперь 1,5), по-новой отрегулировал хх, поднял иглу на одно деление. Посмотрю, какие завтра сюрпризы мне коник устроит.

Компрессию пока померить не удалось. У близких СТО-шников такие манометры, с которыми фиг подлезешь.

_________________
не верь излишне пышным фразам - их сладость отравляет разум


Вернуться наверх
 Профиль  
 
 Заголовок сообщения: Re: Хелп! Больше не глохнет, но богатит
СообщениеДобавлено: 27 Jun 2013, 17:46 
Не в сети
Старожил
Старожил

Зарегистрирован: 25 Май 2009, 14:25
Сообщений: 6823
Откуда: Москва, ЮВАО
Поблагодарил: раз(а)
Поблагодарили: раз(а)
Медали: 5
За полезные и полные ответы. (1) За тех. помощь 1-й степени (1) За тех. помощь 2-й степени (1) За вклад в развитие клуба (1) За грамотность (1)
Скутер: Stels Outlander 150
Стаж: общий с 1970года
pan_ohotnik !
Странно , что он вообще у тебя ездит....судя по твоим "настройкам" ты это делаешь, как тебе ведомо... тут не пробовал почитать.... viewtopic.php?f=29&t=27972

_________________
Танки грязи не боятся...


Вернуться наверх
 Профиль  
 
 Заголовок сообщения: Re: Хелп! Больше не глохнет, но богатит
СообщениеДобавлено: 27 Jun 2013, 18:21 
Не в сети
Посетитель
Посетитель
Аватар пользователя

Зарегистрирован: 14 Май 2011, 19:02
Сообщений: 236
Откуда: Новосибирск
Поблагодарил: раз(а)
Поблагодарили: раз(а)
Скутер: Irbis Intruder 200
Стаж: 7
VVV писал(а):
pan_ohotnik !
Странно , что он вообще у тебя ездит....судя по твоим "настройкам" ты это делаешь, как тебе ведомо... тут не пробовал почитать.... http://www.china-scooter.ru/forum/viewt ... 29&t=27972


Я догадался почитать. Я тут вообще уже третий год почитываю. 8-)

И что же я, по-вашему, делаю не так, товарищ гуру? Карбюратор сильно богатил - я обеднил смесь. Сегодня вдруг богатить перестал. Я на всякий случай чуток обогатил, чтобы ненароком не схлопотать клин от перегрева. Руководствуясь именно этой статьей, по ссылке. Я догадлив по натуре, еслиф чо, не вчера родился. Свеча новая, только вчера вкрутил, по ней мало что еще видно. Будет коптить - снова сделаю смесь беднее.

_________________
не верь излишне пышным фразам - их сладость отравляет разум


Вернуться наверх
 Профиль  
 
 Заголовок сообщения: Re: Хелп! Больше не глохнет, но богатит
СообщениеДобавлено: 27 Jun 2013, 20:03 
Не в сети
Опытный
Опытный
Аватар пользователя

Зарегистрирован: 04 Jan 2013, 20:03
Сообщений: 653
Откуда: ТАМБОВ
Поблагодарил: раз(а)
Поблагодарили: раз(а)
Скутер: ZZR400-2
pan_ohotnik писал(а):
VVV писал(а):
pan_ohotnik !
Странно , что он вообще у тебя ездит....судя по твоим "настройкам" ты это делаешь, как тебе ведомо... тут не пробовал почитать.... http://www.china-scooter.ru/forum/viewt ... 29&t=27972


Я догадался почитать. Я тут вообще уже третий год почитываю. 8-)

И что же я, по-вашему, делаю не так, товарищ гуру? Карбюратор сильно богатил - я обеднил смесь. Сегодня вдруг богатить перестал. Я на всякий случай чуток обогатил, чтобы ненароком не схлопотать клин от перегрева. Руководствуясь именно этой статьей, по ссылке. Я догадлив по натуре, еслиф чо, не вчера родился. Свеча новая, только вчера вкрутил, по ней мало что еще видно. Будет коптить - снова сделаю смесь беднее.

тут гордится нечем , 3 года читал и ничего не понял

_________________
We will we will rock you


Вернуться наверх
 Профиль  
 
 Заголовок сообщения: Re: Больше не хелп :)
СообщениеДобавлено: 28 Jun 2013, 06:05 
Не в сети
Посетитель
Посетитель
Аватар пользователя

Зарегистрирован: 14 Май 2011, 19:02
Сообщений: 236
Откуда: Новосибирск
Поблагодарил: раз(а)
Поблагодарили: раз(а)
Скутер: Irbis Intruder 200
Стаж: 7
Уж не знаю, что я не понял, но все наладил. Конь идет, как новый, разгоняется без провалов на всем диапазоне, по прямой жмет 60, под горку 75, если без фанатизма. Движок работает - просто песня. Осталось поменять ролики на равновесные, но пока не найду 6,5 г.

Шоб я еще хоть раз где попало заправился! "Лучше день потерять, потом за пять минут долететь!"(с)

Щас опять гуру начнут ворчать, но возможно, помогла заливка 95g - он с моющими присадками. Топливная система промылась после ослиной мочи, на которой ездят маршрутки.

_________________
не верь излишне пышным фразам - их сладость отравляет разум


Вернуться наверх
 Профиль  
 
 Заголовок сообщения: Re: Хелп! Больше не глохнет, но богатит
СообщениеДобавлено: 28 Jun 2013, 06:32 
Не в сети
Гуру ремонта
Гуру ремонта
Аватар пользователя

Зарегистрирован: 20 Mar 2009, 23:12
Сообщений: 19841
Откуда: Бронницы
Поблагодарил: раз(а)
Поблагодарили: раз(а)
Медали: 4
За полезные и полные ответы. (1) За тех. помощь 1-й степени (1) За тех. помощь 2-й степени (1) За вклад в развитие клуба (1)
Скутер: Irbis Nirvana 150 уже 175сс
Стаж: Мото 21,скутер 4года
pan_ohotnik писал(а):
3. ??? Потому что я сам его откручивал, когда регулировал хх. Сначала ставил 1,5 оборота, а сегодня прибавил, чтобы смесь на хх была победнее. Стал с места лучше брать, почти как надо.

pan_ohotnik писал(а):
Карбюратор сильно богатил - я обеднил смесь. Сегодня вдруг богатить перестал. Я на всякий случай чуток обогатил, чтобы ненароком не схлопотать клин от перегрева.

То есть ты не регулировал карбюратор, а тупо парил тут всем мозги.
Возьми и отрегулируй.
Хватит воду в ступе молоть.

_________________
Попытка прочесть книгу, не открыв её - обречена на провал.


Вернуться наверх
 Профиль  
 
 Заголовок сообщения: Re: Больше не хелп :)
СообщениеДобавлено: 28 Jun 2013, 08:25 
Не в сети
Посетитель
Посетитель
Аватар пользователя

Зарегистрирован: 06 Apr 2012, 05:49
Сообщений: 180
Откуда: Москва САО
Поблагодарил: раз(а)
Поблагодарили: раз(а)
Скутер: Irbis Nirvana 49+cc
Стаж: 11
pan_ohotnik писал(а):
Шоб я еще хоть раз где попало заправился! "Лучше день потерять, потом за пять минут долететь!"(с)
Щас опять гуру начнут ворчать, но возможно, помогла заливка 95g - он с моющими присадками. Топливная система промылась после ослиной мочи, на которой ездят маршрутки.


Вот тут ты прав. Аналогично вчера заправился на левой говнозаправке в р-не м.Войковская под мостом. Сразу холостые какие-то неправильные стали, прогрев минут по 5, пришлось лезть крутить винты карба. Обычно заправляюсь на Газпромовских или Лукойловских. Спасибо господам гуру что хоть тему не закрыли. А провод микрика подножки реально коротил об массу?

_________________
Пробег 12600, полет нормальный.


Вернуться наверх
 Профиль  
 
 Заголовок сообщения: Re: Больше не хелп :)
СообщениеДобавлено: 28 Jun 2013, 08:48 
Не в сети
Посетитель
Посетитель
Аватар пользователя

Зарегистрирован: 14 Май 2011, 19:02
Сообщений: 236
Откуда: Новосибирск
Поблагодарил: раз(а)
Поблагодарили: раз(а)
Скутер: Irbis Intruder 200
Стаж: 7
pvs512 писал(а):
pan_ohotnik писал(а):
Вот тут ты прав. Аналогично вчера заправился на левой говнозаправке в р-не м.Войковская под мостом. Сразу холостые какие-то неправильные стали, прогрев минут по 5, пришлось лезть крутить винты карба. Обычно заправляюсь на Газпромовских или Лукойловских. Спасибо господам гуру что хоть тему не закрыли. А провод микрика подножки реально коротил об массу?


Аналогично, обычно заливаюсь только на Газпромнефти или Лукойле.

У меня вообще не микрик, а хитрый концевик - пластинка на пружине при откидывании подножки замыкает контакты, катушку на массу, зажигание не работает. А эти два провода протерлись и коротнули между собой. Сборщики поэкономили хомуты.


Вложение:
EM_Patron_Joker_50.jpg
EM_Patron_Joker_50.jpg [ 496.52 KiB | Просмотров: 2993 ]

_________________
не верь излишне пышным фразам - их сладость отравляет разум


Вернуться наверх
 Профиль  
 
 Заголовок сообщения: Re: Больше не хелп :)
СообщениеДобавлено: 28 Jun 2013, 09:05 
Не в сети
Посетитель
Посетитель
Аватар пользователя

Зарегистрирован: 06 Apr 2012, 05:49
Сообщений: 180
Откуда: Москва САО
Поблагодарил: раз(а)
Поблагодарили: раз(а)
Скутер: Irbis Nirvana 49+cc
Стаж: 11
Ну так у меня так же, я про него и писал, на схеме обозначен как "датчик бокового упора". У катушки земля должна быть :). Он у меня и закорочен. То есть у тебя провода между собой коротили, а на массу контакта не было, кажется так.

_________________
Пробег 12600, полет нормальный.


Вернуться наверх
 Профиль  
 
 Заголовок сообщения: Re: Хелп! Больше не глохнет, но богатит
СообщениеДобавлено: 28 Jun 2013, 09:15 
Не в сети
Посетитель
Посетитель
Аватар пользователя

Зарегистрирован: 14 Май 2011, 19:02
Сообщений: 236
Откуда: Новосибирск
Поблагодарил: раз(а)
Поблагодарили: раз(а)
Скутер: Irbis Intruder 200
Стаж: 7
GRO писал(а):
pan_ohotnik писал(а):
То есть ты не регулировал карбюратор, а тупо парил тут всем мозги.
Возьми и отрегулируй.
Хватит воду в ступе молоть.


Слушайте, товарищ гуру, я прекрасно понимаю, что наш опыт в ремонте несравним, но я все же не совсем идиот, и статью по ссылке читал, и не только ее.

Вы хотите, чтобы я рассказывал о регулировке хх в стиле: "открывает кошелку, достает сумку, закрывает кошелку, открывает сумку, достает кошелек..."?

Поначалу настраивал, как написано. Но если при работе на хх свеча черная, что прикажете делать? Я приоткрутил винт качества, отрегулировал обороты, стало все нормально, копоть исчезла. Система промылась, перенастроенный карбюратор начал беднить, я вернул все назад, и снова все стало зашибись. Тахометра, увы, нет, поэтому настроил на слух, как сумел. Работает стабильно и холодный, и горячий. Что еще?

_________________
не верь излишне пышным фразам - их сладость отравляет разум


Вернуться наверх
 Профиль  
 
 Заголовок сообщения: Re: Больше не хелп :)
СообщениеДобавлено: 28 Jun 2013, 09:20 
Не в сети
Посетитель
Посетитель
Аватар пользователя

Зарегистрирован: 14 Май 2011, 19:02
Сообщений: 236
Откуда: Новосибирск
Поблагодарил: раз(а)
Поблагодарили: раз(а)
Скутер: Irbis Intruder 200
Стаж: 7
pvs512 писал(а):
Ну так у меня так же, я про него и писал, на схеме обозначен как "датчик бокового упора". У катушки земля должна быть :). Он у меня и закорочен. То есть у тебя провода между собой коротили, а на массу контакта не было, кажется так.


А черт его знает, я сам не видел. То ли между собой коротили, то ли оба закоротило на массу, прижав к раме, то ли попеременно то и другое. *DONT_KNOW*

_________________
не верь излишне пышным фразам - их сладость отравляет разум


Вернуться наверх
 Профиль  
 
 Заголовок сообщения: Re: Больше не хелп :)
СообщениеДобавлено: 28 Jun 2013, 09:41 
Не в сети
Посетитель
Посетитель
Аватар пользователя

Зарегистрирован: 06 Apr 2012, 05:49
Сообщений: 180
Откуда: Москва САО
Поблагодарил: раз(а)
Поблагодарили: раз(а)
Скутер: Irbis Nirvana 49+cc
Стаж: 11
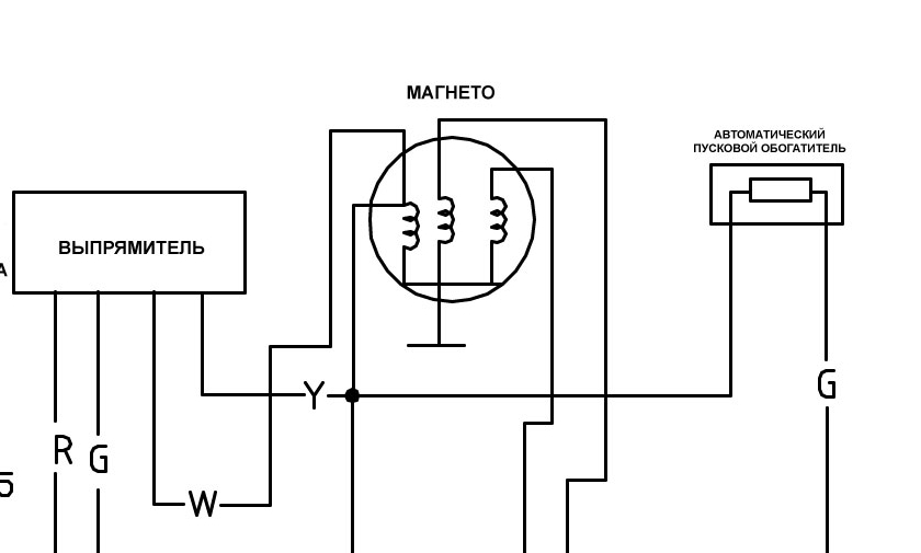
Вот эта часть схемы не совсем понятна. От "магнето" идут 2 разных провода (белый на выпрямитель, желтый на пусковой обогатитель), а внутри "магнето" они посажены на одну обмотку.


Вложения:
часть схемы2.jpg
часть схемы2.jpg [ 67.12 KiB | Просмотров: 2988 ]

_________________
Пробег 12600, полет нормальный.
Вернуться наверх
 Профиль  
 
Показать сообщения за:  Сортировать по:  
Начать новую тему Ответить на тему  [ Сообщений: 33 ]  На страницу Пред.  1, 2, 3  След.

Часовой пояс: UTC + 3 часа


Кто сейчас на форуме

Сейчас этот форум просматривают: нет зарегистрированных пользователей и гости: 17


Вы не можете начинать темы
Вы не можете отвечать на сообщения
Вы не можете редактировать свои сообщения
Вы не можете удалять свои сообщения
Вы не можете добавлять вложения

Перейти:  
Powered by phpBB © phpBB Group
china-scooter.ru © 2006-2019