Клуб любителей китайских скутеров

Форум клуба любителей китайских скутеров

      
Текущее время: 28 Apr 2026, 18:14

Часовой пояс: UTC + 3 часа


Правила форума


Правила форума

Если ваш вопрос касается неисправности вашего скутера, или у вас возникли затруднения с эксплуатацией, или тюнингом, предварительно укажите:
Модель и производителя скутера;
Модель двигателя;
Тактность двигателя и предположительный объём.
После этого, излагайте суть проблемы.
Не забывайте, название поста должно как можно ближе отражать суть проблемы.



Начать новую тему Ответить на тему  [ Сообщений: 52 ]  На страницу Пред.  1, 2, 3, 4  След.
Автор Сообщение
 Заголовок сообщения: Re: Вопрос про аварийку)
СообщениеДобавлено: 04 Feb 2011, 17:59 
Не в сети
Опытный
Опытный
Аватар пользователя

Зарегистрирован: 17 Jun 2010, 23:33
Сообщений: 882
Откуда: Урал.екат.втчм
Поблагодарил: раз(а)
Поблагодарили: раз(а)
Медали: 1
За стайлинг (1)
Скутер: patron joker 180 фарш эдишин.
Стаж: 4
funix
Я твою схему не очень понял,поэтому не понял тебя,я изначально допускал что стандартное реле не куда негодиться,поэтому подумал что ты еще два предлогаеш цепануть вот.

_________________
Изображение


Вернуться наверх
 Профиль  
 
 Заголовок сообщения: Re: Вопрос про аварийку)
СообщениеДобавлено: 05 Feb 2011, 01:25 
Не в сети
Гуру ремонта
Гуру ремонта
Аватар пользователя

Зарегистрирован: 20 Mar 2009, 23:12
Сообщений: 19841
Откуда: Бронницы
Поблагодарил: раз(а)
Поблагодарили: раз(а)
Медали: 4
За полезные и полные ответы. (1) За тех. помощь 1-й степени (1) За тех. помощь 2-й степени (1) За вклад в развитие клуба (1)
Скутер: Irbis Nirvana 150 уже 175сс
Стаж: Мото 21,скутер 4года
EkaT_Resp.POMA
Это не схема, это бред какой-то.
Накой Х мне ешё двойной тумблер?
У меня аварийка штатно от одной кнопки включаеться.
Так что мне лучше две релюхи поставить, как впрочем и большенству.
Так как обьеденять кучу систем в одну - класть яйца в одну корзину.
Системы должны быть независимы, ради надёжности.

_________________
Попытка прочесть книгу, не открыв её - обречена на провал.


Вернуться наверх
 Профиль  
 
 Заголовок сообщения: Re: Вопрос про аварийку)
СообщениеДобавлено: 05 Feb 2011, 10:43 
Не в сети
Опытный
Опытный
Аватар пользователя

Зарегистрирован: 17 Jun 2010, 23:33
Сообщений: 882
Откуда: Урал.екат.втчм
Поблагодарил: раз(а)
Поблагодарили: раз(а)
Медали: 1
За стайлинг (1)
Скутер: patron joker 180 фарш эдишин.
Стаж: 4
GRO
Я не понел вашей схемы,нарисуйте ктонибуть с двумя реле как вы хотите,и выложите с разьяснениями :)

_________________
Изображение


Вернуться наверх
 Профиль  
 
 Заголовок сообщения: Re: Вопрос про аварийку)
СообщениеДобавлено: 05 Feb 2011, 12:04 
Не в сети
Гуру 2-х тактников
Аватар пользователя

Зарегистрирован: 17 Sep 2009, 18:37
Сообщений: 1862
Откуда: Бердянск, Украина
Поблагодарил: раз(а)
Поблагодарили: раз(а)
Медали: 5
За полезные и полные ответы. (1) За тех. помощь 1-й степени (1) За тех. помощь 2-й степени (1) За вклад в развитие клуба (1) За инновации (1)
Скутер: МанюнЯ
Стаж: 1 год 11 месяцев
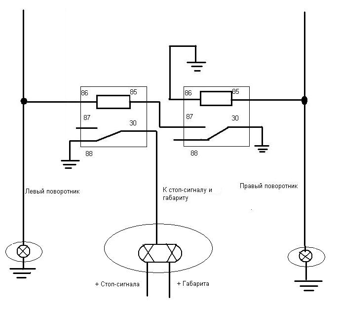
Изображение
вполне понятная схема с подписанными контактами, релюхи такие
Изображение
слева провод левого поворота (+), справа правого (+), средний стоп , снизу выход на стоп

_________________
Приди, Приди, Печенько!


Вернуться наверх
 Профиль  
 
 Заголовок сообщения: Re: Вопрос про аварийку)
СообщениеДобавлено: 05 Feb 2011, 13:40 
Не в сети
Гуру ремонта
Гуру ремонта
Аватар пользователя

Зарегистрирован: 20 Mar 2009, 23:12
Сообщений: 19841
Откуда: Бронницы
Поблагодарил: раз(а)
Поблагодарили: раз(а)
Медали: 4
За полезные и полные ответы. (1) За тех. помощь 1-й степени (1) За тех. помощь 2-й степени (1) За вклад в развитие клуба (1)
Скутер: Irbis Nirvana 150 уже 175сс
Стаж: Мото 21,скутер 4года
EkaT_Resp.POMA
Вот так понятнее?


Вложения:
2.JPG
2.JPG [ 33.66 KiB | Просмотров: 1826 ]

_________________
Попытка прочесть книгу, не открыв её - обречена на провал.
Вернуться наверх
 Профиль  
 
 Заголовок сообщения: Re: Вопрос про аварийку)
СообщениеДобавлено: 05 Feb 2011, 19:04 
Не в сети
Старожил
Старожил
Аватар пользователя

Зарегистрирован: 03 Oct 2008, 22:46
Сообщений: 8022
Откуда: Киев
Поблагодарил: раз(а)
Поблагодарили: раз(а)
Медали: 4
За тех. помощь 1-й степени (1) За тех. помощь 2-й степени (1) За статью 1-й степени. (1) За вклад в развитие клуба (1)
Скутер: 180-т4 и 150-Т4;
Стаж: 30
GRO
Это называется "на :CENS: вертил". Ещё 140мА лишней нагрузки(одно реле-70мА). Есть выключатели двух и более рядные... Вот и подключайте в центр выход штатного реле, а в ряды все что угодно. Чем желаете мигать, то и подключите.

_________________
Теория,-все знают как, ничего не работает
Практика,-все работает, никто не знает почему
Соединяем,-"Теория+Практика",-Ничего не работает и никто не знает, почему.


Вернуться наверх
 Профиль  
 
 Заголовок сообщения: Re: Вопрос про аварийку)
СообщениеДобавлено: 05 Feb 2011, 19:24 
Не в сети
Гуру ремонта
Гуру ремонта
Аватар пользователя

Зарегистрирован: 20 Mar 2009, 23:12
Сообщений: 19841
Откуда: Бронницы
Поблагодарил: раз(а)
Поблагодарили: раз(а)
Медали: 4
За полезные и полные ответы. (1) За тех. помощь 1-й степени (1) За тех. помощь 2-й степени (1) За вклад в развитие клуба (1)
Скутер: Irbis Nirvana 150 уже 175сс
Стаж: Мото 21,скутер 4года
Эпикуреец
Это всего лишь логический элемент "И" :-D
Точнее "И" "НЕ", в одном флаконе.

_________________
Попытка прочесть книгу, не открыв её - обречена на провал.


Вернуться наверх
 Профиль  
 
 Заголовок сообщения: Re: Вопрос про аварийку)
СообщениеДобавлено: 06 Feb 2011, 00:23 
Не в сети
Наблюдатель

Зарегистрирован: 30 Jan 2011, 19:33
Сообщений: 5
Поблагодарил: раз(а)
Поблагодарили: раз(а)
Скутер: Fada
Стаж: 2
Спaсибо всeм)буду пробывaть)


Вернуться наверх
 Профиль  
 
 Заголовок сообщения: Re: Вопрос про аварийку)
СообщениеДобавлено: 06 Feb 2011, 14:36 
Не в сети
Опытный
Опытный
Аватар пользователя

Зарегистрирован: 17 Jun 2010, 23:33
Сообщений: 882
Откуда: Урал.екат.втчм
Поблагодарил: раз(а)
Поблагодарили: раз(а)
Медали: 1
За стайлинг (1)
Скутер: patron joker 180 фарш эдишин.
Стаж: 4
Кстати есть еще идея,чтобы сделать соовсем не зависимую аварийку можно просто поставить по второй лампочке в каждый поворотник и стопарь,и все,тогда вообще без запарок можно все подключить на один тумблер.

_________________
Изображение


Вернуться наверх
 Профиль  
 
 Заголовок сообщения: Re: Вопрос про аварийку)
СообщениеДобавлено: 06 Feb 2011, 16:33 
Не в сети
Гуру ремонта
Гуру ремонта
Аватар пользователя

Зарегистрирован: 20 Mar 2009, 23:12
Сообщений: 19841
Откуда: Бронницы
Поблагодарил: раз(а)
Поблагодарили: раз(а)
Медали: 4
За полезные и полные ответы. (1) За тех. помощь 1-й степени (1) За тех. помощь 2-й степени (1) За вклад в развитие клуба (1)
Скутер: Irbis Nirvana 150 уже 175сс
Стаж: Мото 21,скутер 4года
EkaT_Resp.POMA
Я всё понимаю, но вопрос касался именно асинхронного моргания стоп-сигнала с аварийкой.
Не удаляемся от темы.

_________________
Попытка прочесть книгу, не открыв её - обречена на провал.


Вернуться наверх
 Профиль  
 
 Заголовок сообщения: Re: Вопрос про аварийку)
СообщениеДобавлено: 06 Feb 2011, 18:32 
Не в сети
Опытный
Опытный
Аватар пользователя

Зарегистрирован: 20 Nov 2009, 01:49
Сообщений: 758
Откуда: Воронеж
Поблагодарил: раз(а)
Поблагодарили: раз(а)
Скутер: spark 150cc
Стаж: следующий пошел
ну,если забыть про то,что аварийка должна моргать только желтым по обеим бортам тс,и в итоге получается какая-то новогодняя елка,то можно зарядить в параллели со стоп сигналом лампочку в фару(!!не габариты!!)

_________________
не дрын-дын-дын-дынрррррр)
время алхимии с маслом и бензином прошло!


Вернуться наверх
 Профиль  
 
 Заголовок сообщения: Re: Вопрос про аварийку)
СообщениеДобавлено: 06 Feb 2011, 18:54 
Не в сети
Опытный
Опытный
Аватар пользователя

Зарегистрирован: 17 Jun 2010, 23:33
Сообщений: 882
Откуда: Урал.екат.втчм
Поблагодарил: раз(а)
Поблагодарили: раз(а)
Медали: 1
За стайлинг (1)
Скутер: patron joker 180 фарш эдишин.
Стаж: 4
Грант
Я думал уже про эту новогоднюю аварику :-D
Чтобы моргало все и везде,поворотники,стопак и фара *JOKINGLY*
Может быть себе оформлю нечто подобное.

_________________
Изображение


Вернуться наверх
 Профиль  
 
 Заголовок сообщения: Re: Вопрос про аварийку)
СообщениеДобавлено: 06 Feb 2011, 20:22 
Не в сети
Гуру ремонта
Гуру ремонта
Аватар пользователя

Зарегистрирован: 20 Mar 2009, 23:12
Сообщений: 19841
Откуда: Бронницы
Поблагодарил: раз(а)
Поблагодарили: раз(а)
Медали: 4
За полезные и полные ответы. (1) За тех. помощь 1-й степени (1) За тех. помощь 2-й степени (1) За вклад в развитие клуба (1)
Скутер: Irbis Nirvana 150 уже 175сс
Стаж: Мото 21,скутер 4года
Грант
Есть идея завязать это на фару.
Чтобы переключался ближний-дальний.
В пробках удобно.

_________________
Попытка прочесть книгу, не открыв её - обречена на провал.


Вернуться наверх
 Профиль  
 
 Заголовок сообщения: Re: Вопрос про аварийку)
СообщениеДобавлено: 07 Feb 2011, 11:46 
Не в сети
Опытный
Опытный
Аватар пользователя

Зарегистрирован: 20 Nov 2009, 01:49
Сообщений: 758
Откуда: Воронеж
Поблагодарил: раз(а)
Поблагодарили: раз(а)
Скутер: spark 150cc
Стаж: следующий пошел
не знаю...
что-то мне кажется от таких переключений будут лампы часто гореть..и потом в пробкам врядли будет достигнут желаемый эффект...
мне кажется,что будет создаваться впечатление,что что-то неисправно...лучше уж тогда мигалки,хрен с ними, лепить...

_________________
не дрын-дын-дын-дынрррррр)
время алхимии с маслом и бензином прошло!


Вернуться наверх
 Профиль  
 
 Заголовок сообщения: Re: Вопрос про аварийку)
СообщениеДобавлено: 07 Feb 2011, 14:09 
Не в сети
Гуру ремонта
Гуру ремонта
Аватар пользователя

Зарегистрирован: 20 Mar 2009, 23:12
Сообщений: 19841
Откуда: Бронницы
Поблагодарил: раз(а)
Поблагодарили: раз(а)
Медали: 4
За полезные и полные ответы. (1) За тех. помощь 1-й степени (1) За тех. помощь 2-й степени (1) За вклад в развитие клуба (1)
Скутер: Irbis Nirvana 150 уже 175сс
Стаж: Мото 21,скутер 4года
Грант
Часто на волгоградке встечал мотоцикл, на котором спереди было три фары(почти как у тебя).
При движении в пробке, он включал из в режим мигания.
Тоесть загоралась центральная фара, затем вместо неё две боковые.
Достаточно эффективно.

_________________
Попытка прочесть книгу, не открыв её - обречена на провал.


Вернуться наверх
 Профиль  
 
Показать сообщения за:  Сортировать по:  
Начать новую тему Ответить на тему  [ Сообщений: 52 ]  На страницу Пред.  1, 2, 3, 4  След.

Часовой пояс: UTC + 3 часа


Кто сейчас на форуме

Сейчас этот форум просматривают: нет зарегистрированных пользователей и гости: 17


Вы не можете начинать темы
Вы не можете отвечать на сообщения
Вы не можете редактировать свои сообщения
Вы не можете удалять свои сообщения
Вы не можете добавлять вложения

Перейти:  
Powered by phpBB © phpBB Group
china-scooter.ru © 2006-2019