Клуб любителей китайских скутеров

Форум клуба любителей китайских скутеров

      
Текущее время: 25 Май 2026, 12:09

Часовой пояс: UTC + 3 часа


Правила форума


Посмотреть правила форума



Начать новую тему Ответить на тему  [ Сообщений: 18 ]  На страницу 1, 2  След.
Автор Сообщение
 Заголовок сообщения: помогите устранить проблему с искрой stels arrow binelli 50
СообщениеДобавлено: 06 Aug 2023, 07:06 
Не в сети
Наблюдатель

Зарегистрирован: 06 Aug 2023, 06:38
Сообщений: 8
Поблагодарил: раз(а)
Поблагодарили: раз(а)
Скутер: stels arrow binelli 50
Стаж: 2
Всех приветствую на данном форуме ! Пишу в первый раз , поэтому могу многое упустить или что то может пойти не так . Суть моей проблемы заключается в том что скутер не глохнет с ключа ( stels arrow binelli 50 ) . Я не знаю как давно началась эта проблема , т.к скутер купил у знакомого , который в свою очередь тоже у кого то ешь купил уже с этой проблемой . Хотелось бы разобраться в чем может быть дело , т.к искра бъет во всех положениях ключа и скутер можно заглушить только сняв провод с катушки . Отключив фишку замка зажигания он по прежнему работает , на руле на правом пульте есть тоже какая то кнопка глушения , которая тоже к слову не работает ( хоть и подключена ) . Начиная ранее гуглить проблемы и читать варианты решения данной задачи наткнулся на видео , где говорилось о том что из за заводской сигнализации может такое происходить и если не ошибаюсь , то связано это с автозапуском . На видео было показано как скутер глушат через перемычку в фишке на сигнализацию , но опять же попробовав у меня ничего не вышло , поэтому я собственно и решил написать на данный форум .


Если это как то поможет : Замок зажигания стоит на 3 контакта , коммутатор 6 контактов ( из которых 5 подключены , хз почему так )


p.s. Сильно камнями не кидайтесь в меня , заранее спасибо и всем премного благодарен !


Вложения:
белка 5 (1).jpg
белка 5 (1).jpg [ 444.83 KiB | Просмотров: 2487 ]
белка 4 (1).jpg
белка 4 (1).jpg [ 528.24 KiB | Просмотров: 2487 ]
белка 3 (1).jpg
белка 3 (1).jpg [ 347.7 KiB | Просмотров: 2487 ]
белка 2 (1).jpg
белка 2 (1).jpg [ 412.13 KiB | Просмотров: 2487 ]
белка1 (1).jpg
белка1 (1).jpg [ 469.13 KiB | Просмотров: 2487 ]


Последний раз редактировалось дядя Лёша 01 Apr 2026, 20:34, всего редактировалось 2 раз(а).
Вернуться наверх
 Профиль  
 
 Заголовок сообщения: Re: помогите устранить проблему с искрой stels arrow binelli
СообщениеДобавлено: 06 Aug 2023, 14:55 
Не в сети
Старожил
Старожил
Аватар пользователя

Зарегистрирован: 24 Oct 2010, 23:54
Сообщений: 1604
Откуда: Раменское
Поблагодарил: раз(а)
Поблагодарили: раз(а)
Медали: 4
За полезные и полные ответы. (1) За тех. помощь 1-й степени (1) За тех. помощь 2-й степени (1) За грамотность (1)
Скутер: Haobon qt10, S ZNEN-King, Рига-26
Стаж: C89
дядя Лёша писал(а):
, коммутатор 6 контактов ( из которых 5 подключены , хз почему так )

DC или AC CDI?


Вернуться наверх
 Профиль  
 
 Заголовок сообщения: Re: помогите устранить проблему с искрой stels arrow binelli
СообщениеДобавлено: 06 Aug 2023, 15:46 
Не в сети
Наблюдатель

Зарегистрирован: 06 Aug 2023, 06:38
Сообщений: 8
Поблагодарил: раз(а)
Поблагодарили: раз(а)
Скутер: stels arrow binelli 50
Стаж: 2
AVK-73 писал(а):
дядя Лёша писал(а):
, коммутатор 6 контактов ( из которых 5 подключены , хз почему так )

DC или AC CDI?



AC CDI


Вернуться наверх
 Профиль  
 
 Заголовок сообщения: Re: помогите устранить проблему с искрой stels arrow binelli
СообщениеДобавлено: 06 Aug 2023, 16:04 
Не в сети
Старожил
Старожил
Аватар пользователя

Зарегистрирован: 24 Oct 2010, 23:54
Сообщений: 1604
Откуда: Раменское
Поблагодарил: раз(а)
Поблагодарили: раз(а)
Медали: 4
За полезные и полные ответы. (1) За тех. помощь 1-й степени (1) За тех. помощь 2-й степени (1) За грамотность (1)
Скутер: Haobon qt10, S ZNEN-King, Рига-26
Стаж: C89
Тогда замок почему трёхконтактный? На АС четырёх должен быть.


Вернуться наверх
 Профиль  
 
 Заголовок сообщения: Re: помогите устранить проблему с искрой stels arrow binelli
СообщениеДобавлено: 06 Aug 2023, 16:37 
Не в сети
Наблюдатель

Зарегистрирован: 06 Aug 2023, 06:38
Сообщений: 8
Поблагодарил: раз(а)
Поблагодарили: раз(а)
Скутер: stels arrow binelli 50
Стаж: 2
AVK-73 писал(а):
Тогда замок почему трёхконтактный? На АС четырёх должен быть.





тут ничего не подскажу , но на сколько я понял на cdi я могу ездить только с аккумулятором , а на АС без , скутер у меня без акума и все работает нормально , включая свет ( единственное это поворотники еле работают и гудок )


Вернуться наверх
 Профиль  
 
 Заголовок сообщения: Re: помогите устранить проблему с искрой stels arrow binelli
СообщениеДобавлено: 06 Aug 2023, 16:55 
Не в сети
Старожил
Старожил
Аватар пользователя

Зарегистрирован: 24 Oct 2010, 23:54
Сообщений: 1604
Откуда: Раменское
Поблагодарил: раз(а)
Поблагодарили: раз(а)
Медали: 4
За полезные и полные ответы. (1) За тех. помощь 1-й степени (1) За тех. помощь 2-й степени (1) За грамотность (1)
Скутер: Haobon qt10, S ZNEN-King, Рига-26
Стаж: C89
Коммутаторы есть AC CDI и DC CDI, первые питаются от своей катушки и датчика, вторые от аккумулятора и датчика, для первых нужен глушащий провод, вторые могут и без него просто отключением питания.

дядя Лёша писал(а):
все работает нормально ,поворотники еле работают и гудок
:-D


Вернуться наверх
 Профиль  
 
 Заголовок сообщения: Re: помогите устранить проблему с искрой stels arrow binelli
СообщениеДобавлено: 06 Aug 2023, 17:46 
Не в сети
Старожил
Старожил
Аватар пользователя

Зарегистрирован: 24 Oct 2010, 23:54
Сообщений: 1604
Откуда: Раменское
Поблагодарил: раз(а)
Поблагодарили: раз(а)
Медали: 4
За полезные и полные ответы. (1) За тех. помощь 1-й степени (1) За тех. помощь 2-й степени (1) За грамотность (1)
Скутер: Haobon qt10, S ZNEN-King, Рига-26
Стаж: C89
Выложи пожалуйста фото подключения коммутатора, замка, кнопки глушения, сигнализации. Какого цвета провода и как коммутируются.


Вернуться наверх
 Профиль  
 
 Заголовок сообщения: Re: помогите устранить проблему с искрой stels arrow binelli
СообщениеДобавлено: 31 Mar 2026, 21:43 
Не в сети
Наблюдатель

Зарегистрирован: 06 Aug 2023, 06:38
Сообщений: 8
Поблагодарил: раз(а)
Поблагодарили: раз(а)
Скутер: stels arrow binelli 50
Стаж: 2
AVK-73
привет, давно меня тут не было, к слову спустя время я решил вернуться к этой проблеме. Я так понял ты немного волочешь по этой теме , можем тут как то в личке списаться или может какой то другой чат использовать ?


Вернуться наверх
 Профиль  
 
 Заголовок сообщения: Re: помогите устранить проблему с искрой stels arrow binelli
СообщениеДобавлено: 31 Mar 2026, 22:55 
Не в сети
Старожил
Старожил
Аватар пользователя

Зарегистрирован: 24 Oct 2010, 23:54
Сообщений: 1604
Откуда: Раменское
Поблагодарил: раз(а)
Поблагодарили: раз(а)
Медали: 4
За полезные и полные ответы. (1) За тех. помощь 1-й степени (1) За тех. помощь 2-й степени (1) За грамотность (1)
Скутер: Haobon qt10, S ZNEN-King, Рига-26
Стаж: C89
дядя Лёша писал(а):
или может какой то другой чат использовать ?

Есть секретная информация, не для понимания остальными?
Ведь может кто то так же мучается.


Вернуться наверх
 Профиль  
 
 Заголовок сообщения: Re: помогите устранить проблему с искрой stels arrow binelli
СообщениеДобавлено: 01 Apr 2026, 01:53 
Не в сети
Наблюдатель

Зарегистрирован: 06 Aug 2023, 06:38
Сообщений: 8
Поблагодарил: раз(а)
Поблагодарили: раз(а)
Скутер: stels arrow binelli 50
Стаж: 2
AVK-73
Ни в коем случае, просто для удобства , а вот на счет полезности информации ты наверное прав. В общем завтра сделаю тогда пару фоток ну и в течении дня если что то будет не получаться то закину пару вопросов.


Вернуться наверх
 Профиль  
 
 Заголовок сообщения: Re: помогите устранить проблему с искрой stels arrow binelli
СообщениеДобавлено: 01 Apr 2026, 20:36 
Не в сети
Наблюдатель

Зарегистрирован: 06 Aug 2023, 06:38
Сообщений: 8
Поблагодарил: раз(а)
Поблагодарили: раз(а)
Скутер: stels arrow binelli 50
Стаж: 2
AVK-73
закинул пару фоток


Вернуться наверх
 Профиль  
 
 Заголовок сообщения: Re: помогите устранить проблему с искрой stels arrow binelli
СообщениеДобавлено: 01 Apr 2026, 21:20 
Не в сети
Старожил
Старожил
Аватар пользователя

Зарегистрирован: 24 Oct 2010, 23:54
Сообщений: 1604
Откуда: Раменское
Поблагодарил: раз(а)
Поблагодарили: раз(а)
Медали: 4
За полезные и полные ответы. (1) За тех. помощь 1-й степени (1) За тех. помощь 2-й степени (1) За грамотность (1)
Скутер: Haobon qt10, S ZNEN-King, Рига-26
Стаж: C89
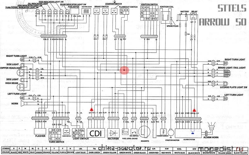
С замком не понятно, плохо видно.
На коммутаторе отсутствует 5-й пин-глушилка.

ps: Подпиши от чего идут разъёмы.


Вложения:
AC CDI расPINовка.jpg
AC CDI расPINовка.jpg [ 116.68 KiB | Просмотров: 2483 ]
Вернуться наверх
 Профиль  
 
 Заголовок сообщения: Re: помогите устранить проблему с искрой stels arrow binelli
СообщениеДобавлено: 02 Apr 2026, 07:15 
Не в сети
Новичок
Новичок

Зарегистрирован: 10 Oct 2023, 21:18
Сообщений: 68
Поблагодарил: раз(а)
Поблагодарили: раз(а)
Скутер: китаец
Стаж: 3
проверь массу на кнопке и замке если мне не изменяет память глушилка работает путём замыкания провода с катушки на массу. может масса отвалилась


Вернуться наверх
 Профиль  
 
 Заголовок сообщения: Re: помогите устранить проблему с искрой stels arrow binelli
СообщениеДобавлено: 03 Apr 2026, 20:38 
Не в сети
Наблюдатель

Зарегистрирован: 06 Aug 2023, 06:38
Сообщений: 8
Поблагодарил: раз(а)
Поблагодарили: раз(а)
Скутер: stels arrow binelli 50
Стаж: 2
вован 1975
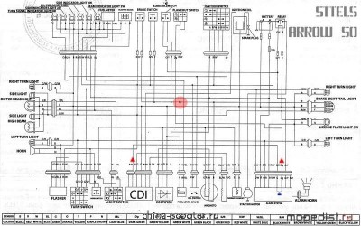
да там суть в том что на замок идет 3 провода : красный , красно/белый и серый. Нет четвертого, который бы замыкал там массу с коммутатора и глушил его. Я бы с удовольствием переделал бы на такую схему , но увы и ах. Щас закину ориг схему , гляньте кто нибудь, может вы подскажете за счет каких проводов она должна глушиться


Вложения:
схема проводки белка.jpg
схема проводки белка.jpg [ 100 KiB | Просмотров: 2303 ]
Вернуться наверх
 Профиль  
 
 Заголовок сообщения: Re: помогите устранить проблему с искрой stels arrow binelli
СообщениеДобавлено: 03 Apr 2026, 21:56 
Не в сети
Старожил
Старожил
Аватар пользователя

Зарегистрирован: 24 Oct 2010, 23:54
Сообщений: 1604
Откуда: Раменское
Поблагодарил: раз(а)
Поблагодарили: раз(а)
Медали: 4
За полезные и полные ответы. (1) За тех. помощь 1-й степени (1) За тех. помощь 2-й степени (1) За грамотность (1)
Скутер: Haobon qt10, S ZNEN-King, Рига-26
Стаж: C89
Если есть сигнализация, а если её нет(то должна стоять перемычка на разъёме), глушиться должно кнопкой старт-стоп.


Вернуться наверх
 Профиль  
 
Показать сообщения за:  Сортировать по:  
Начать новую тему Ответить на тему  [ Сообщений: 18 ]  На страницу 1, 2  След.

Часовой пояс: UTC + 3 часа


Кто сейчас на форуме

Сейчас этот форум просматривают: Google [Bot] и гости: 25


Вы не можете начинать темы
Вы не можете отвечать на сообщения
Вы не можете редактировать свои сообщения
Вы не можете удалять свои сообщения
Вы не можете добавлять вложения

Перейти:  
Powered by phpBB © phpBB Group
china-scooter.ru © 2006-2019