Клуб любителей китайских скутеров

Форум клуба любителей китайских скутеров

      
Текущее время: 22 Mar 2026, 22:39

Часовой пояс: UTC + 3 часа


Правила форума


Посмотреть правила форума



Начать новую тему Ответить на тему  [ Сообщений: 48 ]  На страницу Пред.  1, 2, 3, 4  След.
Автор Сообщение
 Заголовок сообщения: Re: Вопрос к ГУРУ про свет.
СообщениеДобавлено: 27 Mar 2014, 18:42 
Не в сети
Старожил
Старожил

Зарегистрирован: 18 Jan 2009, 14:07
Сообщений: 7631
Откуда: 69 RUS
Поблагодарил: раз(а)
Поблагодарили: раз(а)
Медали: 6
За дальнобой 2-й степени. (1) За полезные и полные ответы. (1) За тех. помощь 1-й степени (1) За тех. помощь 2-й степени (1) За статью 1-й степени. (1)
Скутер: стелс лидер-50 2т (72 cc)
Стаж: 4
Я не обижаюсь на феню, привык уже, у нас 101 км от москвы, многое повидал.
А теперь интересный факт, катушка в другую сторону, может это гена 139-го!? так подключая его как раз и получаешь полуволну, как в той похожей теме я озвучивал версию.
Тогда тебя нужно провод с массы отпаивать и его перевешивать на желтый.


Вернуться наверх
 Профиль  
 
 Заголовок сообщения: Re: Вопрос к ГУРУ про свет.
СообщениеДобавлено: 27 Mar 2014, 19:48 
Не в сети
Новичок
Новичок

Зарегистрирован: 29 Jun 2010, 16:09
Сообщений: 56
Поблагодарил: раз(а)
Поблагодарили: раз(а)
Скутер: Нету
Завтра напишу


Вернуться наверх
 Профиль  
 
 Заголовок сообщения: Re: Вопрос к ГУРУ про свет.
СообщениеДобавлено: 27 Mar 2014, 21:09 
Не в сети
Гуру ремонта
Гуру ремонта
Аватар пользователя

Зарегистрирован: 20 Mar 2009, 23:12
Сообщений: 19841
Откуда: Бронницы
Поблагодарил: раз(а)
Поблагодарили: раз(а)
Медали: 4
За полезные и полные ответы. (1) За тех. помощь 1-й степени (1) За тех. помощь 2-й степени (1) За вклад в развитие клуба (1)
Скутер: Irbis Nirvana 150 уже 175сс
Стаж: Мото 21,скутер 4года
Надоело переводить с поцанского на русский.
Тема переехала в соответствующий раздел.

_________________
Попытка прочесть книгу, не открыв её - обречена на провал.


Вернуться наверх
 Профиль  
 
 Заголовок сообщения: Re: Вопрос к ГУРУ про свет.
СообщениеДобавлено: 28 Mar 2014, 08:13 
Не в сети
Новичок
Новичок

Зарегистрирован: 29 Jun 2010, 16:09
Сообщений: 56
Поблагодарил: раз(а)
Поблагодарили: раз(а)
Скутер: Нету
funix писал(а):
Я не обижаюсь на феню, привык уже, у нас 101 км от москвы, многое повидал.
А теперь интересный факт, катушка в другую сторону, может это гена 139-го!? так подключая его как раз и получаешь полуволну, как в той похожей теме я озвучивал версию.
Тогда тебя нужно провод с массы отпаивать и его перевешивать на желтый.



можно поподробнее??? или ссылку гена 139!


Вернуться наверх
 Профиль  
 
 Заголовок сообщения: Re: Вопрос к ГУРУ про свет.
СообщениеДобавлено: 28 Mar 2014, 08:22 
Не в сети
Старожил
Старожил

Зарегистрирован: 18 Jan 2009, 14:07
Сообщений: 7631
Откуда: 69 RUS
Поблагодарил: раз(а)
Поблагодарили: раз(а)
Медали: 6
За дальнобой 2-й степени. (1) За полезные и полные ответы. (1) За тех. помощь 1-й степени (1) За тех. помощь 2-й степени (1) За статью 1-й степени. (1)
Скутер: стелс лидер-50 2т (72 cc)
Стаж: 4
А какой у тебя РН ? Чета у меня замкнуло :) , наверно темы перепутал.


Вернуться наверх
 Профиль  
 
 Заголовок сообщения: Re: Вопрос к ГУРУ про свет.
СообщениеДобавлено: 29 Mar 2014, 10:20 
Не в сети
Новичок
Новичок

Зарегистрирован: 29 Jun 2010, 16:09
Сообщений: 56
Поблагодарил: раз(а)
Поблагодарили: раз(а)
Скутер: Нету
funix писал(а):
Вот достал :)
Короче, напруга в сети +6, акб не заряжается поплоной, стартер крутить не будет в полную, не заведется.
Где замерил 6 в? На убитом акб? Может он новый 6-и вольтовый?
Снимай акб, заводи, замер на проводах акб, сколько? норма от 13,6 до 14,8 у кого как.


Акб новый! скутер тоже новый))) как вы говорили отключил акб замерил напругу- 12,7 вольта...... может перепутаны провода местами,которые идут от генератора белый и желтый?[album][/album]


Вложения:
-электросхема-e1370265993600.jpg
-электросхема-e1370265993600.jpg [ 81.08 KiB | Просмотров: 3595 ]
Вернуться наверх
 Профиль  
 
 Заголовок сообщения: Re: Вопрос к ГУРУ про свет.
СообщениеДобавлено: 29 Mar 2014, 10:55 
Не в сети
Старожил
Старожил

Зарегистрирован: 18 Jan 2009, 14:07
Сообщений: 7631
Откуда: 69 RUS
Поблагодарил: раз(а)
Поблагодарили: раз(а)
Медали: 6
За дальнобой 2-й степени. (1) За полезные и полные ответы. (1) За тех. помощь 1-й степени (1) За тех. помощь 2-й степени (1) За статью 1-й степени. (1)
Скутер: стелс лидер-50 2т (72 cc)
Стаж: 4
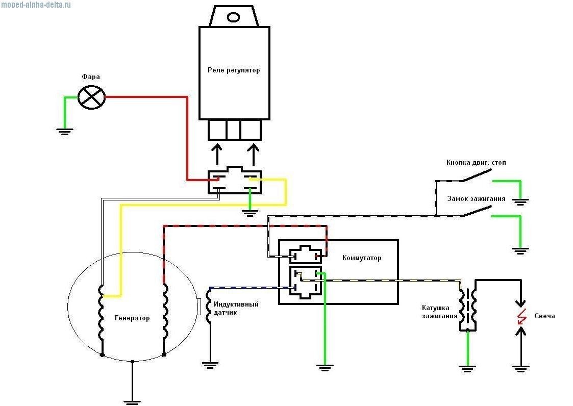
То что на схеме обычный полтос, желтый основной, белый - противофаза, как раз на катушку намотанную в другую сторону, рн полтосный но подключено как то не так.
На РН желтый провод на 1-й контакт вместо красного, с негоже и фара запитана (от переменки). Иногда его просто сенсе обозначают, хотя он основной, но все же и схема регулировки от него запитана.
2- выход + на акб, только на акб сюда красный вместо желтого.
3 - белый правильно, регулирующий, противофаза (не сенсе)
4 правильно,
могу ошибаться, на 2т и 4т подключение не совпадало. Поищи распиновку РН
Может быть провода и правильно, но по схеме фара на полуволне получается и будет гореть тусклее и если все так же как на схеме, то должна гореть и от акб.


Вернуться наверх
 Профиль  
 
 Заголовок сообщения: Re: Вопрос к ГУРУ про свет.
СообщениеДобавлено: 29 Mar 2014, 12:05 
Не в сети
Гуру ремонта
Гуру ремонта
Аватар пользователя

Зарегистрирован: 20 Mar 2009, 23:12
Сообщений: 19841
Откуда: Бронницы
Поблагодарил: раз(а)
Поблагодарили: раз(а)
Медали: 4
За полезные и полные ответы. (1) За тех. помощь 1-й степени (1) За тех. помощь 2-й степени (1) За вклад в развитие клуба (1)
Скутер: Irbis Nirvana 150 уже 175сс
Стаж: Мото 21,скутер 4года
funix писал(а):
Снимай акб, заводи, замер на проводах акб, сколько? норма от 13,6 до 14,8 у кого как.

vag377 писал(а):
как вы говорили отключил акб замерил напругу- 12,7 вольта......

Один глупость посоветовал, второй исполнил.
Оба, идите читать почему нельзя на работающем двигателе отключать АКБ.
Так же прочтите, каким прибором можно реально что-то путное замерить в цепи скутера.
Ибо китайский цифровой тестер покажет полную хрень.
vag377, я ссылку на схемы давал просто так?
Изображение

_________________
Попытка прочесть книгу, не открыв её - обречена на провал.


Вернуться наверх
 Профиль  
 
 Заголовок сообщения: Re: Вопрос к ГУРУ про свет.
СообщениеДобавлено: 29 Mar 2014, 12:13 
Не в сети
Новичок
Новичок

Зарегистрирован: 29 Jun 2010, 16:09
Сообщений: 56
Поблагодарил: раз(а)
Поблагодарили: раз(а)
Скутер: Нету
За схемы спасибо! а про то ,чтобы не отключать АКБ на заведенном скутере не нашел. если не трудно ссылку киньте!!!


Вернуться наверх
 Профиль  
 
 Заголовок сообщения: Re: Вопрос к ГУРУ про свет.
СообщениеДобавлено: 29 Mar 2014, 12:22 
Не в сети
Гуру ремонта
Гуру ремонта
Аватар пользователя

Зарегистрирован: 20 Mar 2009, 23:12
Сообщений: 19841
Откуда: Бронницы
Поблагодарил: раз(а)
Поблагодарили: раз(а)
Медали: 4
За полезные и полные ответы. (1) За тех. помощь 1-й степени (1) За тех. помощь 2-й степени (1) За вклад в развитие клуба (1)
Скутер: Irbis Nirvana 150 уже 175сс
Стаж: Мото 21,скутер 4года
Видимо и не искал как всегда.
viewtopic.php?f=29&t=29043&p=417482
viewtopic.php?f=46&t=23978

_________________
Попытка прочесть книгу, не открыв её - обречена на провал.


Вернуться наверх
 Профиль  
 
 Заголовок сообщения: Re: Вопрос к ГУРУ про свет.
СообщениеДобавлено: 29 Mar 2014, 12:25 
Не в сети
Новичок
Новичок

Зарегистрирован: 29 Jun 2010, 16:09
Сообщений: 56
Поблагодарил: раз(а)
Поблагодарили: раз(а)
Скутер: Нету
значит уже сгорел)) завтра сниму с АЛЬФЫ( мопед)00 попробую


Вернуться наверх
 Профиль  
 
 Заголовок сообщения: Re: Вопрос к ГУРУ про свет.
СообщениеДобавлено: 29 Mar 2014, 12:26 
Не в сети
Старожил
Старожил

Зарегистрирован: 18 Jan 2009, 14:07
Сообщений: 7631
Откуда: 69 RUS
Поблагодарил: раз(а)
Поблагодарили: раз(а)
Медали: 6
За дальнобой 2-й степени. (1) За полезные и полные ответы. (1) За тех. помощь 1-й степени (1) За тех. помощь 2-й степени (1) За статью 1-й степени. (1)
Скутер: стелс лидер-50 2т (72 cc)
Стаж: 4
На моем, провода просто были зачищены для замера или подключения чего то.
Вложение:
колодка РР.jpg
колодка РР.jpg [ 300.9 KiB | Просмотров: 3582 ]

Зелено-красный --- переменка, он же сенсе
красно-белый --- + на акб
белый --- регулирующая
черный --- корпус/ масса/ -
2т китаец 9-го года. стелс

Про отключение, когда 6 в. в сети, нужно замерить как то, так как из за зарядки акб напряжение может просесть. например при выходе 24 на 12 в акб может показать 16 и тд.
Лучший замер стрелочным прибором, так как в режиме замера постоянки при наличии переменки в сети, стрелка стоит на месте и трясется.


Вернуться наверх
 Профиль  
 
 Заголовок сообщения: Re: Вопрос к ГУРУ про свет.
СообщениеДобавлено: 29 Mar 2014, 12:28 
Не в сети
Гуру ремонта
Гуру ремонта
Аватар пользователя

Зарегистрирован: 20 Mar 2009, 23:12
Сообщений: 19841
Откуда: Бронницы
Поблагодарил: раз(а)
Поблагодарили: раз(а)
Медали: 4
За полезные и полные ответы. (1) За тех. помощь 1-й степени (1) За тех. помощь 2-й степени (1) За вклад в развитие клуба (1)
Скутер: Irbis Nirvana 150 уже 175сс
Стаж: Мото 21,скутер 4года
vag377 писал(а):
значит уже сгорел)) завтра сниму с АЛЬФЫ( мопед)00 попробую

Угу, ещё от Жигулей подключи.
Регулятор должен соответствовать генератору и проводке.

_________________
Попытка прочесть книгу, не открыв её - обречена на провал.


Вернуться наверх
 Профиль  
 
 Заголовок сообщения: Re: Вопрос к ГУРУ про свет.
СообщениеДобавлено: 29 Mar 2014, 12:29 
Не в сети
Новичок
Новичок

Зарегистрирован: 29 Jun 2010, 16:09
Сообщений: 56
Поблагодарил: раз(а)
Поблагодарили: раз(а)
Скутер: Нету
так они одинаковые....


Вернуться наверх
 Профиль  
 
 Заголовок сообщения: Re: Вопрос к ГУРУ про свет.
СообщениеДобавлено: 29 Mar 2014, 12:30 
Не в сети
Гуру ремонта
Гуру ремонта
Аватар пользователя

Зарегистрирован: 20 Mar 2009, 23:12
Сообщений: 19841
Откуда: Бронницы
Поблагодарил: раз(а)
Поблагодарили: раз(а)
Медали: 4
За полезные и полные ответы. (1) За тех. помощь 1-й степени (1) За тех. помощь 2-й степени (1) За вклад в развитие клуба (1)
Скутер: Irbis Nirvana 150 уже 175сс
Стаж: Мото 21,скутер 4года
vag377 писал(а):
так они одинаковые....

С виду?
Или по модели регулятора?

_________________
Попытка прочесть книгу, не открыв её - обречена на провал.


Вернуться наверх
 Профиль  
 
Показать сообщения за:  Сортировать по:  
Начать новую тему Ответить на тему  [ Сообщений: 48 ]  На страницу Пред.  1, 2, 3, 4  След.

Часовой пояс: UTC + 3 часа


Кто сейчас на форуме

Сейчас этот форум просматривают: нет зарегистрированных пользователей и гости: 2


Вы не можете начинать темы
Вы не можете отвечать на сообщения
Вы не можете редактировать свои сообщения
Вы не можете удалять свои сообщения
Вы не можете добавлять вложения

Перейти:  
Powered by phpBB © phpBB Group
china-scooter.ru © 2006-2019