Клуб любителей китайских скутеров

Форум клуба любителей китайских скутеров

      
Текущее время: 28 Jan 2026, 15:59

Часовой пояс: UTC + 3 часа


Правила форума


Посмотреть правила форума



Начать новую тему Ответить на тему  [ Сообщений: 284 ]  На страницу Пред.  1, 2, 3, 4, 5, 6, 7, 8 ... 19  След.
Автор Сообщение
 Заголовок сообщения: Re: Миф или реальность?
СообщениеДобавлено: 18 Jan 2018, 03:48 
Не в сети
Старожил
Старожил
Аватар пользователя

Зарегистрирован: 03 Oct 2008, 22:46
Сообщений: 8023
Откуда: Киев
Поблагодарил: раз(а)
Поблагодарили: раз(а)
Медали: 4
За тех. помощь 1-й степени (1) За тех. помощь 2-й степени (1) За статью 1-й степени. (1) За вклад в развитие клуба (1)
Скутер: 180-т4 и 150-Т4;
Стаж: 30
Что то пропустил я эту веселую дискуссию...
На картинке 1-го поста Саши РШ. Регулятор шунтирующего типа.
Я сам думал в свое время Миф или реальность?
Регулятор этого типа делает простую вещь,-режет полуволну по уровню напряжения АКБ.
Вот так, - /-\ ЭТОТ УРОВЕНЬ не может задаваться стабилитроном (вернее может,но не бесконечно). Ибо чем выше ток шунтирования, тем выше ток через сам стабилитрон. Без помощи акб рано или поздно сгорит или транзистор или стабилитрон.
Или оба хором . Как сгорают полупроводники все знают(надеюсь) это или КЗ или обрыв. Далее бессмысленно.
Кроме того, тиристор открываясь дает суперкороткий импульс огромной (до 300в) амплитудой.
Я ещё пацаном , лет 30 назад (да.. именно30-ть, в 1976г) сделал тиристорную простую цветомузыку которая вешалась на выход звука (колонки). Она сожгла последовательно выходы у дорогого тогда кассетного магнитофона Филипс. Разобрались только через 10лет.... Это были комплементарные транзисторы верхних полуволн (они открывали тиристоры)
С тех пор я опасаюсь тиристоров. Особенно без сглаживания. АКБ,это как раз простейшее сглаживание.
Учтем то, что всё обсуждаемое в теме актуально лишь для АС коммутаторов. Но есть же и DC.
Этим (ДС) без питания вообще нельзя. Надеюсь понятно.
Ну и кроме того, 150сс без АКБ , - повод к инвалидности. Особенно на холодную)))
Или к дыре крышки кика.
Поэтому (имхо), нужно прекращать бессмысленное "уничтожение горшков".
АКБ НУЖЕН, ОН ЧАСТЬ СХЕМЫ. Схема расчитывает(ся) на его присутствие.
Его отсутствие-аварийный, кратковременный режим.
Как "загорелся чек" у авто. "А вот я ездил",-не принимается. Есть масса контрпримеров (примеры вообще не доказательства..)
Зы: прошу учесть,что я не говорил о плохих контактах, дребезге, качестве китайского припоя и пайке им деталей. Это отдельная тема,которая зачастую подключается сама по себе, если нет АКБ.
Т.е., без АКБ, резко УВЕЛИЧИВАЕТСЯ шанс остановиться в дороге надолго.

_________________
Теория,-все знают как, ничего не работает
Практика,-все работает, никто не знает почему
Соединяем,-"Теория+Практика",-Ничего не работает и никто не знает, почему.


Вернуться наверх
 Профиль  
 
 Заголовок сообщения: Re: Миф или реальность?
СообщениеДобавлено: 18 Jan 2018, 08:56 
Не в сети
Старожил
Старожил
Аватар пользователя

Зарегистрирован: 04 Май 2010, 04:34
Сообщений: 4217
Откуда: город по умолчанию
Поблагодарил: раз(а)
Поблагодарили: раз(а)
Медали: 4
За дальнобой 2-й степени. (1) За полезные и полные ответы. (1) За статью 1-й степени. (1) За грамотность (1)
Скутер: КумсоPeople S200, ReggyFantom, SH300i, Sym Jet50
Стаж: 020
Эпикуреец
Бред.
Полное непонимание как что работает.
Цитата:
Регулятор этого типа делает простую вещь,-режет полуволну по уровню напряжения АКБ.

Нет.
Полуволну он режет по уровню, установленному стабилитроном, а какое там напряжение у акб и есть ли этот акб вообще - для схемы без разницы.
Там выход на акб через диод, прикинь. Вспоминай, куда диод ток пропускает.
Цитата:
ЭТОТ УРОВЕНЬ не может задаваться стабилитроном

Именно стабилитроном, и ничем другим, этот уровень и задается.
Цитата:
Ибо чем выше ток шунтирования, тем выше ток через сам стабилитрон.

Ток через стабилитрон, после того как он пробился, идет на управляющий электрод тиристора. Через токоограничивающий резистор, но это не важно.
Важно то, что стабилитрон пробивается каждый раз при достижении определенной разности потенциалов на его выводах, при определенном приложенном к нему напряжении. Вот если стабилитрон на 14в, то как только это напряжение составит 14в, стабилитрон пробьётся. Понятно?
Напряжение от нуля до пробивного может возрастать быстро или медленно. На низких оборотах медленно, на высоких быстро. Но стабилитрон всякий раз будет срабатывать при напряжении пробоя.
Крутизна графика может быть какая угодно. Важна точка 14в - при этом напряжении сработает стабилитрон. Этот процесс будет происходить упорно, непреклонно и неизбежно.
После пробоя стабилитрона открывается тиристор и напряжение на входе схемы падает до нуля. (почти до нуля).
Где там ток через стабилитрон?
....."ток шунтирования"... через что он идёт-то кстати?...

_________________
моск атзавись


Вернуться наверх
 Профиль  
 
 Заголовок сообщения: Re: Миф или реальность?
СообщениеДобавлено: 18 Jan 2018, 10:24 
Не в сети
Старожил
Старожил
Аватар пользователя

Зарегистрирован: 24 Sep 2010, 16:01
Сообщений: 3172
Откуда: Челябинск
Поблагодарил: раз(а)
Поблагодарили: раз(а)
Медали: 3
За полезные и полные ответы. (1) За продвижение мототехники (1) За грамотность (1)
Скутер: САНЯ-400, volkan-150 ABM
Стаж: 1974
Так свободно...оперировать с током ...может либо Бог...либо человек...которого ударила молния...

_________________
Еще из глубин космоса...метеорит знал куда полетит... так-как лучшего места не смог найти


Вернуться наверх
 Профиль  
 
 Заголовок сообщения: Re: Миф или реальность?
СообщениеДобавлено: 18 Jan 2018, 15:15 
Не в сети
Бывалый
Бывалый

Зарегистрирован: 13 Nov 2012, 13:15
Сообщений: 373
Откуда: Москва, ЮЗАО
Поблагодарил: раз(а)
Поблагодарили: раз(а)
Скутер: Nexus Classic 150
Стаж: ***
Коллеги, а как вы думаете: для чего там вообще ставится аккумулятор? Кроме как стартер крутить? Следуя логике большинства, он там нафик не нужен. Теперь осталось сравнить схемы работы электричества в Минске или Восходе (если кто найдет), где он действительно не нужен, схему и конструкцию генератора современного китайского скутера или японского середины 80-х. Думается, вывод будет однозначный. Потом начинается нытье про перегорающие лампочки, сгоревшие стабилизаторы и коммутаторы и т.п. А ведь вся проблема в том, что жаба душит купить нормальный новый аккум вместо старого. Тем более, что кикстартер не рассчитан на постоянное использование конструктивно. У меня, когда сдох основной аккум, возил под сидением запасной от УПС и" прикуривал" с него, когда отказывался стартер крутить (упсный туда не влезает по размеру).

_________________
Jawa 350\638, Минск, ЗиД Курьер, Nexus Classic 150


Вернуться наверх
 Профиль  
 
 Заголовок сообщения: Re: Миф или реальность?
СообщениеДобавлено: 18 Jan 2018, 16:36 
Не в сети
Старожил
Старожил
Аватар пользователя

Зарегистрирован: 24 Sep 2010, 16:01
Сообщений: 3172
Откуда: Челябинск
Поблагодарил: раз(а)
Поблагодарили: раз(а)
Медали: 3
За полезные и полные ответы. (1) За продвижение мототехники (1) За грамотность (1)
Скутер: САНЯ-400, volkan-150 ABM
Стаж: 1974
Тут даже нечего думать...один горшок...средним пинком...может раскрутить даже пони...надо киком поработать...аккумулятор упразднить...за здравие души и упражнения...

_________________
Еще из глубин космоса...метеорит знал куда полетит... так-как лучшего места не смог найти


Вернуться наверх
 Профиль  
 
 Заголовок сообщения: Re: Миф или реальность?
СообщениеДобавлено: 18 Jan 2018, 20:16 
Не в сети
Гуру ремонта
Гуру ремонта
Аватар пользователя

Зарегистрирован: 20 Mar 2009, 23:12
Сообщений: 19841
Откуда: Бронницы
Поблагодарил: раз(а)
Поблагодарили: раз(а)
Медали: 4
За полезные и полные ответы. (1) За тех. помощь 1-й степени (1) За тех. помощь 2-й степени (1) За вклад в развитие клуба (1)
Скутер: Irbis Nirvana 150 уже 175сс
Стаж: Мото 21,скутер 4года
shar63
Не торопись, сейчас они меня в свою каку лицом ткнут и таки будут иметь взаимное уважение.
Ведь это я тему создал, мол нельзя без аккумулятора скутер заводить.
Тут такое, чисто гормональное состязание, кто тестикулами докажет, что он больше мужик.
Ну и длинна, и объём тоже приветствуется, в смысле постов.
Ну и главное, кто длиннее и толще на здравый смысл уд положит.
За переводом слова уд в дореволюционный словарь.

_________________
Попытка прочесть книгу, не открыв её - обречена на провал.


Вернуться наверх
 Профиль  
 
 Заголовок сообщения: Re: Миф или реальность?
СообщениеДобавлено: 18 Jan 2018, 21:08 
Не в сети
Старожил
Старожил
Аватар пользователя

Зарегистрирован: 04 Май 2010, 04:34
Сообщений: 4217
Откуда: город по умолчанию
Поблагодарил: раз(а)
Поблагодарили: раз(а)
Медали: 4
За дальнобой 2-й степени. (1) За полезные и полные ответы. (1) За статью 1-й степени. (1) За грамотность (1)
Скутер: КумсоPeople S200, ReggyFantom, SH300i, Sym Jet50
Стаж: 020
Не любой скутер.
Про который ничего не известно, без аккума заводить нельзя.
А если всё же надо - тогда смотрим, какой у него РН.
И вот в зависимости от этого.

_________________
моск атзавись


Вернуться наверх
 Профиль  
 
 Заголовок сообщения: Re: Миф или реальность?
СообщениеДобавлено: 19 Jan 2018, 08:42 
Не в сети
Опытный
Опытный
Аватар пользователя

Зарегистрирован: 13 Dec 2014, 15:54
Сообщений: 748
Поблагодарил: раз(а)
Поблагодарили: раз(а)
Скутер: Yamaha 100сс
Стаж: @
Цитата:
...тогда смотрим, какой у него РН.

Уже интереснее. Остался один шаг до правильного понимания. Что именно "смотреть" в РН?


Вернуться наверх
 Профиль  
 
 Заголовок сообщения: Re: Миф или реальность?
СообщениеДобавлено: 19 Jan 2018, 09:10 
Не в сети
Старожил
Старожил
Аватар пользователя

Зарегистрирован: 04 Май 2010, 04:34
Сообщений: 4217
Откуда: город по умолчанию
Поблагодарил: раз(а)
Поблагодарили: раз(а)
Медали: 4
За дальнобой 2-й степени. (1) За полезные и полные ответы. (1) За статью 1-й степени. (1) За грамотность (1)
Скутер: КумсоPeople S200, ReggyFantom, SH300i, Sym Jet50
Стаж: 020
Alwert
Вопрос обсуждается одновременно на нескольких уровнях.
Первый - колхозно-старообрядческий, раз положено чтоб был аккум, значит он должон наличествовать, остальное всё от лукавого, изыди нечистый и вообще положено при лучине сидеть, ибо так завещано....
:-D
Следующий уровень вникания: по внешнему виду РН определяем, нужен ему аккум или нет. На предыдущих страницах я скинул 2 фотки двух РН, которым аккум не нужен, проверено лично мной.
И вот лично я пока на этом остановлюсь, просто потому, что у меня нет скутеров с другими схемами и другими РН, про которые я ничего, есссно, не знаю. Всего я знаю 4 таких РН, даже наверно 5, на стелсальфе я тоже ездил без аккума, забыл уже какой там РН. Но фотки у меня есть только двух.

Ну и конечный уровень, самый высший - к данному РН ищем схему, также схему генератора, вникаем, разбираемся как схема работает, и выносим квалифицированное суждение - нужен тут аккум или нет.

Гро и Эпикуреец не могут по схеме понять принцип ее работы. Но почему-то решили, что их мнение будет ценно.

_________________
моск атзавись


Вернуться наверх
 Профиль  
 
 Заголовок сообщения: Re: Миф или реальность?
СообщениеДобавлено: 19 Jan 2018, 09:32 
Не в сети
Опытный
Опытный
Аватар пользователя

Зарегистрирован: 13 Dec 2014, 15:54
Сообщений: 748
Поблагодарил: раз(а)
Поблагодарили: раз(а)
Скутер: Yamaha 100сс
Стаж: @
Dj@gger писал(а):
Alwert
Ну и конечный уровень, самый высший - к данному РН ищем схему, также схему генератора, вникаем, разбираемся как схема работает, и выносим квалифицированное суждение - нужен тут аккум или нет.

Это не высший, а нормальный уровень. Об этом и спрашивал ТС. Как по схеме определить? На твой взгляд?


Вернуться наверх
 Профиль  
 
 Заголовок сообщения: Re: Миф или реальность?
СообщениеДобавлено: 19 Jan 2018, 10:30 
Не в сети
Старожил
Старожил
Аватар пользователя

Зарегистрирован: 03 Oct 2008, 22:46
Сообщений: 8023
Откуда: Киев
Поблагодарил: раз(а)
Поблагодарили: раз(а)
Медали: 4
За тех. помощь 1-й степени (1) За тех. помощь 2-й степени (1) За статью 1-й степени. (1) За вклад в развитие клуба (1)
Скутер: 180-т4 и 150-Т4;
Стаж: 30
Dj@gger вы хочите учить меня электронике?
Цитата:
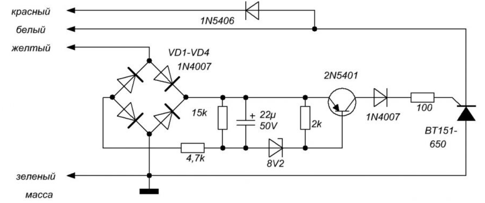
Ток через стабилитрон, после того как он пробился, идет на управляющий электрод тиристора.

Этим?
*THUMBS UP*
Я всё сказал. И я не доктор.
Альберт,не мешай людям изучать стабилитроны!

_________________
Теория,-все знают как, ничего не работает
Практика,-все работает, никто не знает почему
Соединяем,-"Теория+Практика",-Ничего не работает и никто не знает, почему.


Вернуться наверх
 Профиль  
 
 Заголовок сообщения: Re: Миф или реальность?
СообщениеДобавлено: 19 Jan 2018, 10:55 
Не в сети
Старожил
Старожил
Аватар пользователя

Зарегистрирован: 04 Май 2010, 04:34
Сообщений: 4217
Откуда: город по умолчанию
Поблагодарил: раз(а)
Поблагодарили: раз(а)
Медали: 4
За дальнобой 2-й степени. (1) За полезные и полные ответы. (1) За статью 1-й степени. (1) За грамотность (1)
Скутер: КумсоPeople S200, ReggyFantom, SH300i, Sym Jet50
Стаж: 020
Эпикуреец
Ну я попробовал, вижу что не получается. Кроме гонора и уверенности ничего не заметил, и самое для тебя опасное - ты сам себе не можешь признаться, что не понимаешь, как работает схема, и даже чем транзистор отличается от тиристора.
Цитата:
Ток через стабилитрон, после того как он пробился, идет на управляющий электрод тиристора.

Да, именно так, и для тиристора BT151-650 указывается (представь себе!) минимальное значение этого тока, при коем тиристор открывается. Ткнуть в даташит, где написано 15 мА?

_________________
моск атзавись


Последний раз редактировалось Dj@gger 19 Jan 2018, 11:08, всего редактировалось 1 раз.

Вернуться наверх
 Профиль  
 
 Заголовок сообщения: Re: Миф или реальность?
СообщениеДобавлено: 19 Jan 2018, 11:05 
Не в сети
Старожил
Старожил
Аватар пользователя

Зарегистрирован: 04 Май 2010, 04:34
Сообщений: 4217
Откуда: город по умолчанию
Поблагодарил: раз(а)
Поблагодарили: раз(а)
Медали: 4
За дальнобой 2-й степени. (1) За полезные и полные ответы. (1) За статью 1-й степени. (1) За грамотность (1)
Скутер: КумсоPeople S200, ReggyFantom, SH300i, Sym Jet50
Стаж: 020
Alwert
Для этого надо понимать, как работает схема. Если такого понимания нет, то для данного индивида это непосильная задача.
Ну к примеру музыканты знают, что такое кварто-квинтовый круг, или там обращения аккордов.
А я не знаю. Так, краем уха что-то слышал.
Если бы я вырос и воспитывался в Киеве, то я бы с абсолютной уверенностью стал бы щас тебе впаривать про квинтовый круг и обращения. И хрен бы ты мне что доказал. :-D
Но нужно по-настоящему понимать. Даже, как повлияет на работу схемы изменение номинала той или иной детальки, для чего каждая деталь нужна. Это в голове делается, мозгом.

_________________
моск атзавись


Вернуться наверх
 Профиль  
 
 Заголовок сообщения: Re: Миф или реальность?
СообщениеДобавлено: 19 Jan 2018, 11:35 
Не в сети
Старожил
Старожил
Аватар пользователя

Зарегистрирован: 18 Oct 2010, 06:21
Сообщений: 2538
Откуда: Кубань
Поблагодарил: раз(а)
Поблагодарили: раз(а)
Медали: 4
За полезные и полные ответы. (1) За тех. помощь 1-й степени (1) За тех. помощь 2-й степени (1) За вклад в развитие клуба (1)
Скутер: RACER uragan- 82сс.
Стаж: ***
shar63 писал(а):
Теперь осталось сравнить схемы работы электричества в Минске или Восходе (если кто найдет),
Давай сравним. Схему скутерного РН все знают, поэтому покажу ту что просили. Если отбросить верхнюю часть, которая относится к зажиганию то что остается? А практически тож самое что и на скуте. Думаю что еще есть люди которые помнят что на малых оборотах свет был дохлый, и только на высоких освещал дорогу. Но напряжение не превышало допустимого. 6в. или 12в уже не помню. Зато хорошо помню ужасно дребезжащий звук сигнала, тональность которого менялась от оборотов двигателя. Зато всем было страшно... А что будет если через тот диод, что идет на сигнал запитать АКБ? Не будет ли это напоминать схему подключения АКБ на скуте? Сейчас я скину штуки 4 схемы. №1 - это распространенная схема РН полтинника. №01 и №02 - одинаковые по смыслу но маленько разные по исполнению (Сколько кетайцев, столько и схем). Ну и по просьбе трудящихся под №3 Восход, Минск.


Вложения:
1.jpg
1.jpg [ 170.62 KiB | Просмотров: 5030 ]
01.jpg
01.jpg [ 219.66 KiB | Просмотров: 5030 ]
02.jpg
02.jpg [ 265.75 KiB | Просмотров: 5030 ]
03.jpg
03.jpg [ 98.01 KiB | Просмотров: 5030 ]

_________________
"Добрым словом и револьвером, вы добьетесь намного большего.... чем одним добрым словом"
...Пишу с ошибками, читаю по слогам.
Вернуться наверх
 Профиль  
 
 Заголовок сообщения: Re: Миф или реальность?
СообщениеДобавлено: 19 Jan 2018, 11:44 
Не в сети
Опытный
Опытный
Аватар пользователя

Зарегистрирован: 13 Dec 2014, 15:54
Сообщений: 748
Поблагодарил: раз(а)
Поблагодарили: раз(а)
Скутер: Yamaha 100сс
Стаж: @
Dj@gger
Зачем мне что-то доказывать? Ты сказал "тогда смотрим, какой у него РН". Я и спрашиваю, на ЧТО смотреть? Что именно влияет на чувствительность/нечувствительность к наличию АКБ? В этом суть вопроса - не так ли?


Вернуться наверх
 Профиль  
 
Показать сообщения за:  Сортировать по:  
Начать новую тему Ответить на тему  [ Сообщений: 284 ]  На страницу Пред.  1, 2, 3, 4, 5, 6, 7, 8 ... 19  След.

Часовой пояс: UTC + 3 часа


Кто сейчас на форуме

Сейчас этот форум просматривают: нет зарегистрированных пользователей и гости: 0


Вы не можете начинать темы
Вы не можете отвечать на сообщения
Вы не можете редактировать свои сообщения
Вы не можете удалять свои сообщения
Вы не можете добавлять вложения

Перейти:  
Powered by phpBB © phpBB Group
china-scooter.ru © 2006-2019