Клуб любителей китайских скутеров

Форум клуба любителей китайских скутеров

      
Текущее время: 26 Mar 2026, 16:03

Часовой пояс: UTC + 3 часа


Правила форума


Посмотреть правила форума



Начать новую тему Ответить на тему  [ Сообщений: 71 ]  На страницу Пред.  1, 2, 3, 4, 5  След.
Автор Сообщение
 Заголовок сообщения: Re: Второй аккумулятор в помощь
СообщениеДобавлено: 02 Nov 2010, 14:09 
Не в сети
Бывалый
Бывалый
Аватар пользователя

Зарегистрирован: 23 Jul 2009, 13:40
Сообщений: 389
Откуда: Краснодарский край, г.Кореновск
Поблагодарил: раз(а)
Поблагодарили: раз(а)
Скутер: STELS Vortex 50 2T, теперь Motowell Magnet RS 2T
Стаж: 4 года, RS: 6к км
funix писал(а):
:-o как интересно, только не догнал зачем 2-а по 4 за 1600


Это ты о чем?

funix писал(а):
а реле всякие на трясучем скутере не есть хорошо.


Именно поэтому у меня стоит только одно центральное реле!

_________________
Motowell Magnet RS 50cc 2T + вентилятор радиатора Scythe GentleTyphoon 5400 об/мин
Изображение


Вернуться наверх
 Профиль  
 
 Заголовок сообщения: Re: Второй аккумулятор в помощь
СообщениеДобавлено: 14 Nov 2010, 22:39 
Не в сети
Старожил
Старожил
Аватар пользователя

Зарегистрирован: 04 Май 2010, 04:34
Сообщений: 4217
Откуда: город по умолчанию
Поблагодарил: раз(а)
Поблагодарили: раз(а)
Медали: 4
За дальнобой 2-й степени. (1) За полезные и полные ответы. (1) За статью 1-й степени. (1) За грамотность (1)
Скутер: КумсоPeople S200, ReggyFantom, SH300i, Sym Jet50
Стаж: 020
VIsTA
Схему ниасилил :005
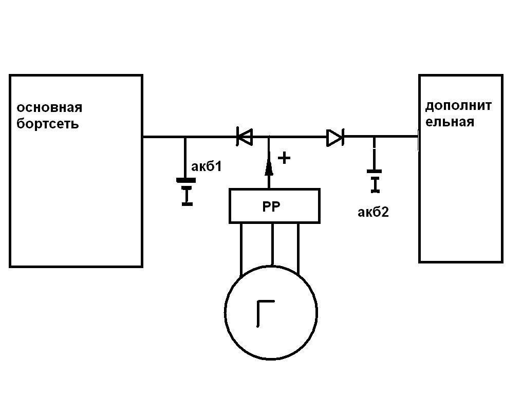
Там 2 провода которые "к замку зажигания". Нипонял, а между собой-то они соединяются?
Бортовая и Дополнительная системы, это как?
То, что по дефолту идет от +аккума внутрь скутера, это какая система, по данной классификации?

_________________
моск атзавись


Вернуться наверх
 Профиль  
 
 Заголовок сообщения: Re: Второй аккумулятор в помощь
СообщениеДобавлено: 15 Nov 2010, 13:00 
Не в сети
Бывалый
Бывалый
Аватар пользователя

Зарегистрирован: 23 Jul 2009, 13:40
Сообщений: 389
Откуда: Краснодарский край, г.Кореновск
Поблагодарил: раз(а)
Поблагодарили: раз(а)
Скутер: STELS Vortex 50 2T, теперь Motowell Magnet RS 2T
Стаж: 4 года, RS: 6к км
Dj@gger писал(а):
VIsTA
Схему ниасилил :005
Там 2 провода которые "к замку зажигания". Нипонял, а между собой-то они соединяются?


Да, но через переключатели.

Dj@gger писал(а):
VIsTAБортовая и Дополнительная системы, это как?


Бортовая система - к которой подключается все стоковое электрическое оборудование скутера, и плюс в этой системе аккумулятор заряжается.
Дополнительная система - для дополнительного электрического оборудования, соответственно, аккумулятор разряжается. У меня на ней висит: музыка(усилок 4х40W), светодиодная подсветка дна и колес, прикуриватель.
Причем, аккумуляторы посредством переключателей меняются местами. Т.е. 1-й для БС - заряжается, 2-й для ДС - разряжается. Переключил кнопочки и: 1-й разряжается в ДС, а 2-й в БС заряжается. :)
Dj@gger писал(а):
VIsTAТо, что по дефолту идет от +аккума внутрь скутера, это какая система, по данной классификации?


Бортовая(стоковая). :)

_________________
Motowell Magnet RS 50cc 2T + вентилятор радиатора Scythe GentleTyphoon 5400 об/мин
Изображение


Вернуться наверх
 Профиль  
 
 Заголовок сообщения: Re: Второй аккумулятор в помощь
СообщениеДобавлено: 15 Nov 2010, 23:23 
Не в сети
Старожил
Старожил
Аватар пользователя

Зарегистрирован: 04 Май 2010, 04:34
Сообщений: 4217
Откуда: город по умолчанию
Поблагодарил: раз(а)
Поблагодарили: раз(а)
Медали: 4
За дальнобой 2-й степени. (1) За полезные и полные ответы. (1) За статью 1-й степени. (1) За грамотность (1)
Скутер: КумсоPeople S200, ReggyFantom, SH300i, Sym Jet50
Стаж: 020
Теперь понял. Однако, грамотно.

_________________
моск атзавись


Вернуться наверх
 Профиль  
 
 Заголовок сообщения: Re: Второй аккумулятор в помощь
СообщениеДобавлено: 16 Nov 2010, 02:15 
Не в сети
Старожил
Старожил
Аватар пользователя

Зарегистрирован: 03 Oct 2008, 22:46
Сообщений: 8023
Откуда: Киев
Поблагодарил: раз(а)
Поблагодарили: раз(а)
Медали: 4
За тех. помощь 1-й степени (1) За тех. помощь 2-й степени (1) За статью 1-й степени. (1) За вклад в развитие клуба (1)
Скутер: 180-т4 и 150-Т4;
Стаж: 30
Не понимаю, зачем всерьез обсуждать этот гемморой?
Эксплуатация скутера с убитой АКБ -смерть регулятора, генератора и т.д.
Эксплуатация убитой АКБ в паре с хорошей-смерть обоим, а также регулятора.....(далее по тексту).
Две разнотипных или разноемких АКБ в паре живут недолго и это понятно, у них абсолютное нарушение всех режимов эксплуатации. Взаимное влияние знаете ли...
Весь этот идиотский винегрет с какими то схемами, тумблерами, реле и пр. мутотенью приведет только к одному,- к дополнительным выходам из строя электрооборудования скутера.
И все это из за того, что топикстартеру лень купить новый АКБ или привести штатное электрооборудование в порядок? Из-за того, что он со своим "тюнингом" уже "улучшил"?
В России две беды. И одна из них постоянно ремонтирует другую.

_________________
Теория,-все знают как, ничего не работает
Практика,-все работает, никто не знает почему
Соединяем,-"Теория+Практика",-Ничего не работает и никто не знает, почему.


Вернуться наверх
 Профиль  
 
 Заголовок сообщения: Re: Второй аккумулятор в помощь
СообщениеДобавлено: 16 Nov 2010, 02:31 
Не в сети
Старожил
Старожил
Аватар пользователя

Зарегистрирован: 24 Sep 2010, 16:01
Сообщений: 3175
Откуда: Челябинск
Поблагодарил: раз(а)
Поблагодарили: раз(а)
Медали: 3
За полезные и полные ответы. (1) За продвижение мототехники (1) За грамотность (1)
Скутер: САНЯ-400, volkan-150 ABM
Стаж: 1974
Эпикуреец
На много, ниже, чтоб не нарушить, человеческий покой
Я, для наглядности, обьяснил все на лошадях, ты только посмотри...

_________________
Еще из глубин космоса...метеорит знал куда полетит... так-как лучшего места не смог найти


Вернуться наверх
 Профиль  
 
 Заголовок сообщения: Re: Второй аккумулятор в помощь
СообщениеДобавлено: 16 Nov 2010, 09:10 
Не в сети
Бывалый
Бывалый
Аватар пользователя

Зарегистрирован: 23 Jul 2009, 13:40
Сообщений: 389
Откуда: Краснодарский край, г.Кореновск
Поблагодарил: раз(а)
Поблагодарили: раз(а)
Скутер: STELS Vortex 50 2T, теперь Motowell Magnet RS 2T
Стаж: 4 года, RS: 6к км
Эпикуреец писал(а):
Эксплуатация скутера с убитой АКБ -смерть регулятора, генератора и т.д.
Эксплуатация убитой АКБ в паре с хорошей-смерть обоим, а также регулятора.....(далее по тексту).

А зачем эксплуатировать с убитой? Ставятся две новые АКБ, только с различной емкостью...Музыка ведь кушает, таки много...

Эпикуреец писал(а):
Две разнотипных или разноемких АКБ в паре живут недолго и это понятно, у них абсолютное нарушение всех режимов эксплуатации. Взаимное влияние знаете ли...

Они живут по раздельности...

Эпикуреец писал(а):
Весь этот идиотский винегрет с какими то схемами, тумблерами, реле и пр. мутотенью приведет только к одному,- к дополнительным выходам из строя электрооборудования скутера.

Тумблера переключают АКБ...Много размышлял по поводу автоматизированной схемы переключения АКБ и понял, чем больше автоматики, тем больше вероятность ее выхода из строя...поэтому и тумблеры... :-D

Эпикуреец писал(а):
В России две беды.

Подпись одного из форумчан:"Есть такой диагноз: Повышенное содержание мозга в голове"

_________________
Motowell Magnet RS 50cc 2T + вентилятор радиатора Scythe GentleTyphoon 5400 об/мин
Изображение


Вернуться наверх
 Профиль  
 
 Заголовок сообщения: Re: Второй аккумулятор в помощь
СообщениеДобавлено: 16 Nov 2010, 09:12 
Не в сети
Бывалый
Бывалый
Аватар пользователя

Зарегистрирован: 23 Jul 2009, 13:40
Сообщений: 389
Откуда: Краснодарский край, г.Кореновск
Поблагодарил: раз(а)
Поблагодарили: раз(а)
Скутер: STELS Vortex 50 2T, теперь Motowell Magnet RS 2T
Стаж: 4 года, RS: 6к км
Dj@gger писал(а):
Теперь понял. Однако, грамотно.

И, кстати, заинтересовал такой тумблерок...Наверное вскорести перелопачу всю электрику на скуте и поставлю его: http://www.moreman.ru/eshop/tovar.php?tid=1812&cid=87
А заодно и вот такой девайсик присмотрелhttp://www.moreman.ru/eshop/tovar.php?tid=194&cid=87
Буде думать и инсталлировать...

_________________
Motowell Magnet RS 50cc 2T + вентилятор радиатора Scythe GentleTyphoon 5400 об/мин
Изображение


Вернуться наверх
 Профиль  
 
 Заголовок сообщения: Re: Второй аккумулятор в помощь
СообщениеДобавлено: 16 Nov 2010, 09:48 
Не в сети
Старожил
Старожил

Зарегистрирован: 18 Jan 2009, 14:07
Сообщений: 7631
Откуда: 69 RUS
Поблагодарил: раз(а)
Поблагодарили: раз(а)
Медали: 6
За дальнобой 2-й степени. (1) За полезные и полные ответы. (1) За тех. помощь 1-й степени (1) За тех. помощь 2-й степени (1) За статью 1-й степени. (1)
Скутер: стелс лидер-50 2т (72 cc)
Стаж: 4
Виста, все вроде грамотно, но вопрос: сколько км ты проезжаешь?, чтоб у тебя успевал заряжаться то один то другой АКБ.
Зарядку можно сделать сразу на оба, поставив в цепь зарядки каждого по диоду, например КД 242 10А или КД 203 6А.
тогда в 2 АКБ идет, а с них каждый свою систему питает. Правда такой девайс может потребовать дополнительной мощности генератора.
Да, прикуриватель с кнопочками за тыщу меня убил :-D
Вложение:
.JPG
.JPG [ 39.69 KiB | Просмотров: 3116 ]


Вернуться наверх
 Профиль  
 
 Заголовок сообщения: Re: Второй аккумулятор в помощь
СообщениеДобавлено: 16 Nov 2010, 10:26 
Не в сети
Бывалый
Бывалый
Аватар пользователя

Зарегистрирован: 23 Jul 2009, 13:40
Сообщений: 389
Откуда: Краснодарский край, г.Кореновск
Поблагодарил: раз(а)
Поблагодарили: раз(а)
Скутер: STELS Vortex 50 2T, теперь Motowell Magnet RS 2T
Стаж: 4 года, RS: 6к км
funix писал(а):
Виста, все вроде грамотно, но вопрос: сколько км ты проезжаешь?, чтоб у тебя успевал заряжаться то один то другой АКБ.


Ежедневно доливаю 2,5-3л. АИ95... :) при расходе 4,5л. на 100км.

funix писал(а):
Зарядку можно сделать сразу на оба, поставив в цепь зарядки каждого по диоду, например КД 242 10А или КД 203 6А. тогда в 2 АКБ идет, а с них каждый свою систему питает.

Вот в этих диодах и кроется маааленький подвох...смерть одного из них параллелит АКБ, а при разноемких АКБ - это не есть гут...
funix писал(а):
Правда такой девайс может потребовать дополнительной мощности генератора.

Вот именно, это отсрочка смерти регулятора или генератора, не говоря, то, что оба АКБ могут быть в постоянном недозаряде, т.е смерть АКБ. Ч.т.д.

funix писал(а):
Да, прикуриватель с кнопочками за тыщу меня убил :-D
Вложение:
.JPG

Ты забыл еще о предохранителях :-x
Но тумблерок, жаль, что ранее не глаза не попался... :(

_________________
Motowell Magnet RS 50cc 2T + вентилятор радиатора Scythe GentleTyphoon 5400 об/мин
Изображение


Вернуться наверх
 Профиль  
 
 Заголовок сообщения: Re: Второй аккумулятор в помощь
СообщениеДобавлено: 16 Nov 2010, 12:51 
Не в сети
Старожил
Старожил
Аватар пользователя

Зарегистрирован: 03 Oct 2008, 22:46
Сообщений: 8023
Откуда: Киев
Поблагодарил: раз(а)
Поблагодарили: раз(а)
Медали: 4
За тех. помощь 1-й степени (1) За тех. помощь 2-й степени (1) За статью 1-й степени. (1) За вклад в развитие клуба (1)
Скутер: 180-т4 и 150-Т4;
Стаж: 30
VIsTA писал(а):
Эпикуреец писал(а):
А зачем эксплуатировать с убитой? Ставятся две новые АКБ, только с различной емкостью...Музыка ведь кушает, таки много... Они живут по раздельности...
Тумблера переключают АКБ...Много размышлял по поводу автоматизированной схемы переключения АКБ и понял, чем больше автоматики, тем больше вероятность ее выхода из строя...поэтому и тумблеры... :-D

Подпись одного из форумчан:"Есть такой диагноз: Повышенное содержание мозга в голове"


Тут вообще мозга нет. Тут зелёнку пить надо, потому что вавки в голове.
Нужно увеличить емкость ОДНОЙ АКБ (тогда можно заряжаться быстрее), а не городить две. Уменьшить потребление музыки и переделать генератор для получения бОльшей мощности. Сделать сигнализатор-отключатель нагрузки на 10,5 вольт дабы не угробить АКБ. Тумблерные схемы имеют нулевую дуракоустойчивость, АКБ хана однозначно.Не одной, так другой и как следствие обеим.

_________________
Теория,-все знают как, ничего не работает
Практика,-все работает, никто не знает почему
Соединяем,-"Теория+Практика",-Ничего не работает и никто не знает, почему.


Вернуться наверх
 Профиль  
 
 Заголовок сообщения: Re: Второй аккумулятор в помощь
СообщениеДобавлено: 16 Nov 2010, 14:08 
Не в сети
Старожил
Старожил

Зарегистрирован: 18 Jan 2009, 14:07
Сообщений: 7631
Откуда: 69 RUS
Поблагодарил: раз(а)
Поблагодарили: раз(а)
Медали: 6
За дальнобой 2-й степени. (1) За полезные и полные ответы. (1) За тех. помощь 1-й степени (1) За тех. помощь 2-й степени (1) За статью 1-й степени. (1)
Скутер: стелс лидер-50 2т (72 cc)
Стаж: 4
Цитата:
"Есть такой диагноз: Повышенное содержание мозга в голове"

Это не моза лишку, а дерьма :-D
Off topic:
Прежде чем что то впендюривать спросил бы мнение форумчан, как это делаю Я :-D
И общими усилиями нашли бы метод проще для музыки, например как делал Джимен - засадил 55 АКБ и все работает :), а весь этот изврат с вмешательством в проводку скута до добра не доводит.


Вернуться наверх
 Профиль  
 
 Заголовок сообщения: Re: Второй аккумулятор в помощь
СообщениеДобавлено: 16 Nov 2010, 15:23 
Не в сети
Бывалый
Бывалый
Аватар пользователя

Зарегистрирован: 23 Jul 2009, 13:40
Сообщений: 389
Откуда: Краснодарский край, г.Кореновск
Поблагодарил: раз(а)
Поблагодарили: раз(а)
Скутер: STELS Vortex 50 2T, теперь Motowell Magnet RS 2T
Стаж: 4 года, RS: 6к км
Эпикуреец писал(а):
Нужно увеличить емкость ОДНОЙ АКБ (тогда можно заряжаться быстрее), а не городить две.

Т.е. Если я поставлю АКБ 12V 52Аh, то она от стокового, но препаянного генератора зарядится быстрее, чем АКБ 12V 4Ah? *JOKINGLY*
Эпикуреец писал(а):
Уменьшить потребление музыки и переделать генератор для получения бОльшей мощности.

С первым не согласен, насчет второго - еще не определился с перемоткой генератора...

Эпикуреец писал(а):
Сделать сигнализатор-отключатель нагрузки на 10,5 вольт дабы не угробить АКБ.


Хорошая идея, вот, даже надыбал как сделать(чистосердечно слизано с одного из опзиционных сайтов):
"Лёгкий способ установки АКБ + заядки на мото.
Рекомендую очень простой и надёжный способ установки АКБ и реле заряда на мотоцикл Минск. Требуется приобрести источник безперебойного питания типа РИП 12 исп. 0.5 , его схема выдерживает ток силой до 10А, рабочая же нагрузка составляет 8А , в ватах это приблизительно - 96 Вт, что позволит запитать галогеновую лампу 55Вт и при этом оставшегося напряжения хватит на повороты , габариты и стоп сигнал (в том случае если лампы вышеперечисленных приборов диодные!), так же запаралелив светодиоды расположенные на схеме такими же диодами их можно вывести на приборную панель и следить за процессом начала и окончания зарядки. И так способ установки данного прбора- снять схему Рип 12 и отсоединить , трансформаторную обмотку преобразующую 220В в 12В , после установить схему в удобное для Вас место на мотоцикл , и к проводам отсоединённым от трансформатора присоединить выходное напряжение Комутатора(в моём случае комутатор и генератор 65Вт) после установить АКБ от 7 до 12 А/Ч и запитать по заводским клемникам. повторюсь сама схема РИП 12 исп.0.5 позволяет присоединить нагрузку 8А 96 ВТ не более!!! но при этом от аккумулятора можно запитать дополнительные потребителии до 25 А , нагрузка будет влиять на скорость разряда батареи. Затраты на приобретение РИП- 12исп.0.5 - от 4000 до 5000 т.р. диодные лампы - от 15 до 100 руб. Конечно этот вариант дороговат но данная схема работает безотказно ! отдельно рекомендую установить средних размеров вентилятор охлаждения на схему от персонального компьютера (50-100руб) летом помогает . Благодарю за внимание !"
И ссылка на дсей девайс: http://www.sbsar.ru/ups-12-rip-12-isp-05.htm
Токо ценник немного смутил... :-[

_________________
Motowell Magnet RS 50cc 2T + вентилятор радиатора Scythe GentleTyphoon 5400 об/мин
Изображение


Вернуться наверх
 Профиль  
 
 Заголовок сообщения: Re: Второй аккумулятор в помощь
СообщениеДобавлено: 16 Nov 2010, 15:34 
Не в сети
Бывалый
Бывалый
Аватар пользователя

Зарегистрирован: 23 Jul 2009, 13:40
Сообщений: 389
Откуда: Краснодарский край, г.Кореновск
Поблагодарил: раз(а)
Поблагодарили: раз(а)
Скутер: STELS Vortex 50 2T, теперь Motowell Magnet RS 2T
Стаж: 4 года, RS: 6к км
funix писал(а):
Off topic:
Прежде чем что то впендюривать спросил бы мнение форумчан, как это делаю Я :-D


Это уже обсуждалось тут: http://www.china-scooter.ru/forum/viewtopic.php?f=18&t=18101
и на МСК: http://www.scooter-club.ru/forum/viewtopic.php?f=39&t=113931

_________________
Motowell Magnet RS 50cc 2T + вентилятор радиатора Scythe GentleTyphoon 5400 об/мин
Изображение


Вернуться наверх
 Профиль  
 
 Заголовок сообщения: Re: Второй аккумулятор в помощь
СообщениеДобавлено: 16 Nov 2010, 16:39 
Не в сети
Старожил
Старожил

Зарегистрирован: 18 Jan 2009, 14:07
Сообщений: 7631
Откуда: 69 RUS
Поблагодарил: раз(а)
Поблагодарили: раз(а)
Медали: 6
За дальнобой 2-й степени. (1) За полезные и полные ответы. (1) За тех. помощь 1-й степени (1) За тех. помощь 2-й степени (1) За статью 1-й степени. (1)
Скутер: стелс лидер-50 2т (72 cc)
Стаж: 4
Виста, идея то хорошая на словах, к сожалению твою схему не разглядел слижком мелко написано, а радикалфото что то не показывает. Но ты сам начал народ путать.
Цитата:
Заметил вот, что, если:
1-й акум - стоковый, 12V 4Ah,
2-й акум от бесперебойника - 12V 7Ah,
то 2-й аккум умирает быстрее стокового...
Пробовал ставить вместо 2-го аккума два литий-ионных 6V 12Ah при последовательном соединении...
Та же ситуация... Литий-ионные дюжеть боятся глубокого разряда...


Вернуться наверх
 Профиль  
 
Показать сообщения за:  Сортировать по:  
Начать новую тему Ответить на тему  [ Сообщений: 71 ]  На страницу Пред.  1, 2, 3, 4, 5  След.

Часовой пояс: UTC + 3 часа


Кто сейчас на форуме

Сейчас этот форум просматривают: нет зарегистрированных пользователей и гости: 2


Вы не можете начинать темы
Вы не можете отвечать на сообщения
Вы не можете редактировать свои сообщения
Вы не можете удалять свои сообщения
Вы не можете добавлять вложения

Перейти:  
Powered by phpBB © phpBB Group
china-scooter.ru © 2006-2019