Клуб любителей китайских скутеров

Форум клуба любителей китайских скутеров

      
Текущее время: 31 Jan 2026, 16:56

Часовой пояс: UTC + 3 часа


Правила форума


Посмотреть правила форума



Начать новую тему Ответить на тему  [ Сообщений: 29 ]  На страницу 1, 2  След.
Автор Сообщение
 Заголовок сообщения: вопрос к гуру.
СообщениеДобавлено: 16 Mar 2013, 01:08 
Не в сети
Наблюдатель

Зарегистрирован: 04 Mar 2013, 11:46
Сообщений: 8
Поблагодарил: раз(а)
Поблагодарили: раз(а)
Скутер: Vento Triton R4 50сс
Стаж: мото-14. скутер-1.
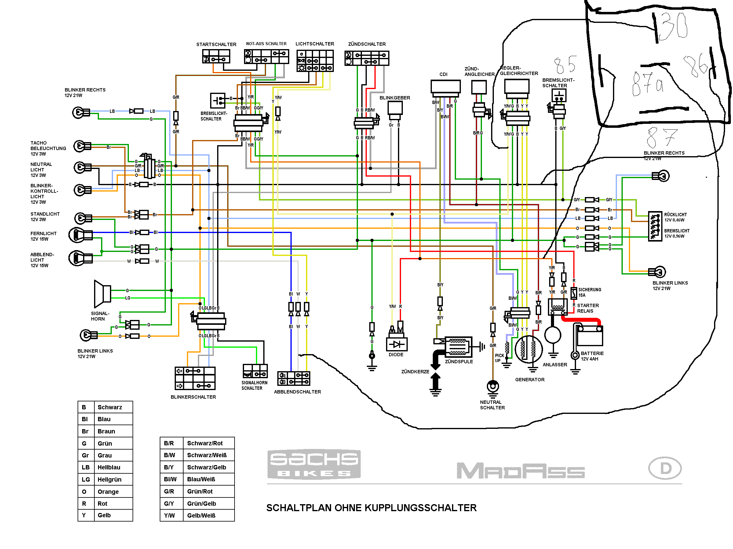
привет всем! уважаемые гуру, подскажите будет ли нормально работать данная система, приведенная на этой схеме? хочу сделать автоматическое включение света, но не очень силен в таких вопросах.
разобрал 5и контактное автомобильное реле(т.к. не знал какие контакты куда идут), посидел, подумал как все подключить, вроде должно работать, но на 100 процентов не уверен вот и решил спросить.
мне надо что бы горел только ближний свет, без подсветки и габаритов.


Вложения:
схема .png
схема .png [ 57.79 KiB | Просмотров: 6826 ]
Вернуться наверх
 Профиль  
 
 Заголовок сообщения: Re: вопрос к гуру.
СообщениеДобавлено: 16 Mar 2013, 08:38 
Не в сети
Гуру ремонта
Гуру ремонта
Аватар пользователя

Зарегистрирован: 20 Mar 2009, 23:12
Сообщений: 19841
Откуда: Бронницы
Поблагодарил: раз(а)
Поблагодарили: раз(а)
Медали: 4
За полезные и полные ответы. (1) За тех. помощь 1-й степени (1) За тех. помощь 2-й степени (1) За вклад в развитие клуба (1)
Скутер: Irbis Nirvana 150 уже 175сс
Стаж: Мото 21,скутер 4года
Не будет работать так как тебе хочется.

_________________
Попытка прочесть книгу, не открыв её - обречена на провал.


Вернуться наверх
 Профиль  
 
 Заголовок сообщения: Re: вопрос к гуру.
СообщениеДобавлено: 16 Mar 2013, 08:49 
Не в сети
Наблюдатель

Зарегистрирован: 04 Mar 2013, 11:46
Сообщений: 8
Поблагодарил: раз(а)
Поблагодарили: раз(а)
Скутер: Vento Triton R4 50сс
Стаж: мото-14. скутер-1.
GRO писал(а):
Не будет работать так как тебе хочется.

а не могли бы вы мне помочь, подправив на схеме подключение?


Вернуться наверх
 Профиль  
 
 Заголовок сообщения: Re: вопрос к гуру.
СообщениеДобавлено: 16 Mar 2013, 08:51 
Не в сети
Гуру ремонта
Гуру ремонта
Аватар пользователя

Зарегистрирован: 20 Mar 2009, 23:12
Сообщений: 19841
Откуда: Бронницы
Поблагодарил: раз(а)
Поблагодарили: раз(а)
Медали: 4
За полезные и полные ответы. (1) За тех. помощь 1-й степени (1) За тех. помощь 2-й степени (1) За вклад в развитие клуба (1)
Скутер: Irbis Nirvana 150 уже 175сс
Стаж: Мото 21,скутер 4года
Это не возможно.
Простым реле ничего не сделать.

_________________
Попытка прочесть книгу, не открыв её - обречена на провал.


Вернуться наверх
 Профиль  
 
 Заголовок сообщения: Re: вопрос к гуру.
СообщениеДобавлено: 16 Mar 2013, 09:41 
Не в сети
Наблюдатель

Зарегистрирован: 04 Mar 2013, 11:46
Сообщений: 8
Поблагодарил: раз(а)
Поблагодарили: раз(а)
Скутер: Vento Triton R4 50сс
Стаж: мото-14. скутер-1.
GRO писал(а):
Это не возможно.
Простым реле ничего не сделать.

у меня подобным образом сделано на машине. автор не я, но делал сам.
реле 5и контактное. контакт 30- провод с лампочки зарядки генератора(когда машина работает, то на нем постоянный плюс), контакт 87а- провод от кнопки включения света(он идет на плюс. при контакте с плюсом срабатывает реле в монтажном блоке и включается ближний свет), 85 контакт подключен к массе, 86 к реле стартера(когда заводишь машину то на контакт 86 подается плюс и наше реле срабатывает, тем самым размыкается контакт 30 и 87а и при запуске двигателя не при каких обстоятельствах не включится свет, что нам и нужно (случись если генератор начнет возбуждаться, но вряд ли от таких маленьких оборотов). вот и хотел на скутере подобное сделать...


Вернуться наверх
 Профиль  
 
 Заголовок сообщения: Re: вопрос к гуру.
СообщениеДобавлено: 16 Mar 2013, 09:43 
Не в сети
Старожил
Старожил
Аватар пользователя

Зарегистрирован: 24 Aug 2011, 03:31
Сообщений: 3804
Откуда: Гагарин - родина Ю.А.Гагарина
Поблагодарил: раз(а)
Поблагодарили: раз(а)
Медали: 3
За дальнобой 2-й степени. (1) За тех. помощь 1-й степени (1) За тех. помощь 2-й степени (1)
Скутер: Большой красный.
Стаж: с детства
Через нормально замкнутые контакты своего реле подай +12В на лампы ближнего света. +12В бери после замка зажигания. Тогда при включении зажигания будет гореть ближний свет. А обмотку реле подключи к лампам габаритов. Тогда при включении габаритов и любого света (ближнего или дальнего) реле свои контакты разомкнёт и никак не будет влиять на любые переключения режимов света.
Можно добавить ещё одно реле, включаемое вместе с реле стартера (обмотку подключить параллельно обмотке стартерного реле). Питание лампочек сделать через нормально замкнутые контакты второго реле. Тогда при нажатии на кнопку стартера лампы ближнего света будут гаснуть и не будут нагружать аккумулятор.

_________________
Изображение


Вернуться наверх
 Профиль  
 
 Заголовок сообщения: Re: вопрос к гуру.
СообщениеДобавлено: 16 Mar 2013, 10:17 
Не в сети
Наблюдатель

Зарегистрирован: 04 Mar 2013, 11:46
Сообщений: 8
Поблагодарил: раз(а)
Поблагодарили: раз(а)
Скутер: Vento Triton R4 50сс
Стаж: мото-14. скутер-1.
спасибо большое! :)


Вернуться наверх
 Профиль  
 
 Заголовок сообщения: Re: вопрос к гуру.
СообщениеДобавлено: 16 Mar 2013, 12:14 
Не в сети
Старожил
Старожил
Аватар пользователя

Зарегистрирован: 24 Aug 2011, 03:31
Сообщений: 3804
Откуда: Гагарин - родина Ю.А.Гагарина
Поблагодарил: раз(а)
Поблагодарили: раз(а)
Медали: 3
За дальнобой 2-й степени. (1) За тех. помощь 1-й степени (1) За тех. помощь 2-й степени (1)
Скутер: Большой красный.
Стаж: с детства
Можно собрать по этой схеме. Диоды - развязывающие, чтоб исключить работу габаритов. Можно применить любые на ток не менее 5А. Можно из советских типа Д242. Но лучше современные импортные в изолированном пластмассовом корпусе.
Он стОят копейки. Можно выковырять из компьютерных БП.


Вложения:
Включение ламп ближнего света.JPG
Включение ламп ближнего света.JPG [ 47.07 KiB | Просмотров: 6772 ]

_________________
Изображение
Вернуться наверх
 Профиль  
 
 Заголовок сообщения: Re: вопрос к гуру.
СообщениеДобавлено: 16 Mar 2013, 12:20 
Не в сети
Наблюдатель

Зарегистрирован: 04 Mar 2013, 11:46
Сообщений: 8
Поблагодарил: раз(а)
Поблагодарили: раз(а)
Скутер: Vento Triton R4 50сс
Стаж: мото-14. скутер-1.
aser писал(а):
Можно собрать по этой схеме. Диоды - развязывающие, чтоб исключить работу габаритов. Можно применить любые на ток не менее 5А. Можно из советских типа Д242. Но лучше современные импортные в изолированном пластмассовом корпусе.
Он стОят копейки. Можно выковырять из компьютерных БП.

думаю с диодного моста от вазовского генератора как раз подойдут :)


Вернуться наверх
 Профиль  
 
 Заголовок сообщения: Re: вопрос к гуру.
СообщениеДобавлено: 16 Mar 2013, 12:23 
Не в сети
Старожил
Старожил
Аватар пользователя

Зарегистрирован: 24 Aug 2011, 03:31
Сообщений: 3804
Откуда: Гагарин - родина Ю.А.Гагарина
Поблагодарил: раз(а)
Поблагодарили: раз(а)
Медали: 3
За дальнобой 2-й степени. (1) За тех. помощь 1-й степени (1) За тех. помощь 2-й степени (1)
Скутер: Большой красный.
Стаж: с детства
vazik20091 писал(а):
думаю с диодного моста от вазовского генератора как раз подойдут

Зачем? Можно и попроще. Хотя пойдут, конечно.

_________________
Изображение


Вернуться наверх
 Профиль  
 
 Заголовок сообщения: Re: вопрос к гуру.
СообщениеДобавлено: 16 Mar 2013, 12:32 
Не в сети
Наблюдатель

Зарегистрирован: 04 Mar 2013, 11:46
Сообщений: 8
Поблагодарил: раз(а)
Поблагодарили: раз(а)
Скутер: Vento Triton R4 50сс
Стаж: мото-14. скутер-1.
aser писал(а):
vazik20091 писал(а):
думаю с диодного моста от вазовского генератора как раз подойдут

Зачем? Можно и попроще. Хотя пойдут, конечно.

да живу я в таком месте что ничего не купишь, а радио барахла у меня нет старого. мост валяется без надобности..


Вернуться наверх
 Профиль  
 
 Заголовок сообщения: Re: вопрос к гуру.
СообщениеДобавлено: 16 Mar 2013, 19:35 
Не в сети
Гуру ремонта
Гуру ремонта
Аватар пользователя

Зарегистрирован: 20 Mar 2009, 23:12
Сообщений: 19841
Откуда: Бронницы
Поблагодарил: раз(а)
Поблагодарили: раз(а)
Медали: 4
За полезные и полные ответы. (1) За тех. помощь 1-й степени (1) За тех. помощь 2-й степени (1) За вклад в развитие клуба (1)
Скутер: Irbis Nirvana 150 уже 175сс
Стаж: Мото 21,скутер 4года
vazik20091 писал(а):
у меня подобным образом сделано на машине.

Так вот на машине стоит совсем иной генератор.
В это всё и упирается.

_________________
Попытка прочесть книгу, не открыв её - обречена на провал.


Вернуться наверх
 Профиль  
 
 Заголовок сообщения: Re: вопрос к гуру.
СообщениеДобавлено: 16 Mar 2013, 20:54 
продаются ведь уже готовые реле автоматического включения света в автозапчастях.Цена вопроса рублей 500-600.


Вернуться наверх
  
 
 Заголовок сообщения: Re: вопрос к гуру.
СообщениеДобавлено: 16 Mar 2013, 21:11 
Не в сети
Наблюдатель

Зарегистрирован: 04 Mar 2013, 11:46
Сообщений: 8
Поблагодарил: раз(а)
Поблагодарили: раз(а)
Скутер: Vento Triton R4 50сс
Стаж: мото-14. скутер-1.
borov писал(а):
продаются ведь уже готовые реле автоматического включения света в автозапчастях.Цена вопроса рублей 500-600.

я лучше простую релюшку и литр ликви моли возьму ;-)


Вернуться наверх
 Профиль  
 
 Заголовок сообщения: Re: вопрос к гуру.
СообщениеДобавлено: 16 Mar 2013, 21:13 
Не в сети
Старожил
Старожил
Аватар пользователя

Зарегистрирован: 24 Aug 2011, 03:31
Сообщений: 3804
Откуда: Гагарин - родина Ю.А.Гагарина
Поблагодарил: раз(а)
Поблагодарили: раз(а)
Медали: 3
За дальнобой 2-й степени. (1) За тех. помощь 1-й степени (1) За тех. помощь 2-й степени (1)
Скутер: Большой красный.
Стаж: с детства
borov писал(а):
продаются ведь уже готовые реле автоматического включения света

Задние габариты при этом не выключаются.
Если использовать ближний свет фар в качестве дневных ходовых огней, то необходимости в задних габаритах нет.

_________________
Изображение


Вернуться наверх
 Профиль  
 
Показать сообщения за:  Сортировать по:  
Начать новую тему Ответить на тему  [ Сообщений: 29 ]  На страницу 1, 2  След.

Часовой пояс: UTC + 3 часа


Кто сейчас на форуме

Сейчас этот форум просматривают: нет зарегистрированных пользователей и гости: 1


Вы не можете начинать темы
Вы не можете отвечать на сообщения
Вы не можете редактировать свои сообщения
Вы не можете удалять свои сообщения
Вы не можете добавлять вложения

Перейти:  
Powered by phpBB © phpBB Group
china-scooter.ru © 2006-2019