Клуб любителей китайских скутеров

Форум клуба любителей китайских скутеров

      
Текущее время: 05 Mar 2026, 16:10

Часовой пояс: UTC + 3 часа


Правила форума


Посмотреть правила форума



Начать новую тему Эта тема закрыта, Вы не можете редактировать и оставлять сообщения в ней.  [ Сообщений: 12 ] 
Автор Сообщение
 Заголовок сообщения: Что переключает свет на батарею когда генератор не пашет
СообщениеДобавлено: 10 Jun 2018, 04:36 
Не в сети
Посетитель
Посетитель
Аватар пользователя

Зарегистрирован: 02 Jun 2018, 15:32
Сообщений: 114
Поблагодарил: раз(а)
Поблагодарили: раз(а)
Скутер: Yamaha Vino 125
Стаж: 0.3
Как я раньше думал все лампочки работают от переменного тока, а постоянный тольк заряжает батарею, но когда меряю при рабочем двигателе то получается что на все приборы идет постоянный ток только на фары и задний габарит.

Однако когда я отключил батарею и завелся с ножки то все приборы опять работают но на них теперь показывается перменный ток.

1. Где то есть резервныое реле которое переключает источник питания для света с акамулятора на генератор и наоборот в случае если одно не подает признаков жизни, что это и где расположенно?

2. Мой задний ночной габарит всегда работает только от переменного тока тоесть если отключаю генератор то он не работает, так и должно быть?

_________________
2006 Yamaha Vino 125 (125cc)
(продан) Китайский 2011г - 139QMB 80cc


Вернуться наверх
 Профиль  
 
 Заголовок сообщения: Re: Что переключает свет на батарею когда генератор не пашет
СообщениеДобавлено: 10 Jun 2018, 11:16 
Не в сети
Гуру ремонта
Гуру ремонта
Аватар пользователя

Зарегистрирован: 20 Mar 2009, 23:12
Сообщений: 19841
Откуда: Бронницы
Поблагодарил: раз(а)
Поблагодарили: раз(а)
Медали: 4
За полезные и полные ответы. (1) За тех. помощь 1-й степени (1) За тех. помощь 2-й степени (1) За вклад в развитие клуба (1)
Скутер: Irbis Nirvana 150 уже 175сс
Стаж: Мото 21,скутер 4года
CheapScoot
Не пробовал просто посмотреть схему?
С чего ты взял, что ток без аккумулятора становиться переменным?

_________________
Попытка прочесть книгу, не открыв её - обречена на провал.


Вернуться наверх
 Профиль  
 
 Заголовок сообщения: Re: Что переключает свет на батарею когда генератор не пашет
СообщениеДобавлено: 10 Jun 2018, 21:19 
Не в сети
Посетитель
Посетитель
Аватар пользователя

Зарегистрирован: 02 Jun 2018, 15:32
Сообщений: 114
Поблагодарил: раз(а)
Поблагодарили: раз(а)
Скутер: Yamaha Vino 125
Стаж: 0.3
GRO писал(а):
CheapScoot
С чего ты взял, что ток без аккумулятора становиться переменным?

Дигитальный мультиметр в режиме замера постоянного тока не показывает ничего если проверять провод с переменным током и наоборот.

Тоесть я проверял что когда отключен генератор ток идет постоянный на все потребители (кроме габарита и фар, и регулятор холостого ходя)

Если от батареи идет постоянный, от генера переменный если отключить батарею и регулятор то лампы светятся все равно и ток переменный.

GRO писал(а):
CheapScoot
Не пробовал просто посмотреть схему?

Я не электрик, схема общая даже не от моего скутера.

Вложение:
Wiring-Diagram.png
Wiring-Diagram.png [ 168.41 KiB | Просмотров: 5184 ]

_________________
2006 Yamaha Vino 125 (125cc)
(продан) Китайский 2011г - 139QMB 80cc


Вернуться наверх
 Профиль  
 
 Заголовок сообщения: Re: Что переключает свет на батарею когда генератор не пашет
СообщениеДобавлено: 10 Jun 2018, 22:20 
Не в сети
Гуру ремонта
Гуру ремонта
Аватар пользователя

Зарегистрирован: 20 Mar 2009, 23:12
Сообщений: 19841
Откуда: Бронницы
Поблагодарил: раз(а)
Поблагодарили: раз(а)
Медали: 4
За полезные и полные ответы. (1) За тех. помощь 1-й степени (1) За тех. помощь 2-й степени (1) За вклад в развитие клуба (1)
Скутер: Irbis Nirvana 150 уже 175сс
Стаж: Мото 21,скутер 4года
Мда, "дигитальный мультиметр" наводит на мысль, что кто-то ищет чёрную кошку в тёмной комнате.
После регулятора напряжения ток не переменный, а импульсный!
Не все цифровые мультиметры могут показать что-либо внятное при работе данного регулятора без аккумулятора в схеме.
Регулятора холостого хода питающегося переменкой в скутере с карбюратором тоже нет.
Есть пусковой обогатитель.
И да, ссылки как всегда:
viewtopic.php?f=111&t=15007
viewtopic.php?f=111&t=37411
viewtopic.php?f=102&t=40509
Читай, думай.

_________________
Попытка прочесть книгу, не открыв её - обречена на провал.


Вернуться наверх
 Профиль  
 
 Заголовок сообщения: Re: Что переключает свет на батарею когда генератор не пашет
СообщениеДобавлено: 10 Jun 2018, 22:36 
Не в сети
Старожил
Старожил
Аватар пользователя

Зарегистрирован: 18 Oct 2010, 06:21
Сообщений: 2538
Откуда: Кубань
Поблагодарил: раз(а)
Поблагодарили: раз(а)
Медали: 4
За полезные и полные ответы. (1) За тех. помощь 1-й степени (1) За тех. помощь 2-й степени (1) За вклад в развитие клуба (1)
Скутер: RACER uragan- 82сс.
Стаж: ***
CheapScoot
То ли лыжи не едут.... то ли я (....ненормальный).
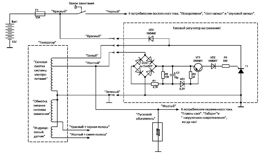
А можешь ли объяснить к чему эти все манипуляции? Если что вышло из строя, то спрашивай. Но похоже на то, что у тебя цель сломать скутер. С генератора выход переменка, нагрузкой генератора служат фары, или резистор. С генератора идет на РН, а с него импульсное на зарядку АКБ. Но! РН в первую очередь поддерживает нужное напряжение на генераторе, что исключает перегорание лампочек фары. Так что прежде чем что либо отключать узнай для чего служит то или иное устройство. Иначе быть беде.

CheapScoot писал(а):
1. Где то есть резервныое реле которое переключает источник питания для света с акамулятора на генератор и наоборот в случае если одно не подает признаков жизни, что это и где расположенно?

2. Мой задний ночной габарит всегда работает только от переменного тока тоесть если отключаю генератор то он не работает, так и должно быть?

1. Нет таких.
2. Да.


Вложения:
RR1.png
RR1.png [ 27.23 KiB | Просмотров: 5174 ]

_________________
"Добрым словом и револьвером, вы добьетесь намного большего.... чем одним добрым словом"
...Пишу с ошибками, читаю по слогам.
Вернуться наверх
 Профиль  
 
 Заголовок сообщения: Re: Что переключает свет на батарею когда генератор не пашет
СообщениеДобавлено: 11 Jun 2018, 10:48 
Не в сети
Посетитель
Посетитель
Аватар пользователя

Зарегистрирован: 02 Jun 2018, 15:32
Сообщений: 114
Поблагодарил: раз(а)
Поблагодарили: раз(а)
Скутер: Yamaha Vino 125
Стаж: 0.3
GRO писал(а):
Мда, "дигитальный мультиметр" наводит на мысль, что кто-то ищет чёрную кошку в тёмной комнате.

Дигитальный и цифровой это синонимы, мне придирки к словам это не конструктивно.

GRO писал(а):
После регулятора напряжения ток не переменный, а импульсный!

Я не знаю подробностей не электрик, электро проблемы в машине устраняю и в быту тоже. Скажем так мои знания на уровне интуиции (без в никания в подробности) мне вполне хватает для работы с электрикой.

Как я читал для лампочек регулятор просто срезает напряжение подаваемое от генератора (импульсное оно или еще какое) до 12вольт оставляя не переводя его в постоянный ток как для батареи, как он это делает мне я не вникал, импульсами ли или как еще.

GRO писал(а):
Не все цифровые мультиметры могут показать что-либо внятное при работе данного регулятора без аккумулятора в схеме.

факт в том что мой мультиметр в режиме переменного тока читает напряжение 12 вольт на всех лампочках, а вот в режиме постоянного тока не показыавается, значит может, и значит ток импульсный или нет но переменный.

GRO писал(а):
Регулятора холостого хода питающегося переменкой в скутере с карбюратором тоже нет.
Есть пусковой обогатитель.

Можно еще назвать парой синонимов суть от этого не измениться, вы поняли о чем я говорил и это главное.

_________________
2006 Yamaha Vino 125 (125cc)
(продан) Китайский 2011г - 139QMB 80cc


Вернуться наверх
 Профиль  
 
 Заголовок сообщения: Re: Что переключает свет на батарею когда генератор не пашет
СообщениеДобавлено: 11 Jun 2018, 11:00 
Не в сети
Посетитель
Посетитель
Аватар пользователя

Зарегистрирован: 02 Jun 2018, 15:32
Сообщений: 114
Поблагодарил: раз(а)
Поблагодарили: раз(а)
Скутер: Yamaha Vino 125
Стаж: 0.3
Вместо критики лучше научите меня, только не надо тыкать в учебники и схемы, мне нужен дружеский совет или ответ на мои вопросы.

Пускай это кажется смешным или элементарным тем кто знаком с электрикой, но я вполне успешно оперирую с авто электрикой со своим набором знаний просто в скутерах чутка подругому и мне несовсем понятно, мне не нужно узнать именно не больше не меньше, а не курс по физике.

ДОМОВОЙ писал(а):
Цитата:
1. Где то есть резервныое реле которое переключает источник питания для света с акамулятора на генератор и наоборот в случае если одно не подает признаков жизни, что это и где расположенно?

1. Нет таких.

Окей по схеме (что я послал выше) батарея зарежается от регулятора постоянным током и подключенна только к стартеру.
Когда отключаеш генератор то батарея питает лампочки (поворот, стоп) значит она подает обратно через регулятор на проводку или как еще ток с батареи поподает на вышеуказанные приборы при отключенном генераторе?

3. По поводу земли батарея подключена к раме на которой земля переменного тока, а у батареи земля постоянного тока, или это неважно?

_________________
2006 Yamaha Vino 125 (125cc)
(продан) Китайский 2011г - 139QMB 80cc


Вернуться наверх
 Профиль  
 
 Заголовок сообщения: Re: Что переключает свет на батарею когда генератор не пашет
СообщениеДобавлено: 11 Jun 2018, 11:35 
Не в сети
Гуру ремонта
Гуру ремонта
Аватар пользователя

Зарегистрирован: 20 Mar 2009, 23:12
Сообщений: 19841
Откуда: Бронницы
Поблагодарил: раз(а)
Поблагодарили: раз(а)
Медали: 4
За полезные и полные ответы. (1) За тех. помощь 1-й степени (1) За тех. помощь 2-й степени (1) За вклад в развитие клуба (1)
Скутер: Irbis Nirvana 150 уже 175сс
Стаж: Мото 21,скутер 4года
CheapScoot писал(а):
Вместо критики лучше научите меня

Если в школе не научили, то как мы-то научим?
Тут что, форум учителей физики?
А тут увы, только физика.
Не понимаешь что и как работает - изучай физику.
Ибо тут уже не электрика, а электроника.
Ты схему ленишься посмотреть, но требуешь чтоб тебе все на пальцах объясняли, как работает электромясорубка.
Надеюсь синонимы тебе понятны.
Но вместо того, чтобы посмотреть схемы, :CENS: , цветные схемы по моей ссылке есть в конце концов, ты продолжаешь нести свой бред:
CheapScoot писал(а):
Когда отключаеш генератор то батарея питает лампочки (поворот, стоп) значит она подает обратно через регулятор на проводку или как еще ток с батареи поподает на вышеуказанные приборы при отключенном генераторе?

_________________
Попытка прочесть книгу, не открыв её - обречена на провал.


Вернуться наверх
 Профиль  
 
 Заголовок сообщения: Re: Что переключает свет на батарею когда генератор не пашет
СообщениеДобавлено: 11 Jun 2018, 11:56 
Не в сети
Старожил
Старожил
Аватар пользователя

Зарегистрирован: 18 Oct 2010, 06:21
Сообщений: 2538
Откуда: Кубань
Поблагодарил: раз(а)
Поблагодарили: раз(а)
Медали: 4
За полезные и полные ответы. (1) За тех. помощь 1-й степени (1) За тех. помощь 2-й степени (1) За вклад в развитие клуба (1)
Скутер: RACER uragan- 82сс.
Стаж: ***
CheapScoot писал(а):
Вместо критики лучше научите меня, только не надо тыкать в учебники и схемы, мне нужен дружеский совет или ответ на мои вопросы.
А где тут критика? Тут только дружеские советы. Если уж полез в эл. часть скутера, то должен уметь читать схемы.
CheapScoot писал(а):
Окей по схеме (что я послал выше) батарея зарежается от регулятора постоянным током и подключенна только к стартеру. Когда отключаеш генератор то батарея питает лампочки (поворот, стоп) значит она подает обратно через регулятор на проводку или как еще ток с батареи поподает на вышеуказанные приборы при отключенном генераторе?
Батарея заряжается от генератора, и подключена минусом к массе, и плюсом к замку зажигания, от которого идет дальше на поворот, стоп, сигнал, и при нажатии тормоза подключается кнопка ,,Пуск,, реле стартера и при её нажатии сам стартер.. Подавать напряжение обратно через регулятор не даст диод, через который на акк. идет зарядка, так как диод имеет свойство пропускать ток в одном направлении. (смотри мою схему выше).
CheapScoot писал(а):
но я вполне успешно оперирую с авто электрикой со своим набором знаний
Сомневаюсь я чето. Ну если только методом ,,Научного тыка,,.

_________________
"Добрым словом и револьвером, вы добьетесь намного большего.... чем одним добрым словом"
...Пишу с ошибками, читаю по слогам.


Вернуться наверх
 Профиль  
 
 Заголовок сообщения: Re: Что переключает свет на батарею когда генератор не пашет
СообщениеДобавлено: 11 Jun 2018, 14:17 
Не в сети
Старожил
Старожил
Аватар пользователя

Зарегистрирован: 24 Oct 2010, 23:54
Сообщений: 1578
Откуда: Раменское
Поблагодарил: раз(а)
Поблагодарили: раз(а)
Медали: 4
За полезные и полные ответы. (1) За тех. помощь 1-й степени (1) За тех. помощь 2-й степени (1) За грамотность (1)
Скутер: Haobon qt10, S ZNEN-King, Рига-26
Стаж: C89
А чем отличается авто генератор от скутерного кроме способа регулировки?
Вопрос чипсоскуту.


Вернуться наверх
 Профиль  
 
 Заголовок сообщения: Re: Что переключает свет на батарею когда генератор не пашет
СообщениеДобавлено: 11 Jun 2018, 21:48 
Не в сети
Посетитель
Посетитель
Аватар пользователя

Зарегистрирован: 02 Jun 2018, 15:32
Сообщений: 114
Поблагодарил: раз(а)
Поблагодарили: раз(а)
Скутер: Yamaha Vino 125
Стаж: 0.3
GRO писал(а):
CheapScoot писал(а):
Вместо критики лучше научите меня

Если в школе не научили, то как мы-то научим?
Тут что, форум учителей физики?
А тут увы, только физика.
Не понимаешь что и как работает - изучай физику.

Нет не нужно мне изучать физику, она в жизни мне не нужна и практики нет, она забудется также быстро как выучиться.
У меня максимум 10 вопросов которые будут по электрике скутера возникать в некой последовательности если бы кто-то ответил мне без сарказма этого мне хватило бы.

AVK-73 писал(а):
А чем отличается авто генератор от скутерного кроме способа регулировки?
Вопрос чипсоскуту.

Тем что в авто генераторе, регулятор встроен он сразу дает постоянный ток 12-14в на все и все не нужно гемориться с тем что половина электрики работает от постоянного половина от переменного на мой взгляд это какой то бред. В большинстве мотоциклов такой дизайн не используют более все идет от постоянного тока.

_________________
2006 Yamaha Vino 125 (125cc)
(продан) Китайский 2011г - 139QMB 80cc


Вернуться наверх
 Профиль  
 
 Заголовок сообщения: Re: Что переключает свет на батарею когда генератор не пашет
СообщениеДобавлено: 12 Jun 2018, 00:36 
Не в сети
Гуру ремонта
Гуру ремонта
Аватар пользователя

Зарегистрирован: 20 Mar 2009, 23:12
Сообщений: 19841
Откуда: Бронницы
Поблагодарил: раз(а)
Поблагодарили: раз(а)
Медали: 4
За полезные и полные ответы. (1) За тех. помощь 1-й степени (1) За тех. помощь 2-й степени (1) За вклад в развитие клуба (1)
Скутер: Irbis Nirvana 150 уже 175сс
Стаж: Мото 21,скутер 4года
Учи физику.
Без неё все ответы на твои вопросы равны нолю.
Тема закрыта.

_________________
Попытка прочесть книгу, не открыв её - обречена на провал.


Вернуться наверх
 Профиль  
 
Показать сообщения за:  Сортировать по:  
Начать новую тему Эта тема закрыта, Вы не можете редактировать и оставлять сообщения в ней.  [ Сообщений: 12 ] 

Часовой пояс: UTC + 3 часа


Кто сейчас на форуме

Сейчас этот форум просматривают: нет зарегистрированных пользователей и гости: 24


Вы не можете начинать темы
Вы не можете отвечать на сообщения
Вы не можете редактировать свои сообщения
Вы не можете удалять свои сообщения
Вы не можете добавлять вложения

Перейти:  
cron
Powered by phpBB © phpBB Group
china-scooter.ru © 2006-2019