Клуб любителей китайских скутеров

Форум клуба любителей китайских скутеров

      
Текущее время: 25 окт 2025, 08:33

Часовой пояс: UTC + 3 часа


Правила форума


Правила форума

Если ваш вопрос касаеться неисправности вашего скутера, или у вас возникли затруднения с эксплуатацией, или тюнингом, предварительно укажите:
Модель и производителя сктера:
Модель двигателя:
Тактность двигателя и предположительный объём:
После этого, излогайте суть проблеммы.
Не забывайте, название поста должно как можно ближе тражать суть проблемы.



Начать новую тему Ответить на тему  [ Сообщений: 4 ] 
Автор Сообщение
 Заголовок сообщения: Пропала искра
СообщениеДобавлено: 24 май 2015, 02:10 
Не в сети
Наблюдатель

Зарегистрирован: 24 май 2015, 01:49
Сообщений: 2
Поблагодарил: раз(а)
Поблагодарили: раз(а)
Скутер: 139qmb
Стаж: 4
Всем доброго времени суток.
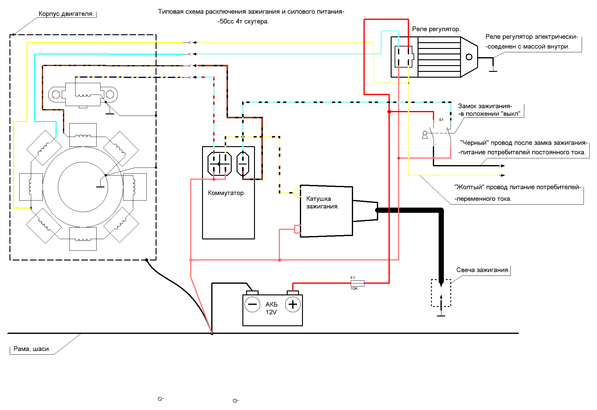
Двигатель 139qmb 82cc. Спустя некоторый период эксплуатации внезапно стала пропадать искра. Грешил на свечу, поменял. Проблема осталась. Так как у меня скутер представляет собой полусамодельный проект, вся проводка максимально упрощена и делалась мной. Было решено заменить коммутатор. Проблема исчезла на некоторое время, однако затем вновь появилась. Нет искры и всё. Заменил катушку, ВВ, колпачок, статор, реле-регулятор, индукционный датчик, а искры нет! По сути, заменена вся электроника. В процессе сборки попутал провод и на коммутатор вместо красного, подключил белый. Мог ли я таким образом его спалить? Свеча звонится свечным тестером, вроде нормальная. Выкручивал её, одевал колпачок, прислонял резьбой к массе - искры нет.
Вся проводка делалась максимально простой и по схеме, что в приложении. Не первый скутер уже снабжаю этой схемой и всё работает, а этот какой-то непонятный :(
Дайте совет какой-нибудь, что попробовать ещё?

И ещё вопросик. При замене статора, играет ли роль расположение индукционных катушек относительно датчика? В магазине предлагали два статора, но у одного катушки смотрят вверх на датчик, а у другого на "3 часа". Продавец сказал, что роли не играет. Так ли это?


Вложения:
1475627.gif
1475627.gif [ 57.5 KiB | Просмотров: 7286 ]
Вернуться наверх
 Профиль  
 
 Заголовок сообщения: Re: Пропала искра
СообщениеДобавлено: 24 май 2015, 07:12 
Не в сети
Старожил
Старожил

Зарегистрирован: 18 янв 2009, 14:07
Сообщений: 7631
Откуда: 69 RUS
Поблагодарил: раз(а)
Поблагодарили: раз(а)
Медали: 6
За дальнобой 2-й степени. (1) За полезные и полные ответы. (1) За тех. помощь 1-й степени (1) За тех. помощь 2-й степени (1) За статью 1-й степени. (1)
Скутер: стелс лидер-50 2т (72 cc)
Стаж: 4
Все вроде правильно, проверь массы, отключи от коммутатора сине-черный провод, проверь искру.


Вернуться наверх
 Профиль  
 
 Заголовок сообщения: Re: Пропала искра
СообщениеДобавлено: 24 май 2015, 11:21 
Не в сети
Гуру ремонта
Гуру ремонта
Аватар пользователя

Зарегистрирован: 20 мар 2009, 23:12
Сообщений: 19841
Откуда: Бронницы
Поблагодарил: раз(а)
Поблагодарили: раз(а)
Медали: 4
За полезные и полные ответы. (1) За тех. помощь 1-й степени (1) За тех. помощь 2-й степени (1) За вклад в развитие клуба (1)
Скутер: Irbis Nirvana 150 уже 175сс
Стаж: Мото 21,скутер 4года
wooster писал(а):
В процессе сборки попутал провод и на коммутатор вместо красного, подключил белый.

1. Где в твоей схеме белый провод?
2. Лучше напиши что ты вместо чего подсоединил, без цвета проводов, глядишь и сам поймёшь, что ты сделал.
3. Судя по схеме, ты его никогда не заводил вообще. У тебя замок зажигания в положении Выкл разблокирует коммутатор, а в положении ВКЛ блокирует его.

_________________
Попытка прочесть книгу, не открыв её - обречена на провал.


Вернуться наверх
 Профиль  
 
 Заголовок сообщения: Re: Пропала искра
СообщениеДобавлено: 24 май 2015, 13:45 
Не в сети
Наблюдатель

Зарегистрирован: 24 май 2015, 01:49
Сообщений: 2
Поблагодарил: раз(а)
Поблагодарили: раз(а)
Скутер: 139qmb
Стаж: 4
GRO писал(а):
1. Где в твоей схеме белый провод?
2. Лучше напиши что ты вместо чего подсоединил, без цвета проводов, глядишь и сам поймёшь, что ты сделал.
3. Судя по схеме, ты его никогда не заводил вообще. У тебя замок зажигания в положении Выкл разблокирует коммутатор, а в положении ВКЛ блокирует его.


От статора идут 3 провода: красный на коммутатор, белый и жёлтый на реле регулятор. Один провод от коммутатора это килл, второй масса, третий с датчика и ещё один на катушку.

Что касается замка зажигания, то у меня он из схемы исключён, то есть только провод килл болтается заизолированный.


Вложения:
Shema-kitajskogo-skutera.jpg
Shema-kitajskogo-skutera.jpg [ 36.51 KiB | Просмотров: 7256 ]
Вернуться наверх
 Профиль  
 
Показать сообщения за:  Сортировать по:  
Начать новую тему Ответить на тему  [ Сообщений: 4 ] 

Часовой пояс: UTC + 3 часа


Кто сейчас на форуме

Сейчас этот форум просматривают: нет зарегистрированных пользователей и гости: 2


Вы не можете начинать темы
Вы не можете отвечать на сообщения
Вы не можете редактировать свои сообщения
Вы не можете удалять свои сообщения
Вы не можете добавлять вложения

Перейти:  
Powered by phpBB © phpBB Group
china-scooter.ru © 2006-2019