Клуб любителей китайских скутеров

Форум клуба любителей китайских скутеров

      
Текущее время: 29 Apr 2026, 04:18

Часовой пояс: UTC + 3 часа


Правила форума


Посмотреть правила форума



Начать новую тему Ответить на тему  [ Сообщений: 3971 ]  На страницу Пред.  1 ... 213, 214, 215, 216, 217, 218, 219 ... 265  След.
Автор Сообщение
 Заголовок сообщения: Re: Обсуждение ABM Wind
СообщениеДобавлено: 25 Май 2011, 16:15 
Умерли сайлент-блоки в маятнике...
На поворотах стал вилять задом и усилились рывки.
Встал перед выбором: ставить подшипники или новые сайлент-блоки...
Кто как считает?


Вернуться наверх
  
 
 Заголовок сообщения: Re: Обсуждение ABM Wind
СообщениеДобавлено: 25 Май 2011, 17:11 
Не в сети
Посетитель
Посетитель
Аватар пользователя

Зарегистрирован: 06 Apr 2009, 09:47
Сообщений: 191
Поблагодарил: раз(а)
Поблагодарили: раз(а)
Скутер: ABM WIND
Подшипники нельзя ставить, резинки в сайлентах аммортизируют удары и рывки,проще раз в два сезона менять сайленты, чем разбивать подшипниками раму.


Вернуться наверх
 Профиль  
 
 Заголовок сообщения: Re: Обсуждение ABM Wind
СообщениеДобавлено: 25 Май 2011, 17:18 
Не в сети
Новичок
Новичок

Зарегистрирован: 17 Mar 2011, 14:13
Сообщений: 68
Откуда: Санкт-Петербург, Колпино
Поблагодарил: раз(а)
Поблагодарили: раз(а)
Скутер: Abm Wind
Стаж: 1
Добрый день! А вот такой вопрос появился внезапно :) При следующей смене масла хочу снять боковушку мотора, которая закрывает сцепление, что бы прочистить сеточку (как бы "масляный фильтр"). Так вот собственно сам вопрос: При снятии этой крышки, стоит ожидать вылетаюших пружинок или рассыпающихся шестеренок? И что необходимо из новых расходников, кроме прокладки под эту крышку и масла? Надо ли менять сальник на валу кикстартера?


Вернуться наверх
 Профиль  
 
 Заголовок сообщения: Re: Обсуждение ABM Wind
СообщениеДобавлено: 25 Май 2011, 18:58 
Не в сети
Посетитель
Посетитель
Аватар пользователя

Зарегистрирован: 06 Apr 2009, 09:47
Сообщений: 191
Поблагодарил: раз(а)
Поблагодарили: раз(а)
Скутер: ABM WIND
Выпасть может только маленький цилиндрик с пружинкой,он вставляется в центр корзины пружинкой внутрь,сальник менять не надо,если не течет, главное его аккуратно поставить , я его поправлял тонюсенькой отверточкой чтобы его не вывернуло назад. А прокладку можно не менять, я несколько раз на разных движках так делал и ничего не капало.


Вернуться наверх
 Профиль  
 
 Заголовок сообщения: Re: Обсуждение ABM Wind
СообщениеДобавлено: 25 Май 2011, 19:51 
Не в сети
Новичок
Новичок

Зарегистрирован: 17 Mar 2011, 14:13
Сообщений: 68
Откуда: Санкт-Петербург, Колпино
Поблагодарил: раз(а)
Поблагодарили: раз(а)
Скутер: Abm Wind
Стаж: 1
Хорошо, спасибо за информацию :)


Вернуться наверх
 Профиль  
 
 Заголовок сообщения: Re: Обсуждение ABM Wind
СообщениеДобавлено: 26 Май 2011, 12:33 
Не в сети
Наблюдатель

Зарегистрирован: 26 Май 2011, 12:26
Сообщений: 4
Поблагодарил: раз(а)
Поблагодарили: раз(а)
Скутер: АВМ WIND
:005 как настроить грм


Вернуться наверх
 Профиль  
 
 Заголовок сообщения: Re: Обсуждение ABM Wind
СообщениеДобавлено: 26 Май 2011, 12:49 
Не в сети
Новичок
Новичок
Аватар пользователя

Зарегистрирован: 23 Apr 2008, 14:03
Сообщений: 73
Откуда: Ярославль
Поблагодарил: раз(а)
Поблагодарили: раз(а)
ivanovskiy писал(а):
:005 как настроить грм

Например: http://motor-bike.ru/index.php?id=318

Именно, когда совпадают метки:
Изображение

в окошке в верху крышки генератора должно быть видно:
Изображение
(то что обведено овалом).
Поршень при этом должен быть в ВМТ.


Вернуться наверх
 Профиль  
 
 Заголовок сообщения: Re: Обсуждение ABM Wind
СообщениеДобавлено: 26 Май 2011, 13:16 
Не в сети
Наблюдатель

Зарегистрирован: 26 Май 2011, 12:26
Сообщений: 4
Поблагодарил: раз(а)
Поблагодарили: раз(а)
Скутер: АВМ WIND
спасибо за информацию!буду пробовать *JOKINGLY*


Вернуться наверх
 Профиль  
 
 Заголовок сообщения: Re: Обсуждение ABM Wind
СообщениеДобавлено: 26 Май 2011, 23:07 
Не в сети
Посетитель
Посетитель
Аватар пользователя

Зарегистрирован: 06 Apr 2009, 09:47
Сообщений: 191
Поблагодарил: раз(а)
Поблагодарили: раз(а)
Скутер: ABM WIND
Я поставил наконец-то стандартный CVK от 125сс скутера на 107сс и поднял иглу на одно деление.Ехать стал намного лучше чем со старым 19мм от 72сс, проездил около 10 км, проверил свечу а она светлая как при бедной смеси.Может я неправильно распорядился кучей шлангов, которые из него торчат? Из карба выходит маленький шланчик который раздваивается, я один конец подключил к впускному патрубку, там есть пипка а второй заглушил. Кто знает, так и должно быть?


Вернуться наверх
 Профиль  
 
 Заголовок сообщения: Re: Обсуждение ABM Wind
СообщениеДобавлено: 27 Май 2011, 05:44 
Из карба выходит маленький шланчик который раздваивается,один конец подключи к впускному патрубку, там есть пипка а второй к вакуумному бензоклапану ведёт,к мембране.


Вернуться наверх
  
 
 Заголовок сообщения: Re: Обсуждение ABM Wind
СообщениеДобавлено: 27 Май 2011, 07:36 
Не в сети
Посетитель
Посетитель
Аватар пользователя

Зарегистрирован: 06 Apr 2009, 09:47
Сообщений: 191
Поблагодарил: раз(а)
Поблагодарили: раз(а)
Скутер: ABM WIND
У меня крана нет, значит я его правильно заглушил, а почему смесь бедная?


Вернуться наверх
 Профиль  
 
 Заголовок сообщения: Re: Обсуждение ABM Wind
СообщениеДобавлено: 27 Май 2011, 15:01 
Подними иглу ещё на одно деление.
А вообще - вот 3 основных правила:
Смесь на малых оборотах - регулируется винтом качества смеси.
Чем выше игла - тем богаче смесь на средних оборотах
Чем больше диаметр отверстия в главном топливном жиклёре - тем богаче смесь на высоких оборотах.


Вернуться наверх
  
 
 Заголовок сообщения: Re: Обсуждение ABM Wind
СообщениеДобавлено: 27 Май 2011, 20:14 
Не в сети
Посетитель
Посетитель
Аватар пользователя

Зарегистрирован: 06 Apr 2009, 09:47
Сообщений: 191
Поблагодарил: раз(а)
Поблагодарили: раз(а)
Скутер: ABM WIND
Это понятно, но карб от 125 и жиклер я не менял, вроде на меньшей кубатуре богатить должен. а на винт качества он вообще не реагирует.


Вернуться наверх
 Профиль  
 
 Заголовок сообщения: Re: Обсуждение ABM Wind
СообщениеДобавлено: 30 Май 2011, 01:30 
Не в сети
Интересующийся
Интересующийся
Аватар пользователя

Зарегистрирован: 03 Mar 2011, 10:17
Сообщений: 19
Откуда: Москва
Поблагодарил: раз(а)
Поблагодарили: раз(а)
Скутер: Sachs MadAss 50
Стаж: 2
Mark_Avrelyi писал(а):
При следующей смене масла хочу снять боковушку мотора, которая закрывает сцепление, что бы прочистить сеточку (как бы "масляный фильтр").

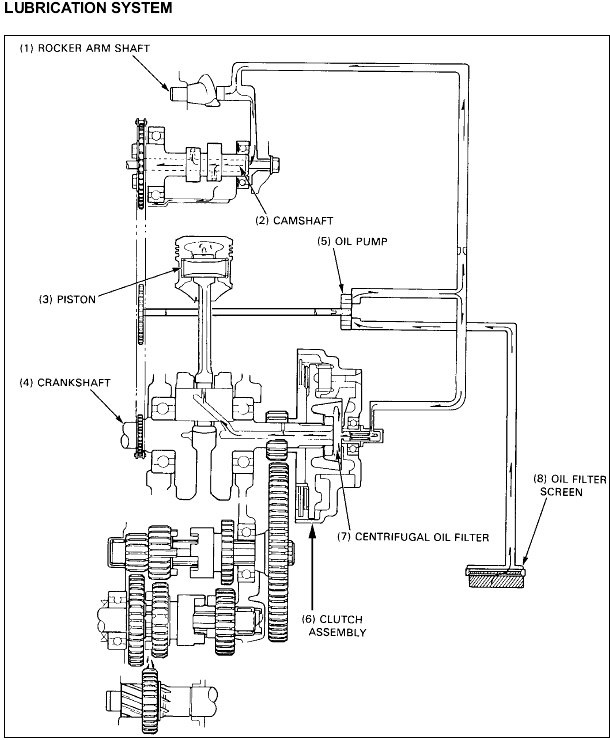
Судя по сервис-мануалу к этому двиглу, там ещё один фильтр есть - центробежный, в сцеплении. Если уж, снимать крышку, то и туда залезть неплохо-бы. Крышка на сцепе на четырех винтах. Открутить, все почистить, закрутить. Сжатый воздух не использовать (чтоб дрищ в каналы коленвала не загнать).


Вложения:
Комментарий к файлу: Под этой крышкой дрищ копится.
MA-oil-2.png
MA-oil-2.png [ 123.02 KiB | Просмотров: 3165 ]
Комментарий к файлу: Общая схема системы смазки
MA-oil-1.png
MA-oil-1.png [ 32.94 KiB | Просмотров: 3165 ]

_________________
Let's Ride! :-)
Вернуться наверх
 Профиль  
 
 Заголовок сообщения: Re: Обсуждение ABM Wind
СообщениеДобавлено: 30 Май 2011, 11:57 
Не в сети
Новичок
Новичок

Зарегистрирован: 17 Mar 2011, 14:13
Сообщений: 68
Откуда: Санкт-Петербург, Колпино
Поблагодарил: раз(а)
Поблагодарили: раз(а)
Скутер: Abm Wind
Стаж: 1
A_N_ писал(а):
Mark_Avrelyi писал(а):
При следующей смене масла хочу снять боковушку мотора, которая закрывает сцепление, что бы прочистить сеточку (как бы "масляный фильтр").

Судя по сервис-мануалу к этому двиглу, там ещё один фильтр есть - центробежный, в сцеплении. Если уж, снимать крышку, то и туда залезть неплохо-бы. Крышка на сцепе на четырех винтах. Открутить, все почистить, закрутить. Сжатый воздух не использовать (чтоб дрищ в каналы коленвала не загнать).


Спасибо за дельный совет! Если таковая крыжечка обнаружится, обязательно сниму.
P.S. из под этой крыжечки никаких пружинок и прочего не вылетает?


Вернуться наверх
 Профиль  
 
Показать сообщения за:  Сортировать по:  
Начать новую тему Ответить на тему  [ Сообщений: 3971 ]  На страницу Пред.  1 ... 213, 214, 215, 216, 217, 218, 219 ... 265  След.

Часовой пояс: UTC + 3 часа


Кто сейчас на форуме

Сейчас этот форум просматривают: нет зарегистрированных пользователей и гости: 9


Вы не можете начинать темы
Вы не можете отвечать на сообщения
Вы не можете редактировать свои сообщения
Вы не можете удалять свои сообщения
Вы не можете добавлять вложения

Перейти:  
Powered by phpBB © phpBB Group
china-scooter.ru © 2006-2019