Клуб любителей китайских скутеров

Форум клуба любителей китайских скутеров

      
Текущее время: 05 Feb 2026, 00:36

Часовой пояс: UTC + 3 часа


Правила форума


Посмотреть правила форума



Начать новую тему Ответить на тему  [ Сообщений: 834 ]  На страницу Пред.  1 ... 44, 45, 46, 47, 48, 49, 50 ... 56  След.
Автор Сообщение
 Заголовок сообщения: Re: stels skif50 (2T)
СообщениеДобавлено: 28 Mar 2011, 09:00 
Не в сети
Посетитель
Посетитель

Зарегистрирован: 05 Jul 2010, 13:23
Сообщений: 141
Поблагодарил: раз(а)
Поблагодарили: раз(а)
Скутер: Stels Zion 150
Стаж: 3
господа! вопрос есть
прикручивал приборку от скифа к своему, заработало все, кроме показаний уровня топлива
какой у вас стоит датчик топлива? двух или трех проводной?


Вернуться наверх
 Профиль  
 
 Заголовок сообщения: Re: stels skif50 (2T)
СообщениеДобавлено: 28 Mar 2011, 09:04 
Не в сети
Старожил
Старожил

Зарегистрирован: 18 Jan 2009, 14:07
Сообщений: 7631
Откуда: 69 RUS
Поблагодарил: раз(а)
Поблагодарили: раз(а)
Медали: 6
За дальнобой 2-й степени. (1) За полезные и полные ответы. (1) За тех. помощь 1-й степени (1) За тех. помощь 2-й степени (1) За статью 1-й степени. (1)
Скутер: стелс лидер-50 2т (72 cc)
Стаж: 4
Неточно. На датчик идут 2 провода, на приборе 3.


Вернуться наверх
 Профиль  
 
 Заголовок сообщения: Re: stels skif50 (2T)
СообщениеДобавлено: 28 Mar 2011, 09:49 
Не в сети
Посетитель
Посетитель

Зарегистрирован: 05 Jul 2010, 13:23
Сообщений: 141
Поблагодарил: раз(а)
Поблагодарили: раз(а)
Скутер: Stels Zion 150
Стаж: 3
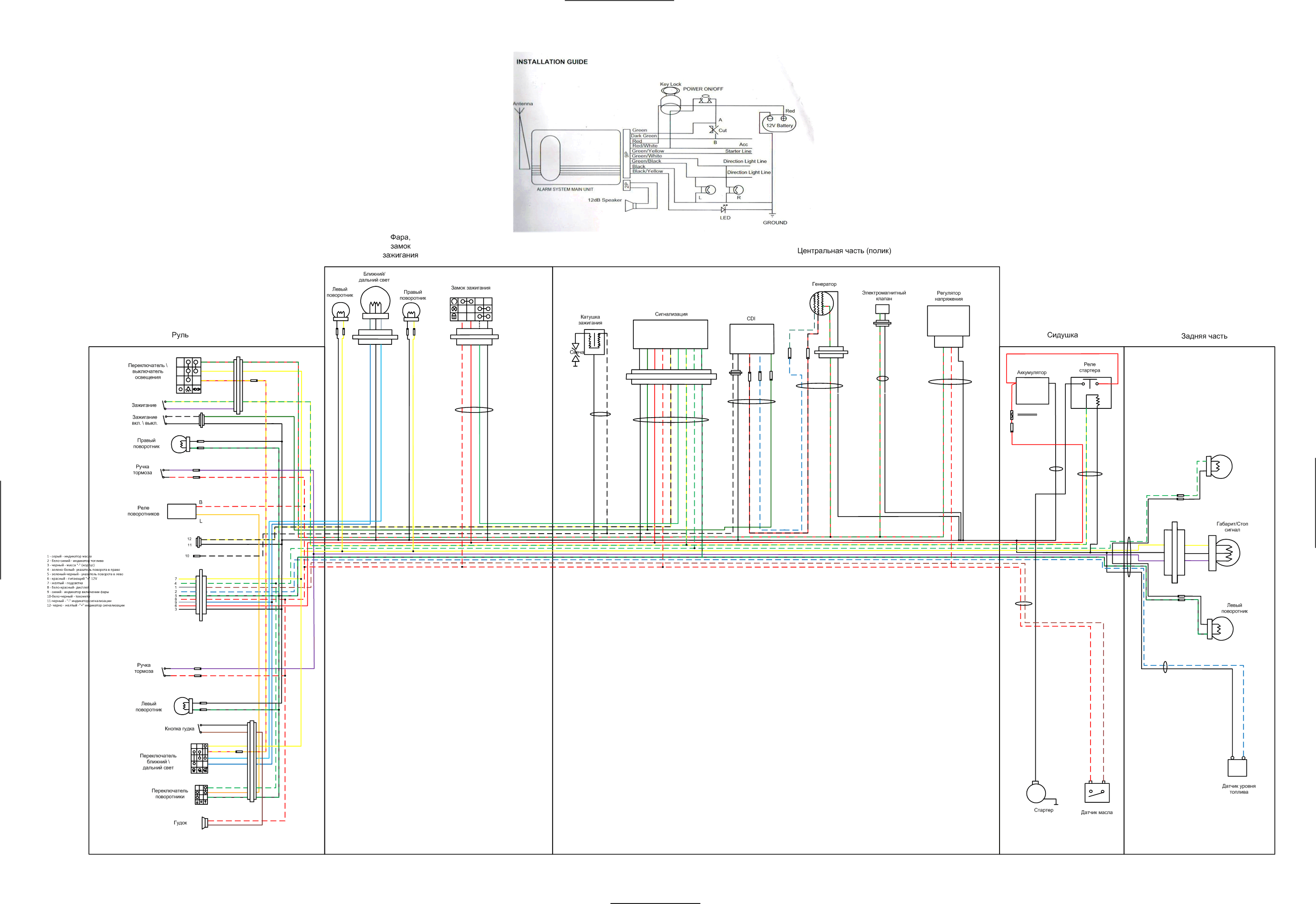
Вот я щас смотрю на схемы, и все таки у скифа два провода, у меня на викинге три...
Приборку прикручиваю электронную
Интересно, крепления в баке у нас с ним одинаковое и сам бак той же формы...


Вложения:
Комментарий к файлу: скиф
электрики Stels Skif 50 2T.gif
электрики Stels Skif 50 2T.gif [ 231.97 KiB | Просмотров: 3099 ]
Комментарий к файлу: похоже на мою
JPG.jpg
JPG.jpg [ 203.51 KiB | Просмотров: 3099 ]
Вернуться наверх
 Профиль  
 
 Заголовок сообщения: Re: stels skif50 (2T)
СообщениеДобавлено: 28 Mar 2011, 10:12 
Не в сети
Старожил
Старожил

Зарегистрирован: 18 Jan 2009, 14:07
Сообщений: 7631
Откуда: 69 RUS
Поблагодарил: раз(а)
Поблагодарили: раз(а)
Медали: 6
За дальнобой 2-й степени. (1) За полезные и полные ответы. (1) За тех. помощь 1-й степени (1) За тех. помощь 2-й степени (1) За статью 1-й степени. (1)
Скутер: стелс лидер-50 2т (72 cc)
Стаж: 4
Мда, датчик топлива посути переменный резистор, играет от от массы, масса обязательно, то есть минус, снимается неполный минус (сигнал), прибор обязательно имеет плюс и к нему обязательно подходит сигнальный минус с датчика.
Вот, датчик- переменный резистор и может работать как с 2-я проводами, так и с 3-я, с 3-я более точно. Так же и прибор, на нем обычно всегда 3 провода, для более правильного удержания стрелки. Хотя и и на 2-х работает.
На прибор + и - можно подавать постоянно из любова места, как собственно на скифе и сделано, на датчик подан постаянный минус и сигнальный идет прямиком на прибор. + необязателен.
В общем тебе надо подать сигнал с датчика и проверить чтоб на датчик шел минус, 3-й провод можно не использовать вообще или подключить просто на +.


Вернуться наверх
 Профиль  
 
 Заголовок сообщения: Re: stels skif50 (2T)
СообщениеДобавлено: 30 Mar 2011, 14:15 
Не в сети
Интересующийся
Интересующийся

Зарегистрирован: 07 Jun 2010, 11:12
Сообщений: 12
Откуда: Москва "Останкино"
Поблагодарил: раз(а)
Поблагодарили: раз(а)
Скутер: STELS Skif 502T
Стаж: 10
Zipper писал(а):
kawa писал(а):
Господа помогите!!!! Если Скифыч стоит больше двух недель то под ним со стороны воздушного фильтра появляеться лужица масла и со временем растёт. Масло вытекает через воздушный фильтр. ЧТО ДЕЛАТЬ !!!!! Просто за зиму оно всё нафиг вытечет.!

У меня такая же ерунда. Каждую неделю приходиться отмывать фильтр. Также масло течет. Народ как с этим бороться, куда лазить? Я пока ничего не трогал.


Снял карб, прочистил, промыл, продул весь. Помыл фильтр смазал, ну думаю вот и счастье. Подхожу к скуту а с трубки которая подаёт масло в карб натекла лужица. И понял, что надо капнуть глубже. От масло бака идёт шланг скроее всего на клапан а уже оттуда в карб. А добраться не получаеться из-за рамы. По идее надо снимать движок. Как и, что придёться менять????

_________________
Жизнь дала трещину и стала похожа на жопу!


Вернуться наверх
 Профиль  
 
 Заголовок сообщения: Re: stels skif50 (2T)
СообщениеДобавлено: 30 Mar 2011, 16:38 
Не в сети
Старожил
Старожил

Зарегистрирован: 18 Jan 2009, 14:07
Сообщений: 7631
Откуда: 69 RUS
Поблагодарил: раз(а)
Поблагодарили: раз(а)
Медали: 6
За дальнобой 2-й степени. (1) За полезные и полные ответы. (1) За тех. помощь 1-й степени (1) За тех. помощь 2-й степени (1) За статью 1-й степени. (1)
Скутер: стелс лидер-50 2т (72 cc)
Стаж: 4
Кава, из бачка идет на насос, постарайся найти место откуда подтекает, если шланги в норме то насос потек, тут его никто не ремонтировал. И я свой просто отключил сдернув шланги и лью масло в бак, а что еще делать масло то дорогое.


Вернуться наверх
 Профиль  
 
 Заголовок сообщения: Re: stels skif50 (2T)
СообщениеДобавлено: 30 Mar 2011, 19:48 
Не в сети
Новичок
Новичок

Зарегистрирован: 31 Jan 2011, 18:13
Сообщений: 71
Откуда: ижевск
Поблагодарил: раз(а)
Поблагодарили: раз(а)
Скутер: Stels Tactic72
Стаж: 1сезон+мото5 лет
У меня на тактике была такая проблема,после стоянки под ним лужа масла появлялась. Протекал насос,по валу который регулирует подачу масла. Вылечил заменой насоса.


Вернуться наверх
 Профиль  
 
 Заголовок сообщения: Re: stels skif50 (2T)
СообщениеДобавлено: 30 Mar 2011, 20:35 
Не в сети
Старожил
Старожил

Зарегистрирован: 18 Jan 2009, 14:07
Сообщений: 7631
Откуда: 69 RUS
Поблагодарил: раз(а)
Поблагодарили: раз(а)
Медали: 6
За дальнобой 2-й степени. (1) За полезные и полные ответы. (1) За тех. помощь 1-й степени (1) За тех. помощь 2-й степени (1) За статью 1-й степени. (1)
Скутер: стелс лидер-50 2т (72 cc)
Стаж: 4
Вот вот, зимой перебрал двигатель, бачек снимал шланги заткнул чтоб масло не вытекло, когда все собрал и подцепил шланги обнаружилась лужица капель 10, дальше больше, все шланги и бачек проверил - норма, значит насос и похоже именно в том месте. шланги сцепил меджу собой, на карб заглушку, бачек снял и мешаю масло с бензином. Новый насос 1000р - дорого, да и менять неудобно. Старый можно починить, но будет туго регулятор ходить сколько будет лить ХЗ, уж лучше масло в бак.


Вернуться наверх
 Профиль  
 
 Заголовок сообщения: Re: stels skif50 (2T)
СообщениеДобавлено: 30 Mar 2011, 21:32 
Не в сети
Новичок
Новичок

Зарегистрирован: 31 Jan 2011, 18:13
Сообщений: 71
Откуда: ижевск
Поблагодарил: раз(а)
Поблагодарили: раз(а)
Скутер: Stels Tactic72
Стаж: 1сезон+мото5 лет
Я насос новый за 540 покупал,с заменой вот помучался пришлось изготавливать съемник генератора. А за 1000 тоже бы не стал новый насос покупать,уж лучше масло в бак и без проблем :)


Вернуться наверх
 Профиль  
 
 Заголовок сообщения: Re: stels skif50 (2T)
СообщениеДобавлено: 19 Apr 2011, 08:40 
Не в сети
Посетитель
Посетитель

Зарегистрирован: 05 Jul 2010, 13:23
Сообщений: 141
Поблагодарил: раз(а)
Поблагодарили: раз(а)
Скутер: Stels Zion 150
Стаж: 3
товарищи!
я все мучаюсь с датчиком уровня топлива...
предложенный вариант funix не подошел, показывает только пустой бак или почти полный (одного деления не хватает).
скорее всего там разное сопротивление. у кого электрическая приборка и кто может померить сопротивления и сказать какое на максимуме, какое на минимуме?
был в магазине, там сказали что лучше уточнить, какое сопротивление и на месте подобрать нужный. Я конечно верю в душе что там не особо паряться и скорее всего все трехконтактные и двухконтактные сделаны одинаково, но все же :)


Вернуться наверх
 Профиль  
 
 Заголовок сообщения: Re: Все о Skif'e
СообщениеДобавлено: 20 Apr 2011, 11:01 
Не в сети
Наблюдатель

Зарегистрирован: 19 Apr 2011, 23:12
Сообщений: 5
Поблагодарил: раз(а)
Поблагодарили: раз(а)
Скутер: Stels skif
Стаж: 2 года
Ребят, помогите. Порвался тросик подачи масла от ручки дросселя. Купил новый и поставил, только вот не могу подсоединить к движку. Может кто сказать? Ворвался под днищем куда соединять хз.
Как оптимально настроить подачу масла в камеру? Пробег 3000. На какую лампочку можно заменить стандартную впереди? Чтоб поярче было?


Вернуться наверх
 Профиль  
 
 Заголовок сообщения: Re: Все о Skif'e
СообщениеДобавлено: 21 Apr 2011, 20:40 
Не в сети
Бывалый
Бывалый
Аватар пользователя

Зарегистрирован: 05 Jan 2010, 22:26
Сообщений: 323
Откуда: Курская область, город Дмитриев-Льговский
Поблагодарил: раз(а)
Поблагодарили: раз(а)
Медали: 1
За полезные и полные ответы. (1)
Скутер: Stels Leader 72cc 2т
Стаж: 3 года
kovinev писал(а):
Ребят, помогите. Порвался тросик подачи масла от ручки дросселя. Купил новый и поставил, только вот не могу подсоединить к движку. Может кто сказать? Ворвался под днищем куда соединять хз.
Как оптимально настроить подачу масла в камеру?

заходишь со стороны генератора, снимаешь кожух двигателя и видишь насосик к которому идет шланг с бачка с маслом... думаю сам потом разберешься :)
а настроить можно по метке, которая находится на масляном насосе, куда присоединяется тросик.

_________________
Malossi "MULTIVAR"
Malossi "VENTILVAR"
Malossi "RED SPONGE"
ЦПГ Malossi "SPORT"
Карбон. лепестки Malossi
Коленвал Stage6 HPC
Malossi Special Belt
Комплект подшипников+сальников S6
Malossi Dellorto 19mm=>84 км/ч


Вернуться наверх
 Профиль  
 
 Заголовок сообщения: Re: Все о Skif'e
СообщениеДобавлено: 26 Apr 2011, 19:54 
Не в сети
Наблюдатель

Зарегистрирован: 12 Feb 2011, 18:38
Сообщений: 6
Поблагодарил: раз(а)
Поблагодарили: раз(а)
Скутер: Stels Skif
Стаж: 3 год
Вопросик!
Сколько должен переть скифак при пробеге 1900 км.???


Вернуться наверх
 Профиль  
 
 Заголовок сообщения: Re: Все о Skif'e
СообщениеДобавлено: 26 Apr 2011, 20:11 
Не в сети
Старожил
Старожил

Зарегистрирован: 18 Jan 2009, 14:07
Сообщений: 7631
Откуда: 69 RUS
Поблагодарил: раз(а)
Поблагодарили: раз(а)
Медали: 6
За дальнобой 2-й степени. (1) За полезные и полные ответы. (1) За тех. помощь 1-й степени (1) За тех. помощь 2-й степени (1) За статью 1-й степени. (1)
Скутер: стелс лидер-50 2т (72 cc)
Стаж: 4
65-67 км/ч


Вернуться наверх
 Профиль  
 
 Заголовок сообщения: Re: Все о Skif'e
СообщениеДобавлено: 26 Apr 2011, 20:28 
Не в сети
Наблюдатель

Зарегистрирован: 12 Feb 2011, 18:38
Сообщений: 6
Поблагодарил: раз(а)
Поблагодарили: раз(а)
Скутер: Stels Skif
Стаж: 3 год
по спидометру или ЖПС?


Вернуться наверх
 Профиль  
 
Показать сообщения за:  Сортировать по:  
Начать новую тему Ответить на тему  [ Сообщений: 834 ]  На страницу Пред.  1 ... 44, 45, 46, 47, 48, 49, 50 ... 56  След.

Часовой пояс: UTC + 3 часа


Кто сейчас на форуме

Сейчас этот форум просматривают: нет зарегистрированных пользователей и гости: 2


Вы не можете начинать темы
Вы не можете отвечать на сообщения
Вы не можете редактировать свои сообщения
Вы не можете удалять свои сообщения
Вы не можете добавлять вложения

Перейти:  
cron
Powered by phpBB © phpBB Group
china-scooter.ru © 2006-2019