Клуб любителей китайских скутеров

Форум клуба любителей китайских скутеров

      
Текущее время: 26 Mar 2026, 09:24

Часовой пояс: UTC + 3 часа


Правила форума


Посмотреть правила форума



Начать новую тему Ответить на тему  [ Сообщений: 834 ]  На страницу Пред.  1 ... 50, 51, 52, 53, 54, 55, 56  След.
Автор Сообщение
 Заголовок сообщения: Re: Все о Skif'e
СообщениеДобавлено: 17 Aug 2012, 11:53 
Не в сети
Старожил
Старожил

Зарегистрирован: 18 Jan 2009, 14:07
Сообщений: 7631
Откуда: 69 RUS
Поблагодарил: раз(а)
Поблагодарили: раз(а)
Медали: 6
За дальнобой 2-й степени. (1) За полезные и полные ответы. (1) За тех. помощь 1-й степени (1) За тех. помощь 2-й степени (1) За статью 1-й степени. (1)
Скутер: стелс лидер-50 2т (72 cc)
Стаж: 4
Есть мудрецы которые заткнув входной патрубок цилиндр компрессором надувают :-D Но лучше это делать визуально, снять вариатор с бендиксом и посмотреть с одной стороны и снять генератор, пластину, шестерню маслонасоса с другой. Долго, но симптом очень похож, все равно наверно разбирать придется.


Вернуться наверх
 Профиль  
 
 Заголовок сообщения: Re: Все о Skif'e
СообщениеДобавлено: 17 Aug 2012, 16:10 
Не в сети
Новичок
Новичок
Аватар пользователя

Зарегистрирован: 05 Aug 2009, 10:12
Сообщений: 78
Поблагодарил: раз(а)
Поблагодарили: раз(а)
Скутер: Stels skif 50 2T
Стаж: С 1ого августа 2009
funix
Спасибо. На выходных буду разбираться


Вернуться наверх
 Профиль  
 
 Заголовок сообщения: Re: Все о Skif'e
СообщениеДобавлено: 28 Aug 2012, 11:48 
Не в сети
Наблюдатель
Аватар пользователя

Зарегистрирован: 28 Aug 2012, 11:00
Сообщений: 2
Поблагодарил: раз(а)
Поблагодарили: раз(а)
Скутер: Stels Skif 50 2T
Стаж: 3
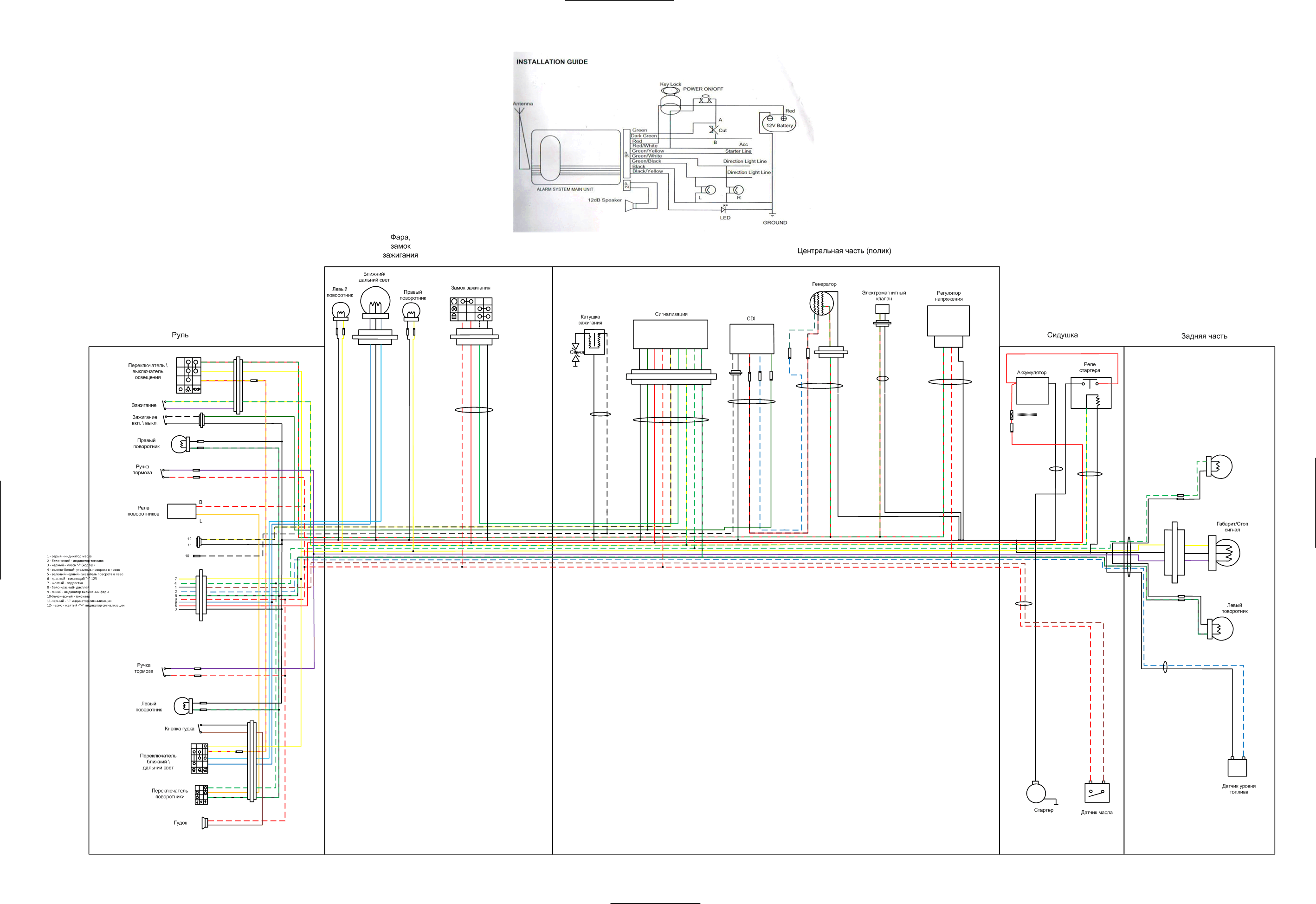
Схема STELS SKIF 50 2T и ALFA 50 (совпадает со СКИФ-ом), пользовался схемой ALFA т.к. она легко читается.


Вложения:
Alpha_50_electric_1.gif
Alpha_50_electric_1.gif [ 971.71 KiB | Просмотров: 8025 ]
электрики Stels Skif 50 2T.gif
электрики Stels Skif 50 2T.gif [ 231.97 KiB | Просмотров: 8025 ]
Вернуться наверх
 Профиль  
 
 Заголовок сообщения: Re: Все о Skif'e
СообщениеДобавлено: 28 Aug 2012, 17:56 
Не в сети
Наблюдатель
Аватар пользователя

Зарегистрирован: 28 Aug 2012, 11:00
Сообщений: 2
Поблагодарил: раз(а)
Поблагодарили: раз(а)
Скутер: Stels Skif 50 2T
Стаж: 3
Если кому нужно фирменное Руководство по ремонту и обслуживанию скутеров STELS переходите по ссылке http://yadi.sk/d/jJE2_4Gg5I7Rz


Последний раз редактировалось Vasjan 29 Май 2013, 14:30, всего редактировалось 1 раз.

Вернуться наверх
 Профиль  
 
 Заголовок сообщения: Re: Все о Skif'e
СообщениеДобавлено: 15 Sep 2012, 20:50 
Не в сети
Интересующийся
Интересующийся

Зарегистрирован: 21 Dec 2009, 23:48
Сообщений: 35
Откуда: г.Москва
Поблагодарил: раз(а)
Поблагодарили: раз(а)
Скутер: stels skif 50
Стаж: 9
как называется эта часть пластика(см фото та что с символом s )на stels skif, спрашиваю для того как искать для покупки моя треснула!(


Вложения:
290720121237.jpg
290720121237.jpg [ 48.15 KiB | Просмотров: 8008 ]
Вернуться наверх
 Профиль  
 
 Заголовок сообщения: Re: Все о Skif'e
СообщениеДобавлено: 18 Sep 2012, 12:52 
Не в сети
Старожил
Старожил

Зарегистрирован: 18 Jan 2009, 14:07
Сообщений: 7631
Откуда: 69 RUS
Поблагодарил: раз(а)
Поблагодарили: раз(а)
Медали: 6
За дальнобой 2-й степени. (1) За полезные и полные ответы. (1) За тех. помощь 1-й степени (1) За тех. помощь 2-й степени (1) За статью 1-й степени. (1)
Скутер: стелс лидер-50 2т (72 cc)
Стаж: 4
Будешь смеятся, но в некоторых магазинах это ветровое стекло.
В других обтекатель панели приборов. Как правильно не помню.


Вернуться наверх
 Профиль  
 
 Заголовок сообщения: Re: Все о Skif'e
СообщениеДобавлено: 19 Sep 2012, 06:06 
Не в сети
Бывалый
Бывалый
Аватар пользователя

Зарегистрирован: 01 Feb 2008, 20:48
Сообщений: 302
Поблагодарил: раз(а)
Поблагодарили: раз(а)
Скачай каталог запчастей STELS SKIF 50 или Tactic 50
http://velomotors.ru/stels/index.php?op ... 7&cat_id=9
пригодится.

_________________
Stels Tactic 65cc(запилинг)
Malossi Dellorto PHBN 17.5(ГТЖ 72)
Запил сток. ЛК,лепестки стеклотекстолит 0.35мм
Malossi Multivar,Malossi Ventilvar,7.5 гр
Dayco 7175,белая-торк,желтые-сцепление 297715
Hella micro de,ксенон 2*25W 3000K
Pirelli GTS23/24


Вернуться наверх
 Профиль  
 
 Заголовок сообщения: Re: Все о Skif'e
СообщениеДобавлено: 19 Sep 2012, 06:48 
Не в сети
Старожил
Старожил

Зарегистрирован: 18 Jan 2009, 14:07
Сообщений: 7631
Откуда: 69 RUS
Поблагодарил: раз(а)
Поблагодарили: раз(а)
Медали: 6
За дальнобой 2-й степени. (1) За полезные и полные ответы. (1) За тех. помощь 1-й степени (1) За тех. помощь 2-й степени (1) За статью 1-й степени. (1)
Скутер: стелс лидер-50 2т (72 cc)
Стаж: 4
Так и есть, ветровое стекло по скутер-сити http://www.scooter-city.ru/spares/n-57/n-28574/n-9143/n-9142.html


Вернуться наверх
 Профиль  
 
 Заголовок сообщения: Re: Все о Skif'e
СообщениеДобавлено: 29 Sep 2012, 12:04 
Не в сети
Наблюдатель

Зарегистрирован: 13 Sep 2012, 09:22
Сообщений: 2
Поблагодарил: раз(а)
Поблагодарили: раз(а)
Скутер: QJIANG QJ50QT-2G
Доброго времени суток. Подскажите пожалуйста, для чего нужны и какую роль выполняют вот эти две резиновые заглушки в корпусе вариатора?


Вложения:
Вариатор.JPG
Вариатор.JPG [ 139.49 KiB | Просмотров: 7951 ]
Вернуться наверх
 Профиль  
 
 Заголовок сообщения: Re: Все о Skif'e
СообщениеДобавлено: 29 Sep 2012, 14:05 
Не в сети
Старожил
Старожил

Зарегистрирован: 18 Jan 2009, 14:07
Сообщений: 7631
Откуда: 69 RUS
Поблагодарил: раз(а)
Поблагодарили: раз(а)
Медали: 6
За дальнобой 2-й степени. (1) За полезные и полные ответы. (1) За тех. помощь 1-й степени (1) За тех. помощь 2-й степени (1) За статью 1-й степени. (1)
Скутер: стелс лидер-50 2т (72 cc)
Стаж: 4
Кожух охлаждения цилиндра в них вставлен.


Вернуться наверх
 Профиль  
 
 Заголовок сообщения: Re: Все о Skif'e
СообщениеДобавлено: 20 Jan 2013, 19:34 
Не в сети
Наблюдатель

Зарегистрирован: 29 Jan 2012, 16:07
Сообщений: 2
Поблагодарил: раз(а)
Поблагодарили: раз(а)
Скутер: Stels Skif-50
Стаж: 6
Здравствуйте.Может тема поднималась много раз,но к сожалению не нашел.У меня стелс скиф 50,2012 год,проблема с подтеканием масла.Сначала текло из под уровня на масляном бачке сделал,теперь течет в районе маслянного насоса.Понял что надо менять.Хочу спросить у того кто менял:1)Надо ли снимать ротор генератора?Если да,то каким сьемником подойдет ли сьемник ротора от ямахи диаметр 27 левая резьба?Второе,кто как откручивал гайку ротора?Получается надо снимать крышку вариатора и блокировать вариатор,соответственно тоже нужна спецуха,вопрос где в москве можно купить фиксатор?3)Вопрос после того,как все соберу как прокачать насос и как выглядят метки насоса и дросселя?


Вернуться наверх
 Профиль  
 
 Заголовок сообщения: Re: Все о Skif'e
СообщениеДобавлено: 21 Jan 2013, 09:28 
Не в сети
Старожил
Старожил

Зарегистрирован: 18 Jan 2009, 14:07
Сообщений: 7631
Откуда: 69 RUS
Поблагодарил: раз(а)
Поблагодарили: раз(а)
Медали: 6
За дальнобой 2-й степени. (1) За полезные и полные ответы. (1) За тех. помощь 1-й степени (1) За тех. помощь 2-й степени (1) За статью 1-й степени. (1)
Скутер: стелс лидер-50 2т (72 cc)
Стаж: 4
От ямахи подойдет, но можно и молотком потихоньку обстучать, у меня слез без проблем. Как насос снимать не помню, я снимал ротор и статор, болты глубоко и возможно ушки соединения половинок насоса помешают, нужно смотреть.
Вариатор фиксировать не нужно (можно свернуть коленвал), нужно фиксировать сам ротор, спец ключем для снятия вазовских амортов (вроде) или закрутить болты в ротор и вставить монтажку уперев ее в ось двигателя , резьба правая.

А течет обычно в месте соединения 2х половинок насоса, часто гнется (силумин) и течет при установке джоговской цпг (спиливать нужно ребро побольше)

А лучше мешать масло с бензином, чем платить рубль за новый насос.


Вернуться наверх
 Профиль  
 
 Заголовок сообщения: Re: Все о Skif'e
СообщениеДобавлено: 21 Jan 2013, 09:54 
Не в сети
Наблюдатель

Зарегистрирован: 29 Jan 2012, 16:07
Сообщений: 2
Поблагодарил: раз(а)
Поблагодарили: раз(а)
Скутер: Stels Skif-50
Стаж: 6
funix писал(а):
Вариатор фиксировать не нужно (можно свернуть коленвал), нужно фиксировать сам ротор, спец ключем для снятия вазовских амортов (вроде) или закрутить болты в ротор и вставить монтажку уперев ее в ось двигателя , резьба правая.

А течет обычно в месте соединения 2х половинок насоса, часто гнется (силумин) и течет при установке джоговской цпг (спиливать нужно ребро побольше)
В скутер я еще не лез,поршневая скифовская у меня всего пробег 150 километров,но масла проливаться на пол в гараже замучило.Так бы и не заморачивался,на работе гаек и болтов накрутиться хватает.А болты вкручиваешь в резьбу крыльчатки?


Вернуться наверх
 Профиль  
 
 Заголовок сообщения: Re: Все о Skif'e
СообщениеДобавлено: 21 Jan 2013, 10:23 
Не в сети
Старожил
Старожил

Зарегистрирован: 18 Jan 2009, 14:07
Сообщений: 7631
Откуда: 69 RUS
Поблагодарил: раз(а)
Поблагодарили: раз(а)
Медали: 6
За дальнобой 2-й степени. (1) За полезные и полные ответы. (1) За тех. помощь 1-й степени (1) За тех. помощь 2-й степени (1) За статью 1-й степени. (1)
Скутер: стелс лидер-50 2т (72 cc)
Стаж: 4
Да, крыльчатку снять и пару болтов обратно вкрутить.


Вернуться наверх
 Профиль  
 
 Заголовок сообщения: Re: Все о Skif'e
СообщениеДобавлено: 13 Feb 2013, 19:07 
Не в сети
Посетитель
Посетитель
Аватар пользователя

Зарегистрирован: 27 Jan 2008, 20:48
Сообщений: 138
Откуда: Покров
Поблагодарил: раз(а)
Поблагодарили: раз(а)
Скутер: Стелсы: Триггер 50,Тактик 50,Скиф 50,Вортекс 150,
Стаж: с 2007 года
Ребятки, помогите пожалуйста, как у этого головастика стартер снять??


Вернуться наверх
 Профиль  
 
Показать сообщения за:  Сортировать по:  
Начать новую тему Ответить на тему  [ Сообщений: 834 ]  На страницу Пред.  1 ... 50, 51, 52, 53, 54, 55, 56  След.

Часовой пояс: UTC + 3 часа


Кто сейчас на форуме

Сейчас этот форум просматривают: нет зарегистрированных пользователей и гости: 3


Вы не можете начинать темы
Вы не можете отвечать на сообщения
Вы не можете редактировать свои сообщения
Вы не можете удалять свои сообщения
Вы не можете добавлять вложения

Перейти:  
Powered by phpBB © phpBB Group
china-scooter.ru © 2006-2019