Клуб любителей китайских скутеров

Форум клуба любителей китайских скутеров

      
Текущее время: 28 Apr 2026, 06:52

Часовой пояс: UTC + 3 часа


Правила форума


Посмотреть правила форума



Начать новую тему Ответить на тему  [ Сообщений: 15 ] 
Автор Сообщение
 Заголовок сообщения: РН + DC-DC преобразователь
СообщениеДобавлено: 15 Aug 2018, 16:13 
Не в сети
Новичок
Новичок
Аватар пользователя

Зарегистрирован: 09 Apr 2009, 16:28
Сообщений: 72
Откуда: Москва
Поблагодарил: раз(а)
Поблагодарили: раз(а)
Скутер: Хонлинг Навигатор QT13
Стаж: 4
Перестал, а точнее не держит заряд аккумулятор. Проверил напряжения на аккумулятор 18 вольт. Поменял Регулятор Напряжения, тоже самое (но, как говорят новое не значит рабочее). Но ладно, вопрос не в этом. Есть у меня DC-DC преобразователь 1.2-32 вольт, 5-ть ампер.

Понятно, что от Регулятора идет 18 вольт (для преобразователя это не страшно) а вот сколько ампер, и не понятно. И вот когда запускаешь мотор стартером, напряжения, ток идет от аккумулятора к стартеру, а идет ли напряжения, ток обратно к Регулятору ?

Просто можно поставить DC-DC в разрыв после РН, и отрегулировать напряжентя, ток идущий к аккумулятору и с зарядкой проблем не будет.

Вопрос идет ли напряжения обратно, если да то DC-DC сгорит, и все это напрасно.


Вернуться наверх
 Профиль  
 
 Заголовок сообщения: Re: РН + DC-DC преобразователь
СообщениеДобавлено: 15 Aug 2018, 17:17 
Не в сети
Старожил
Старожил

Зарегистрирован: 08 Jul 2009, 18:07
Сообщений: 3186
Откуда: Беларусь
Поблагодарил: раз(а)
Поблагодарили: раз(а)
Медали: 4
За полезные и полные ответы. (1) За тех. помощь 1-й степени (1) За тех. помощь 2-й степени (1) За вклад в развитие клуба (1)
Скутер: Hors 154\ 157QMJ\RC125T-9X\152QMJ
Navigator писал(а):
И вот когда запускаешь мотор стартером, напряжения, ток идет от аккумулятора к стартеру, а идет ли напряжения, ток обратно к Регулятору ?

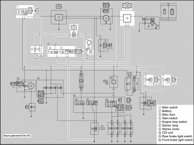
схема, неважно что не твоя, белым веделено, какие элементы участвуют download/file.php?id=22798&t=1

_________________
„Изучай правила, чтобы знать, как правильно их нарушить.“
„Мир несовершенен, поскольку мы несовершенны.“


Вернуться наверх
 Профиль  
 
 Заголовок сообщения: Re: РН + DC-DC преобразователь
СообщениеДобавлено: 16 Aug 2018, 01:04 
Не в сети
Старожил
Старожил
Аватар пользователя

Зарегистрирован: 24 Oct 2010, 23:54
Сообщений: 1600
Откуда: Раменское
Поблагодарил: раз(а)
Поблагодарили: раз(а)
Медали: 4
За полезные и полные ответы. (1) За тех. помощь 1-й степени (1) За тех. помощь 2-й степени (1) За грамотность (1)
Скутер: Haobon qt10, S ZNEN-King, Рига-26
Стаж: C89
Navigator писал(а):
а вот сколько ампер, и не понятно.

Если 139-й то DC-DC надо искать 40V 8A, на 152-157-й однофазный 40V10А, на трёхфазник 30V15А.


Вернуться наверх
 Профиль  
 
 Заголовок сообщения: Re: РН + DC-DC преобразователь
СообщениеДобавлено: 16 Aug 2018, 01:36 
Не в сети
Старожил
Старожил
Аватар пользователя

Зарегистрирован: 18 Oct 2010, 06:21
Сообщений: 2538
Откуда: Кубань
Поблагодарил: раз(а)
Поблагодарили: раз(а)
Медали: 4
За полезные и полные ответы. (1) За тех. помощь 1-й степени (1) За тех. помощь 2-й степени (1) За вклад в развитие клуба (1)
Скутер: RACER uragan- 82сс.
Стаж: ***
Navigator писал(а):
Перестал, а точнее не держит заряд аккумулятор. Проверил напряжения на аккумулятор 18 вольт. Поменял Регулятор Напряжения
А может АКБ дохлый?

_________________
"Добрым словом и револьвером, вы добьетесь намного большего.... чем одним добрым словом"
...Пишу с ошибками, читаю по слогам.


Вернуться наверх
 Профиль  
 
 Заголовок сообщения: Re: РН + DC-DC преобразователь
СообщениеДобавлено: 16 Aug 2018, 06:23 
Не в сети
Новичок
Новичок
Аватар пользователя

Зарегистрирован: 09 Apr 2009, 16:28
Сообщений: 72
Откуда: Москва
Поблагодарил: раз(а)
Поблагодарили: раз(а)
Скутер: Хонлинг Навигатор QT13
Стаж: 4
AVK-73 писал(а):
Navigator писал(а):
а вот сколько ампер, и не понятно.

Если 139-й то DC-DC надо искать 40V 8A, на 152-157-й однофазный 40V10А, на трёхфазник 30V15А.

Да 139-й. Зачем 40в 8А, после РН идет на вход преобразователя 18в А?, да и сколько Ампер входит на dc-dc не важно, главное чтобы на выходе не привышало 5А. На выходе будет 14в 1А.

Вопрос то совсем в другом. Пойдет ли в обратку от аккумулятора на dc-dc при запуске мотора, стартером ?


Последний раз редактировалось Navigator 16 Aug 2018, 06:30, всего редактировалось 1 раз.

Вернуться наверх
 Профиль  
 
 Заголовок сообщения: Re: РН + DC-DC преобразователь
СообщениеДобавлено: 16 Aug 2018, 06:25 
Не в сети
Новичок
Новичок
Аватар пользователя

Зарегистрирован: 09 Apr 2009, 16:28
Сообщений: 72
Откуда: Москва
Поблагодарил: раз(а)
Поблагодарили: раз(а)
Скутер: Хонлинг Навигатор QT13
Стаж: 4
ДОМОВОЙ писал(а):
Navigator писал(а):
Перестал, а точнее не держит заряд аккумулятор. Проверил напряжения на аккумулятор 18 вольт. Поменял Регулятор Напряжения
А может АКБ дохлый?

Да, дохлый. Потому что на него шло 18в. Новый поставил, посмотрел напряжения, снял, чтобы опять не сдох.


Вернуться наверх
 Профиль  
 
 Заголовок сообщения: Re: РН + DC-DC преобразователь
СообщениеДобавлено: 16 Aug 2018, 07:09 
Не в сети
Новичок
Новичок
Аватар пользователя

Зарегистрирован: 09 Apr 2009, 16:28
Сообщений: 72
Откуда: Москва
Поблагодарил: раз(а)
Поблагодарили: раз(а)
Скутер: Хонлинг Навигатор QT13
Стаж: 4
Hors писал(а):
Navigator писал(а):
И вот когда запускаешь мотор стартером, напряжения, ток идет от аккумулятора к стартеру, а идет ли напряжения, ток обратно к Регулятору ?

схема, неважно что не твоя, белым веделено, какие элементы участвуют download/file.php?id=22798&t=1

Спасибо, но картинка мала, при увеличении все размыта.


Вернуться наверх
 Профиль  
 
 Заголовок сообщения: Re: РН + DC-DC преобразователь
СообщениеДобавлено: 16 Aug 2018, 19:09 
Не в сети
Старожил
Старожил

Зарегистрирован: 08 Jul 2009, 18:07
Сообщений: 3186
Откуда: Беларусь
Поблагодарил: раз(а)
Поблагодарили: раз(а)
Медали: 4
За полезные и полные ответы. (1) За тех. помощь 1-й степени (1) За тех. помощь 2-й степени (1) За вклад в развитие клуба (1)
Скутер: Hors 154\ 157QMJ\RC125T-9X\152QMJ
Navigator писал(а):
Спасибо, но картинка мала, при увеличении все размыта.


viewtopic.php?p=463588#p463588

_________________
„Изучай правила, чтобы знать, как правильно их нарушить.“
„Мир несовершенен, поскольку мы несовершенны.“


Вернуться наверх
 Профиль  
 
 Заголовок сообщения: Re: РН + DC-DC преобразователь
СообщениеДобавлено: 16 Aug 2018, 21:10 
Не в сети
Новичок
Новичок
Аватар пользователя

Зарегистрирован: 09 Apr 2009, 16:28
Сообщений: 72
Откуда: Москва
Поблагодарил: раз(а)
Поблагодарили: раз(а)
Скутер: Хонлинг Навигатор QT13
Стаж: 4
Ответа нет, на вопрос. Схему смотрел, не мое.

Поставлю, dc-dc преобразователь (понижающий) на зарядку аккумулятора, если сгорит, вариант с dc-dc не рабочий, если нет значит вариант хороший.

Может есть, реле, или еще что нибудь, которое предотвращает напряжению идти в обратную сторону ?


Вернуться наверх
 Профиль  
 
 Заголовок сообщения: Re: РН + DC-DC преобразователь
СообщениеДобавлено: 16 Aug 2018, 21:35 
Не в сети
Старожил
Старожил
Аватар пользователя

Зарегистрирован: 24 Sep 2010, 16:01
Сообщений: 3173
Откуда: Челябинск
Поблагодарил: раз(а)
Поблагодарили: раз(а)
Медали: 3
За полезные и полные ответы. (1) За продвижение мототехники (1) За грамотность (1)
Скутер: САНЯ-400, volkan-150 ABM
Стаж: 1974
Ничего страшного ...ставь...

_________________
Еще из глубин космоса...метеорит знал куда полетит... так-как лучшего места не смог найти


Вернуться наверх
 Профиль  
 
 Заголовок сообщения: Re: РН + DC-DC преобразователь
СообщениеДобавлено: 16 Aug 2018, 21:43 
Не в сети
Старожил
Старожил

Зарегистрирован: 08 Jul 2009, 18:07
Сообщений: 3186
Откуда: Беларусь
Поблагодарил: раз(а)
Поблагодарили: раз(а)
Медали: 4
За полезные и полные ответы. (1) За тех. помощь 1-й степени (1) За тех. помощь 2-й степени (1) За вклад в развитие клуба (1)
Скутер: Hors 154\ 157QMJ\RC125T-9X\152QMJ
Navigator писал(а):
Ответа нет, на вопрос. Схему смотрел, не мое.

Чем твое отличается от схемы?
Там есть ответ, думал ты сумеешь увидеть..., но видимо..., не судьба.
Вопрос, а что мешает установить исправную акб и исправный рн.

_________________
„Изучай правила, чтобы знать, как правильно их нарушить.“
„Мир несовершенен, поскольку мы несовершенны.“


Вернуться наверх
 Профиль  
 
 Заголовок сообщения: Re: РН + DC-DC преобразователь
СообщениеДобавлено: 16 Aug 2018, 22:22 
Не в сети
Новичок
Новичок
Аватар пользователя

Зарегистрирован: 09 Apr 2009, 16:28
Сообщений: 72
Откуда: Москва
Поблагодарил: раз(а)
Поблагодарили: раз(а)
Скутер: Хонлинг Навигатор QT13
Стаж: 4
Hors писал(а):
Navigator писал(а):
Ответа нет, на вопрос. Схему смотрел, не мое.

Чем твое отличается от схемы?
Там есть ответ, думал ты сумеешь увидеть..., но видимо..., не судьба.
Вопрос, а что мешает установить исправную акб и исправный рн.

Схемы не МОЕ. Не в том смысле, что она не моя, а не понимаю я их.
Ставил 2 штуки, не работают они, может не везет, с ними.


Вернуться наверх
 Профиль  
 
 Заголовок сообщения: Re: РН + DC-DC преобразователь
СообщениеДобавлено: 16 Aug 2018, 22:29 
Не в сети
Старожил
Старожил

Зарегистрирован: 08 Jul 2009, 18:07
Сообщений: 3186
Откуда: Беларусь
Поблагодарил: раз(а)
Поблагодарили: раз(а)
Медали: 4
За полезные и полные ответы. (1) За тех. помощь 1-й степени (1) За тех. помощь 2-й степени (1) За вклад в развитие клуба (1)
Скутер: Hors 154\ 157QMJ\RC125T-9X\152QMJ
Navigator писал(а):
Схемы не МОЕ.


А там просто, белым полем выделены элементы схемы, участвующие в пуске двг., элементы обозначены номерами, расшифровка в правом нижнем углу схемы.

_________________
„Изучай правила, чтобы знать, как правильно их нарушить.“
„Мир несовершенен, поскольку мы несовершенны.“


Вернуться наверх
 Профиль  
 
 Заголовок сообщения: Re: РН + DC-DC преобразователь
СообщениеДобавлено: 17 Aug 2018, 00:09 
Не в сети
Гуру ремонта
Гуру ремонта
Аватар пользователя

Зарегистрирован: 20 Mar 2009, 23:12
Сообщений: 19841
Откуда: Бронницы
Поблагодарил: раз(а)
Поблагодарили: раз(а)
Медали: 4
За полезные и полные ответы. (1) За тех. помощь 1-й степени (1) За тех. помощь 2-й степени (1) За вклад в развитие клуба (1)
Скутер: Irbis Nirvana 150 уже 175сс
Стаж: Мото 21,скутер 4года
Navigator писал(а):
Схемы не МОЕ. Не в том смысле, что она не моя, а не понимаю я их.

Ну так схемы должны начать понимать тебя, или ты должен начать понимать схемы?
Определись.
Тебе или на дорогу, или в психушку.

_________________
Попытка прочесть книгу, не открыв её - обречена на провал.


Вернуться наверх
 Профиль  
 
 Заголовок сообщения: Re: РН + DC-DC преобразователь
СообщениеДобавлено: 17 Aug 2018, 06:39 
Не в сети
Новичок
Новичок
Аватар пользователя

Зарегистрирован: 09 Apr 2009, 16:28
Сообщений: 72
Откуда: Москва
Поблагодарил: раз(а)
Поблагодарили: раз(а)
Скутер: Хонлинг Навигатор QT13
Стаж: 4
GRO писал(а):
Navigator писал(а):
Схемы не МОЕ. Не в том смысле, что она не моя, а не понимаю я их.

Ну так схемы должны начать понимать тебя, или ты должен начать понимать схемы?
Определись.
Тебе или на дорогу, или в психушку.

Если у Вас, нет ответа или нет желания дать его, тогда зачем писать х...., пройдите мимо.

Или медаль у Вас, за такие ценные и развернутые ответы.

Я человека давшему схему поблагодарил, а вообще то зачем я Вам это говорю.....


Вернуться наверх
 Профиль  
 
Показать сообщения за:  Сортировать по:  
Начать новую тему Ответить на тему  [ Сообщений: 15 ] 

Часовой пояс: UTC + 3 часа


Кто сейчас на форуме

Сейчас этот форум просматривают: нет зарегистрированных пользователей и гости: 7


Вы не можете начинать темы
Вы не можете отвечать на сообщения
Вы не можете редактировать свои сообщения
Вы не можете удалять свои сообщения
Вы не можете добавлять вложения

Перейти:  
Powered by phpBB © phpBB Group
china-scooter.ru © 2006-2019