Клуб любителей китайских скутеров

Форум клуба любителей китайских скутеров

      
Текущее время: 02 Mar 2026, 11:37

Часовой пояс: UTC + 3 часа




Начать новую тему Ответить на тему  [ Сообщений: 44 ]  На страницу Пред.  1, 2, 3
Автор Сообщение
 Заголовок сообщения: Re: Электросхемы (Только схемы! Без вопросов!)
СообщениеДобавлено: 17 Mar 2013, 13:49 
Не в сети
Бывалый
Бывалый

Зарегистрирован: 10 Aug 2011, 06:31
Сообщений: 285
Откуда: Москва.СЗАО.Щукино.
Поблагодарил: раз(а)
Поблагодарили: раз(а)
Скутер: Yamaha Majesty 400
Стаж: 5 годков
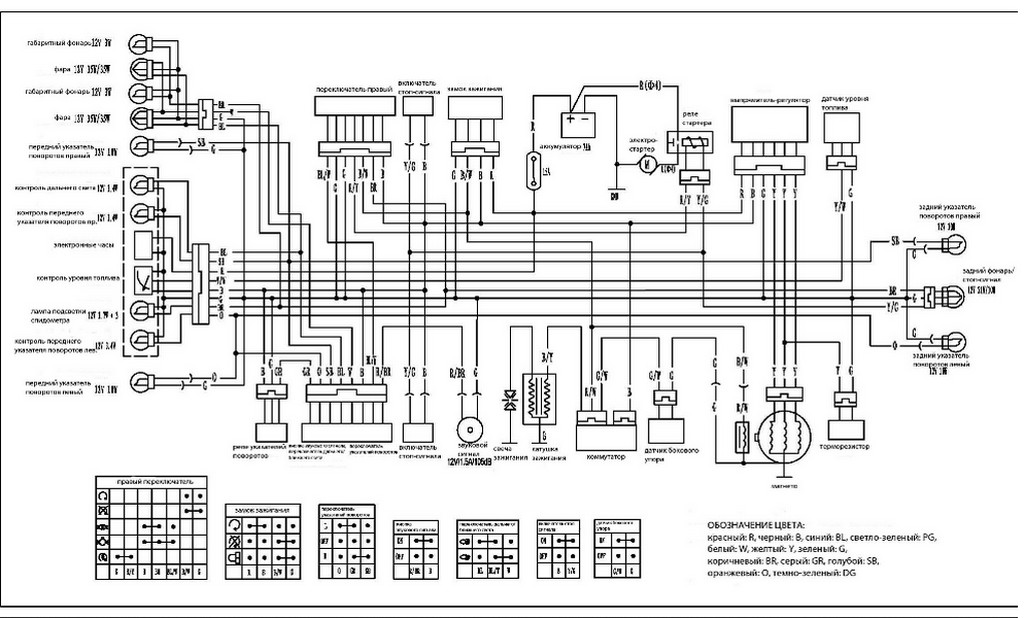
Электросхема Stels Caffenero 250


Вложения:
Электо схема Stels Caffenero 250.jpg
Электо схема Stels Caffenero 250.jpg [ 647.66 KiB | Просмотров: 32108 ]
Вернуться наверх
 Профиль  
 
 Заголовок сообщения: Re: Электросхемы (Только схемы! Без вопросов!)
СообщениеДобавлено: 21 Jul 2013, 19:59 
Не в сети
Старожил
Старожил

Зарегистрирован: 18 Jan 2009, 14:07
Сообщений: 7631
Откуда: 69 RUS
Поблагодарил: раз(а)
Поблагодарили: раз(а)
Медали: 6
За дальнобой 2-й степени. (1) За полезные и полные ответы. (1) За тех. помощь 1-й степени (1) За тех. помощь 2-й степени (1) За статью 1-й степени. (1)
Скутер: стелс лидер-50 2т (72 cc)
Стаж: 4
Схема Стелс тактик/лидер/скиф-50, оно же и кивей факт-50, хурикан, фокус. Под аналоговую приборку.


Вложения:
схема лидер.JPG
схема лидер.JPG [ 144.23 KiB | Просмотров: 31366 ]
Вернуться наверх
 Профиль  
 
 Заголовок сообщения: Re: Электросхемы (Только схемы! Без вопросов!)
СообщениеДобавлено: 23 Nov 2013, 11:31 
Не в сети
Старожил
Старожил
Аватар пользователя

Зарегистрирован: 18 Dec 2010, 19:18
Сообщений: 1288
Откуда: Саранск, Мордовия
Поблагодарил: раз(а)
Поблагодарили: раз(а)
Медали: 1
За тех. помощь 1-й степени (1)
Скутер: Atlant Calypso 150cc
Стаж: 5
CFMOTO JETMAX 250
Изображение

_________________
ДрррррррррррррррррpppРРРРрppрррррДрррррррррррр
150cc.ru


Вернуться наверх
 Профиль  
 
 Заголовок сообщения: Re: Электросхемы (Только схемы! Без вопросов!)
СообщениеДобавлено: 27 Apr 2014, 13:50 
Не в сети
Старожил
Старожил

Зарегистрирован: 08 Jul 2009, 18:07
Сообщений: 3187
Откуда: Беларусь
Поблагодарил: раз(а)
Поблагодарили: раз(а)
Медали: 4
За полезные и полные ответы. (1) За тех. помощь 1-й степени (1) За тех. помощь 2-й степени (1) За вклад в развитие клуба (1)
Скутер: Hors 154\ 157QMJ\RC125T-9X\152QMJ
Вложение:
Stilet_150Z_Joker_150Z(Patron).jpg
Stilet_150Z_Joker_150Z(Patron).jpg [ 143.73 KiB | Просмотров: 30379 ]

_________________
„Изучай правила, чтобы знать, как правильно их нарушить.“
„Мир несовершенен, поскольку мы несовершенны.“


Вернуться наверх
 Профиль  
 
 Заголовок сообщения: Re: Электросхемы (Только схемы! Без вопросов!)
СообщениеДобавлено: 03 Mar 2015, 22:03 
Не в сети
Старожил
Старожил

Зарегистрирован: 08 Jul 2009, 18:07
Сообщений: 3187
Откуда: Беларусь
Поблагодарил: раз(а)
Поблагодарили: раз(а)
Медали: 4
За полезные и полные ответы. (1) За тех. помощь 1-й степени (1) За тех. помощь 2-й степени (1) За вклад в развитие клуба (1)
Скутер: Hors 154\ 157QMJ\RC125T-9X\152QMJ
Вложение:
Комментарий к файлу: После демонтажа сигнализации, для останова двигателя ключом замка зажигания.
Р_сиг.jpg
Р_сиг.jpg [ 295.44 KiB | Просмотров: 29236 ]

_________________
„Изучай правила, чтобы знать, как правильно их нарушить.“
„Мир несовершенен, поскольку мы несовершенны.“


Вернуться наверх
 Профиль  
 
 Заголовок сообщения: Re: Электросхемы (Только схемы! Без вопросов!)
СообщениеДобавлено: 13 Май 2015, 09:26 
Не в сети
Старожил
Старожил

Зарегистрирован: 18 Jan 2009, 14:07
Сообщений: 7631
Откуда: 69 RUS
Поблагодарил: раз(а)
Поблагодарили: раз(а)
Медали: 6
За дальнобой 2-й степени. (1) За полезные и полные ответы. (1) За тех. помощь 1-й степени (1) За тех. помощь 2-й степени (1) За статью 1-й степени. (1)
Скутер: стелс лидер-50 2т (72 cc)
Стаж: 4
Нагло скопировал из другой темы
Вложение:
20150512_190129.jpg
20150512_190129.jpg [ 351.54 KiB | Просмотров: 28300 ]


Вернуться наверх
 Профиль  
 
 Заголовок сообщения: Re: Электросхемы (Только схемы! Без вопросов!)
СообщениеДобавлено: 20 Май 2015, 00:35 
Не в сети
Старожил
Старожил

Зарегистрирован: 08 Jul 2009, 18:07
Сообщений: 3187
Откуда: Беларусь
Поблагодарил: раз(а)
Поблагодарили: раз(а)
Медали: 4
За полезные и полные ответы. (1) За тех. помощь 1-й степени (1) За тех. помощь 2-й степени (1) За вклад в развитие клуба (1)
Скутер: Hors 154\ 157QMJ\RC125T-9X\152QMJ
Вложение:
Keeway SuperLight.PNG
Keeway SuperLight.PNG [ 233.58 KiB | Просмотров: 28184 ]

Вложение:
k_a50.PNG
k_a50.PNG [ 645.55 KiB | Просмотров: 26828 ]

Вложение:
QJ50-23.PNG
QJ50-23.PNG [ 250.28 KiB | Просмотров: 26015 ]

_________________
„Изучай правила, чтобы знать, как правильно их нарушить.“
„Мир несовершенен, поскольку мы несовершенны.“


Вернуться наверх
 Профиль  
 
 Заголовок сообщения: Re: Электросхемы (Только схемы! Без вопросов!)
СообщениеДобавлено: 07 Nov 2015, 03:57 
Не в сети
Наблюдатель

Зарегистрирован: 30 Oct 2015, 23:30
Сообщений: 6
Поблагодарил: раз(а)
Поблагодарили: раз(а)
Скутер: JMStar JSD 100-6
Стаж: 1
Схема скутеретты - Viper Active.


Вложения:
Viper Active.jpg
Viper Active.jpg [ 251.51 KiB | Просмотров: 26473 ]
Вернуться наверх
 Профиль  
 
 Заголовок сообщения: Re: Электросхемы (Только схемы! Без вопросов!)
СообщениеДобавлено: 23 Feb 2016, 23:00 
Не в сети
Гуру ремонта
Гуру ремонта
Аватар пользователя

Зарегистрирован: 20 Mar 2009, 23:12
Сообщений: 19841
Откуда: Бронницы
Поблагодарил: раз(а)
Поблагодарили: раз(а)
Медали: 4
За полезные и полные ответы. (1) За тех. помощь 1-й степени (1) За тех. помощь 2-й степени (1) За вклад в развитие клуба (1)
Скутер: Irbis Nirvana 150 уже 175сс
Стаж: Мото 21,скутер 4года
viper storm 50 и прочие.


Вложения:
459713_1.jpg
459713_1.jpg [ 124.46 KiB | Просмотров: 26102 ]

_________________
Попытка прочесть книгу, не открыв её - обречена на провал.
Вернуться наверх
 Профиль  
 
 Заголовок сообщения: Re: Электросхемы (Только схемы! Без вопросов!)
СообщениеДобавлено: 12 Jun 2016, 01:45 
Не в сети
Интересующийся
Интересующийся

Зарегистрирован: 31 Mar 2015, 23:08
Сообщений: 12
Поблагодарил: раз(а)
Поблагодарили: раз(а)
Скутер: Картинг
Стаж: 3
Две схемы.
Одна показывает как подключается реле-прерыватель поворотников.
Вторая показывает как устроены переключатели на руле, какими проводами выводятся в фишку и какие цвета у проводов в жгутах для соединения с потребителями.


Вложения:
Схема 2.jpg
Схема 2.jpg [ 262.21 KiB | Просмотров: 23966 ]
схема.jpg
схема.jpg [ 98.5 KiB | Просмотров: 23966 ]
Вернуться наверх
 Профиль  
 
 Заголовок сообщения: Re: Электросхемы (Только схемы! Без вопросов!)
СообщениеДобавлено: 05 Sep 2016, 12:11 
Не в сети
Старожил
Старожил

Зарегистрирован: 08 Jul 2009, 18:07
Сообщений: 3187
Откуда: Беларусь
Поблагодарил: раз(а)
Поблагодарили: раз(а)
Медали: 4
За полезные и полные ответы. (1) За тех. помощь 1-й степени (1) За тех. помощь 2-й степени (1) За вклад в развитие клуба (1)
Скутер: Hors 154\ 157QMJ\RC125T-9X\152QMJ
Вложение:
ZK307-3A.GIF
ZK307-3A.GIF [ 68.7 KiB | Просмотров: 21366 ]

_________________
„Изучай правила, чтобы знать, как правильно их нарушить.“
„Мир несовершенен, поскольку мы несовершенны.“


Вернуться наверх
 Профиль  
 
 Заголовок сообщения: Re: Электросхемы (Только схемы! Без вопросов!)
СообщениеДобавлено: 21 Jul 2018, 13:39 
Не в сети
Старожил
Старожил

Зарегистрирован: 08 Jul 2009, 18:07
Сообщений: 3187
Откуда: Беларусь
Поблагодарил: раз(а)
Поблагодарили: раз(а)
Медали: 4
За полезные и полные ответы. (1) За тех. помощь 1-й степени (1) За тех. помощь 2-й степени (1) За вклад в развитие клуба (1)
Скутер: Hors 154\ 157QMJ\RC125T-9X\152QMJ
Вложение:
wiring_d1e41qmb.jpg
wiring_d1e41qmb.jpg [ 228.51 KiB | Просмотров: 12223 ]

_________________
„Изучай правила, чтобы знать, как правильно их нарушить.“
„Мир несовершенен, поскольку мы несовершенны.“


Вернуться наверх
 Профиль  
 
 Заголовок сообщения: Re: Электросхемы (Только схемы! Без вопросов!)
СообщениеДобавлено: 10 Jul 2019, 21:37 
Не в сети
Опытный
Опытный
Аватар пользователя

Зарегистрирован: 28 Aug 2012, 09:30
Сообщений: 616
Откуда: МоскваБад
Поблагодарил: раз(а)
Поблагодарили: раз(а)
Скутер: MaxJet249
Стаж: 24
Электросхема Reggy Fantom
Вложение:
murza.jpg
murza.jpg [ 980.12 KiB | Просмотров: 17213 ]


Вернуться наверх
 Профиль  
 
 Заголовок сообщения: Re: Электросхемы (Только схемы! Без вопросов!)
СообщениеДобавлено: 06 Dec 2022, 10:48 
Не в сети
Старожил
Старожил

Зарегистрирован: 08 Jul 2009, 18:07
Сообщений: 3187
Откуда: Беларусь
Поблагодарил: раз(а)
Поблагодарили: раз(а)
Медали: 4
За полезные и полные ответы. (1) За тех. помощь 1-й степени (1) За тех. помощь 2-й степени (1) За вклад в развитие клуба (1)
Скутер: Hors 154\ 157QMJ\RC125T-9X\152QMJ
Вложение:
elektroshema_gilera_runner_purejet_50.jpg
elektroshema_gilera_runner_purejet_50.jpg [ 341.45 KiB | Просмотров: 12216 ]

_________________
„Изучай правила, чтобы знать, как правильно их нарушить.“
„Мир несовершенен, поскольку мы несовершенны.“


Вернуться наверх
 Профиль  
 
Показать сообщения за:  Сортировать по:  
Начать новую тему Ответить на тему  [ Сообщений: 44 ]  На страницу Пред.  1, 2, 3

Часовой пояс: UTC + 3 часа


Кто сейчас на форуме

Сейчас этот форум просматривают: нет зарегистрированных пользователей и гости: 10


Вы не можете начинать темы
Вы не можете отвечать на сообщения
Вы не можете редактировать свои сообщения
Вы не можете удалять свои сообщения
Вы не можете добавлять вложения

Перейти:  
Powered by phpBB © phpBB Group
china-scooter.ru © 2006-2019