Клуб любителей китайских скутеров

Форум клуба любителей китайских скутеров

      
Текущее время: 25 Май 2026, 12:09

Часовой пояс: UTC + 3 часа




Начать новую тему Эта тема закрыта, Вы не можете редактировать и оставлять сообщения в ней.  [ Сообщений: 40 ]  На страницу 1, 2, 3  След.
Автор Сообщение
 Заголовок сообщения: Мануал 50cc GY6 в 200 картинках.
СообщениеДобавлено: 18 Mar 2013, 13:35 
Не в сети
Старожил
Старожил
Аватар пользователя

Зарегистрирован: 20 Apr 2007, 21:20
Сообщений: 2828
Откуда: Германия
Поблагодарил: раз(а)
Поблагодарили: раз(а)
Скутер: 139QMB
Стаж: 7
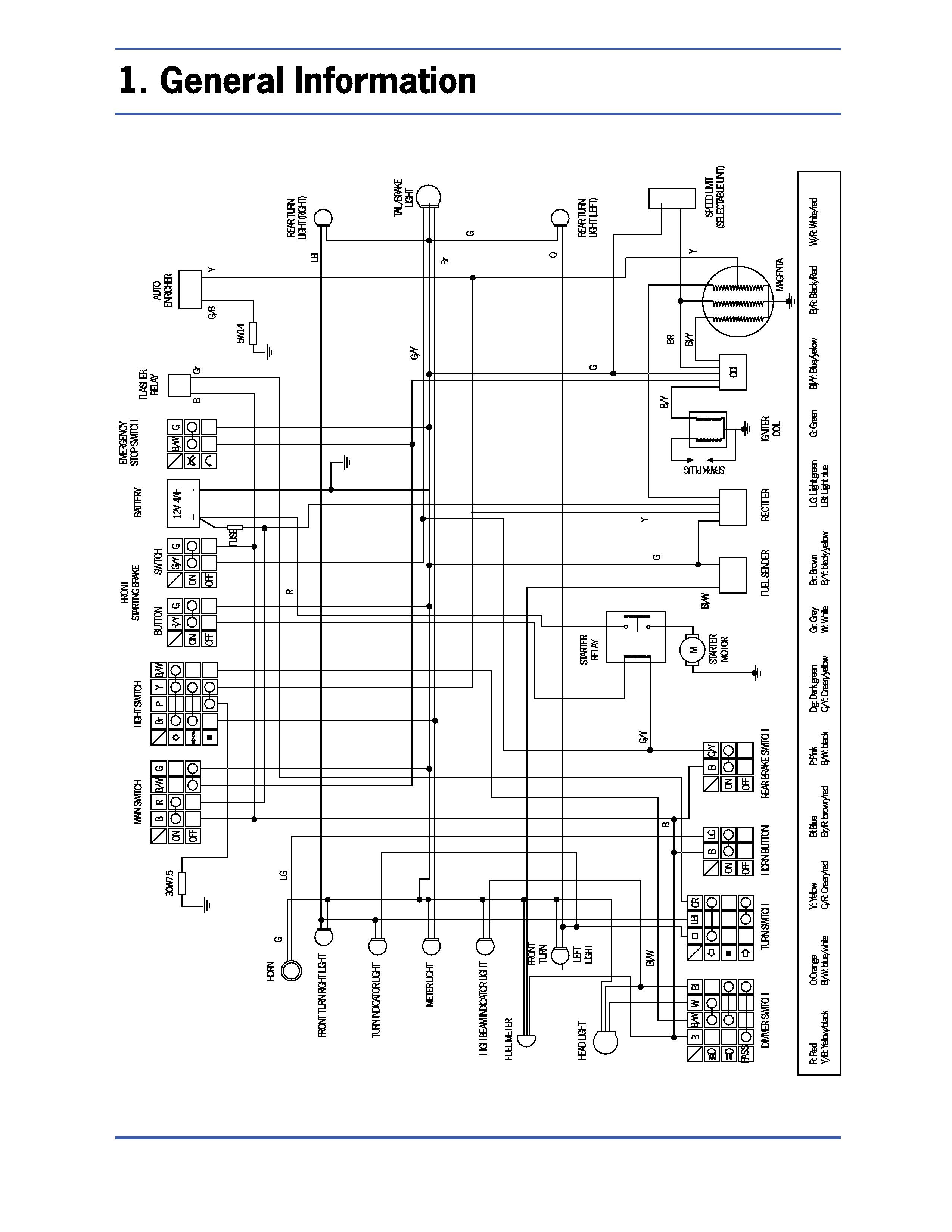
Вложение:
001.jpg
001.jpg [ 348.14 KiB | Просмотров: 41461 ]
Вложение:
003.jpg
003.jpg [ 511.1 KiB | Просмотров: 41461 ]
Вложение:
004.jpg
004.jpg [ 572.01 KiB | Просмотров: 41461 ]
Вложение:
005.jpg
005.jpg [ 720.24 KiB | Просмотров: 41461 ]
Вложение:
006.jpg
006.jpg [ 507.81 KiB | Просмотров: 41461 ]

_________________
Продумано не сказано!
Сказано не услышано!
Услышано не понято!
Понято не принято!
Принято не сделано!
Сделано не законченно!


Последний раз редактировалось конти 18 Mar 2013, 19:57, всего редактировалось 1 раз.

Вернуться наверх
 Профиль  
 
 Заголовок сообщения: Re: Мануал GY6 в 200 картинках.
СообщениеДобавлено: 18 Mar 2013, 13:37 
Не в сети
Старожил
Старожил
Аватар пользователя

Зарегистрирован: 20 Apr 2007, 21:20
Сообщений: 2828
Откуда: Германия
Поблагодарил: раз(а)
Поблагодарили: раз(а)
Скутер: 139QMB
Стаж: 7
Вложение:
007.jpg
007.jpg [ 596.78 KiB | Просмотров: 41459 ]
Вложение:
008.jpg
008.jpg [ 513.1 KiB | Просмотров: 41459 ]
Вложение:
009.jpg
009.jpg [ 533.21 KiB | Просмотров: 41459 ]
Вложение:
009.jpg
009.jpg [ 533.21 KiB | Просмотров: 41459 ]
Вложение:
010.jpg
010.jpg [ 499.83 KiB | Просмотров: 41459 ]

_________________
Продумано не сказано!
Сказано не услышано!
Услышано не понято!
Понято не принято!
Принято не сделано!
Сделано не законченно!


Вернуться наверх
 Профиль  
 
 Заголовок сообщения: Re: Мануал GY6 в 200 картинках.
СообщениеДобавлено: 18 Mar 2013, 13:38 
Не в сети
Старожил
Старожил
Аватар пользователя

Зарегистрирован: 20 Apr 2007, 21:20
Сообщений: 2828
Откуда: Германия
Поблагодарил: раз(а)
Поблагодарили: раз(а)
Скутер: 139QMB
Стаж: 7
Вложение:
011.jpg
011.jpg [ 265.79 KiB | Просмотров: 41457 ]
Вложение:
012.jpg
012.jpg [ 446.94 KiB | Просмотров: 41457 ]
Вложение:
013.jpg
013.jpg [ 315.67 KiB | Просмотров: 41457 ]
Вложение:
014.jpg
014.jpg [ 640.15 KiB | Просмотров: 41457 ]
Вложение:
015.jpg
015.jpg [ 367.52 KiB | Просмотров: 41457 ]

_________________
Продумано не сказано!
Сказано не услышано!
Услышано не понято!
Понято не принято!
Принято не сделано!
Сделано не законченно!


Вернуться наверх
 Профиль  
 
 Заголовок сообщения: Re: Мануал GY6 в 200 картинках.
СообщениеДобавлено: 18 Mar 2013, 13:41 
Не в сети
Старожил
Старожил
Аватар пользователя

Зарегистрирован: 20 Apr 2007, 21:20
Сообщений: 2828
Откуда: Германия
Поблагодарил: раз(а)
Поблагодарили: раз(а)
Скутер: 139QMB
Стаж: 7
Вложение:
016.jpg
016.jpg [ 527.65 KiB | Просмотров: 41456 ]
Вложение:
017.jpg
017.jpg [ 578.92 KiB | Просмотров: 41456 ]
Вложение:
018.jpg
018.jpg [ 498.8 KiB | Просмотров: 41456 ]
Вложение:
019.jpg
019.jpg [ 446.23 KiB | Просмотров: 41456 ]
Вложение:
020.jpg
020.jpg [ 507.53 KiB | Просмотров: 41456 ]

_________________
Продумано не сказано!
Сказано не услышано!
Услышано не понято!
Понято не принято!
Принято не сделано!
Сделано не законченно!


Вернуться наверх
 Профиль  
 
 Заголовок сообщения: Re: Мануал GY6 в 200 картинках.
СообщениеДобавлено: 18 Mar 2013, 13:43 
Не в сети
Старожил
Старожил
Аватар пользователя

Зарегистрирован: 20 Apr 2007, 21:20
Сообщений: 2828
Откуда: Германия
Поблагодарил: раз(а)
Поблагодарили: раз(а)
Скутер: 139QMB
Стаж: 7
Вложение:
021.jpg
021.jpg [ 481.04 KiB | Просмотров: 41454 ]
Вложение:
022.jpg
022.jpg [ 714.97 KiB | Просмотров: 41454 ]
Вложение:
023.jpg
023.jpg [ 547.14 KiB | Просмотров: 41454 ]
Вложение:
024.jpg
024.jpg [ 536.16 KiB | Просмотров: 41454 ]
Вложение:
025.jpg
025.jpg [ 632.79 KiB | Просмотров: 41454 ]

_________________
Продумано не сказано!
Сказано не услышано!
Услышано не понято!
Понято не принято!
Принято не сделано!
Сделано не законченно!


Вернуться наверх
 Профиль  
 
 Заголовок сообщения: Re: Мануал GY6 в 200 картинках.
СообщениеДобавлено: 18 Mar 2013, 13:44 
Не в сети
Старожил
Старожил
Аватар пользователя

Зарегистрирован: 20 Apr 2007, 21:20
Сообщений: 2828
Откуда: Германия
Поблагодарил: раз(а)
Поблагодарили: раз(а)
Скутер: 139QMB
Стаж: 7
Вложение:
026.jpg
026.jpg [ 420.33 KiB | Просмотров: 41454 ]
Вложение:
027.jpg
027.jpg [ 387.81 KiB | Просмотров: 41454 ]
Вложение:
028.jpg
028.jpg [ 493.84 KiB | Просмотров: 41454 ]
Вложение:
029.jpg
029.jpg [ 432.85 KiB | Просмотров: 41454 ]
Вложение:
030.jpg
030.jpg [ 551.97 KiB | Просмотров: 41454 ]

_________________
Продумано не сказано!
Сказано не услышано!
Услышано не понято!
Понято не принято!
Принято не сделано!
Сделано не законченно!


Вернуться наверх
 Профиль  
 
 Заголовок сообщения: Re: Мануал GY6 в 200 картинках.
СообщениеДобавлено: 18 Mar 2013, 13:46 
Не в сети
Старожил
Старожил
Аватар пользователя

Зарегистрирован: 20 Apr 2007, 21:20
Сообщений: 2828
Откуда: Германия
Поблагодарил: раз(а)
Поблагодарили: раз(а)
Скутер: 139QMB
Стаж: 7
Вложение:
031.jpg
031.jpg [ 426.37 KiB | Просмотров: 41454 ]
Вложение:
032.jpg
032.jpg [ 814.69 KiB | Просмотров: 41454 ]
Вложение:
033.jpg
033.jpg [ 623.8 KiB | Просмотров: 41454 ]
Вложение:
034.jpg
034.jpg [ 573.91 KiB | Просмотров: 41454 ]
Вложение:
035.jpg
035.jpg [ 725.25 KiB | Просмотров: 41454 ]

_________________
Продумано не сказано!
Сказано не услышано!
Услышано не понято!
Понято не принято!
Принято не сделано!
Сделано не законченно!


Вернуться наверх
 Профиль  
 
 Заголовок сообщения: Re: Мануал GY6 в 200 картинках.
СообщениеДобавлено: 18 Mar 2013, 13:49 
Не в сети
Старожил
Старожил
Аватар пользователя

Зарегистрирован: 20 Apr 2007, 21:20
Сообщений: 2828
Откуда: Германия
Поблагодарил: раз(а)
Поблагодарили: раз(а)
Скутер: 139QMB
Стаж: 7
Вложение:
036.jpg
036.jpg [ 498.88 KiB | Просмотров: 41453 ]
Вложение:
037.jpg
037.jpg [ 288.04 KiB | Просмотров: 41453 ]
Вложение:
038.jpg
038.jpg [ 639.96 KiB | Просмотров: 41453 ]
Вложение:
039.jpg
039.jpg [ 346.38 KiB | Просмотров: 41453 ]
Вложение:
040.jpg
040.jpg [ 652.85 KiB | Просмотров: 41453 ]

_________________
Продумано не сказано!
Сказано не услышано!
Услышано не понято!
Понято не принято!
Принято не сделано!
Сделано не законченно!


Вернуться наверх
 Профиль  
 
 Заголовок сообщения: Re: Мануал GY6 в 200 картинках.
СообщениеДобавлено: 18 Mar 2013, 13:51 
Не в сети
Старожил
Старожил
Аватар пользователя

Зарегистрирован: 20 Apr 2007, 21:20
Сообщений: 2828
Откуда: Германия
Поблагодарил: раз(а)
Поблагодарили: раз(а)
Скутер: 139QMB
Стаж: 7
Вложение:
041.jpg
041.jpg [ 745.63 KiB | Просмотров: 41452 ]
Вложение:
042.jpg
042.jpg [ 668.75 KiB | Просмотров: 41452 ]
Вложение:
043.jpg
043.jpg [ 623.58 KiB | Просмотров: 41452 ]
Вложение:
044.jpg
044.jpg [ 448.52 KiB | Просмотров: 41452 ]
Вложение:
045.jpg
045.jpg [ 582.08 KiB | Просмотров: 41452 ]

_________________
Продумано не сказано!
Сказано не услышано!
Услышано не понято!
Понято не принято!
Принято не сделано!
Сделано не законченно!


Вернуться наверх
 Профиль  
 
 Заголовок сообщения: Re: Мануал GY6 в 200 картинках.
СообщениеДобавлено: 18 Mar 2013, 13:54 
Не в сети
Старожил
Старожил
Аватар пользователя

Зарегистрирован: 20 Apr 2007, 21:20
Сообщений: 2828
Откуда: Германия
Поблагодарил: раз(а)
Поблагодарили: раз(а)
Скутер: 139QMB
Стаж: 7
Вложение:
046.jpg
046.jpg [ 448.48 KiB | Просмотров: 41452 ]
Вложение:
047.jpg
047.jpg [ 327.2 KiB | Просмотров: 41452 ]
Вложение:
048.jpg
048.jpg [ 371.84 KiB | Просмотров: 41452 ]
Вложение:
049.jpg
049.jpg [ 542.98 KiB | Просмотров: 41452 ]
Вложение:
050.jpg
050.jpg [ 727.13 KiB | Просмотров: 41452 ]

_________________
Продумано не сказано!
Сказано не услышано!
Услышано не понято!
Понято не принято!
Принято не сделано!
Сделано не законченно!


Вернуться наверх
 Профиль  
 
 Заголовок сообщения: Re: Мануал GY6 в 200 картинках.
СообщениеДобавлено: 18 Mar 2013, 13:56 
Не в сети
Старожил
Старожил
Аватар пользователя

Зарегистрирован: 20 Apr 2007, 21:20
Сообщений: 2828
Откуда: Германия
Поблагодарил: раз(а)
Поблагодарили: раз(а)
Скутер: 139QMB
Стаж: 7
Вложение:
051.jpg
051.jpg [ 653.84 KiB | Просмотров: 41451 ]

Вложение:
052.jpg
052.jpg [ 331.12 KiB | Просмотров: 41451 ]

Вложение:
053.jpg
053.jpg [ 526.16 KiB | Просмотров: 41451 ]

Вложение:
054.jpg
054.jpg [ 676.64 KiB | Просмотров: 41451 ]

Вложение:
055.jpg
055.jpg [ 436.84 KiB | Просмотров: 38883 ]

_________________
Продумано не сказано!
Сказано не услышано!
Услышано не понято!
Понято не принято!
Принято не сделано!
Сделано не законченно!


Вернуться наверх
 Профиль  
 
 Заголовок сообщения: Re: Мануал GY6 в 200 картинках.
СообщениеДобавлено: 18 Mar 2013, 13:58 
Не в сети
Старожил
Старожил
Аватар пользователя

Зарегистрирован: 20 Apr 2007, 21:20
Сообщений: 2828
Откуда: Германия
Поблагодарил: раз(а)
Поблагодарили: раз(а)
Скутер: 139QMB
Стаж: 7
Вложение:
056.jpg
056.jpg [ 743.29 KiB | Просмотров: 41451 ]

Вложение:
057.jpg
057.jpg [ 422.24 KiB | Просмотров: 41451 ]

Вложение:
058.jpg
058.jpg [ 708.61 KiB | Просмотров: 41451 ]

Вложение:
059.jpg
059.jpg [ 469.95 KiB | Просмотров: 41451 ]

Вложение:
060.jpg
060.jpg [ 576.89 KiB | Просмотров: 39985 ]

_________________
Продумано не сказано!
Сказано не услышано!
Услышано не понято!
Понято не принято!
Принято не сделано!
Сделано не законченно!


Вернуться наверх
 Профиль  
 
 Заголовок сообщения: Re: Мануал GY6 в 200 картинках.
СообщениеДобавлено: 18 Mar 2013, 14:00 
Не в сети
Старожил
Старожил
Аватар пользователя

Зарегистрирован: 20 Apr 2007, 21:20
Сообщений: 2828
Откуда: Германия
Поблагодарил: раз(а)
Поблагодарили: раз(а)
Скутер: 139QMB
Стаж: 7
Вложение:
061.jpg
061.jpg [ 502.07 KiB | Просмотров: 39984 ]

Вложение:
062.jpg
062.jpg [ 627.85 KiB | Просмотров: 41451 ]

Вложение:
063.jpg
063.jpg [ 622.6 KiB | Просмотров: 41451 ]

Вложение:
064.jpg
064.jpg [ 379.4 KiB | Просмотров: 39983 ]

Вложение:
065.jpg
065.jpg [ 667.89 KiB | Просмотров: 41451 ]

_________________
Продумано не сказано!
Сказано не услышано!
Услышано не понято!
Понято не принято!
Принято не сделано!
Сделано не законченно!


Вернуться наверх
 Профиль  
 
 Заголовок сообщения: Re: Мануал GY6 в 200 картинках.
СообщениеДобавлено: 18 Mar 2013, 14:01 
Не в сети
Старожил
Старожил
Аватар пользователя

Зарегистрирован: 20 Apr 2007, 21:20
Сообщений: 2828
Откуда: Германия
Поблагодарил: раз(а)
Поблагодарили: раз(а)
Скутер: 139QMB
Стаж: 7
Вложение:
066.jpg
066.jpg [ 363.36 KiB | Просмотров: 41449 ]
Вложение:
067.jpg
067.jpg [ 583.26 KiB | Просмотров: 41449 ]
Вложение:
068.jpg
068.jpg [ 620.79 KiB | Просмотров: 41449 ]
Вложение:
069.jpg
069.jpg [ 453.46 KiB | Просмотров: 41449 ]
Вложение:
070.jpg
070.jpg [ 291.68 KiB | Просмотров: 41449 ]

_________________
Продумано не сказано!
Сказано не услышано!
Услышано не понято!
Понято не принято!
Принято не сделано!
Сделано не законченно!


Вернуться наверх
 Профиль  
 
 Заголовок сообщения: Re: Мануал GY6 в 200 картинках.
СообщениеДобавлено: 18 Mar 2013, 14:03 
Не в сети
Старожил
Старожил
Аватар пользователя

Зарегистрирован: 20 Apr 2007, 21:20
Сообщений: 2828
Откуда: Германия
Поблагодарил: раз(а)
Поблагодарили: раз(а)
Скутер: 139QMB
Стаж: 7
Вложение:
071.jpg
071.jpg [ 520.78 KiB | Просмотров: 41443 ]
Вложение:
072.jpg
072.jpg [ 580.22 KiB | Просмотров: 41443 ]
Вложение:
073.jpg
073.jpg [ 570.02 KiB | Просмотров: 41443 ]
Вложение:
074.jpg
074.jpg [ 374.96 KiB | Просмотров: 41443 ]
Вложение:
075.jpg
075.jpg [ 729.24 KiB | Просмотров: 41443 ]

_________________
Продумано не сказано!
Сказано не услышано!
Услышано не понято!
Понято не принято!
Принято не сделано!
Сделано не законченно!


Вернуться наверх
 Профиль  
 
Показать сообщения за:  Сортировать по:  
Начать новую тему Эта тема закрыта, Вы не можете редактировать и оставлять сообщения в ней.  [ Сообщений: 40 ]  На страницу 1, 2, 3  След.

Часовой пояс: UTC + 3 часа


Кто сейчас на форуме

Сейчас этот форум просматривают: нет зарегистрированных пользователей и гости: 3


Вы не можете начинать темы
Вы не можете отвечать на сообщения
Вы не можете редактировать свои сообщения
Вы не можете удалять свои сообщения
Вы не можете добавлять вложения

Перейти:  
Powered by phpBB © phpBB Group
china-scooter.ru © 2006-2019