Клуб любителей китайских скутеров

Форум клуба любителей китайских скутеров

      
Текущее время: 21 Jan 2026, 21:22

Часовой пояс: UTC + 3 часа




Начать новую тему Ответить на тему  [ Сообщений: 50 ]  На страницу Пред.  1, 2, 3, 4  След.
Автор Сообщение
 Заголовок сообщения: Re: 7ми контактный регулятор напряжения
СообщениеДобавлено: 03 Apr 2015, 22:37 
Не в сети
Интересующийся
Интересующийся

Зарегистрирован: 17 Mar 2010, 19:54
Сообщений: 15
Поблагодарил: раз(а)
Поблагодарили: раз(а)
Скутер: irbis iz50r
Стаж: 3
D-moon
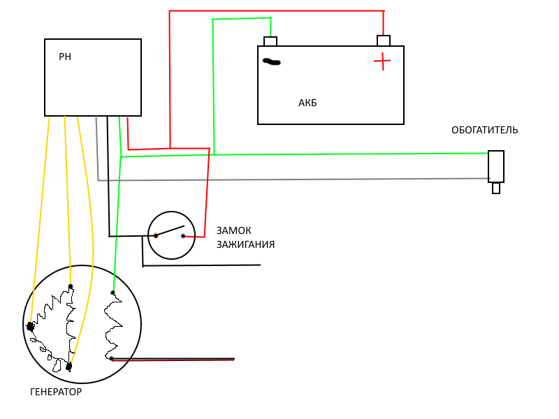
Получается схема
3желтых с генератора на 3желтых РН
1Красный с РН на +аккумулятора
1Черный с РН можно подключить на + или через замок
1Белый на обогатитель
1Зеленый масса


Вернуться наверх
 Профиль  
 
 Заголовок сообщения: Re: 7ми контактный регулятор напряжения
СообщениеДобавлено: 03 Apr 2015, 22:39 
Не в сети
Интересующийся
Интересующийся

Зарегистрирован: 17 Mar 2010, 19:54
Сообщений: 15
Поблагодарил: раз(а)
Поблагодарили: раз(а)
Скутер: irbis iz50r
Стаж: 3
Про датчик фаз написал же,что не так обозначил индуктивный датчик.
А почему не было искры на нирване при отключении регулятора напряжения?


Вернуться наверх
 Профиль  
 
 Заголовок сообщения: Re: 7ми контактный регулятор напряжения
СообщениеДобавлено: 03 Apr 2015, 22:39 
Не в сети
Гуру ремонта
Гуру ремонта
Аватар пользователя

Зарегистрирован: 20 Mar 2009, 23:12
Сообщений: 19841
Откуда: Бронницы
Поблагодарил: раз(а)
Поблагодарили: раз(а)
Медали: 4
За полезные и полные ответы. (1) За тех. помощь 1-й степени (1) За тех. помощь 2-й степени (1) За вклад в развитие клуба (1)
Скутер: Irbis Nirvana 150 уже 175сс
Стаж: Мото 21,скутер 4года
TeLeSh
Схемы у нас тут:
viewtopic.php?f=111&t=15007

_________________
Попытка прочесть книгу, не открыв её - обречена на провал.


Вернуться наверх
 Профиль  
 
 Заголовок сообщения: Re: 7ми контактный регулятор напряжения
СообщениеДобавлено: 03 Apr 2015, 22:40 
Не в сети
Гуру ремонта
Гуру ремонта
Аватар пользователя

Зарегистрирован: 20 Mar 2009, 23:12
Сообщений: 19841
Откуда: Бронницы
Поблагодарил: раз(а)
Поблагодарили: раз(а)
Медали: 4
За полезные и полные ответы. (1) За тех. помощь 1-й степени (1) За тех. помощь 2-й степени (1) За вклад в развитие клуба (1)
Скутер: Irbis Nirvana 150 уже 175сс
Стаж: Мото 21,скутер 4года
TeLeSh писал(а):
А почему не было искры на нирване при отключении регулятора напряжения?

А нам не известно что именно ты отключал.
Возможно что и массу от индуктивного датчика.

_________________
Попытка прочесть книгу, не открыв её - обречена на провал.


Вернуться наверх
 Профиль  
 
 Заголовок сообщения: Re: 7ми контактный регулятор напряжения
СообщениеДобавлено: 03 Apr 2015, 22:40 
Не в сети
Интересующийся
Интересующийся

Зарегистрирован: 17 Mar 2010, 19:54
Сообщений: 15
Поблагодарил: раз(а)
Поблагодарили: раз(а)
Скутер: irbis iz50r
Стаж: 3
GRO
Смотрел,именно той,которая нужна нету


Вернуться наверх
 Профиль  
 
 Заголовок сообщения: Re: 7ми контактный регулятор напряжения
СообщениеДобавлено: 03 Apr 2015, 22:42 
Не в сети
Интересующийся
Интересующийся

Зарегистрирован: 17 Mar 2010, 19:54
Сообщений: 15
Поблагодарил: раз(а)
Поблагодарили: раз(а)
Скутер: irbis iz50r
Стаж: 3
GRO
Отключал в тот момент,когда уже все сделал и работало,просто взял и отключил фишку и искра пропала


Вернуться наверх
 Профиль  
 
 Заголовок сообщения: Re: 7ми контактный регулятор напряжения
СообщениеДобавлено: 03 Apr 2015, 22:43 
Не в сети
Гуру ремонта
Гуру ремонта
Аватар пользователя

Зарегистрирован: 20 Mar 2009, 23:12
Сообщений: 19841
Откуда: Бронницы
Поблагодарил: раз(а)
Поблагодарили: раз(а)
Медали: 4
За полезные и полные ответы. (1) За тех. помощь 1-й степени (1) За тех. помощь 2-й степени (1) За вклад в развитие клуба (1)
Скутер: Irbis Nirvana 150 уже 175сс
Стаж: Мото 21,скутер 4года
TeLeSh писал(а):
GRO
Смотрел,именно той,которая нужна нету

Они на 75% идентичны.

_________________
Попытка прочесть книгу, не открыв её - обречена на провал.


Вернуться наверх
 Профиль  
 
 Заголовок сообщения: Re: 7ми контактный регулятор напряжения
СообщениеДобавлено: 03 Apr 2015, 22:43 
Не в сети
Гуру ремонта
Гуру ремонта
Аватар пользователя

Зарегистрирован: 20 Mar 2009, 23:12
Сообщений: 19841
Откуда: Бронницы
Поблагодарил: раз(а)
Поблагодарили: раз(а)
Медали: 4
За полезные и полные ответы. (1) За тех. помощь 1-й степени (1) За тех. помощь 2-й степени (1) За вклад в развитие клуба (1)
Скутер: Irbis Nirvana 150 уже 175сс
Стаж: Мото 21,скутер 4года
TeLeSh писал(а):
GRO
Отключал в тот момент,когда уже все сделал и работало,просто взял и отключил фишку и искра пропала

Вот уж не знаю, что там за фишка была.

_________________
Попытка прочесть книгу, не открыв её - обречена на провал.


Вернуться наверх
 Профиль  
 
 Заголовок сообщения: Re: 7ми контактный регулятор напряжения
СообщениеДобавлено: 03 Apr 2015, 22:45 
Не в сети
Интересующийся
Интересующийся

Зарегистрирован: 17 Mar 2010, 19:54
Сообщений: 15
Поблагодарил: раз(а)
Поблагодарили: раз(а)
Скутер: irbis iz50r
Стаж: 3
GRO
Это да,просто на тот момент,когда не знал куда идет белый провод,они не подходили.а так бесспорно они почти одинаковы


Вернуться наверх
 Профиль  
 
 Заголовок сообщения: Re: 7ми контактный регулятор напряжения
СообщениеДобавлено: 03 Apr 2015, 22:47 
Не в сети
Интересующийся
Интересующийся

Зарегистрирован: 17 Mar 2010, 19:54
Сообщений: 15
Поблагодарил: раз(а)
Поблагодарили: раз(а)
Скутер: irbis iz50r
Стаж: 3
GRO
Короче,допустим берем полностью рабочий скутер,у него регулятор напряжения стоит под передним пластиком,от регулятора идет одна фишка на все 7 проводов и ее я отсоединил
Так понятнее


Вернуться наверх
 Профиль  
 
 Заголовок сообщения: Re: 7ми контактный регулятор напряжения
СообщениеДобавлено: 03 Apr 2015, 22:50 
Не в сети
Посетитель
Посетитель
Аватар пользователя

Зарегистрирован: 02 Mar 2015, 01:57
Сообщений: 156
Откуда: Краснодар
Поблагодарил: раз(а)
Поблагодарили: раз(а)
Скутер: Racer DRAGON
Стаж: 7
GRO
Про датчик фаз ошибся человек. А про белый провод это точно! Я когда его обнаружил у себя тоже был в недоумении пока экспериментальным путем не выяснил куда он идет. Он идет к обогатителю и все!

_________________
Тихо едешь... в зад догонят...
Изображение

Ремонт скутеров в Краснодаре 8-909-450-14-04 Дмитрий


Вернуться наверх
 Профиль  
 
 Заголовок сообщения: Re: 7ми контактный регулятор напряжения
СообщениеДобавлено: 03 Apr 2015, 22:50 
Не в сети
Гуру ремонта
Гуру ремонта
Аватар пользователя

Зарегистрирован: 20 Mar 2009, 23:12
Сообщений: 19841
Откуда: Бронницы
Поблагодарил: раз(а)
Поблагодарили: раз(а)
Медали: 4
За полезные и полные ответы. (1) За тех. помощь 1-й степени (1) За тех. помощь 2-й степени (1) За вклад в развитие клуба (1)
Скутер: Irbis Nirvana 150 уже 175сс
Стаж: Мото 21,скутер 4года
TeLeSh писал(а):
GRO
Короче,допустим берем полностью рабочий скутер,у него регулятор напряжения стоит под передним пластиком,от регулятора идет одна фишка на все 7 проводов и ее я отсоединил
Так понятнее

Нет.
Я не пою, какой там коммутатор установлен, AC или DC.

_________________
Попытка прочесть книгу, не открыв её - обречена на провал.


Вернуться наверх
 Профиль  
 
 Заголовок сообщения: Re: 7ми контактный регулятор напряжения
СообщениеДобавлено: 03 Apr 2015, 22:52 
Не в сети
Посетитель
Посетитель
Аватар пользователя

Зарегистрирован: 02 Mar 2015, 01:57
Сообщений: 156
Откуда: Краснодар
Поблагодарил: раз(а)
Поблагодарили: раз(а)
Скутер: Racer DRAGON
Стаж: 7
Вот схема. Серым нарисовал белый провод.


Вложения:
схема рн.png
схема рн.png [ 31.73 KiB | Просмотров: 2986 ]

_________________
Тихо едешь... в зад догонят...
Изображение

Ремонт скутеров в Краснодаре 8-909-450-14-04 Дмитрий
Вернуться наверх
 Профиль  
 
 Заголовок сообщения: Re: 7ми контактный регулятор напряжения
СообщениеДобавлено: 03 Apr 2015, 22:54 
Не в сети
Интересующийся
Интересующийся

Зарегистрирован: 17 Mar 2010, 19:54
Сообщений: 15
Поблагодарил: раз(а)
Поблагодарили: раз(а)
Скутер: irbis iz50r
Стаж: 3
GRO
Стоял СD,лежат штук 5,все перепробовал,и один АС подключал,нету искры


Вернуться наверх
 Профиль  
 
 Заголовок сообщения: Re: 7ми контактный регулятор напряжения
СообщениеДобавлено: 03 Apr 2015, 22:55 
Не в сети
Интересующийся
Интересующийся

Зарегистрирован: 17 Mar 2010, 19:54
Сообщений: 15
Поблагодарил: раз(а)
Поблагодарили: раз(а)
Скутер: irbis iz50r
Стаж: 3
D-moon
Спасибо большое


Вернуться наверх
 Профиль  
 
Показать сообщения за:  Сортировать по:  
Начать новую тему Ответить на тему  [ Сообщений: 50 ]  На страницу Пред.  1, 2, 3, 4  След.

Часовой пояс: UTC + 3 часа


Кто сейчас на форуме

Сейчас этот форум просматривают: нет зарегистрированных пользователей и гости: 37


Вы не можете начинать темы
Вы не можете отвечать на сообщения
Вы не можете редактировать свои сообщения
Вы не можете удалять свои сообщения
Вы не можете добавлять вложения

Перейти:  
Powered by phpBB © phpBB Group
china-scooter.ru © 2006-2019