Клуб любителей китайских скутеров

Форум клуба любителей китайских скутеров

      
Текущее время: 22 Jan 2026, 17:54

Часовой пояс: UTC + 3 часа




Начать новую тему Ответить на тему  [ Сообщений: 43 ]  На страницу Пред.  1, 2, 3  След.
Автор Сообщение
 Заголовок сообщения: Re: Электросхемы (Только схемы! Без вопросов!)
СообщениеДобавлено: 13 Mar 2011, 15:52 
Не в сети
Опытный
Опытный

Зарегистрирован: 14 Nov 2010, 09:53
Сообщений: 809
Поблагодарил: раз(а)
Поблагодарили: раз(а)
Медали: 1
За стайлинг (1)
Скутер: кабанчик. 250 куб.
Стаж: 3 года.
и я пару схем выложу)


Вложения:
сигнализации.jpg
сигнализации.jpg [ 32.74 KiB | Просмотров: 55303 ]
Вернуться наверх
 Профиль  
 
 Заголовок сообщения: Re: Электросхемы (Только схемы! Без вопросов!)
СообщениеДобавлено: 17 Mar 2011, 03:00 
Не в сети
Старожил
Старожил

Зарегистрирован: 08 Jul 2009, 18:07
Сообщений: 3187
Откуда: Беларусь
Поблагодарил: раз(а)
Поблагодарили: раз(а)
Медали: 4
За полезные и полные ответы. (1) За тех. помощь 1-й степени (1) За тех. помощь 2-й степени (1) За вклад в развитие клуба (1)
Скутер: Hors 154\ 157QMJ\RC125T-9X\152QMJ
Вложение:
Безымянный11.jpg
Безымянный11.jpg [ 222.8 KiB | Просмотров: 55280 ]
Вложение:
Безымянный12.JPG
Безымянный12.JPG [ 214.92 KiB | Просмотров: 55280 ]

_________________
„Изучай правила, чтобы знать, как правильно их нарушить.“
„Мир несовершенен, поскольку мы несовершенны.“


Вернуться наверх
 Профиль  
 
 Заголовок сообщения: Re: Электросхемы (Только схемы! Без вопросов!)
СообщениеДобавлено: 02 Oct 2011, 18:11 
Не в сети
Старожил
Старожил

Зарегистрирован: 08 Jul 2009, 18:07
Сообщений: 3187
Откуда: Беларусь
Поблагодарил: раз(а)
Поблагодарили: раз(а)
Медали: 4
За полезные и полные ответы. (1) За тех. помощь 1-й степени (1) За тех. помощь 2-й степени (1) За вклад в развитие клуба (1)
Скутер: Hors 154\ 157QMJ\RC125T-9X\152QMJ
Вложение:
Безымянный9.JPG
Безымянный9.JPG [ 56.18 KiB | Просмотров: 54778 ]
Вложение:
Безымянный6.JPG
Безымянный6.JPG [ 72.69 KiB | Просмотров: 54778 ]

_________________
„Изучай правила, чтобы знать, как правильно их нарушить.“
„Мир несовершенен, поскольку мы несовершенны.“


Вернуться наверх
 Профиль  
 
 Заголовок сообщения: Re: Электросхемы (Только схемы! Без вопросов!)
СообщениеДобавлено: 20 Feb 2012, 15:00 
Не в сети
Гуру ремонта
Гуру ремонта
Аватар пользователя

Зарегистрирован: 20 Mar 2009, 23:12
Сообщений: 19841
Откуда: Бронницы
Поблагодарил: раз(а)
Поблагодарили: раз(а)
Медали: 4
За полезные и полные ответы. (1) За тех. помощь 1-й степени (1) За тех. помощь 2-й степени (1) За вклад в развитие клуба (1)
Скутер: Irbis Nirvana 150 уже 175сс
Стаж: Мото 21,скутер 4года
Вложение:
yamaha_mint.png
yamaha_mint.png [ 814.63 KiB | Просмотров: 27078 ]

_________________
Попытка прочесть книгу, не открыв её - обречена на провал.


Вернуться наверх
 Профиль  
 
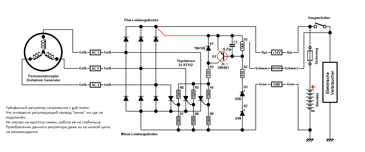
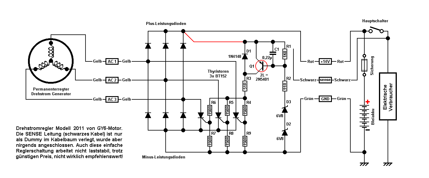
 Заголовок сообщения: 3 фазный регулятор напряжения.
СообщениеДобавлено: 01 Apr 2012, 23:35 
Не в сети
Старожил
Старожил
Аватар пользователя

Зарегистрирован: 20 Apr 2007, 21:20
Сообщений: 2828
Откуда: Германия
Поблагодарил: раз(а)
Поблагодарили: раз(а)
Скутер: 139QMB
Стаж: 7
3 фазный регулятор напряжения.


Вложения:
mod2011_splan_german.png
mod2011_splan_german.png [ 14.13 KiB | Просмотров: 54319 ]
mod2011_splan.png
mod2011_splan.png [ 45.82 KiB | Просмотров: 54319 ]
mod2011_offen.jpg
mod2011_offen.jpg [ 51.98 KiB | Просмотров: 54319 ]

_________________
Продумано не сказано!
Сказано не услышано!
Услышано не понято!
Понято не принято!
Принято не сделано!
Сделано не законченно!
Вернуться наверх
 Профиль  
 
 Заголовок сообщения: Re: Электросхемы (Только схемы! Без вопросов!)
СообщениеДобавлено: 11 Май 2012, 21:13 
Не в сети
Бывалый
Бывалый

Зарегистрирован: 10 Aug 2011, 06:31
Сообщений: 285
Откуда: Москва.СЗАО.Щукино.
Поблагодарил: раз(а)
Поблагодарили: раз(а)
Скутер: Yamaha Majesty 400
Стаж: 5 годков
Ирбис ,омакс грейс


Вложения:
Схема.jpg
Схема.jpg [ 371.02 KiB | Просмотров: 54042 ]
Вернуться наверх
 Профиль  
 
 Заголовок сообщения: Re: Электросхемы (Только схемы! Без вопросов!)
СообщениеДобавлено: 11 Май 2012, 21:25 
Не в сети
Гуру ремонта
Гуру ремонта
Аватар пользователя

Зарегистрирован: 20 Mar 2009, 23:12
Сообщений: 19841
Откуда: Бронницы
Поблагодарил: раз(а)
Поблагодарили: раз(а)
Медали: 4
За полезные и полные ответы. (1) За тех. помощь 1-й степени (1) За тех. помощь 2-й степени (1) За вклад в развитие клуба (1)
Скутер: Irbis Nirvana 150 уже 175сс
Стаж: Мото 21,скутер 4года
Виды коммутаторов, распиновка разъемов и типовые модели скутеров, мотоциклов.

_________________
Попытка прочесть книгу, не открыв её - обречена на провал.


Вернуться наверх
 Профиль  
 
 Заголовок сообщения: Re: Электросхемы (Только схемы! Без вопросов!)
СообщениеДобавлено: 07 Jun 2012, 10:47 
Не в сети
Старожил
Старожил

Зарегистрирован: 18 Jan 2009, 14:07
Сообщений: 7631
Откуда: 69 RUS
Поблагодарил: раз(а)
Поблагодарили: раз(а)
Медали: 6
За дальнобой 2-й степени. (1) За полезные и полные ответы. (1) За тех. помощь 1-й степени (1) За тех. помощь 2-й степени (1) За статью 1-й степени. (1)
Скутер: стелс лидер-50 2т (72 cc)
Стаж: 4
Вложение:
мопед альфа, дельта.jpg
мопед альфа, дельта.jpg [ 88.86 KiB | Просмотров: 51739 ]


Вернуться наверх
 Профиль  
 
 Заголовок сообщения: Re: Электросхемы (Только схемы! Без вопросов!)
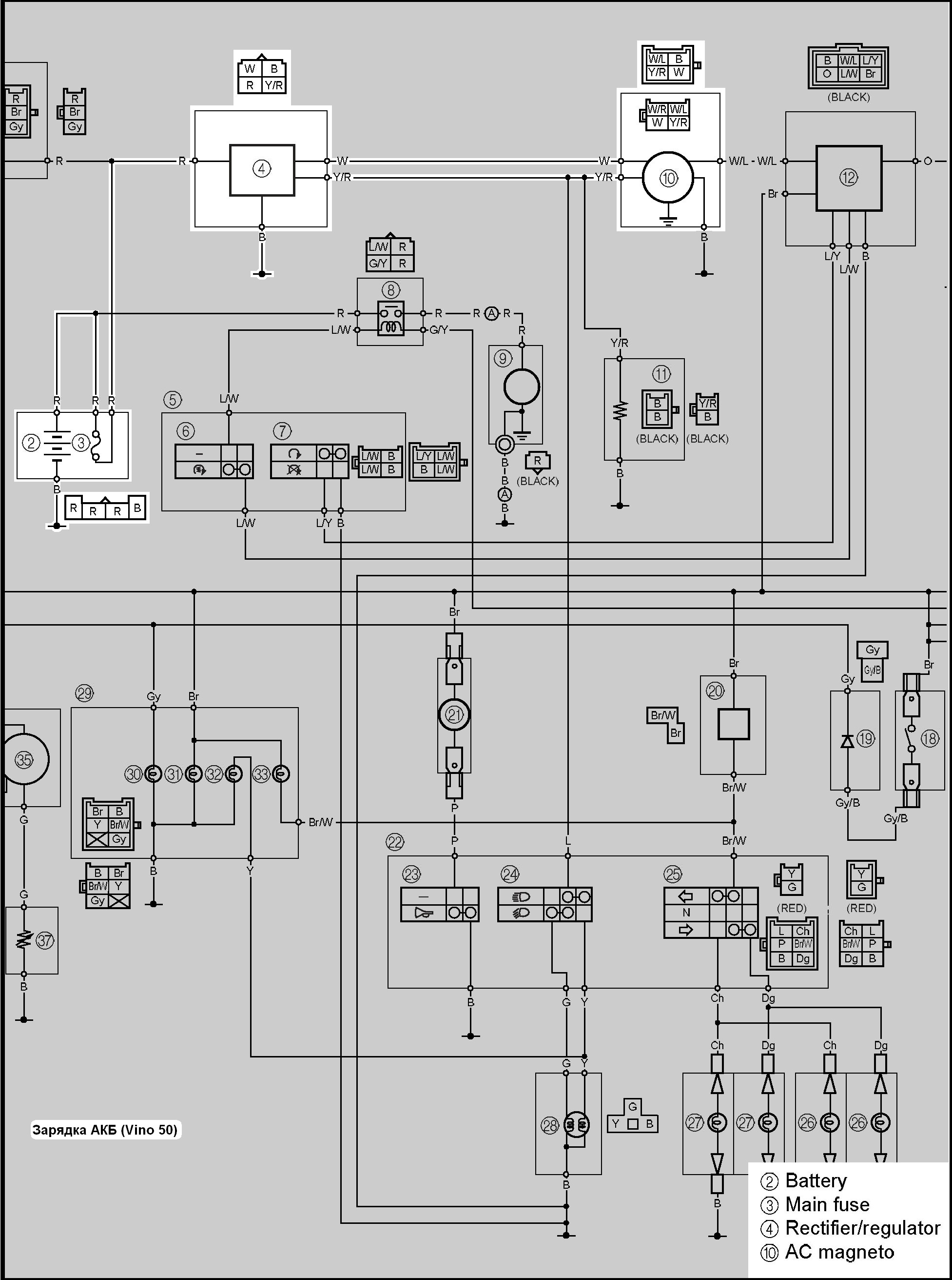
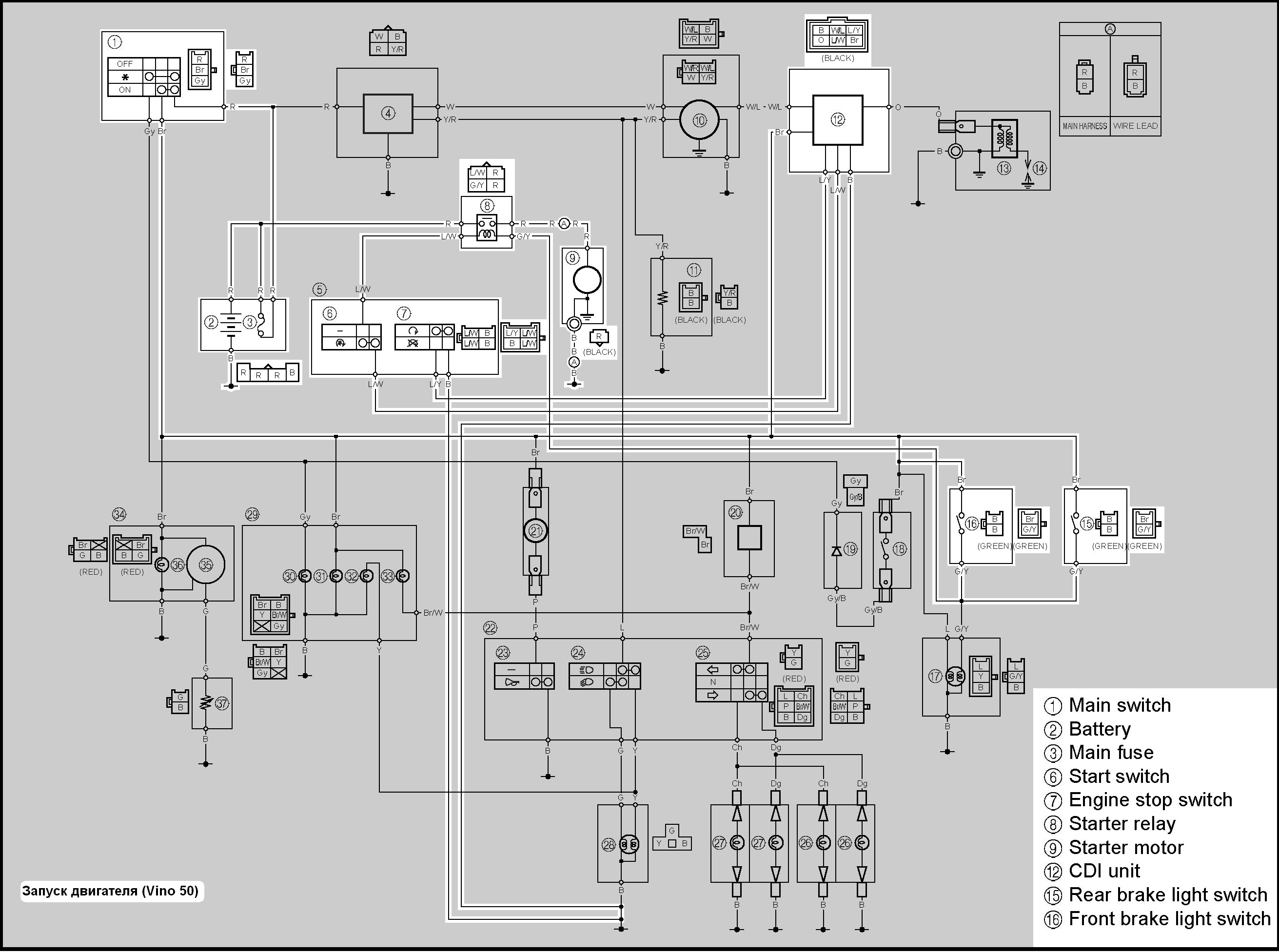
СообщениеДобавлено: 09 Jun 2012, 17:07 
Не в сети
Старожил
Старожил

Зарегистрирован: 08 Jul 2009, 18:07
Сообщений: 3187
Откуда: Беларусь
Поблагодарил: раз(а)
Поблагодарили: раз(а)
Медали: 4
За полезные и полные ответы. (1) За тех. помощь 1-й степени (1) За тех. помощь 2-й степени (1) За вклад в развитие клуба (1)
Скутер: Hors 154\ 157QMJ\RC125T-9X\152QMJ
Вложение:
Комментарий к файлу: Эл. схема системы пуска двигателя Vino 50
vino_50_1.jpg
vino_50_1.jpg [ 455.17 KiB | Просмотров: 51722 ]
Вложение:
Комментарий к файлу: Эл. схема системы зажигания Vino 50
vino_50_0.jpg
vino_50_0.jpg [ 443.31 KiB | Просмотров: 51722 ]

_________________
„Изучай правила, чтобы знать, как правильно их нарушить.“
„Мир несовершенен, поскольку мы несовершенны.“


Вернуться наверх
 Профиль  
 
 Заголовок сообщения: Re: Электросхемы (Только схемы! Без вопросов!)
СообщениеДобавлено: 09 Jun 2012, 21:49 
Не в сети
Старожил
Старожил

Зарегистрирован: 08 Jul 2009, 18:07
Сообщений: 3187
Откуда: Беларусь
Поблагодарил: раз(а)
Поблагодарили: раз(а)
Медали: 4
За полезные и полные ответы. (1) За тех. помощь 1-й степени (1) За тех. помощь 2-й степени (1) За вклад в развитие клуба (1)
Скутер: Hors 154\ 157QMJ\RC125T-9X\152QMJ
Учитывая то, что с файлообменника -http://rghost.ru/- файлы удаляются по истечении срока, размещаю файл здесь.
Вложение:
Vino50_Service_Manual_electrics.zip [558.43 KiB]
Скачиваний: 1222

_________________
„Изучай правила, чтобы знать, как правильно их нарушить.“
„Мир несовершенен, поскольку мы несовершенны.“


Вернуться наверх
 Профиль  
 
 Заголовок сообщения: Re: Электросхемы (Только схемы! Без вопросов!)
СообщениеДобавлено: 09 Jun 2012, 23:31 
Не в сети
Старожил
Старожил

Зарегистрирован: 08 Jul 2009, 18:07
Сообщений: 3187
Откуда: Беларусь
Поблагодарил: раз(а)
Поблагодарили: раз(а)
Медали: 4
За полезные и полные ответы. (1) За тех. помощь 1-й степени (1) За тех. помощь 2-й степени (1) За вклад в развитие клуба (1)
Скутер: Hors 154\ 157QMJ\RC125T-9X\152QMJ
Вложение:
Комментарий к файлу: Зарядка АКБ Vino 50
vino_50_2.jpg
vino_50_2.jpg [ 425.33 KiB | Просмотров: 49423 ]

_________________
„Изучай правила, чтобы знать, как правильно их нарушить.“
„Мир несовершенен, поскольку мы несовершенны.“


Вернуться наверх
 Профиль  
 
 Заголовок сообщения: Re: Электросхемы (Только схемы! Без вопросов!)
СообщениеДобавлено: 13 Jun 2012, 15:43 
Не в сети
Интересующийся
Интересующийся

Зарегистрирован: 27 Aug 2010, 08:33
Сообщений: 49
Поблагодарил: раз(а)
Поблагодарили: раз(а)
Скутер: Stels Leader 2t 70cc
Стаж: 5
Vento zip
Vento triton

подходит на стелсы


Вложения:
cxemi.rar [341.17 KiB]
Скачиваний: 1296
Вернуться наверх
 Профиль  
 
 Заголовок сообщения: Re: Электросхемы (Только схемы! Без вопросов!)
СообщениеДобавлено: 24 Aug 2012, 14:25 
Не в сети
Старожил
Старожил

Зарегистрирован: 08 Jul 2009, 18:07
Сообщений: 3187
Откуда: Беларусь
Поблагодарил: раз(а)
Поблагодарили: раз(а)
Медали: 4
За полезные и полные ответы. (1) За тех. помощь 1-й степени (1) За тех. помощь 2-й степени (1) За вклад в развитие клуба (1)
Скутер: Hors 154\ 157QMJ\RC125T-9X\152QMJ
Минск 2.154
Вложение:
Схема электрическая 2.154.jpg
Схема электрическая 2.154.jpg [ 475.65 KiB | Просмотров: 27083 ]

_________________
„Изучай правила, чтобы знать, как правильно их нарушить.“
„Мир несовершенен, поскольку мы несовершенны.“


Вернуться наверх
 Профиль  
 
 Заголовок сообщения: Re: Электросхемы (Только схемы! Без вопросов!)
СообщениеДобавлено: 22 Nov 2012, 19:50 
Не в сети
Старожил
Старожил
Аватар пользователя

Зарегистрирован: 18 Oct 2010, 06:21
Сообщений: 2538
Откуда: Кубань
Поблагодарил: раз(а)
Поблагодарили: раз(а)
Медали: 4
За полезные и полные ответы. (1) За тех. помощь 1-й степени (1) За тех. помощь 2-й степени (1) За вклад в развитие клуба (1)
Скутер: RACER uragan- 82сс.
Стаж: ***
Эл. Схема на RACER uragan 4т 50сс.


Вложения:
ScreenShot 208.png
ScreenShot 208.png [ 262.19 KiB | Просмотров: 37666 ]

_________________
"Добрым словом и револьвером, вы добьетесь намного большего.... чем одним добрым словом"
...Пишу с ошибками, читаю по слогам.
Вернуться наверх
 Профиль  
 
 Заголовок сообщения: Re: Электросхемы (Только схемы! Без вопросов!)
СообщениеДобавлено: 24 Nov 2012, 23:38 
Не в сети
Интересующийся
Интересующийся
Аватар пользователя

Зарегистрирован: 05 Nov 2012, 13:14
Сообщений: 14
Откуда: Королев
Поблагодарил: раз(а)
Поблагодарили: раз(а)
Скутер: Ranger
Стаж: 3 месяца
Вот мая Ranger GX-4T


Вложения:
sk gx.jpg
sk gx.jpg [ 127.47 KiB | Просмотров: 47484 ]
Вернуться наверх
 Профиль  
 
Показать сообщения за:  Сортировать по:  
Начать новую тему Ответить на тему  [ Сообщений: 43 ]  На страницу Пред.  1, 2, 3  След.

Часовой пояс: UTC + 3 часа


Кто сейчас на форуме

Сейчас этот форум просматривают: нет зарегистрированных пользователей и гости: 482


Вы не можете начинать темы
Вы не можете отвечать на сообщения
Вы не можете редактировать свои сообщения
Вы не можете удалять свои сообщения
Вы не можете добавлять вложения

Перейти:  
Powered by phpBB © phpBB Group
china-scooter.ru © 2006-2019