Клуб любителей китайских скутеров

Форум клуба любителей китайских скутеров

      
Текущее время: 17 ноя 2025, 08:43

Часовой пояс: UTC + 3 часа




Начать новую тему Ответить на тему  [ Сообщений: 164 ]  На страницу Пред.  1 ... 7, 8, 9, 10, 11
Автор Сообщение
 Заголовок сообщения: Re: Cеть скутера на постоянный ток с трёхфазного. Фотоотчёт!
СообщениеДобавлено: 02 апр 2014, 01:28 
Не в сети
Старожил
Старожил
Аватар пользователя

Зарегистрирован: 20 апр 2007, 21:20
Сообщений: 2828
Откуда: Германия
Поблагодарил: раз(а)
Поблагодарили: раз(а)
Скутер: 139QMB
Стаж: 7
Прежде стоит замерить мультиметром минус ли это.

_________________
Продумано не сказано!
Сказано не услышано!
Услышано не понято!
Понято не принято!
Принято не сделано!
Сделано не законченно!


Вернуться наверх
 Профиль  
 
 Заголовок сообщения: Re: Cеть скутера на постоянный ток с трёхфазного. Фотоотчёт!
СообщениеДобавлено: 08 май 2014, 13:51 
Не в сети
Посетитель
Посетитель
Аватар пользователя

Зарегистрирован: 25 июн 2010, 00:10
Сообщений: 205
Откуда: Светлодарск
Поблагодарил: раз(а)
Поблагодарили: раз(а)
Скутер: Самопал
Стаж: 6
конти
Подключил, на не заведённом показывает 12.6, на заведённом 14.4. Но это с аккумулятором, отключаю аккумулятор, показывает около 4 вольт. Вот думаю что может рн такой что только с аккумулятором работает, может быть такое?


Вернуться наверх
 Профиль  
 
 Заголовок сообщения: Re: Cеть скутера на постоянный ток с трёхфазного. Фотоотчёт!
СообщениеДобавлено: 08 май 2014, 14:04 
Не в сети
Гуру ремонта
Гуру ремонта
Аватар пользователя

Зарегистрирован: 20 мар 2009, 23:12
Сообщений: 19841
Откуда: Бронницы
Поблагодарил: раз(а)
Поблагодарили: раз(а)
Медали: 4
За полезные и полные ответы. (1) За тех. помощь 1-й степени (1) За тех. помощь 2-й степени (1) За вклад в развитие клуба (1)
Скутер: Irbis Nirvana 150 уже 175сс
Стаж: Мото 21,скутер 4года
Nikub писал(а):
конти
Подключил, на не заведённом показывает 12.6, на заведённом 14.4. Но это с аккумулятором, отключаю аккумулятор, показывает около 4 вольт. Вот думаю что может рн такой что только с аккумулятором работает, может быть такое?

А может перестать наступать на грабли?
Регулятор напряжения всё делает правильно.
Он не рассчитан на работу без аккумулятора.
Вот сам подумай, ты нормально без печени проживёшь?
Ничего не измениться?

_________________
Попытка прочесть книгу, не открыв её - обречена на провал.


Вернуться наверх
 Профиль  
 
 Заголовок сообщения: Re: Cеть скутера на постоянный ток с трёхфазного. Фотоотчёт!
СообщениеДобавлено: 08 май 2014, 15:14 
Не в сети
Посетитель
Посетитель
Аватар пользователя

Зарегистрирован: 25 июн 2010, 00:10
Сообщений: 205
Откуда: Светлодарск
Поблагодарил: раз(а)
Поблагодарили: раз(а)
Скутер: Самопал
Стаж: 6
GRO
То есть без аккумулятора не будет, например, ни света ни поворотников?


Вернуться наверх
 Профиль  
 
 Заголовок сообщения: Re: Cеть скутера на постоянный ток с трёхфазного. Фотоотчёт!
СообщениеДобавлено: 08 май 2014, 15:22 
Не в сети
Старожил
Старожил

Зарегистрирован: 18 янв 2009, 14:07
Сообщений: 7631
Откуда: 69 RUS
Поблагодарил: раз(а)
Поблагодарили: раз(а)
Медали: 6
За дальнобой 2-й степени. (1) За полезные и полные ответы. (1) За тех. помощь 1-й степени (1) За тех. помощь 2-й степени (1) За статью 1-й степени. (1)
Скутер: стелс лидер-50 2т (72 cc)
Стаж: 4
должно быть, так как замер напряжения снимается с выхода рн, в пустую, там большое импульсное напряжение, регулятор не успевает и зашкаливает.
С фарой напряжение ниже и оно изменяется более плавно поэтому и регулятор работает более стабильнее. Но нужен конденсатор или акб, баласт/буфер чтоб сделать напряжение еще ровнее. А в пустую раз зашкалит, два и сгорит рн.
Вот как то так я себе это представляю :)


Вернуться наверх
 Профиль  
 
 Заголовок сообщения: Re: Cеть скутера на постоянный ток с трёхфазного. Фотоотчёт!
СообщениеДобавлено: 08 май 2014, 16:32 
Не в сети
Гуру ремонта
Гуру ремонта
Аватар пользователя

Зарегистрирован: 20 мар 2009, 23:12
Сообщений: 19841
Откуда: Бронницы
Поблагодарил: раз(а)
Поблагодарили: раз(а)
Медали: 4
За полезные и полные ответы. (1) За тех. помощь 1-й степени (1) За тех. помощь 2-й степени (1) За вклад в развитие клуба (1)
Скутер: Irbis Nirvana 150 уже 175сс
Стаж: Мото 21,скутер 4года
Nikub
Твой регулятор тупо закорачивает обмотку генератора если идёт перенапряжение.
Если учесть, что генератор переменного тока, всё что показывает мультиметр - норма.
Просто максимум напряжения он показать не успевает, в результате показывает усреднёнку.

_________________
Попытка прочесть книгу, не открыв её - обречена на провал.


Вернуться наверх
 Профиль  
 
 Заголовок сообщения: Re: Cеть скутера на постоянный ток с трёхфазного. Фотоотчёт!
СообщениеДобавлено: 08 май 2014, 18:03 
Не в сети
Посетитель
Посетитель
Аватар пользователя

Зарегистрирован: 25 июн 2010, 00:10
Сообщений: 205
Откуда: Светлодарск
Поблагодарил: раз(а)
Поблагодарили: раз(а)
Скутер: Самопал
Стаж: 6
GRO
Я думал так однофазник работает, буду знать что и трёхфазник тоже


Вернуться наверх
 Профиль  
 
 Заголовок сообщения: Re: Cеть скутера на постоянный ток с трёхфазного. Фотоотчёт!
СообщениеДобавлено: 08 май 2014, 19:08 
Не в сети
Гуру ремонта
Гуру ремонта
Аватар пользователя

Зарегистрирован: 20 мар 2009, 23:12
Сообщений: 19841
Откуда: Бронницы
Поблагодарил: раз(а)
Поблагодарили: раз(а)
Медали: 4
За полезные и полные ответы. (1) За тех. помощь 1-й степени (1) За тех. помощь 2-й степени (1) За вклад в развитие клуба (1)
Скутер: Irbis Nirvana 150 уже 175сс
Стаж: Мото 21,скутер 4года
Трёхфазник тем более.


Вложения:
mod2011_splan.png
mod2011_splan.png [ 45.82 KiB | Просмотров: 116283 ]

_________________
Попытка прочесть книгу, не открыв её - обречена на провал.
Вернуться наверх
 Профиль  
 
 Заголовок сообщения: Re: Cеть скутера на постоянный ток с трёхфазного. Фотоотчёт!
СообщениеДобавлено: 01 авг 2015, 13:02 
Не в сети
Новичок
Новичок
Аватар пользователя

Зарегистрирован: 16 авг 2014, 22:33
Сообщений: 77
Откуда: Липецкая область
Поблагодарил: раз(а)
Поблагодарили: раз(а)
Скутер: Racer Stels RC 50 QT (72cc)
Стаж: 10
Подскажите, какой РР подойдет для переделки сети с переменного на постоянный ток из указанных- http://bike18.ru/products/18472345 , http://bike18.ru/products/18472344 , http://bike18.ru/products/13899040 , http://bike18.ru/products/13899302 ?


Вернуться наверх
 Профиль  
 
 Заголовок сообщения: Re: Cеть скутера на постоянный ток с трёхфазного. Фотоотчёт!
СообщениеДобавлено: 20 окт 2015, 18:41 
Не в сети
Новичок
Новичок

Зарегистрирован: 13 май 2013, 21:38
Сообщений: 91
Откуда: 33region
Поблагодарил: раз(а)
Поблагодарили: раз(а)
Скутер: irbis nirvana 2008г, jialing - jl50qt16
Стаж: 8
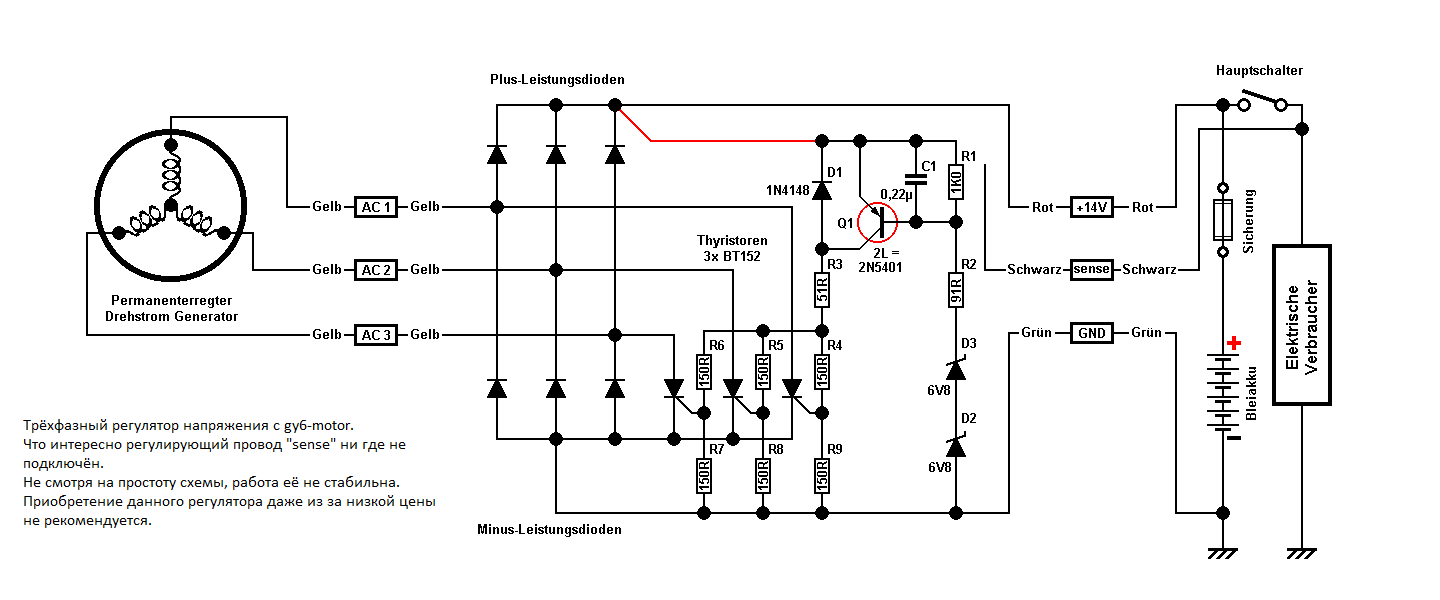
стоит 3х фазный генератор на 11 катушек
Вложение:
176_0.jpg
176_0.jpg [ 65.22 KiB | Просмотров: 115815 ]

РН - 1 фишка, 6 проводов
Вложение:
regulyator_napryazheniya_125cc.jpg
regulyator_napryazheniya_125cc.jpg [ 235.32 KiB | Просмотров: 115815 ]

Вложение:
ывыфаыфа.jpg
ывыфаыфа.jpg [ 156.69 KiB | Просмотров: 115815 ]

получается у меня нельзя сделать стабильного напряжения? так как нету провода "sense"

_________________
139qmb от хаобон! 170сс ~ 4 VALVE ~ вариатор KOSO груза по 10.5гр. ~ карб и впускной коллектор от nibbi PE 26 + подсос фирмы "domino" ~ генер 11катушек ~ масляное охлаждение ~ прямоток


Вернуться наверх
 Профиль  
 
 Заголовок сообщения: Re: Cеть скутера на постоянный ток с трёхфазного. Фотоотчёт!
СообщениеДобавлено: 20 окт 2015, 19:31 
Не в сети
Старожил
Старожил

Зарегистрирован: 18 янв 2009, 14:07
Сообщений: 7631
Откуда: 69 RUS
Поблагодарил: раз(а)
Поблагодарили: раз(а)
Медали: 6
За дальнобой 2-й степени. (1) За полезные и полные ответы. (1) За тех. помощь 1-й степени (1) За тех. помощь 2-й степени (1) За статью 1-й степени. (1)
Скутер: стелс лидер-50 2т (72 cc)
Стаж: 4
Если его нет то он и ненужен, все внутри соединено. У меня однофазка, РН 4 контактный из самых первых, тогда этот провод еще не придумали, все внутри, все регулируется.
А белый провод с РН у тебя зачем? Может он и есть сенсе!? Стабильность проверяется в работе замером напряжения на оборотах от средних до максимальных.


Вернуться наверх
 Профиль  
 
 Заголовок сообщения: Re: Cеть скутера на постоянный ток с трёхфазного. Фотоотчёт!
СообщениеДобавлено: 20 окт 2015, 19:49 
Не в сети
Новичок
Новичок

Зарегистрирован: 13 май 2013, 21:38
Сообщений: 91
Откуда: 33region
Поблагодарил: раз(а)
Поблагодарили: раз(а)
Скутер: irbis nirvana 2008г, jialing - jl50qt16
Стаж: 8
funix писал(а):
Если его нет то он и ненужен, все внутри соединено. У меня однофазка, РН 4 контактный из самых первых, тогда этот провод еще не придумали, все внутри, все регулируется.
А белый провод с РН у тебя зачем? Может он и есть сенсе!? Стабильность проверяется в работе замером напряжения на оборотах от средних до максимальных.

точно не помню на счет белого, по моему идет на электро клапан. красный с регулятора и черный с замка делал замер тестером на заведенном моторе, напряжение идет небольшое, даю нагрузку в виде включения габаритов, и сразу же показания меняются уже в большую сторону. на акб при этом висел вольтметр электронный, на нем показания не менялись, когда я красный с черным замыкал. надо было попробовать все тоже самое только из фишки вытянуть красный провод и опять же замкнуть на черный(с замка)

_________________
139qmb от хаобон! 170сс ~ 4 VALVE ~ вариатор KOSO груза по 10.5гр. ~ карб и впускной коллектор от nibbi PE 26 + подсос фирмы "domino" ~ генер 11катушек ~ масляное охлаждение ~ прямоток


Вернуться наверх
 Профиль  
 
 Заголовок сообщения: Re: Cеть скутера на постоянный ток с трёхфазного. Фотоотчёт!
СообщениеДобавлено: 21 окт 2015, 00:02 
Не в сети
Старожил
Старожил

Зарегистрирован: 18 янв 2009, 14:07
Сообщений: 7631
Откуда: 69 RUS
Поблагодарил: раз(а)
Поблагодарили: раз(а)
Медали: 6
За дальнобой 2-й степени. (1) За полезные и полные ответы. (1) За тех. помощь 1-й степени (1) За тех. помощь 2-й степени (1) За статью 1-й степени. (1)
Скутер: стелс лидер-50 2т (72 cc)
Стаж: 4
Если на РН нет черного провода, то и не надо, не надо черный с замка с красным замыкать. По замерам непонятно, Пусть будет все выключено, акб подключен по умолчанию, Заводишь, тестер на акб, смотришь, например на хх 12 вольт и показания могут прыгать из за малой частоты (обороты двигателя), даешь средний газ, показания 14,5, даешь полные обороты, показания 14,5, все работает как надо. если будет больше 14,8 на полных, то РН не регулирует, РН сдох или белый провод - сенсе, соединять с красным.
Естественно при включении любой нагрузки будет проседать напряжение, может ты ток замеряешь!? ток будет расти от нагрузки.


Вернуться наверх
 Профиль  
 
СообщениеСообщение было удалено | удалил: Yulia | 14 июн 2017, 04:13.
Причина: спам
Показать сообщения за:  Сортировать по:  
Начать новую тему Ответить на тему  [ Сообщений: 164 ]  На страницу Пред.  1 ... 7, 8, 9, 10, 11

Часовой пояс: UTC + 3 часа


Кто сейчас на форуме

Сейчас этот форум просматривают: нет зарегистрированных пользователей и гости: 58


Вы не можете начинать темы
Вы не можете отвечать на сообщения
Вы не можете редактировать свои сообщения
Вы не можете удалять свои сообщения
Вы не можете добавлять вложения

Перейти:  
Powered by phpBB © phpBB Group
china-scooter.ru © 2006-2019