Клуб любителей китайских скутеров

Форум клуба любителей китайских скутеров

      
Текущее время: 05 Mar 2026, 19:53

Часовой пояс: UTC + 3 часа




Начать новую тему Эта тема закрыта, Вы не можете редактировать и оставлять сообщения в ней.  [ Сообщений: 992 ]  На страницу Пред.  1 ... 47, 48, 49, 50, 51, 52, 53 ... 67  След.
Автор Сообщение
 Заголовок сообщения: Re: Новая статья. Переделка генератора двигателя 139QMB.Смот
СообщениеДобавлено: 18 Jun 2011, 22:23 
Не в сети
Посетитель
Посетитель

Зарегистрирован: 22 Oct 2010, 18:55
Сообщений: 181
Поблагодарил: раз(а)
Поблагодарили: раз(а)
Скутер: Нету
Стаж: 4
После переделки згорели уже 2 РР, 1 был - 5 контактный, 2 - 6 контактный. Генератор перемотан 1.4, что делать?


Вернуться наверх
 Профиль  
 
 Заголовок сообщения: Re: Новая статья. Переделка генератора двигателя 139QMB.Смот
СообщениеДобавлено: 19 Jun 2011, 02:30 
Не в сети
Новичок
Новичок
Аватар пользователя

Зарегистрирован: 05 Apr 2011, 23:42
Сообщений: 59
Откуда: Воронежская обл.
Поблагодарил: раз(а)
Поблагодарили: раз(а)
Скутер: Yamaha Jog Next Zone
Стаж: 2 года
Токи велики, невыдерживают фуфловые элементы используемые при сборке РР расчитанные на грани своих параметров при стоковом проводе генера для удешевления производства. Делать самодельный РР и потом забыть навсегда о том что когда то были проблемы с РР.

_________________
4 колеса возят тело, 2 колеса возят душу !


Вернуться наверх
 Профиль  
 
 Заголовок сообщения: Re: Новая статья. Переделка генератора двигателя 139QMB.Смот
СообщениеДобавлено: 19 Jun 2011, 07:38 
Не в сети
Посетитель
Посетитель

Зарегистрирован: 18 Apr 2009, 20:45
Сообщений: 206
Откуда: Ялуторовск
Поблагодарил: раз(а)
Поблагодарили: раз(а)
Скутер: GX Flash 72cc,Suzuki Sepia Af 50.
Стаж: с 2006 года
matimka,у меня тоже сгорел,а можешь рассказать,как это все у тебя происходило?Какие признаки?
Я вижу два варианта: 1) cматывать катушки и мотать меньшим проводом(или сток)
2)Сделать самодельный РР,как тебе сказал Y_Jog
Я вот решился на самодельный регулятор,так как сам понимаешь,катушки не охото скручивать...Обратись к Y_Jog,он тебе все подскажет и нарисует :)


Вернуться наверх
 Профиль  
 
 Заголовок сообщения: Re: Новая статья. Переделка генератора двигателя 139QMB.Смот
СообщениеДобавлено: 19 Jun 2011, 10:27 
Не в сети
Новичок
Новичок
Аватар пользователя

Зарегистрирован: 05 Apr 2011, 23:42
Сообщений: 59
Откуда: Воронежская обл.
Поблагодарил: раз(а)
Поблагодарили: раз(а)
Скутер: Yamaha Jog Next Zone
Стаж: 2 года
:-D реклама блин попёрла :-D тебе пусть соберут тогда и рекламировать надо, а то нарисовать то нарисую, кто б рисунок в жизнь притворял, а иногда ещё оказывается и засада с покупкой деталей бывает *HELP*

_________________
4 колеса возят тело, 2 колеса возят душу !


Вернуться наверх
 Профиль  
 
 Заголовок сообщения: Re: Новая статья. Переделка генератора двигателя 139QMB.Смот
СообщениеДобавлено: 19 Jun 2011, 11:10 
Не в сети
Посетитель
Посетитель

Зарегистрирован: 18 Apr 2009, 20:45
Сообщений: 206
Откуда: Ялуторовск
Поблагодарил: раз(а)
Поблагодарили: раз(а)
Скутер: GX Flash 72cc,Suzuki Sepia Af 50.
Стаж: с 2006 года
как ,например, у меня засада была с деталями фиг знает где их откопали,всю Тюмень наверно перекопали :-D Само собой,если все будет работать,почему бы и не рассказать?Людем же главно,чтоб работало :)


Вернуться наверх
 Профиль  
 
 Заголовок сообщения: Re: Новая статья. Переделка генератора двигателя 139QMB.Смот
СообщениеДобавлено: 19 Jun 2011, 22:13 
Не в сети
Посетитель
Посетитель

Зарегистрирован: 22 Oct 2010, 18:55
Сообщений: 181
Поблагодарил: раз(а)
Поблагодарили: раз(а)
Скутер: Нету
Стаж: 4
CRazy писал(а):
matimka,у меня тоже сгорел,а можешь рассказать,как это все у тебя происходило?Какие признаки?
Я вижу два варианта: 1) cматывать катушки и мотать меньшим проводом(или сток)
2)Сделать самодельный РР,как тебе сказал Y_Jog
Я вот решился на самодельный регулятор,так как сам понимаешь,катушки не охото скручивать...Обратись к Y_Jog,он тебе все подскажет и нарисует :)

Может тогда пусть Y_Jog создаст отдельную темку где все нарисует и расскажет) а мы попробуем собрать,
5 контактный РР сгорел на 3 день после установки, (катался без аккумулятора) проверил мультиметром на красном от рр ток не идет.
6 контактный РР покатался неделю, еду смотрю музыка захлебывается, поехал домой снял акум завел накинул на провода мультиметр показывает 5 вольт постоянки или 6 вольт переменки, перетрехнул проводку стало 13,5 поехал дальше кататься, теперь 28 вольт показывает.


Вернуться наверх
 Профиль  
 
 Заголовок сообщения: Re: Новая статья. Переделка генератора двигателя 139QMB.Смот
СообщениеДобавлено: 19 Jun 2011, 22:31 
Не в сети
Посетитель
Посетитель

Зарегистрирован: 18 Apr 2009, 20:45
Сообщений: 206
Откуда: Ялуторовск
Поблагодарил: раз(а)
Поблагодарили: раз(а)
Скутер: GX Flash 72cc,Suzuki Sepia Af 50.
Стаж: с 2006 года
У него есть тема"импульсный регулятор"почитай.
А с фарой все в порядке было?Ну всмысле не тускнела на скорости?А то у меня тускнела :(


Вернуться наверх
 Профиль  
 
 Заголовок сообщения: Re: Новая статья. Переделка генератора двигателя 139QMB.Смот
СообщениеДобавлено: 20 Jun 2011, 00:03 
Не в сети
Новичок
Новичок
Аватар пользователя

Зарегистрирован: 05 Apr 2011, 23:42
Сообщений: 59
Откуда: Воронежская обл.
Поблагодарил: раз(а)
Поблагодарили: раз(а)
Скутер: Yamaha Jog Next Zone
Стаж: 2 года
я не спец по проводке скутеров, только в схемах могу подсказать и "примерно" исходя из схемы устройства что куда подключать, со скутерами вплотную не общался в живую, мастерской у меня нет.

_________________
4 колеса возят тело, 2 колеса возят душу !


Последний раз редактировалось Y_Jog 22 Jun 2011, 17:25, всего редактировалось 2 раз(а).

Вернуться наверх
 Профиль  
 
 Заголовок сообщения: Re: Новая статья. Переделка генератора двигателя 139QMB.Смот
СообщениеДобавлено: 20 Jun 2011, 00:05 
Не в сети
Новичок
Новичок
Аватар пользователя

Зарегистрирован: 05 Apr 2011, 23:42
Сообщений: 59
Откуда: Воронежская обл.
Поблагодарил: раз(а)
Поблагодарили: раз(а)
Скутер: Yamaha Jog Next Zone
Стаж: 2 года
Цитата:
Может тогда пусть Y_Jog создаст отдельную темку где все нарисует и расскажет) а мы попробуем собрать

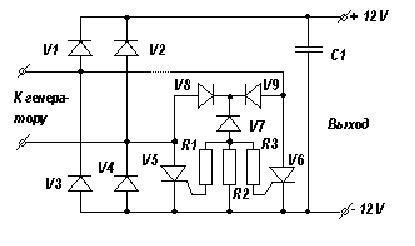
тут где то описывались уже самодельные РР, наподобии такого, главное его правильно подключить в проводку скутера.

*************
Добавил. Первые 2 странички темы внимательней посмотри там есть инфа про схемы регуляторов :001


Вложения:
xenon1_lg.jpg
xenon1_lg.jpg [ 36.19 KiB | Просмотров: 5155 ]

_________________
4 колеса возят тело, 2 колеса возят душу !
Вернуться наверх
 Профиль  
 
 Заголовок сообщения: Re: Новая статья. Переделка генератора двигателя 139QMB.Смот
СообщениеДобавлено: 26 Jun 2011, 12:01 
Не в сети
Старожил
Старожил
Аватар пользователя

Зарегистрирован: 20 Aug 2008, 14:47
Сообщений: 3948
Откуда: Алтайский край, Барнаул
Поблагодарил: раз(а)
Поблагодарили: раз(а)
Медали: 5
За дальнобой 2-й степени. (1) За статью 1-й степени. (1) За вклад в развитие клуба (1) За стайлинг (1) За инновации (1)
Скутер: Продан...
Стаж: Много...
переделка генератора на стелсе не увенчалась успехом, переделал обратно на сток. на хх и средних оборотах при небольшой нагрузке 14.9 вольт, включаю только фары - 12.6, не выше на всех оборотах. не пойму - статор мотать или регулятор менять... оптика в принципе мощная на стелсе. но без переделки светит нормально


Вернуться наверх
 Профиль  
 
 Заголовок сообщения: Re: Новая статья. Переделка генератора двигателя 139QMB.Смот
СообщениеДобавлено: 26 Jun 2011, 14:57 
Не в сети
Наблюдатель

Зарегистрирован: 18 Май 2010, 21:33
Сообщений: 9
Откуда: Краснодарский край,Новокубанский район,Х.Родниковский
Поблагодарил: раз(а)
Поблагодарили: раз(а)
Скутер: Yokomoto TK50QT-9
Стаж: 1
Подскажите пожалуйста, у меня 5 контактный РР у него черный провод SENSE звонится с массой так, и должно быть?


Вернуться наверх
 Профиль  
 
 Заголовок сообщения: Re: Новая статья. Переделка генератора двигателя 139QMB.Смот
СообщениеДобавлено: 03 Aug 2011, 19:47 
Не в сети
Новичок
Новичок

Зарегистрирован: 24 Dec 2010, 21:30
Сообщений: 70
Поблагодарил: раз(а)
Поблагодарили: раз(а)
Скутер: irbis nirvana 150
Стаж: растёт
есть реле с 2 фишками 5 контактами, 3 жёлтых и зелёный с красным. подойдёт ли такой???


Вложения:
реле регулятор.jpg
реле регулятор.jpg [ 23.63 KiB | Просмотров: 5076 ]

_________________
больше скорость - меньше ям!
Вернуться наверх
 Профиль  
 
 Заголовок сообщения: Re: Новая статья. Переделка генератора двигателя 139QMB.Смот
СообщениеДобавлено: 03 Aug 2011, 19:47 
Не в сети
Новичок
Новичок

Зарегистрирован: 24 Dec 2010, 21:30
Сообщений: 70
Поблагодарил: раз(а)
Поблагодарили: раз(а)
Скутер: irbis nirvana 150
Стаж: растёт
есть реле с 2 фишками 5 контактами, 3 жёлтых и зелёный с красным. подойдёт ли такой???


Вложения:
реле регулятор.jpg
реле регулятор.jpg [ 23.63 KiB | Просмотров: 5155 ]

_________________
больше скорость - меньше ям!
Вернуться наверх
 Профиль  
 
 Заголовок сообщения: Re: Новая статья. Переделка генератора двигателя 139QMB.Смот
СообщениеДобавлено: 03 Aug 2011, 19:55 
Не в сети
Старожил
Старожил

Зарегистрирован: 18 Jan 2009, 14:07
Сообщений: 7631
Откуда: 69 RUS
Поблагодарил: раз(а)
Поблагодарили: раз(а)
Медали: 6
За дальнобой 2-й степени. (1) За полезные и полные ответы. (1) За тех. помощь 1-й степени (1) За тех. помощь 2-й степени (1) За статью 1-й степени. (1)
Скутер: стелс лидер-50 2т (72 cc)
Стаж: 4
Подойдет.

Сенсе - это питание схемы регулирования, в одну сторону он должен звониться, в другую нет. Там по логике диодный мост у него отдельный.


Вернуться наверх
 Профиль  
 
 Заголовок сообщения: Re: Новая статья. Переделка генератора двигателя 139QMB.Смот
СообщениеДобавлено: 04 Aug 2011, 20:13 
Не в сети
Новичок
Новичок

Зарегистрирован: 24 Dec 2010, 21:30
Сообщений: 70
Поблагодарил: раз(а)
Поблагодарили: раз(а)
Скутер: irbis nirvana 150
Стаж: растёт
всё перепаял, но мало что изменилось. какие есть ещё варианты кроме перемотки?

_________________
больше скорость - меньше ям!


Вернуться наверх
 Профиль  
 
Показать сообщения за:  Сортировать по:  
Начать новую тему Эта тема закрыта, Вы не можете редактировать и оставлять сообщения в ней.  [ Сообщений: 992 ]  На страницу Пред.  1 ... 47, 48, 49, 50, 51, 52, 53 ... 67  След.

Часовой пояс: UTC + 3 часа


Кто сейчас на форуме

Сейчас этот форум просматривают: нет зарегистрированных пользователей и гости: 28


Вы не можете начинать темы
Вы не можете отвечать на сообщения
Вы не можете редактировать свои сообщения
Вы не можете удалять свои сообщения
Вы не можете добавлять вложения

Перейти:  
cron
Powered by phpBB © phpBB Group
china-scooter.ru © 2006-2019