Клуб любителей китайских скутеров

Форум клуба любителей китайских скутеров

      
Текущее время: 15 Mar 2026, 19:30

Часовой пояс: UTC + 3 часа




Начать новую тему Ответить на тему  [ Сообщений: 19 ]  На страницу 1, 2  След.
Автор Сообщение
 Заголовок сообщения: Генератор Стелс скиф 50
СообщениеДобавлено: 05 Jun 2013, 10:50 
Не в сети
Интересующийся
Интересующийся

Зарегистрирован: 03 Jun 2013, 10:25
Сообщений: 12
Откуда: Нижегородская обл. г Бор
Поблагодарил: раз(а)
Поблагодарили: раз(а)
Скутер: Стелс Скиф 50
Стаж: 2
Проблемма в следующем!!! Накрылся гена (не прозванивается катушка отвечающая за искру). Перерыл вес интернет не могу найти подходящий. Может кто знает правелную маркировку магнето. Ато кота в мешке покупать не хочется.


Вернуться наверх
 Профиль  
 
 Заголовок сообщения: Re: Генератор Стелс скиф 50
СообщениеДобавлено: 05 Jun 2013, 12:42 
Не в сети
Новичок
Новичок

Зарегистрирован: 11 Mar 2013, 20:09
Сообщений: 82
Поблагодарил: раз(а)
Поблагодарили: раз(а)
Скутер: ABM ZX50S (2t)
Стаж: 7
бери на yamaha jog не ошибешся, на главной странице есть сайты с запчастями


Вернуться наверх
 Профиль  
 
 Заголовок сообщения: Re: Генератор Стелс скиф 50
СообщениеДобавлено: 05 Jun 2013, 13:24 
Не в сети
Интересующийся
Интересующийся

Зарегистрирован: 03 Jun 2013, 10:25
Сообщений: 12
Откуда: Нижегородская обл. г Бор
Поблагодарил: раз(а)
Поблагодарили: раз(а)
Скутер: Стелс Скиф 50
Стаж: 2
А по разъёмам подойдет? У меня выход 5 проводов ( одна фишка с 2 проводрми, и три провода на обычных круглых клемах(с хола, с катушке которая перегорела и масса)


Вернуться наверх
 Профиль  
 
 Заголовок сообщения: Re: Генератор Стелс скиф 50
СообщениеДобавлено: 05 Jun 2013, 13:36 
Не в сети
Старожил
Старожил

Зарегистрирован: 18 Jan 2009, 14:07
Сообщений: 7631
Откуда: 69 RUS
Поблагодарил: раз(а)
Поблагодарили: раз(а)
Медали: 6
За дальнобой 2-й степени. (1) За полезные и полные ответы. (1) За тех. помощь 1-й степени (1) За тех. помощь 2-й степени (1) За статью 1-й степени. (1)
Скутер: стелс лидер-50 2т (72 cc)
Стаж: 4
Любой с ременного 2т тебе подойдет и наверное в каждом магазине их навалом, а вот в интернетшопах что то сложновато найти, наверное все скупили :)


Вернуться наверх
 Профиль  
 
 Заголовок сообщения: Re: Генератор Стелс скиф 50
СообщениеДобавлено: 07 Jun 2013, 10:57 
Не в сети
Интересующийся
Интересующийся

Зарегистрирован: 03 Jun 2013, 10:25
Сообщений: 12
Откуда: Нижегородская обл. г Бор
Поблагодарил: раз(а)
Поблагодарили: раз(а)
Скутер: Стелс Скиф 50
Стаж: 2
Подтвердите правильность моих выводов. Катушка которая отвечает за искру на гене не прозванивается, соответственно генератор надо менять.


Вернуться наверх
 Профиль  
 
 Заголовок сообщения: Re: Генератор Стелс скиф 50
СообщениеДобавлено: 07 Jun 2013, 10:59 
Не в сети
Интересующийся
Интересующийся

Зарегистрирован: 03 Jun 2013, 10:25
Сообщений: 12
Откуда: Нижегородская обл. г Бор
Поблагодарил: раз(а)
Поблагодарили: раз(а)
Скутер: Стелс Скиф 50
Стаж: 2
Кстати в магазинах генераторов на 2т тоже мало, в основном на 4т.


Вернуться наверх
 Профиль  
 
 Заголовок сообщения: Re: Генератор Стелс скиф 50
СообщениеДобавлено: 07 Jun 2013, 11:46 
Не в сети
Бывалый
Бывалый
Аватар пользователя

Зарегистрирован: 01 Feb 2008, 20:48
Сообщений: 302
Поблагодарил: раз(а)
Поблагодарили: раз(а)
fank писал(а):
Подтвердите правильность моих выводов. Катушка которая отвечает за искру на гене не прозванивается, соответственно генератор надо менять.


Либо перематывать,либо менять.Повреждение механическое?
А так в продаже есть
http://scooter-zip.ru/category/product/ ... _2T_50cc_/
Датчик с одним проводом,есть с двумя.

Можно попробывать заказать на сайте
http://stelsmoto.ru/zapchasti/

_________________
Stels Tactic 65cc(запилинг)
Malossi Dellorto PHBN 17.5(ГТЖ 72)
Запил сток. ЛК,лепестки стеклотекстолит 0.35мм
Malossi Multivar,Malossi Ventilvar,7.5 гр
Dayco 7175,белая-торк,желтые-сцепление 297715
Hella micro de,ксенон 2*25W 3000K
Pirelli GTS23/24


Вернуться наверх
 Профиль  
 
 Заголовок сообщения: Re: Генератор Стелс скиф 50
СообщениеДобавлено: 07 Jun 2013, 14:01 
Не в сети
Интересующийся
Интересующийся

Зарегистрирован: 03 Jun 2013, 10:25
Сообщений: 12
Откуда: Нижегородская обл. г Бор
Поблагодарил: раз(а)
Поблагодарили: раз(а)
Скутер: Стелс Скиф 50
Стаж: 2
Нет повреждения не механические! он просто перестала работать


Вернуться наверх
 Профиль  
 
 Заголовок сообщения: Re: Генератор Стелс скиф 50
СообщениеДобавлено: 07 Jun 2013, 14:16 
Не в сети
Бывалый
Бывалый
Аватар пользователя

Зарегистрирован: 01 Feb 2008, 20:48
Сообщений: 302
Поблагодарил: раз(а)
Поблагодарили: раз(а)
Может просто отгнил провод,у меня там плохо было покрыто герметиком и позеленел/окислился один из медных проводков выходящих из катушки
Вложение:
SNC00011.jpg
SNC00011.jpg [ 48 KiB | Просмотров: 10325 ]

А если сгорела обмотка,то возможно камут виновен.

_________________
Stels Tactic 65cc(запилинг)
Malossi Dellorto PHBN 17.5(ГТЖ 72)
Запил сток. ЛК,лепестки стеклотекстолит 0.35мм
Malossi Multivar,Malossi Ventilvar,7.5 гр
Dayco 7175,белая-торк,желтые-сцепление 297715
Hella micro de,ксенон 2*25W 3000K
Pirelli GTS23/24


Вернуться наверх
 Профиль  
 
 Заголовок сообщения: Re: Генератор Стелс скиф 50
СообщениеДобавлено: 08 Jun 2013, 12:44 
Не в сети
Интересующийся
Интересующийся

Зарегистрирован: 03 Jun 2013, 10:25
Сообщений: 12
Откуда: Нижегородская обл. г Бор
Поблагодарил: раз(а)
Поблагодарили: раз(а)
Скутер: Стелс Скиф 50
Стаж: 2
На вид вроде целая, мех. повреждений нет, да и на сгоревшую не похожа. Попробую контакты проверить.


Вернуться наверх
 Профиль  
 
 Заголовок сообщения: Re: Генератор Стелс скиф 50
СообщениеДобавлено: 08 Jun 2013, 13:05 
Не в сети
Интересующийся
Интересующийся

Зарегистрирован: 03 Jun 2013, 10:25
Сообщений: 12
Откуда: Нижегородская обл. г Бор
Поблагодарил: раз(а)
Поблагодарили: раз(а)
Скутер: Стелс Скиф 50
Стаж: 2
Проверил контакты целые


Вернуться наверх
 Профиль  
 
 Заголовок сообщения: Re: Генератор Стелс скиф 50
СообщениеДобавлено: 30 Jul 2013, 22:14 
Не в сети
Интересующийся
Интересующийся

Зарегистрирован: 23 Jun 2013, 16:52
Сообщений: 26
Откуда: Москва
Поблагодарил: раз(а)
Поблагодарили: раз(а)
Скутер: Стелс Скиф
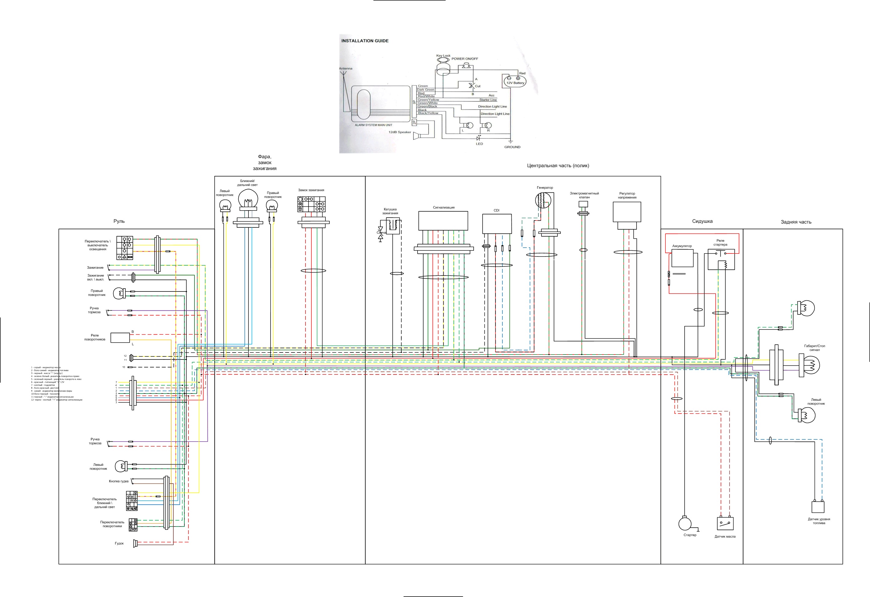
Подниму тему. Купил в интернет магазине статор генератора для Стелс 2т. Но он имеет на один вывод больше чем у моего Стелса Скифа. Три в фишке и три по отдельности (в старом два по отдельности) : белый, зелено красный, черный - в разъеме, черно красный, бело зеленый, сине белый - по отдельности. Как мне адаптировать деталь к моей схеме? Я так понимаю разница в проводах датчика - тут они уходят сразу на разъемы, а у моего старого статора один провод датчика проходит через какую-то из катушек. Помогите разобраться.
На схеме которую я нашел здесь на форуме - с генератора вообще выходит 4 провода, а к коммутатору приходит 6 (у меня - 5).


Вложения:
Схема Скиф.jpg
Схема Скиф.jpg [ 563.77 KiB | Просмотров: 10128 ]
Вернуться наверх
 Профиль  
 
 Заголовок сообщения: Re: Генератор Стелс скиф 50
СообщениеДобавлено: 30 Jul 2013, 22:16 
Не в сети
Интересующийся
Интересующийся

Зарегистрирован: 23 Jun 2013, 16:52
Сообщений: 26
Откуда: Москва
Поблагодарил: раз(а)
Поблагодарили: раз(а)
Скутер: Стелс Скиф
Прошу прощения с коммутатором все точно. Это к регулятору подходят 4 провода, а не 3 как на этой схеме.


Вернуться наверх
 Профиль  
 
 Заголовок сообщения: Re: Генератор Стелс скиф 50
СообщениеДобавлено: 30 Jul 2013, 23:32 
Не в сети
Старожил
Старожил

Зарегистрирован: 18 Jan 2009, 14:07
Сообщений: 7631
Откуда: 69 RUS
Поблагодарил: раз(а)
Поблагодарили: раз(а)
Медали: 6
За дальнобой 2-й степени. (1) За полезные и полные ответы. (1) За тех. помощь 1-й степени (1) За тех. помощь 2-й степени (1) За статью 1-й степени. (1)
Скутер: стелс лидер-50 2т (72 cc)
Стаж: 4
У меня скут модели 9-го года, с датчика 2-а провода, всего 6.
У тебя сейчас 2-а провода с датчика, а был 1, второй был посажен на массу прямо на генераторе. Значит один из проводов нужно соединить с черным в колодке где 3 идут.
Посмотрел свою схему, сине-белый идет на коммутатор (сигнал), а зелено-белый соединяй с черным в колодке генератора или с черным на коммутаторе.
Распиновка.
Вложение:
распиновка комутатора.JPG
распиновка комутатора.JPG [ 71.27 KiB | Просмотров: 10124 ]


Вернуться наверх
 Профиль  
 
 Заголовок сообщения: Re: Генератор Стелс скиф 50
СообщениеДобавлено: 31 Jul 2013, 08:10 
Не в сети
Интересующийся
Интересующийся

Зарегистрирован: 23 Jun 2013, 16:52
Сообщений: 26
Откуда: Москва
Поблагодарил: раз(а)
Поблагодарили: раз(а)
Скутер: Стелс Скиф
Спасибо большое! А что касается регулятора напряженя. Почему может отличаться от схемы?


Вернуться наверх
 Профиль  
 
Показать сообщения за:  Сортировать по:  
Начать новую тему Ответить на тему  [ Сообщений: 19 ]  На страницу 1, 2  След.

Часовой пояс: UTC + 3 часа


Кто сейчас на форуме

Сейчас этот форум просматривают: нет зарегистрированных пользователей и гости: 13


Вы не можете начинать темы
Вы не можете отвечать на сообщения
Вы не можете редактировать свои сообщения
Вы не можете удалять свои сообщения
Вы не можете добавлять вложения

Перейти:  
Powered by phpBB © phpBB Group
china-scooter.ru © 2006-2019