Клуб любителей китайских скутеров

Форум клуба любителей китайских скутеров

      
Текущее время: 22 Jan 2026, 17:53

Часовой пояс: UTC + 3 часа




Начать новую тему Ответить на тему  [ Сообщений: 13 ] 
Автор Сообщение
 Заголовок сообщения: Покупка 11 катушечного статора и как узнать распиновку РН
СообщениеДобавлено: 22 Apr 2023, 22:50 
Не в сети
Новичок
Новичок
Аватар пользователя

Зарегистрирован: 16 Aug 2014, 22:33
Сообщений: 77
Откуда: Липецкая область
Поблагодарил: раз(а)
Поблагодарили: раз(а)
Скутер: Racer Stels RC 50 QT (72cc)
Стаж: 10
Здравствуйте! Подскажите, имеется скутер racer stells rc 50 qt, с питанием света напрямую от генератора. Хочу переделать на "постоянку", тк планирую установить светодиодные лампы с мини линзами. Имеет ли смысл брать 11 катушечный статор с 150 см3, выдаст ли он больше тока, или провода там намотано столько же, сколько в моем 8 катушечном (2 зажигания+6 на фары/зарядку)? продавец говорит, что подойдет на мой полтинник по размерам. https://www.ozon.ru/product/stator-gene ... LtmslwtGQw ссылка на статор, который хочу купить.
И еще вопрос по реле, на нем 5 проводов- правильно ли я понимаю что красный +12, черный сенс (регулировка напряжения, подключить после замка зажигания), зеленый масса, желтый и розовый входы переменки? или подскажите как можно его прозвонить, чтобы точно узнать?


Вернуться наверх
 Профиль  
 
 Заголовок сообщения: Re: Покупка 11 катушечного статора и как узнать распиновку Р
СообщениеДобавлено: 23 Apr 2023, 14:18 
В сети
Старожил
Старожил
Аватар пользователя

Зарегистрирован: 24 Oct 2010, 23:54
Сообщений: 1564
Откуда: Раменское
Поблагодарил: раз(а)
Поблагодарили: раз(а)
Медали: 4
За полезные и полные ответы. (1) За тех. помощь 1-й степени (1) За тех. помощь 2-й степени (1) За грамотность (1)
Скутер: Haobon qt10, S ZNEN-King, Рига-26
Стаж: C89
С 11катушечным надо покупать свой колокол и регулятор. Выходная мощность около 130Вт.
Правильно понимаешь.


Вернуться наверх
 Профиль  
 
 Заголовок сообщения: Re: Покупка 11 катушечного статора и как узнать распиновку Р
СообщениеДобавлено: 23 Apr 2023, 21:32 
Не в сети
Новичок
Новичок
Аватар пользователя

Зарегистрирован: 16 Aug 2014, 22:33
Сообщений: 77
Откуда: Липецкая область
Поблагодарил: раз(а)
Поблагодарили: раз(а)
Скутер: Racer Stels RC 50 QT (72cc)
Стаж: 10
AVK-73
значит около 10ампер. сколько же тогда выдаст мой штатный статор, если переделать его на постоянку(то бишь когда свет будет работать без запущенного мотора)?
Планирую переделать весь свет на светодиоды, надеюсь это сократит потребление. Кроме поворотников, тк не уверен что штатное реле не заглючит.


Вернуться наверх
 Профиль  
 
 Заголовок сообщения: Re: Покупка 11 катушечного статора и как узнать распиновку Р
СообщениеДобавлено: 06 Май 2023, 22:58 
Не в сети
Новичок
Новичок
Аватар пользователя

Зарегистрирован: 16 Aug 2014, 22:33
Сообщений: 77
Откуда: Липецкая область
Поблагодарил: раз(а)
Поблагодарили: раз(а)
Скутер: Racer Stels RC 50 QT (72cc)
Стаж: 10
Переделал имеющийся статор. Поставил светодиоды везде кроме поворотников, и пока дальнего света. При включенном ближнем свете при прогреве 14,1в, после сброса прогревочных оборотов- 13в, в принципе нормально, на оборотах даже с дальним светом думаю будет хватать.


Вернуться наверх
 Профиль  
 
 Заголовок сообщения: Re: Покупка 11 катушечного статора и как узнать распиновку Р
СообщениеДобавлено: 16 Jun 2023, 15:10 
Не в сети
Посетитель
Посетитель
Аватар пользователя

Зарегистрирован: 06 Apr 2012, 05:49
Сообщений: 179
Откуда: Москва САО
Поблагодарил: раз(а)
Поблагодарили: раз(а)
Скутер: Irbis Nirvana 49+cc
Стаж: 11
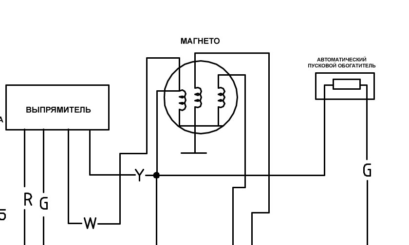
fyodorg писал(а):
Переделал имеющийся статор. .

не замерял случайно обмотки предыдущего? 7 катушек дали 0,7 Ом (белый-желтый провода), на землю не звонятся. А на схемах электрики почему-то 1 ответвление, основная обмотка на землю. А свет на постоянку переделать - достаточно пустить на переключатель фар не переменку с генератора, а выпрямленные 14 В с выпрямителя. Он там рядом под клювом. Статор менять - слишком рискованная и тяжелая затея.


Вложения:
часть схемы2.jpg
часть схемы2.jpg [ 67.12 KiB | Просмотров: 18411 ]

_________________
Пробег 12600, полет нормальный.
Вернуться наверх
 Профиль  
 
 Заголовок сообщения: Re: Покупка 11 катушечного статора и как узнать распиновку Р
СообщениеДобавлено: 16 Jun 2023, 15:26 
Не в сети
Новичок
Новичок
Аватар пользователя

Зарегистрирован: 16 Aug 2014, 22:33
Сообщений: 77
Откуда: Липецкая область
Поблагодарил: раз(а)
Поблагодарили: раз(а)
Скутер: Racer Stels RC 50 QT (72cc)
Стаж: 10
pvs512
Нет, к сожалению не мерил.
Переделал по инструкциям на 5 контактный регулятор напряжения, перепаял штатный статор. Поставил нормальные лампочки и светодиоды почти везде. https://youtu.be/vc685B_AFxA


Вернуться наверх
 Профиль  
 
 Заголовок сообщения: Re: Покупка 11 катушечного статора и как узнать распиновку Р
СообщениеДобавлено: 16 Jun 2023, 15:38 
Не в сети
Посетитель
Посетитель
Аватар пользователя

Зарегистрирован: 06 Apr 2012, 05:49
Сообщений: 179
Откуда: Москва САО
Поблагодарил: раз(а)
Поблагодарили: раз(а)
Скутер: Irbis Nirvana 49+cc
Стаж: 11
fyodorg писал(а):
перепаял штатный статор. Поставил нормальные лампочки

По ссылке никакой инструкции не обнаружил, вообще не понял о чем речь.
Я до такого фанатизма не доходил. У меня на 157QMJ лампы питались от выпрямленного напряжения, тоже поставил светодиодные, жрут они немного. А схема обмоток у меня такая :


Вложения:
часть схемы 3.png
часть схемы 3.png [ 38.42 KiB | Просмотров: 18407 ]

_________________
Пробег 12600, полет нормальный.
Вернуться наверх
 Профиль  
 
 Заголовок сообщения: Re: Покупка 11 катушечного статора и как узнать распиновку Р
СообщениеДобавлено: 16 Jun 2023, 16:49 
Не в сети
Новичок
Новичок
Аватар пользователя

Зарегистрирован: 16 Aug 2014, 22:33
Сообщений: 77
Откуда: Липецкая область
Поблагодарил: раз(а)
Поблагодарили: раз(а)
Скутер: Racer Stels RC 50 QT (72cc)
Стаж: 10
pvs512
а у вас и не нужно этого делать, у вас с завода так как у меня сейчас. я вбивал в гугл "переделка генератора 139qmb" и там по всем ссылкам лазил, когда первый раз переделывал в 2015 кажется еще на ютубе не было видосов и я боялся отпаять провод не там, сейчас на ютубе все подробно есть.


Вернуться наверх
 Профиль  
 
 Заголовок сообщения: Re: Покупка 11 катушечного статора и как узнать распиновку Р
СообщениеДобавлено: 16 Jun 2023, 17:25 
Не в сети
Посетитель
Посетитель
Аватар пользователя

Зарегистрирован: 06 Apr 2012, 05:49
Сообщений: 179
Откуда: Москва САО
Поблагодарил: раз(а)
Поблагодарили: раз(а)
Скутер: Irbis Nirvana 49+cc
Стаж: 11
[quote="fyodorg"][/quote]
Был у меня 152QMI, там свет тоже от переменки питался. Я радовался - больше тока на зарядку шло. Тогда еще светодиодных ламп не было.

_________________
Пробег 12600, полет нормальный.


Вернуться наверх
 Профиль  
 
 Заголовок сообщения: Re: Покупка 11 катушечного статора и как узнать распиновку Р
СообщениеДобавлено: 17 Jun 2023, 09:55 
Не в сети
Новичок
Новичок
Аватар пользователя

Зарегистрирован: 16 Aug 2014, 22:33
Сообщений: 77
Откуда: Липецкая область
Поблагодарил: раз(а)
Поблагодарили: раз(а)
Скутер: Racer Stels RC 50 QT (72cc)
Стаж: 10
pvs512
и свет на холостых притухал? не очень то это и айс. сейчас у меня включение габаритов - 14,5-14,5(хх- обороты), включение бс- 12,7-14,2, дальний свет- 11,7-12,8. Так что мне хватает, ампераж померю позже. Ну и всегда есть ножка, чтобы запустить если акб сел, в моем случае акб от ибп халявный.


Вернуться наверх
 Профиль  
 
 Заголовок сообщения: Re: Покупка 11 катушечного статора и как узнать распиновку Р
СообщениеДобавлено: 18 Jun 2023, 09:26 
Не в сети
Посетитель
Посетитель
Аватар пользователя

Зарегистрирован: 06 Apr 2012, 05:49
Сообщений: 179
Откуда: Москва САО
Поблагодарил: раз(а)
Поблагодарили: раз(а)
Скутер: Irbis Nirvana 49+cc
Стаж: 11
fyodorg писал(а):
в моем случае акб от ибп халявный.

был у меня такой, часто на холодную не мог прокрутить стартер. У стартерных АКБ есть такой параметр - пусковой ток, около 80-90 А.От ИБП батарея выдаст дай Бог 5-6 А, у них такой параметр вообще не указывается.

_________________
Пробег 12600, полет нормальный.


Вернуться наверх
 Профиль  
 
 Заголовок сообщения: Re: Покупка 11 катушечного статора и как узнать распиновку Р
СообщениеДобавлено: 18 Jun 2023, 09:54 
Не в сети
Новичок
Новичок
Аватар пользователя

Зарегистрирован: 16 Aug 2014, 22:33
Сообщений: 77
Откуда: Липецкая область
Поблагодарил: раз(а)
Поблагодарили: раз(а)
Скутер: Racer Stels RC 50 QT (72cc)
Стаж: 10
pvs512
У вас он был либо маленький, либо старый. Я себе купил именно стартерный скутерный он зиму полежал заряженный а весной стал садиться за сутки. А вот ибпшный 12в 7ач крутит стартер раз 10-15, и не садится ничуть.


Вернуться наверх
 Профиль  
 
 Заголовок сообщения: Re: Покупка 11 катушечного статора и как узнать распиновку Р
СообщениеДобавлено: 20 Jun 2023, 08:13 
Не в сети
Посетитель
Посетитель
Аватар пользователя

Зарегистрирован: 06 Apr 2012, 05:49
Сообщений: 179
Откуда: Москва САО
Поблагодарил: раз(а)
Поблагодарили: раз(а)
Скутер: Irbis Nirvana 49+cc
Стаж: 11
наверно, проворачивать 50-кубовый коленвал легче, чем 125сс. У меня один аккум Delta-CT1207 (7 Ач) уже года 4 работает, на ура крутит 150сс. Зимой прямо на скутере оставлял, только клемму скидывал.

_________________
Пробег 12600, полет нормальный.


Вернуться наверх
 Профиль  
 
Показать сообщения за:  Сортировать по:  
Начать новую тему Ответить на тему  [ Сообщений: 13 ] 

Часовой пояс: UTC + 3 часа


Кто сейчас на форуме

Сейчас этот форум просматривают: нет зарегистрированных пользователей и гости: 450


Вы не можете начинать темы
Вы не можете отвечать на сообщения
Вы не можете редактировать свои сообщения
Вы не можете удалять свои сообщения
Вы не можете добавлять вложения

Перейти:  
Powered by phpBB © phpBB Group
china-scooter.ru © 2006-2019