Клуб любителей китайских скутеров

Форум клуба любителей китайских скутеров

      
Текущее время: 25 дек 2025, 10:19

Часовой пояс: UTC + 3 часа


Правила форума


Посмотреть правила форума



Начать новую тему Ответить на тему  [ Сообщений: 16 ]  На страницу 1, 2  След.
Автор Сообщение
 Заголовок сообщения: Скутер GX Jeans: часто перегорает предохранитель
СообщениеДобавлено: 24 апр 2009, 22:35 
Не в сети
Наблюдатель

Зарегистрирован: 22 ноя 2008, 22:57
Сообщений: 7
Поблагодарил: раз(а)
Поблагодарили: раз(а)
Скутер: Stels Alpha
Стаж: 2
Добрый день, уважаемые Гуру!

На скутере GX Jeans с мотором QMB-139 периодически идет перезаряд, перегорают все лампочки и предохранитель. Предыдущий владелец ездил без аккумулятора. Могло ли это сказаться и как это лечить??

Помогите, пожалуйста, решить эту проблему.

Заранее благодарен,
ShrekRed.


Вернуться наверх
 Профиль  
 
 Заголовок сообщения: Re: Скутер GX Jeans: часто перегорает предохранитель
СообщениеДобавлено: 25 апр 2009, 21:16 
Не в сети
Опытный
Опытный
Аватар пользователя

Зарегистрирован: 10 дек 2008, 17:46
Сообщений: 596
Откуда: СпБ
Поблагодарил: раз(а)
Поблагодарили: раз(а)
Медали: 1
За стайлинг (1)
Скутер: Ноги
Стаж: 6
Дааааааааааааааааааа я не гуру но у меня такойже какашко как и у вас !!!
Скутер просто хххххх
Ну да ладно не об этом вообщем ездия без акума на нем перегорает реле поворотов, напряжения.
Поворотники вообще наверное клинит или тормозят.
Если что обращайтесь я с ним уже 2 года так что на изусть выучил.
P.S проводку проверьте на нем крайне жостко собирают электрику , удачи!

_________________
バリオスⅠ ダイシンレーシング


Вернуться наверх
 Профиль  
 
 Заголовок сообщения: Re: Скутер GX Jeans: часто перегорает предохранитель
СообщениеДобавлено: 29 апр 2009, 21:47 
Не в сети
Наблюдатель

Зарегистрирован: 22 ноя 2008, 22:57
Сообщений: 7
Поблагодарил: раз(а)
Поблагодарили: раз(а)
Скутер: Stels Alpha
Стаж: 2
Да, Вы совершенно правы. Перегорело реле поворотов и датчик топлива (тот, что в баке). А как проверить реле заряда? Если несложно, пришлите, пожалуйста, схему или Вашу инструкцию. А еще подскажите, где на него можно запчасти взять.

Спасибо, что откликнулись! :)
ShrekRed


Вернуться наверх
 Профиль  
 
 Заголовок сообщения: Re: Скутер GX Jeans: часто перегорает предохранитель
СообщениеДобавлено: 30 апр 2009, 10:24 
Не в сети
Посетитель
Посетитель
Аватар пользователя

Зарегистрирован: 22 ноя 2008, 17:13
Сообщений: 209
Откуда: Москва
Поблагодарил: раз(а)
Поблагодарили: раз(а)
Скутер: Cobra T-4
Стаж: Пару месяцев
ShrekRed писал(а):
Да, Вы совершенно правы. Перегорело реле поворотов и датчик топлива (тот, что в баке). А как проверить реле заряда? Если несложно, пришлите, пожалуйста, схему или Вашу инструкцию. А еще подскажите, где на него можно запчасти взять.

Спасибо, что откликнулись! :)
ShrekRed

В Москве все запчасти в сокольниках...
Или на сайте [url]gx-moto.ru[/url] только тут дороже!
Если стояла и сигнализация то ей тоже каюк!Без акб все перегорает(

_________________
Если в руках молоток, всё вокруг кажется гвоздями:)


Вернуться наверх
 Профиль  
 
 Заголовок сообщения: Re: Скутер GX Jeans: часто перегорает предохранитель
СообщениеДобавлено: 30 апр 2009, 10:26 
Не в сети
Посетитель
Посетитель
Аватар пользователя

Зарегистрирован: 22 ноя 2008, 17:13
Сообщений: 209
Откуда: Москва
Поблагодарил: раз(а)
Поблагодарили: раз(а)
Скутер: Cobra T-4
Стаж: Пару месяцев
ShrekRed писал(а):
Да, Вы совершенно правы. Перегорело реле поворотов и датчик топлива (тот, что в баке). А как проверить реле заряда? Если несложно, пришлите, пожалуйста, схему или Вашу инструкцию. А еще подскажите, где на него можно запчасти взять.

Спасибо, что откликнулись! :)
ShrekRed

В Москве все запчасти в сокольниках...
Или на сайте http://gx-moto.ru только тут дороже!
Если стояла и сигнализация то ей тоже каюк!Без акб все перегорает(

_________________
Если в руках молоток, всё вокруг кажется гвоздями:)


Вернуться наверх
 Профиль  
 
 Заголовок сообщения: Re: Скутер GX Jeans: часто перегорает предохранитель
СообщениеДобавлено: 30 апр 2009, 17:03 
Не в сети
Опытный
Опытный
Аватар пользователя

Зарегистрирован: 10 дек 2008, 17:46
Сообщений: 596
Откуда: СпБ
Поблагодарил: раз(а)
Поблагодарили: раз(а)
Медали: 1
За стайлинг (1)
Скутер: Ноги
Стаж: 6
ShrekRed писал(а):
Да, Вы совершенно правы. Перегорело реле поворотов и датчик топлива (тот, что в баке). А как проверить реле заряда? Если несложно, пришлите, пожалуйста, схему или Вашу инструкцию. А еще подскажите, где на него можно запчасти взять.

Спасибо, что откликнулись! :)
ShrekRed


Вот здесь вся инструкция http://www.scootermag.ru/books.html скачаешь и все.
Двигун у нас 139QMA подходят запчасти от 139QMB/A вот здесь есть http://skuterok.ru/

_________________
バリオスⅠ ダイシンレーシング


Вернуться наверх
 Профиль  
 
 Заголовок сообщения: Re: Скутер GX Jeans: часто перегорает предохранитель
СообщениеДобавлено: 03 май 2009, 02:13 
Не в сети
Посетитель
Посетитель
Аватар пользователя

Зарегистрирован: 06 мар 2008, 23:11
Сообщений: 203
Откуда: тамбовская область город моршанск
Поблагодарил: раз(а)
Поблагодарили: раз(а)
Скутер: GX-джинс 4 - т......50;вел: stels adrenalin
Стаж: не считал
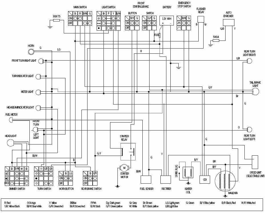
ShrekRed фигня вопрос.
купи нагрузочный резистор и внимательно осмотри колодку которая идёт к правому пульту, я думаю что ты будешь удивлён обнаружив что одного провода не хватает.
нужно будет прозвонить этот пустой контакт с желтым проводом при выключеном свете и рассоединёной колодке. если звонится а при включении габаритов контакт пропадает, то вешай резистор на этот контакт, и ещё посмотри сколько проводов у тебя выходит с генератора, если 4 то те провода которые идут по отдельности не трогай, а те которые в колодке поменяй местами но только с одной стороны, то есть либо со стороны генератора либо со стороны скутера, при условии что у тебя стоковая электрика
вроде ничего не забыл.
у меня та же ерунда была с той разницей что все лампы в порядке а акум сдох.
для начала попробуй поменять местами провода и при заведёном движке включи свет и померяй напряжение, скорее всего оно будет ниже.


Вложения:
422f1d0d8ff3.jpg
422f1d0d8ff3.jpg [ 77.15 KiB | Просмотров: 4234 ]

_________________
ИМХО - Имею Мнение, Хрен Оспоришь.
Все права принадлежат пони. Весь мир принадлежит пони.
Вернуться наверх
 Профиль  
 
 Заголовок сообщения: Re: Скутер GX Jeans: часто перегорает предохранитель
СообщениеДобавлено: 05 май 2009, 21:27 
Не в сети
Наблюдатель

Зарегистрирован: 22 ноя 2008, 22:57
Сообщений: 7
Поблагодарил: раз(а)
Поблагодарили: раз(а)
Скутер: Stels Alpha
Стаж: 2
Огромное всем спасибо!!! Буду пробовать.


Вернуться наверх
 Профиль  
 
 Заголовок сообщения: Re: Скутер GX Jeans: часто перегорает предохранитель
СообщениеДобавлено: 17 май 2009, 20:13 
Не в сети
Наблюдатель

Зарегистрирован: 22 ноя 2008, 22:57
Сообщений: 7
Поблагодарил: раз(а)
Поблагодарили: раз(а)
Скутер: Stels Alpha
Стаж: 2
Отчитываюсь ;-) : электрику удалось победить! *THUMBS UP*

Но возникла еще одна проблема: клиренс этого скутера чрезвычайно маленький, и приемная труба глушителя часто цепляется за неровности дороги. Можно ли, не меняя глушителя, победить эту проблему?


Вернуться наверх
 Профиль  
 
 Заголовок сообщения: Re: Скутер GX Jeans: часто перегорает предохранитель
СообщениеДобавлено: 17 май 2009, 20:52 
Не в сети
Посетитель
Посетитель
Аватар пользователя

Зарегистрирован: 06 мар 2008, 23:11
Сообщений: 203
Откуда: тамбовская область город моршанск
Поблагодарил: раз(а)
Поблагодарили: раз(а)
Скутер: GX-джинс 4 - т......50;вел: stels adrenalin
Стаж: не считал
ShrekRed это можно сделать только удлиннив этот амортизатор или поставить более длинный амортизатор.

_________________
ИМХО - Имею Мнение, Хрен Оспоришь.
Все права принадлежат пони. Весь мир принадлежит пони.


Вернуться наверх
 Профиль  
 
 Заголовок сообщения: Re: Скутер GX Jeans: часто перегорает предохранитель
СообщениеДобавлено: 18 май 2009, 09:54 
Не в сети
Новичок
Новичок

Зарегистрирован: 19 июн 2007, 14:28
Сообщений: 57
Откуда: Москва
Поблагодарил: раз(а)
Поблагодарили: раз(а)
Медали: 1
За стайлинг (1)
Скутер: Honda Dio
Стаж: -
я думал у меня у одного такой клиренс и все цеплял....
решил это так:
проставка

Изображение

до

Изображение

после

Изображение

на центральной подножке теперь ели стоит, зато на боковой просто отлично

_________________
Ремонт скутеров. Ремонт пластика. Москва ЮАО.
ICQ:Ч372Ч29


Вернуться наверх
 Профиль  
 
 Заголовок сообщения: Re: Скутер GX Jeans: часто перегорает предохранитель
СообщениеДобавлено: 18 май 2009, 13:16 
Не в сети
Посетитель
Посетитель
Аватар пользователя

Зарегистрирован: 06 мар 2008, 23:11
Сообщений: 203
Откуда: тамбовская область город моршанск
Поблагодарил: раз(а)
Поблагодарили: раз(а)
Скутер: GX-джинс 4 - т......50;вел: stels adrenalin
Стаж: не считал
где такую проставку купил?, и по чём?

_________________
ИМХО - Имею Мнение, Хрен Оспоришь.
Все права принадлежат пони. Весь мир принадлежит пони.


Вернуться наверх
 Профиль  
 
 Заголовок сообщения: Re: Скутер GX Jeans: часто перегорает предохранитель
СообщениеДобавлено: 18 май 2009, 14:40 
Не в сети
Новичок
Новичок

Зарегистрирован: 19 июн 2007, 14:28
Сообщений: 57
Откуда: Москва
Поблагодарил: раз(а)
Поблагодарили: раз(а)
Медали: 1
За стайлинг (1)
Скутер: Honda Dio
Стаж: -
student писал(а):
где такую проставку купил?, и по чём?

в сокольниках за 500р

_________________
Ремонт скутеров. Ремонт пластика. Москва ЮАО.
ICQ:Ч372Ч29


Вернуться наверх
 Профиль  
 
 Заголовок сообщения: Re: Скутер GX Jeans: часто перегорает предохранитель
СообщениеДобавлено: 18 май 2009, 15:43 
Не в сети
Опытный
Опытный
Аватар пользователя

Зарегистрирован: 10 дек 2008, 17:46
Сообщений: 596
Откуда: СпБ
Поблагодарил: раз(а)
Поблагодарили: раз(а)
Медали: 1
За стайлинг (1)
Скутер: Ноги
Стаж: 6
это дорого можно и за 200 найти а я к соседу сходил и удленил сам мартер и все тик-так!

_________________
バリオスⅠ ダイシンレーシング


Вернуться наверх
 Профиль  
 
 Заголовок сообщения: Re: Скутер GX Jeans: часто перегорает предохранитель
СообщениеДобавлено: 18 май 2009, 18:47 
Не в сети
Новичок
Новичок

Зарегистрирован: 19 июн 2007, 14:28
Сообщений: 57
Откуда: Москва
Поблагодарил: раз(а)
Поблагодарили: раз(а)
Медали: 1
За стайлинг (1)
Скутер: Honda Dio
Стаж: -
Finexxs писал(а):
это дорого можно и за 200 найти а я к соседу сходил и удленил сам мартер и все тик-так!

а по мойму за качественную проставку самый раз цена, имхо жизнь дороже чем 300р разницы

_________________
Ремонт скутеров. Ремонт пластика. Москва ЮАО.
ICQ:Ч372Ч29


Вернуться наверх
 Профиль  
 
Показать сообщения за:  Сортировать по:  
Начать новую тему Ответить на тему  [ Сообщений: 16 ]  На страницу 1, 2  След.

Часовой пояс: UTC + 3 часа


Кто сейчас на форуме

Сейчас этот форум просматривают: нет зарегистрированных пользователей и гости: 13


Вы не можете начинать темы
Вы не можете отвечать на сообщения
Вы не можете редактировать свои сообщения
Вы не можете удалять свои сообщения
Вы не можете добавлять вложения

Перейти:  
Powered by phpBB © phpBB Group
china-scooter.ru © 2006-2019