Клуб любителей китайских скутеров

Форум клуба любителей китайских скутеров

      
Текущее время: 29 Apr 2026, 02:02

Часовой пояс: UTC + 3 часа


Правила форума


Посмотреть правила форума



Начать новую тему Ответить на тему  [ Сообщений: 7 ] 
Автор Сообщение
 Заголовок сообщения: Вопрос по карбюратору 4т 125 куб.
СообщениеДобавлено: 15 Май 2011, 18:58 
Не в сети
Бывалый
Бывалый
Аватар пользователя

Зарегистрирован: 22 Mar 2010, 19:37
Сообщений: 274
Откуда: москва
Поблагодарил: раз(а)
Поблагодарили: раз(а)
Медали: 1
За полезные и полные ответы. (1)
Скутер: SYM Orbit 50 BiTurbo:)
Стаж: Easy Rider с 1989г.
Подскажите пожалуйста ,кто знает. Чего не хватает на этом карбюраторе. Должна ли быть какая то вставка?, я так понял диафрагма перекрывать должна внутреннее отверстие... Карб купил новым... И нужна ли в принципе эта система? Есть ли от неё толк? . Вопрос на фото. Если есть у кого нить фото правильного карба,покажите пожалуйста. В нете не могу найти..
Ps и какой толк в перекрывании, если отверстия соеденяються всё равно в одном обьёме, на первом фото...


Вложения:
IMG156.jpg
IMG156.jpg [ 171.38 KiB | Просмотров: 3077 ]
IMG152.jpg
IMG152.jpg [ 97.78 KiB | Просмотров: 3083 ]
IMG154.jpg
IMG154.jpg [ 153.1 KiB | Просмотров: 3083 ]

_________________
Мы все рождаемся мокрые, голые и голодные. И это только начало.


Последний раз редактировалось Archi 15 Май 2011, 19:21, всего редактировалось 2 раз(а).
Вернуться наверх
 Профиль  
 
 Заголовок сообщения: Re: Вопрос по карбюратору 4т 125 куб.
СообщениеДобавлено: 15 Май 2011, 19:01 
Не в сети
Опытный
Опытный
Аватар пользователя

Зарегистрирован: 31 Май 2010, 14:57
Сообщений: 943
Откуда: ЮВАО
Поблагодарил: раз(а)
Поблагодарили: раз(а)
Скутер: Stels Tactic 100
Стаж: 4
похоже на затычку обогатителя

_________________
Stels tactic 100+ventilvar+malossi x-special+malossi multivar+stage6 R/T PWK 24mm+ malossi fly+malossi wing belt+домик stage6+tecnigas RSII+malossi MACSI+злая доработка цпг


Вернуться наверх
 Профиль  
 
 Заголовок сообщения: Re: Вопрос по карбюратору 4т 125 куб.
СообщениеДобавлено: 15 Май 2011, 20:44 
Не в сети
Опытный
Опытный
Аватар пользователя

Зарегистрирован: 17 Jun 2010, 23:33
Сообщений: 882
Откуда: Урал.екат.втчм
Поблагодарил: раз(а)
Поблагодарили: раз(а)
Медали: 1
За стайлинг (1)
Скутер: patron joker 180 фарш эдишин.
Стаж: 4
Archi
карб сфоткай не так близко а то не понятно в каком месте карба эта вся беда.

_________________
Изображение


Вернуться наверх
 Профиль  
 
 Заголовок сообщения: Re: Вопрос по карбюратору 4т 125 куб.
СообщениеДобавлено: 15 Май 2011, 20:47 
Не в сети
Опытный
Опытный
Аватар пользователя

Зарегистрирован: 31 Май 2010, 14:57
Сообщений: 943
Откуда: ЮВАО
Поблагодарил: раз(а)
Поблагодарили: раз(а)
Скутер: Stels Tactic 100
Стаж: 4
Off topic:
если сосок сфоткать близко, то на фотки врятли кто сразу поймёт что это был сосок)))

_________________
Stels tactic 100+ventilvar+malossi x-special+malossi multivar+stage6 R/T PWK 24mm+ malossi fly+malossi wing belt+домик stage6+tecnigas RSII+malossi MACSI+злая доработка цпг


Вернуться наверх
 Профиль  
 
 Заголовок сообщения: Re: Вопрос по карбюратору 4т 125 куб.
СообщениеДобавлено: 15 Май 2011, 21:40 
Не в сети
Бывалый
Бывалый
Аватар пользователя

Зарегистрирован: 22 Mar 2010, 19:37
Сообщений: 274
Откуда: москва
Поблагодарил: раз(а)
Поблагодарили: раз(а)
Медали: 1
За полезные и полные ответы. (1)
Скутер: SYM Orbit 50 BiTurbo:)
Стаж: Easy Rider с 1989г.
EkaT_Resp.POMA писал(а):
Archi
карб сфоткай не так близко а то не понятно в каком месте карба эта вся беда.

Ну вот как то так.. Рисунок есть но там не особо понятно, я так понял шток диафрагмы просто должен перекрывать отверстие.. И наверняка должен быть колодец чтоб плотно входило, но увы.. Китайцы жгут, там даже дырка в крышке от которой шланг , недосверлена была.
А вообще парюсь ибо ...:Нeужен карб на 82-90 кубов, этот от 125 ки... кто знает какой жиклёр идет с завада (там не написано) И какой лучше подойдёт к 82 кубика. Минимальный вроде 103. Интересует именно опыт... Предположениями и теоретическими догадками и у самого голова забика.. А может кто на подобную тему кинет? Не могу найти, потому и создал новую..


Вложения:
CIMG0852.JPG
CIMG0852.JPG [ 146.46 KiB | Просмотров: 3061 ]
CIMG0853.JPG
CIMG0853.JPG [ 142.74 KiB | Просмотров: 3061 ]
Комментарий к файлу: А вот схематическая схема.. Самое интересное что перекрываться отверстия выходящие в один обьём...
Безымянный.JPG
Безымянный.JPG [ 33.94 KiB | Просмотров: 3065 ]
Комментарий к файлу: Вот эта ерунда. По англискому мануалу, система предназначена для обеднения смеси дли движении на скорости мене 50км и для снижения СО. Во как..
вас.JPG
вас.JPG [ 26.36 KiB | Просмотров: 3065 ]

_________________
Мы все рождаемся мокрые, голые и голодные. И это только начало.
Вернуться наверх
 Профиль  
 
 Заголовок сообщения: Re: Вопрос по карбюратору 4т 125 куб.
СообщениеДобавлено: 18 Май 2011, 15:05 
Не в сети
Старожил
Старожил
Аватар пользователя

Зарегистрирован: 04 Май 2010, 04:34
Сообщений: 4222
Откуда: город по умолчанию
Поблагодарил: раз(а)
Поблагодарили: раз(а)
Медали: 4
За дальнобой 2-й степени. (1) За полезные и полные ответы. (1) За статью 1-й степени. (1) За грамотность (1)
Скутер: КумсоPeople S200, ReggyFantom, SH300i, Sym Jet50
Стаж: 020
http://www.china-scooter.ru/forum/viewtopic.php?f=29&t=25040

_________________
моск атзавись


Вернуться наверх
 Профиль  
 
 Заголовок сообщения: Re: Вопрос по карбюратору 4т 125 куб.
СообщениеДобавлено: 18 Май 2011, 15:54 
Не в сети
Бывалый
Бывалый
Аватар пользователя

Зарегистрирован: 22 Mar 2010, 19:37
Сообщений: 274
Откуда: москва
Поблагодарил: раз(а)
Поблагодарили: раз(а)
Медали: 1
За полезные и полные ответы. (1)
Скутер: SYM Orbit 50 BiTurbo:)
Стаж: Easy Rider с 1989г.
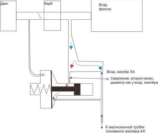
Dj@gger
Спасибо большое, поиском не находил этой темы. Система то элементарна, я просто затупил и не понял направления потоков. Ваша схема предельно всё обьясняет. Просто в моём карбе злые поедетали риса непоставили втулку в которую входит шток диафрагмы. Пришлось сколхозить. Спасибо. Тему можно закрыть.


Вложения:
0_5c398_ffd4478f_XL.jpg
0_5c398_ffd4478f_XL.jpg [ 20.22 KiB | Просмотров: 3033 ]

_________________
Мы все рождаемся мокрые, голые и голодные. И это только начало.
Вернуться наверх
 Профиль  
 
Показать сообщения за:  Сортировать по:  
Начать новую тему Ответить на тему  [ Сообщений: 7 ] 

Часовой пояс: UTC + 3 часа


Кто сейчас на форуме

Сейчас этот форум просматривают: нет зарегистрированных пользователей и гости: 10


Вы не можете начинать темы
Вы не можете отвечать на сообщения
Вы не можете редактировать свои сообщения
Вы не можете удалять свои сообщения
Вы не можете добавлять вложения

Перейти:  
Powered by phpBB © phpBB Group
china-scooter.ru © 2006-2019