Клуб любителей китайских скутеров

Форум клуба любителей китайских скутеров

      
Текущее время: 02 дек 2025, 09:29

Часовой пояс: UTC + 3 часа


Правила форума


Посмотреть правила форума



Начать новую тему Эта тема закрыта, Вы не можете редактировать и оставлять сообщения в ней.  [ Сообщений: 449 ]  На страницу Пред.  1 ... 25, 26, 27, 28, 29, 30  След.
Автор Сообщение
 Заголовок сообщения: Re: Датчик температуры
СообщениеДобавлено: 16 дек 2010, 22:56 
Не в сети
Опытный
Опытный
Аватар пользователя

Зарегистрирован: 15 окт 2009, 11:46
Сообщений: 900
Откуда: МО, Подлипки, Первомайский
Поблагодарил: раз(а)
Поблагодарили: раз(а)
Скутер: Stels Delta 200
Стаж: Долго!..
GRO писал(а):
Off topic:
Я ещё видел в живую ЗАЗ-965 у которого 27 лс было.
Движёк 750сс.
Позже пошли 900сс.

Не, тот который 750сс был вообще 23 ЛС!
У того, что 30 ЛС, ничего не помогало, был там уже и маслянный радиатор, и жиклёр я рассвеливал, по фиг, грелся!
Кстати, вот он (ОФФ)


Вложения:
Crimea_8512.jpg
Crimea_8512.jpg [ 212.87 KiB | Просмотров: 5341 ]

_________________
С Уважением, Collins-.
Вернуться наверх
 Профиль  
 
 Заголовок сообщения: Re: Датчик температуры
СообщениеДобавлено: 17 дек 2010, 09:46 
Не в сети
Опытный
Опытный
Аватар пользователя

Зарегистрирован: 16 июн 2009, 13:55
Сообщений: 994
Откуда: Минск
Поблагодарил: раз(а)
Поблагодарили: раз(а)
Медали: 1
За тех. помощь 2-й степени (1)
Скутер: FD50QT-7
Стаж: c 1988г
Цитата:
Forestrash, не ужели не проще не смотреть ни на какие датчики температуры, а просто знать, что двигатель не нагреется в любых режимах выше, к примеру, 100 градусов? И не придётся напрягаться и контролировать постоянно скорость, температуру. Я вот ведь о чём...

уж не хотите ли вы сказать , что если держать ручку газа на максимуме и проехать без остановок километров 70 по холмистой месности в одну сторону , с весом седока в 100кг +поклажа примерно 20-25кг по жаркой погоде , при условии что залито масло 10W50(60) ,то хорошо отлаженному и настроенному двигателю 139QMB c поршневой 72сс ничего не будет.???


зы
Цитата:
Кстати, такая же фигня была на Запорожцах, в жару больше 50 км/ч не разгонишься.

у моего деда был ушастый запорожец , в жару ездил до 105кмч.

_________________
Тише едешь -точней диагноз.


Вернуться наверх
 Профиль  
 
 Заголовок сообщения: Re: Датчик температуры
СообщениеДобавлено: 17 дек 2010, 09:57 
Не в сети
Опытный
Опытный
Аватар пользователя

Зарегистрирован: 15 окт 2009, 11:46
Сообщений: 900
Откуда: МО, Подлипки, Первомайский
Поблагодарил: раз(а)
Поблагодарили: раз(а)
Скутер: Stels Delta 200
Стаж: Долго!..
Forestrash писал(а):
Цитата:
Forestrash, не ужели не проще не смотреть ни на какие датчики температуры, а просто знать, что двигатель не нагреется в любых режимах выше, к примеру, 100 градусов? И не придётся напрягаться и контролировать постоянно скорость, температуру. Я вот ведь о чём...

уж не хотите ли вы сказать , что если держать ручку газа на максимуме и проехать без остановок километров 70 по холмистой месности в одну сторону , с весом седока в 100кг +поклажа примерно 20-25кг по жаркой погоде , при условии что залито масло 10W50(60) ,то хорошо отлаженному и настроенному двигателю 139QMB c поршневой 72сс ничего не будет.???


Ключевой момент - поршневой 72сс. Штатная 49сс, и с ней наверняка ничего не будет. Иначе это инженерный просчёт теплового режима, что у японцев вряд ли было. А ставить нештатную поршневую, чтобы потом геморроиться с перегрквом - ну его на фиг...

_________________
С Уважением, Collins-.


Вернуться наверх
 Профиль  
 
 Заголовок сообщения: Re: Датчик температуры
СообщениеДобавлено: 17 дек 2010, 10:10 
Не в сети
Опытный
Опытный
Аватар пользователя

Зарегистрирован: 16 июн 2009, 13:55
Сообщений: 994
Откуда: Минск
Поблагодарил: раз(а)
Поблагодарили: раз(а)
Медали: 1
За тех. помощь 2-й степени (1)
Скутер: FD50QT-7
Стаж: c 1988г
Цитата:
А ставить нештатную поршневую, чтобы потом геморроиться с перегрквом - ну его на фиг...

не согласен, с поршневой 72сс подниматся в затяжную горку на скорости 40-50кмч намного приятней ,чем на стоковой , которая больше 25-30кмч в горку не едет.
я про то , что с движка выжимать постоянно все соки не стоит ,а вот запас мощьности для выполнения маневра при установке увеличенной поршневой(обгон, въезд на затяжную горку итд) не будет лишним. посему мониторинг температуры двигателя вещь нужная и необходимая.

_________________
Тише едешь -точней диагноз.


Вернуться наверх
 Профиль  
 
 Заголовок сообщения: Re: Датчик температуры
СообщениеДобавлено: 17 дек 2010, 10:34 
Не в сети
Опытный
Опытный
Аватар пользователя

Зарегистрирован: 15 окт 2009, 11:46
Сообщений: 900
Откуда: МО, Подлипки, Первомайский
Поблагодарил: раз(а)
Поблагодарили: раз(а)
Скутер: Stels Delta 200
Стаж: Долго!..
Не, ну тут дело вкуса... Меня вполне устраивает и 49сс, возможно потому, что горок крутых у нас нет, и практически в любую скутер прет не ниже 50 км/ч. Зато не заморачиваюсь ни с каким перегревом :)

_________________
С Уважением, Collins-.


Вернуться наверх
 Профиль  
 
 Заголовок сообщения: Re: Датчик температуры
СообщениеДобавлено: 15 апр 2011, 20:59 
Не в сети
Старожил
Старожил

Зарегистрирован: 08 июл 2009, 18:07
Сообщений: 3187
Откуда: Беларусь
Поблагодарил: раз(а)
Поблагодарили: раз(а)
Медали: 4
За полезные и полные ответы. (1) За тех. помощь 1-й степени (1) За тех. помощь 2-й степени (1) За вклад в развитие клуба (1)
Скутер: Hors 154\ 157QMJ\RC125T-9X\152QMJ
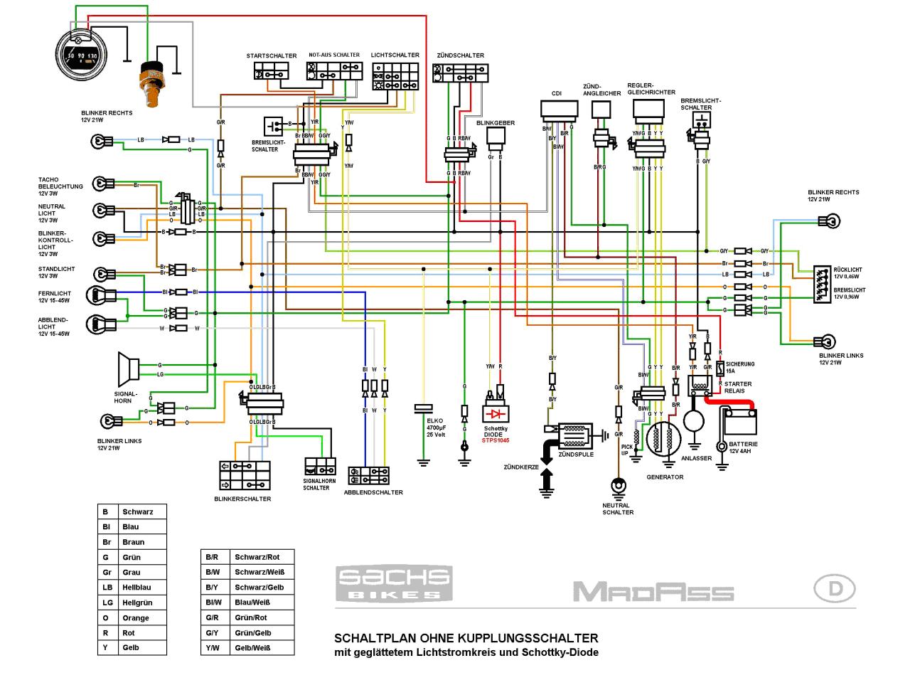
По просьбе читателей и по причине не работы нашего файлообменника,
выкладываю скомпилированную статью.
Вложение:

Вложение:
Безымянный.JPG
Безымянный.JPG [ 163.85 KiB | Просмотров: 5887 ]

_________________
„Изучай правила, чтобы знать, как правильно их нарушить.“
„Мир несовершенен, поскольку мы несовершенны.“


Вернуться наверх
 Профиль  
 
 Заголовок сообщения: Re: Датчик температуры
СообщениеДобавлено: 17 май 2011, 16:30 
Не в сети
Бывалый
Бывалый
Аватар пользователя

Зарегистрирован: 22 июн 2010, 17:35
Сообщений: 261
Откуда: Курск
Поблагодарил: раз(а)
Поблагодарили: раз(а)
Скутер: Honling Knight 150
Стаж: 5 лет
купил я датчик от 10 инжекторной и проборку от 06- собрал усё работает как надо, вещь хорошая! *OK*

_________________
Техника любит ласку и смазку , ну и своевременное то


Вернуться наверх
 Профиль  
 
 Заголовок сообщения: Re: Датчик температуры
СообщениеДобавлено: 17 май 2011, 18:05 
Не в сети
Интересующийся
Интересующийся

Зарегистрирован: 10 ноя 2010, 23:03
Сообщений: 32
Поблагодарил: раз(а)
Поблагодарили: раз(а)
Скутер: Musstang MT150
Стаж: 1
ГРЕГОР
А до какой отметки подымается температура?


Вернуться наверх
 Профиль  
 
 Заголовок сообщения: Re: Датчик температуры
СообщениеДобавлено: 18 май 2011, 12:35 
Не в сети
Бывалый
Бывалый
Аватар пользователя

Зарегистрирован: 22 июн 2010, 17:35
Сообщений: 261
Откуда: Курск
Поблагодарил: раз(а)
Поблагодарили: раз(а)
Скутер: Honling Knight 150
Стаж: 5 лет
Тихоход до 100 градусов поднялось

_________________
Техника любит ласку и смазку , ну и своевременное то


Вернуться наверх
 Профиль  
 
 Заголовок сообщения: Re: Датчик температуры
СообщениеДобавлено: 18 май 2011, 13:22 
Не в сети
Опытный
Опытный
Аватар пользователя

Зарегистрирован: 16 июн 2009, 13:55
Сообщений: 994
Откуда: Минск
Поблагодарил: раз(а)
Поблагодарили: раз(а)
Медали: 1
За тех. помощь 2-й степени (1)
Скутер: FD50QT-7
Стаж: c 1988г
у меня при длительной езде (60-100км без остановки) при полном газу ,115градусов и больше не поднимается.
масло кастроловское 10w50.

_________________
Тише едешь -точней диагноз.


Вернуться наверх
 Профиль  
 
 Заголовок сообщения: Re: Датчик температуры
СообщениеДобавлено: 18 май 2011, 15:39 
Не в сети
Бывалый
Бывалый
Аватар пользователя

Зарегистрирован: 22 июн 2010, 17:35
Сообщений: 261
Откуда: Курск
Поблагодарил: раз(а)
Поблагодарили: раз(а)
Скутер: Honling Knight 150
Стаж: 5 лет
вот что самое странное эта система наотрез не хотела работать с массой скутер *DONT_KNOW* *DONT_KNOW* *DONT_KNOW* а и всёгда показывала всегда 130 градусов :-D , пришлось тянуть провод от прибора на - акб, вуаля заработало *OK*
вот что получилось
Изображение

_________________
Техника любит ласку и смазку , ну и своевременное то


Вернуться наверх
 Профиль  
 
 Заголовок сообщения: Re: Датчик температуры
СообщениеДобавлено: 21 май 2011, 15:05 
Не в сети
Бывалый
Бывалый
Аватар пользователя

Зарегистрирован: 28 ноя 2009, 18:09
Сообщений: 250
Откуда: г.Курган
Поблагодарил: раз(а)
Поблагодарили: раз(а)
Скутер: RACER Phantom 72cc
Стаж: 3 сезона
Ниче так.... Пойдет!!! :CENS: :003


Вернуться наверх
 Профиль  
 
 Заголовок сообщения: Re: Датчик температуры
СообщениеДобавлено: 21 май 2011, 17:11 
Не в сети
Бывалый
Бывалый
Аватар пользователя

Зарегистрирован: 22 июн 2010, 17:35
Сообщений: 261
Откуда: Курск
Поблагодарил: раз(а)
Поблагодарили: раз(а)
Скутер: Honling Knight 150
Стаж: 5 лет
с подсветкой этот прибот ночью будет видно

_________________
Техника любит ласку и смазку , ну и своевременное то


Вернуться наверх
 Профиль  
 
 Заголовок сообщения: Re: Датчик температуры
СообщениеДобавлено: 21 май 2011, 22:40 
Не в сети
Посетитель
Посетитель

Зарегистрирован: 15 май 2010, 21:28
Сообщений: 137
Поблагодарил: раз(а)
Поблагодарили: раз(а)
Скутер: кимко
Стаж: 4
а я этот девайс ещё в прошлом году поставил и не разу не пожалел :-D


Вернуться наверх
 Профиль  
 
 Заголовок сообщения: Re: Датчик температуры
СообщениеДобавлено: 24 май 2011, 13:35 
Не в сети
Бывалый
Бывалый
Аватар пользователя

Зарегистрирован: 28 ноя 2009, 18:09
Сообщений: 250
Откуда: г.Курган
Поблагодарил: раз(а)
Поблагодарили: раз(а)
Скутер: RACER Phantom 72cc
Стаж: 3 сезона
Я тож давно поставил,)) а че жалеть, полезный прибор! Особенно в жаркую погоду!


Вернуться наверх
 Профиль  
 
Показать сообщения за:  Сортировать по:  
Начать новую тему Эта тема закрыта, Вы не можете редактировать и оставлять сообщения в ней.  [ Сообщений: 449 ]  На страницу Пред.  1 ... 25, 26, 27, 28, 29, 30  След.

Часовой пояс: UTC + 3 часа


Кто сейчас на форуме

Сейчас этот форум просматривают: нет зарегистрированных пользователей и гости: 165


Вы не можете начинать темы
Вы не можете отвечать на сообщения
Вы не можете редактировать свои сообщения
Вы не можете удалять свои сообщения
Вы не можете добавлять вложения

Перейти:  
Powered by phpBB © phpBB Group
china-scooter.ru © 2006-2019