Клуб любителей китайских скутеров

Форум клуба любителей китайских скутеров

      
Текущее время: 13 дек 2025, 21:27

Часовой пояс: UTC + 3 часа


Правила форума


Посмотреть правила форума



Начать новую тему Ответить на тему  [ Сообщений: 90 ]  На страницу Пред.  1, 2, 3, 4, 5, 6  След.
Автор Сообщение
 Заголовок сообщения: Re: Модернизируем ваккумный кран
СообщениеДобавлено: 05 фев 2012, 00:10 
Не в сети
Посетитель
Посетитель
Аватар пользователя

Зарегистрирован: 27 июн 2007, 08:30
Сообщений: 174
Откуда: г.Луганск (Украина)
Поблагодарил: раз(а)
Поблагодарили: раз(а)
Скутер: FADA FD50QT-11
Стаж: с апреля 2007
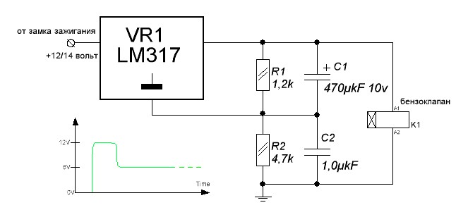
Всё, конструкцию закончил.
сегодня купил клапан (1 типа в моем предидущем посте) 35грн.
штуцер со стороны клемм заглушил резиновой пробкой.
уверенное срабатывание начинается от 6 вольт. потребляемый ток 0,16-0,18мА
следовательно мощность потребления равна 6х0,18=1,08 ватт.

вся схема благополучно сделана навесным монтажом и все детали
уместились в районе клемм клапана, детали дополнительно закреплены силиконом.
и все это закрыто вместе с клеммами подходящим колпачком (подходит кругленькая
коробочка от фотопленки) садится также на силикон.
выводится всего лишь один провод.
второй (земля) является ушком крепления к раме, а одна из клемм клапана перемычкой
паяется к его-же корпусу.
микросхема стабилизатора прямо своим фланцем также паяется к другой клемме клапана.
схема простая и прилагается.
Вложение:
11111.JPG
11111.JPG [ 25.51 KiB | Просмотров: 5283 ]

использовал такую микросхему, а не просто транзистор потому, что :
она копеечная
она допускает входное напряжение до 40 вольт
она стабилизирует напряжение на клапане (при входном от 8 и до ..... вольт напряжение на клапане точно как
указано на графике)
при понижении входного менее 8вольт (возможно на убитом аккуме при запуске двига)
удержание клапана сохраняется и до 6вольт входного напряжения (напряжения бортсети)
но если вы чудом заведете двиг при таком аккуме то напряжение поднимется
и тем более уверено зафиксирует клапан.
напряжение сначала подается полное, потом спадает до 6вольт, что достаточно для
надежного удержания.
юзайте ....кому в тему.

P.S. я еще добавил два светодиода индикации с токоограничивающими резисторами 2,2ком
(на схеме не показаны), один параллельно клапану, второй параллельно вход-выход микросхемы. первый показывает что есть напряжение на клапане, второй показывает когда
оно опускается до 6 вольт. добавило это все к потреблению всего лишь 6мА
теперь не клапан, а цветомузыка

_________________
Изображение


Вернуться наверх
 Профиль  
 
 Заголовок сообщения: Re: Модернизируем ваккумный кран
СообщениеДобавлено: 05 фев 2012, 17:31 
Не в сети
Бывалый
Бывалый
Аватар пользователя

Зарегистрирован: 23 апр 2007, 23:43
Сообщений: 389
Откуда: Москва
Поблагодарил: раз(а)
Поблагодарили: раз(а)
Медали: 1
За инновации (1)
По этому клапану почти и паров бензина то не идет. Что с ним будет от чистого бензина ХЗ.
Как поведет себя мембрана там!?

А так вообще, я за то чтоб переделать штатную систему.


Вернуться наверх
 Профиль  
 
 Заголовок сообщения: Re: Модернизируем ваккумный кран
СообщениеДобавлено: 05 фев 2012, 18:27 
Не в сети
Старожил
Старожил

Зарегистрирован: 18 янв 2009, 14:07
Сообщений: 7631
Откуда: 69 RUS
Поблагодарил: раз(а)
Поблагодарили: раз(а)
Медали: 6
За дальнобой 2-й степени. (1) За полезные и полные ответы. (1) За тех. помощь 1-й степени (1) За тех. помощь 2-й степени (1) За статью 1-й степени. (1)
Скутер: стелс лидер-50 2т (72 cc)
Стаж: 4
Предлагаю простейший вариант. Регулятор струи на капельницах видели!?(дозатор) Такая коробочка с колесиком перемещающимся по наклонной оси передавливает шланг. И это не бред, на этом же принципе в принтерах кенон 1600 сделан насос отсоса чернил(ролик ездиет по трубке). Вот такой дозатор на шланг и все дела, открывает - закрывает- регулирует если нужно :)


Вернуться наверх
 Профиль  
 
 Заголовок сообщения: Re: Модернизируем ваккумный кран
СообщениеДобавлено: 05 фев 2012, 18:31 
Не в сети
Гуру ремонта
Гуру ремонта
Аватар пользователя

Зарегистрирован: 20 мар 2009, 23:12
Сообщений: 19841
Откуда: Бронницы
Поблагодарил: раз(а)
Поблагодарили: раз(а)
Медали: 4
За полезные и полные ответы. (1) За тех. помощь 1-й степени (1) За тех. помощь 2-й степени (1) За вклад в развитие клуба (1)
Скутер: Irbis Nirvana 150 уже 175сс
Стаж: Мото 21,скутер 4года
funix
Да, но только та трубочка дубеет от бензина.

_________________
Попытка прочесть книгу, не открыв её - обречена на провал.


Вернуться наверх
 Профиль  
 
 Заголовок сообщения: Re: Модернизируем ваккумный кран
СообщениеДобавлено: 05 фев 2012, 18:55 
Не в сети
Старожил
Старожил

Зарегистрирован: 18 янв 2009, 14:07
Сообщений: 7631
Откуда: 69 RUS
Поблагодарил: раз(а)
Поблагодарили: раз(а)
Медали: 6
За дальнобой 2-й степени. (1) За полезные и полные ответы. (1) За тех. помощь 1-й степени (1) За тех. помощь 2-й степени (1) За статью 1-й степени. (1)
Скутер: стелс лидер-50 2т (72 cc)
Стаж: 4
нееее, родной мягкий резиновый шланг.


Вернуться наверх
 Профиль  
 
 Заголовок сообщения: Re: Модернизируем ваккумный кран
СообщениеДобавлено: 05 фев 2012, 22:32 
Не в сети
Старожил
Старожил
Аватар пользователя

Зарегистрирован: 06 мар 2009, 12:59
Сообщений: 1413
Откуда: берутся юмористы, таки да, из Одессы-Мамы.
Поблагодарил: раз(а)
Поблагодарили: раз(а)
Медали: 1
За тех. помощь 2-й степени (1)
Скутер: ю на UM VIPER MATRIX 150, YAMAHA GRAND MAJESTY 400
Стаж: ируюсь потихоньку
funix писал(а):
Предлагаю простейший вариант. Регулятор струи на капельницах видели!?(дозатор) Такая коробочка с колесиком перемещающимся по наклонной оси передавливает шланг. И это не бред, на этом же принципе в принтерах кенон 1600 сделан насос отсоса чернил(ролик ездиет по трубке). Вот такой дозатор на шланг и все дела, открывает - закрывает- регулирует если нужно :)

Тоже были такие мысли, но не решался подсказать, а вариант самый простой и рабочий.

_________________
Любишь кататься,люби и с санками е...ся.
За этот пробег на китайце, он меня ни разу не дрюкнул, как это делала б/у ямаха цигнус.
Изображение


Вернуться наверх
 Профиль  
 
 Заголовок сообщения: Re: Модернизируем ваккумный кран
СообщениеДобавлено: 06 фев 2012, 00:00 
Не в сети
Бывалый
Бывалый
Аватар пользователя

Зарегистрирован: 23 апр 2007, 23:43
Сообщений: 389
Откуда: Москва
Поблагодарил: раз(а)
Поблагодарили: раз(а)
Медали: 1
За инновации (1)
:-D :-D :-D и тросиком к центральной подножке подсоединить.


Вернуться наверх
 Профиль  
 
 Заголовок сообщения: Re: Модернизируем ваккумный кран
СообщениеДобавлено: 06 фев 2012, 10:42 
Не в сети
Посетитель
Посетитель
Аватар пользователя

Зарегистрирован: 27 июн 2007, 08:30
Сообщений: 174
Откуда: г.Луганск (Украина)
Поблагодарил: раз(а)
Поблагодарили: раз(а)
Скутер: FADA FD50QT-11
Стаж: с апреля 2007
ой не знаю...
вы так рассуждаете... такую прям надежность хотите заложить.
ну не космический аппарат же у нас!!! :004
выдежит этот клапан, я почти уверен что эксплуатация это докажет.
и резина выдержит и пластмасса.
....во времена СССР все делалось дубово, но надежно

_________________
Изображение


Вернуться наверх
 Профиль  
 
 Заголовок сообщения: Re: Модернизируем ваккумный кран
СообщениеДобавлено: 06 фев 2012, 11:05 
Не в сети
Бывалый
Бывалый
Аватар пользователя

Зарегистрирован: 23 апр 2007, 23:43
Сообщений: 389
Откуда: Москва
Поблагодарил: раз(а)
Поблагодарили: раз(а)
Медали: 1
За инновации (1)
Насчет дубово это точно. Надежность - лоттерея!!!
А так я помню как удалял эту ЭПХХ с машины и вместо всей этой навороченной системы подключал обычный эл.магнитный ВАЗклапан в карбюратор ОЗОН.

Проверь всеж клапан на бензин сначало "дома"!!! Если все ОК, буду тоже на него "смотреть".


Вернуться наверх
 Профиль  
 
 Заголовок сообщения: Re: Модернизируем ваккумный кран
СообщениеДобавлено: 06 фев 2012, 11:41 
Не в сети
Опытный
Опытный
Аватар пользователя

Зарегистрирован: 18 авг 2011, 11:24
Сообщений: 941
Откуда: Орехово-Зуево
Поблагодарил: раз(а)
Поблагодарили: раз(а)
Скутер: Irbis Nirvana ,Honda Dio AF 18
Стаж: Скутер 4 года
Изображение
вот об этом как я понял говорят имея ввиду электромагнитный с возможностью ручного управления клапан?

_________________
Форум-лучший друг человека!


Вернуться наверх
 Профиль  
 
 Заголовок сообщения: Re: Модернизируем ваккумный кран
СообщениеДобавлено: 06 фев 2012, 12:03 
Не в сети
Гуру ремонта
Гуру ремонта
Аватар пользователя

Зарегистрирован: 20 мар 2009, 23:12
Сообщений: 19841
Откуда: Бронницы
Поблагодарил: раз(а)
Поблагодарили: раз(а)
Медали: 4
За полезные и полные ответы. (1) За тех. помощь 1-й степени (1) За тех. помощь 2-й степени (1) За вклад в развитие клуба (1)
Скутер: Irbis Nirvana 150 уже 175сс
Стаж: Мото 21,скутер 4года
ozu_RAMX
Да, это но.
Вон и флажок ручного управления.

_________________
Попытка прочесть книгу, не открыв её - обречена на провал.


Вернуться наверх
 Профиль  
 
 Заголовок сообщения: Re: Модернизируем ваккумный кран
СообщениеДобавлено: 06 фев 2012, 12:05 
Не в сети
Посетитель
Посетитель
Аватар пользователя

Зарегистрирован: 27 июн 2007, 08:30
Сообщений: 174
Откуда: г.Луганск (Украина)
Поблагодарил: раз(а)
Поблагодарили: раз(а)
Скутер: FADA FD50QT-11
Стаж: с апреля 2007
проверю, надену шлангочку и шприц на ее второй конец,
в шприц налью "калошу" и подниму его выше клапана.
включу кратковременно, чтоб воздух выдавило и отключу,
так оставлю на неделю на контроль протечек.
так испытывать?

_________________
Изображение


Вернуться наверх
 Профиль  
 
 Заголовок сообщения: Re: Модернизируем ваккумный кран
СообщениеДобавлено: 06 фев 2012, 12:12 
Не в сети
Гуру ремонта
Гуру ремонта
Аватар пользователя

Зарегистрирован: 20 мар 2009, 23:12
Сообщений: 19841
Откуда: Бронницы
Поблагодарил: раз(а)
Поблагодарили: раз(а)
Медали: 4
За полезные и полные ответы. (1) За тех. помощь 1-й степени (1) За тех. помощь 2-й степени (1) За вклад в развитие клуба (1)
Скутер: Irbis Nirvana 150 уже 175сс
Стаж: Мото 21,скутер 4года
alik
Там не масло-бензостойкая резина.
Работать будет очень не долго.
Хорошо, если не погоришь.
На постоянную работу эти клапана не рассчитаны.

_________________
Попытка прочесть книгу, не открыв её - обречена на провал.


Вернуться наверх
 Профиль  
 
 Заголовок сообщения: Re: Модернизируем ваккумный кран
СообщениеДобавлено: 06 фев 2012, 14:00 
Не в сети
Посетитель
Посетитель
Аватар пользователя

Зарегистрирован: 27 июн 2007, 08:30
Сообщений: 174
Откуда: г.Луганск (Украина)
Поблагодарил: раз(а)
Поблагодарили: раз(а)
Скутер: FADA FD50QT-11
Стаж: с апреля 2007
даже если так, то бензин протечь не должен имхо.
клапан просто его не перекроет, но в карбе же еще в поплавковой клапан стоит

_________________
Изображение


Вернуться наверх
 Профиль  
 
 Заголовок сообщения: Re: Модернизируем ваккумный кран
СообщениеДобавлено: 06 фев 2012, 14:24 
Не в сети
Гуру ремонта
Гуру ремонта
Аватар пользователя

Зарегистрирован: 20 мар 2009, 23:12
Сообщений: 19841
Откуда: Бронницы
Поблагодарил: раз(а)
Поблагодарили: раз(а)
Медали: 4
За полезные и полные ответы. (1) За тех. помощь 1-й степени (1) За тех. помощь 2-й степени (1) За вклад в развитие клуба (1)
Скутер: Irbis Nirvana 150 уже 175сс
Стаж: Мото 21,скутер 4года
alik
Вот под него ошмётки попадут, и зальёт тебе бензином весь гараж.

_________________
Попытка прочесть книгу, не открыв её - обречена на провал.


Вернуться наверх
 Профиль  
 
Показать сообщения за:  Сортировать по:  
Начать новую тему Ответить на тему  [ Сообщений: 90 ]  На страницу Пред.  1, 2, 3, 4, 5, 6  След.

Часовой пояс: UTC + 3 часа


Кто сейчас на форуме

Сейчас этот форум просматривают: нет зарегистрированных пользователей и гости: 54


Вы не можете начинать темы
Вы не можете отвечать на сообщения
Вы не можете редактировать свои сообщения
Вы не можете удалять свои сообщения
Вы не можете добавлять вложения

Перейти:  
Powered by phpBB © phpBB Group
china-scooter.ru © 2006-2019