Клуб любителей китайских скутеров

Форум клуба любителей китайских скутеров

      
Текущее время: 17 Jan 2026, 05:45

Часовой пояс: UTC + 3 часа


Правила форума


Посмотреть правила форума



Начать новую тему Ответить на тему  [ Сообщений: 143 ]  На страницу Пред.  1 ... 3, 4, 5, 6, 7, 8, 9, 10  След.
Автор Сообщение
 Заголовок сообщения: Re: Зарядное устройство из компьютерного БП
СообщениеДобавлено: 15 Jan 2011, 00:51 
Не в сети
Гуру ремонта
Гуру ремонта
Аватар пользователя

Зарегистрирован: 20 Mar 2009, 23:12
Сообщений: 19841
Откуда: Бронницы
Поблагодарил: раз(а)
Поблагодарили: раз(а)
Медали: 4
За полезные и полные ответы. (1) За тех. помощь 1-й степени (1) За тех. помощь 2-й степени (1) За вклад в развитие клуба (1)
Скутер: Irbis Nirvana 150 уже 175сс
Стаж: Мото 21,скутер 4года
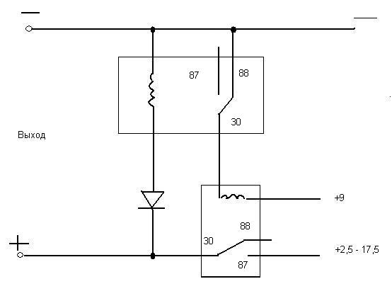
Как на счёт такого варианта?


Вложения:
8.JPG
8.JPG [ 13.18 KiB | Просмотров: 10094 ]

_________________
Попытка прочесть книгу, не открыв её - обречена на провал.
Вернуться наверх
 Профиль  
 
 Заголовок сообщения: Re: Зарядное устройство из компьютерного БП
СообщениеДобавлено: 15 Jan 2011, 02:34 
Не в сети
Опытный
Опытный
Аватар пользователя

Зарегистрирован: 02 Feb 2010, 22:06
Сообщений: 527
Поблагодарил: раз(а)
Поблагодарили: раз(а)
Скутер: Stels Skif 70 с6 racing
Стаж: 3 года
GRO писал(а):
Как на счёт такого варианта?


Еще хуже первого варианта. Тут одно реле должно сработать, а другое наоборот выключится. Представляешь сколько времени на это уйдет? При переполюсовке АКБ ток будет такой что сгорит вся схема, обгорят провода, да еще контакты реле намертво сварятся.
Щас посидел, подумал... Защита от переполюсовки на одном реле нормальное не сделать. Либо 2 реле (долгое время срабатывания), либо одно (изначално закнутое, но при большом токе контакты могут сварится, тогда сначала реле расплавится, потом БП умрет).

Гро, так что либо просто предохранитель ампер на 20, либо паять схему которую Эпикуреец предложил :)


Вернуться наверх
 Профиль  
 
 Заголовок сообщения: Re: Зарядное устройство из компьютерного БП
СообщениеДобавлено: 15 Jan 2011, 08:28 
Не в сети
Старожил
Старожил
Аватар пользователя

Зарегистрирован: 03 Oct 2008, 22:46
Сообщений: 8023
Откуда: Киев
Поблагодарил: раз(а)
Поблагодарили: раз(а)
Медали: 4
За тех. помощь 1-й степени (1) За тех. помощь 2-й степени (1) За статью 1-й степени. (1) За вклад в развитие клуба (1)
Скутер: 180-т4 и 150-Т4;
Стаж: 30
Сергей777
Ты просто не понял принцип релейной защиты от переполюсовки. Выходы не включатся, пока ты ПРАВИЛЬНО не подключишь батарею, она их включит если правильно подсоедина. Проблема лишь в том, что если АКБ усажен насмерть нужно вводить доп.кнопку на их включение от блока.
GRO Никак, "те же яйца,вид сбоку", севшая батарея не включит блок. Нижнее реле я так понимаю от выключения света. Не проще вентилятор на этот канал повесить, тем более, что он ест практически как реле. И шуметь поменьше будет.

_________________
Теория,-все знают как, ничего не работает
Практика,-все работает, никто не знает почему
Соединяем,-"Теория+Практика",-Ничего не работает и никто не знает, почему.


Вернуться наверх
 Профиль  
 
 Заголовок сообщения: Re: Зарядное устройство из компьютерного БП
СообщениеДобавлено: 15 Jan 2011, 08:32 
Не в сети
Старожил
Старожил
Аватар пользователя

Зарегистрирован: 03 Oct 2008, 22:46
Сообщений: 8023
Откуда: Киев
Поблагодарил: раз(а)
Поблагодарили: раз(а)
Медали: 4
За тех. помощь 1-й степени (1) За тех. помощь 2-й степени (1) За статью 1-й степени. (1) За вклад в развитие клуба (1)
Скутер: 180-т4 и 150-Т4;
Стаж: 30
GRO писал(а):
Блок в гараже, заряжает АКБ на машине.

Ты его там так и оставь, выстави 12,8-13,2В. Акб будет всегда заряжен.

_________________
Теория,-все знают как, ничего не работает
Практика,-все работает, никто не знает почему
Соединяем,-"Теория+Практика",-Ничего не работает и никто не знает, почему.


Вернуться наверх
 Профиль  
 
 Заголовок сообщения: Re: Зарядное устройство из компьютерного БП
СообщениеДобавлено: 15 Jan 2011, 10:10 
Не в сети
Гуру ремонта
Гуру ремонта
Аватар пользователя

Зарегистрирован: 20 Mar 2009, 23:12
Сообщений: 19841
Откуда: Бронницы
Поблагодарил: раз(а)
Поблагодарили: раз(а)
Медали: 4
За полезные и полные ответы. (1) За тех. помощь 1-й степени (1) За тех. помощь 2-й степени (1) За вклад в развитие клуба (1)
Скутер: Irbis Nirvana 150 уже 175сс
Стаж: Мото 21,скутер 4года
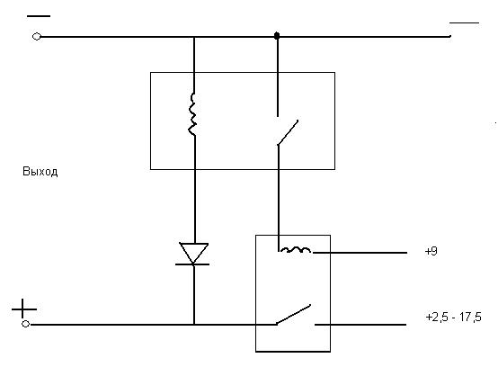
Немного не так нарисовал.
Вот как правильно:


Вложения:
8.JPG
8.JPG [ 14.67 KiB | Просмотров: 10082 ]

_________________
Попытка прочесть книгу, не открыв её - обречена на провал.
Вернуться наверх
 Профиль  
 
 Заголовок сообщения: Re: Зарядное устройство из компьютерного БП
СообщениеДобавлено: 15 Jan 2011, 10:40 
Не в сети
Старожил
Старожил
Аватар пользователя

Зарегистрирован: 03 Oct 2008, 22:46
Сообщений: 8023
Откуда: Киев
Поблагодарил: раз(а)
Поблагодарили: раз(а)
Медали: 4
За тех. помощь 1-й степени (1) За тех. помощь 2-й степени (1) За статью 1-й степени. (1) За вклад в развитие клуба (1)
Скутер: 180-т4 и 150-Т4;
Стаж: 30
В чем разница?

_________________
Теория,-все знают как, ничего не работает
Практика,-все работает, никто не знает почему
Соединяем,-"Теория+Практика",-Ничего не работает и никто не знает, почему.


Вернуться наверх
 Профиль  
 
 Заголовок сообщения: Re: Зарядное устройство из компьютерного БП
СообщениеДобавлено: 15 Jan 2011, 10:44 
Не в сети
Гуру ремонта
Гуру ремонта
Аватар пользователя

Зарегистрирован: 20 Mar 2009, 23:12
Сообщений: 19841
Откуда: Бронницы
Поблагодарил: раз(а)
Поблагодарили: раз(а)
Медали: 4
За полезные и полные ответы. (1) За тех. помощь 1-й степени (1) За тех. помощь 2-й степени (1) За вклад в развитие клуба (1)
Скутер: Irbis Nirvana 150 уже 175сс
Стаж: Мото 21,скутер 4года
Разница в том, что реле защиты, разрывает цепь реле питания, в случае переполюсовки.

_________________
Попытка прочесть книгу, не открыв её - обречена на провал.


Вернуться наверх
 Профиль  
 
 Заголовок сообщения: Re: Зарядное устройство из компьютерного БП
СообщениеДобавлено: 15 Jan 2011, 10:54 
Не в сети
Опытный
Опытный
Аватар пользователя

Зарегистрирован: 02 Feb 2010, 22:06
Сообщений: 527
Поблагодарил: раз(а)
Поблагодарили: раз(а)
Скутер: Stels Skif 70 с6 racing
Стаж: 3 года
GRO писал(а):
Разница в том, что реле защиты, разрывает цепь реле питания, в случае переполюсовки.


Гро, я именно так и понял твою изначальную схему. Долгое время срабатывания 2-х реле.


Вернуться наверх
 Профиль  
 
 Заголовок сообщения: Re: Зарядное устройство из компьютерного БП
СообщениеДобавлено: 15 Jan 2011, 11:04 
Не в сети
Опытный
Опытный
Аватар пользователя

Зарегистрирован: 02 Feb 2010, 22:06
Сообщений: 527
Поблагодарил: раз(а)
Поблагодарили: раз(а)
Скутер: Stels Skif 70 с6 racing
Стаж: 3 года
А что если поставить диодный мост только немного необычным образом?

Именно на вход диодного моста пустить АКБ, а на выход БП. Тогда получится что как АКБ не подключай + пойдет на +, - на -.


Вложения:
02.png
02.png [ 8.98 KiB | Просмотров: 10078 ]
01.png
01.png [ 8.82 KiB | Просмотров: 10078 ]
Вернуться наверх
 Профиль  
 
 Заголовок сообщения: Re: Зарядное устройство из компьютерного БП
СообщениеДобавлено: 15 Jan 2011, 18:50 
Не в сети
Гуру ремонта
Гуру ремонта
Аватар пользователя

Зарегистрирован: 20 Mar 2009, 23:12
Сообщений: 19841
Откуда: Бронницы
Поблагодарил: раз(а)
Поблагодарили: раз(а)
Медали: 4
За полезные и полные ответы. (1) За тех. помощь 1-й степени (1) За тех. помощь 2-й степени (1) За вклад в развитие клуба (1)
Скутер: Irbis Nirvana 150 уже 175сс
Стаж: Мото 21,скутер 4года
Сергей777
Или я чего-то не понял, или достаточно одного диода, чтобы реализовать твою "защиту".

_________________
Попытка прочесть книгу, не открыв её - обречена на провал.


Вернуться наверх
 Профиль  
 
 Заголовок сообщения: Re: Зарядное устройство из компьютерного БП
СообщениеДобавлено: 15 Jan 2011, 18:59 
Не в сети
Опытный
Опытный
Аватар пользователя

Зарегистрирован: 02 Feb 2010, 22:06
Сообщений: 527
Поблагодарил: раз(а)
Поблагодарили: раз(а)
Скутер: Stels Skif 70 с6 racing
Стаж: 3 года
Ну если честно то я не совсем уверен как поведут себя диоды когда с двух сторон будут источники постоянного напряжения...
У диодного моста один большой плюс-подключай АКБ вообще как хочешь. А при установке одного диода- надо все равно соблюдать полярность :)
Эпикуреец рассуди нас :) кто прав кто виноват


Вернуться наверх
 Профиль  
 
 Заголовок сообщения: Re: Зарядное устройство из компьютерного БП
СообщениеДобавлено: 15 Jan 2011, 20:19 
Не в сети
Гуру ремонта
Гуру ремонта
Аватар пользователя

Зарегистрирован: 20 Mar 2009, 23:12
Сообщений: 19841
Откуда: Бронницы
Поблагодарил: раз(а)
Поблагодарили: раз(а)
Медали: 4
За полезные и полные ответы. (1) За тех. помощь 1-й степени (1) За тех. помощь 2-й степени (1) За вклад в развитие клуба (1)
Скутер: Irbis Nirvana 150 уже 175сс
Стаж: Мото 21,скутер 4года
Сергей777 писал(а):
Ну если честно то я не совсем уверен как поведут себя диоды когда с двух сторон будут источники постоянного напряжения...
У диодного моста один большой плюс-подключай АКБ вообще как хочешь. А при установке одного диода- надо все равно соблюдать полярность :)
Эпикуреец рассуди нас :) кто прав кто виноват

Вообще одна пара диодов там уже есть.
Если в обратнную, паралельно схеме, включть мощный диод и поставить на выход предохранитель, то при переполюсовке, ток через дополнительный диод, просто выбьет предохранитель.

_________________
Попытка прочесть книгу, не открыв её - обречена на провал.


Вернуться наверх
 Профиль  
 
 Заголовок сообщения: Re: Зарядное устройство из компьютерного БП
СообщениеДобавлено: 15 Jan 2011, 20:22 
Не в сети
Опытный
Опытный
Аватар пользователя

Зарегистрирован: 02 Feb 2010, 22:06
Сообщений: 527
Поблагодарил: раз(а)
Поблагодарили: раз(а)
Скутер: Stels Skif 70 с6 racing
Стаж: 3 года
Зачем предохранитель если есть диод?


Вернуться наверх
 Профиль  
 
 Заголовок сообщения: Re: Зарядное устройство из компьютерного БП
СообщениеДобавлено: 15 Jan 2011, 20:41 
Не в сети
Гуру ремонта
Гуру ремонта
Аватар пользователя

Зарегистрирован: 20 Mar 2009, 23:12
Сообщений: 19841
Откуда: Бронницы
Поблагодарил: раз(а)
Поблагодарили: раз(а)
Медали: 4
За полезные и полные ответы. (1) За тех. помощь 1-й степени (1) За тех. помощь 2-й степени (1) За вклад в развитие клуба (1)
Скутер: Irbis Nirvana 150 уже 175сс
Стаж: Мото 21,скутер 4года
Сергей777 писал(а):
Зачем предохранитель если есть диод?

:-D
Угу, ждать, что раньше сгорит, диод или провода.
Лучше уж пусть предохранитель.

_________________
Попытка прочесть книгу, не открыв её - обречена на провал.


Вернуться наверх
 Профиль  
 
 Заголовок сообщения: Re: Зарядное устройство из компьютерного БП
СообщениеДобавлено: 15 Jan 2011, 20:43 
Не в сети
Гуру ремонта
Гуру ремонта
Аватар пользователя

Зарегистрирован: 20 Mar 2009, 23:12
Сообщений: 19841
Откуда: Бронницы
Поблагодарил: раз(а)
Поблагодарили: раз(а)
Медали: 4
За полезные и полные ответы. (1) За тех. помощь 1-й степени (1) За тех. помощь 2-й степени (1) За вклад в развитие клуба (1)
Скутер: Irbis Nirvana 150 уже 175сс
Стаж: Мото 21,скутер 4года
По скольку основными АКб у меня являються АКБ на 12 и 6 вольт, считаю, что необходимо поставить два реле, и не мучаться.
Но это уже в понедельник.

_________________
Попытка прочесть книгу, не открыв её - обречена на провал.


Вернуться наверх
 Профиль  
 
Показать сообщения за:  Сортировать по:  
Начать новую тему Ответить на тему  [ Сообщений: 143 ]  На страницу Пред.  1 ... 3, 4, 5, 6, 7, 8, 9, 10  След.

Часовой пояс: UTC + 3 часа


Кто сейчас на форуме

Сейчас этот форум просматривают: нет зарегистрированных пользователей и гости: 61


Вы не можете начинать темы
Вы не можете отвечать на сообщения
Вы не можете редактировать свои сообщения
Вы не можете удалять свои сообщения
Вы не можете добавлять вложения

Перейти:  
Powered by phpBB © phpBB Group
china-scooter.ru © 2006-2019