Клуб любителей китайских скутеров

Форум клуба любителей китайских скутеров

      
Текущее время: 05 Mar 2026, 03:28

Часовой пояс: UTC + 3 часа


Правила форума


Посмотреть правила форума



Начать новую тему Ответить на тему  [ Сообщений: 565 ]  На страницу Пред.  1 ... 5, 6, 7, 8, 9, 10, 11 ... 38  След.
Автор Сообщение
 Заголовок сообщения: Re: Опыт эксплуатации китайского скутера Reggy Fantom
СообщениеДобавлено: 30 Jul 2013, 13:31 
Не в сети
Опытный
Опытный
Аватар пользователя

Зарегистрирован: 28 Aug 2012, 09:30
Сообщений: 616
Откуда: МоскваБад
Поблагодарил: раз(а)
Поблагодарили: раз(а)
Скутер: MaxJet249
Стаж: 24
Dj@gger
отсканировать то как или в какой итоге,формате?
мурзилка стр на 10.


Вернуться наверх
 Профиль  
 
 Заголовок сообщения: Re: Опыт эксплуатации китайского скутера Reggy Fantom
СообщениеДобавлено: 30 Jul 2013, 14:37 
Не в сети
Старожил
Старожил
Аватар пользователя

Зарегистрирован: 04 Май 2010, 04:34
Сообщений: 4217
Откуда: город по умолчанию
Поблагодарил: раз(а)
Поблагодарили: раз(а)
Медали: 4
За дальнобой 2-й степени. (1) За полезные и полные ответы. (1) За статью 1-й степени. (1) За грамотность (1)
Скутер: КумсоPeople S200, ReggyFantom, SH300i, Sym Jet50
Стаж: 020
10 стр. - 10 файлов jpg, можно сканером, нету сканера - можно фотиком переснять. Потом запаковать в rar.
Вообще если асилишь то подвиг. *THUMBS UP*

_________________
моск атзавись


Вернуться наверх
 Профиль  
 
 Заголовок сообщения: Re: Опыт эксплуатации китайского скутера Reggy Fantom
СообщениеДобавлено: 30 Jul 2013, 18:07 
Не в сети
Опытный
Опытный
Аватар пользователя

Зарегистрирован: 28 Aug 2012, 09:30
Сообщений: 616
Откуда: МоскваБад
Поблагодарил: раз(а)
Поблагодарили: раз(а)
Скутер: MaxJet249
Стаж: 24
Dj@gger
где то видел готовые,не могу вспомнить хде.
Лады сегодня отсканирую 600дпай.Отправлю тебе на почту ,дальше сам .


Вернуться наверх
 Профиль  
 
 Заголовок сообщения: Re: Опыт эксплуатации китайского скутера Reggy Fantom
СообщениеДобавлено: 30 Jul 2013, 18:22 
Не в сети
Опытный
Опытный
Аватар пользователя

Зарегистрирован: 28 Aug 2012, 09:30
Сообщений: 616
Откуда: МоскваБад
Поблагодарил: раз(а)
Поблагодарили: раз(а)
Скутер: MaxJet249
Стаж: 24
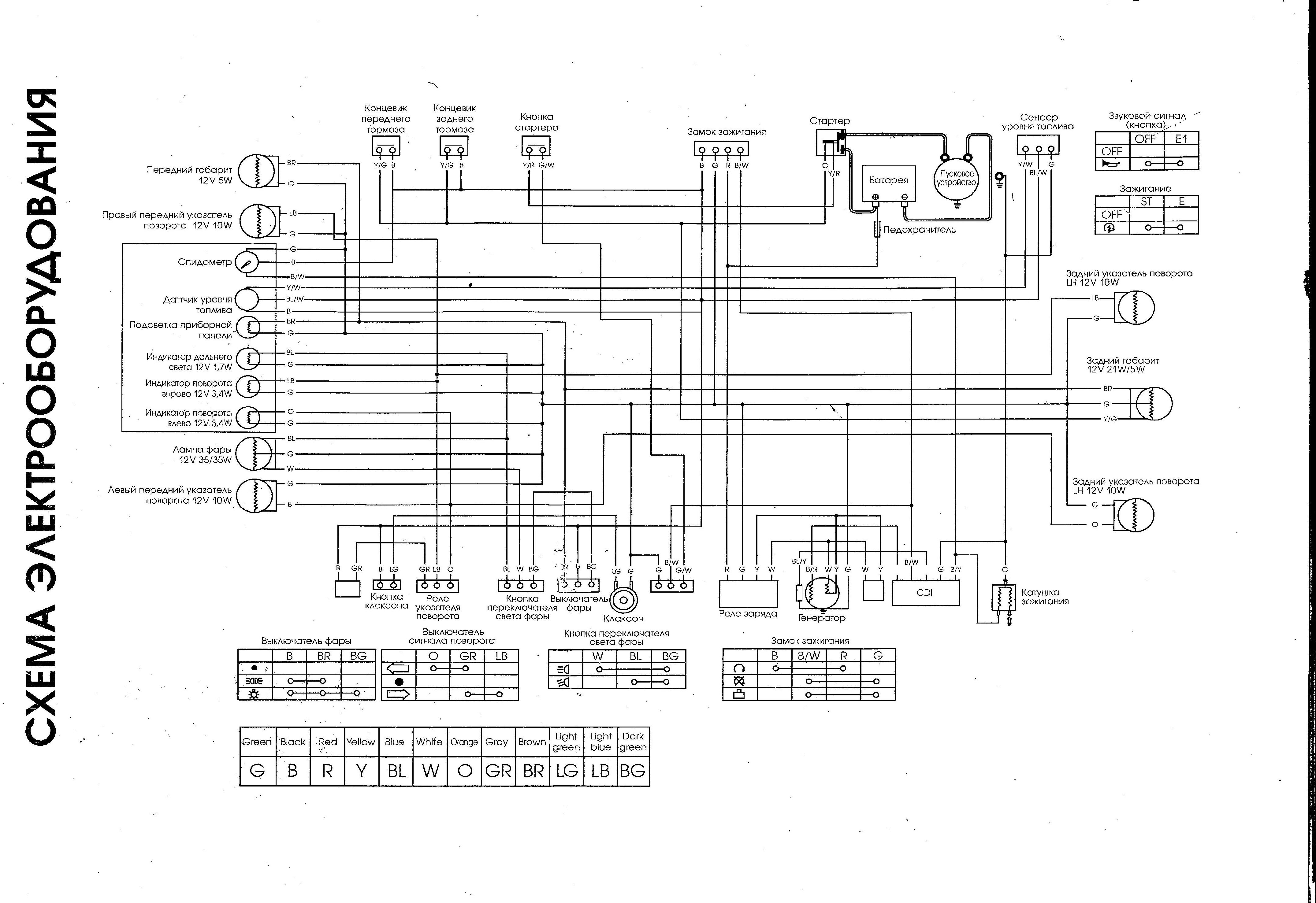
электросхема


Вложения:
murza.jpg
murza.jpg [ 980.12 KiB | Просмотров: 4870 ]
Вернуться наверх
 Профиль  
 
 Заголовок сообщения: Re: Опыт эксплуатации китайского скутера Reggy Fantom
СообщениеДобавлено: 30 Nov 2013, 14:46 
Не в сети
Старожил
Старожил
Аватар пользователя

Зарегистрирован: 04 Май 2010, 04:34
Сообщений: 4217
Откуда: город по умолчанию
Поблагодарил: раз(а)
Поблагодарили: раз(а)
Медали: 4
За дальнобой 2-й степени. (1) За полезные и полные ответы. (1) За статью 1-й степени. (1) За грамотность (1)
Скутер: КумсоPeople S200, ReggyFantom, SH300i, Sym Jet50
Стаж: 020
Поставил кимку в стойло и взял регги. Ибо зима.
Получается, что у меня этот скут эксплуатируется в уникальном режиме. Только зимой, причем по московскому рассолу.
Такшто, регги фантому предстоит очередной сезон зимней эксплуатации.
После прошлой зимы, я его поставил, ну он так и стоял. В тот момент в нем всё работало.
А щас....
Передняя шина оказалась спущена в ноль, в задней 1,5 атм.
После установки аккума, повернул ключ - и ничего. Предохранитель... хороший, несгоревший, только его выводы превратились в кучки сине-зеленых окислов.
Соединил напрямую куском провода. Завёл. Газ даёш - глохнет, так несколько раз.
Известная вещь после долгой стоянки. Потом прошло, предполагаю, расшевелился золотник в карбе, а был закисший.
Рычаг заднего тормоза не нажимается. Рычаг на оси колодок ржавый вусмерть, вал приржавел к корпусу редуктора. Стронул ударами ключа.
Рычаг стал нажиматься, но обратно не возвращается. Лупил ключом в обратном направлении,тормоз отпустил, вывод - лучше его не нажимать.
Черт с ним, передний тормоз есть.... через 200 м попробовал - и передний не растормаживается!
Усё закисло! Освобождается путем ударов по тормозному механизму, прям по самому цилиндру.
Боковую подножку удалось откинуть после нескольких ударов ногой. Тоже приржавела.
В общем доехал, тормоза не растормаживались, скут сожрал 4 л на 60 км, теперь предстоит развлекаловка с тормозами. Причём с обоими.

Видео. Так несколько раз за поездку...
[youtube]FnkjkwHM2Lc[/youtube]

_________________
моск атзавись


Вернуться наверх
 Профиль  
 
 Заголовок сообщения: Re: Опыт эксплуатации китайского скутера Reggy Fantom
СообщениеДобавлено: 01 Dec 2013, 13:32 
Не в сети
Старожил
Старожил
Аватар пользователя

Зарегистрирован: 04 Май 2010, 04:34
Сообщений: 4217
Откуда: город по умолчанию
Поблагодарил: раз(а)
Поблагодарили: раз(а)
Медали: 4
За дальнобой 2-й степени. (1) За полезные и полные ответы. (1) За статью 1-й степени. (1) За грамотность (1)
Скутер: КумсоPeople S200, ReggyFantom, SH300i, Sym Jet50
Стаж: 020
Привести в порядок задний тормоз ниасилил :(
Нихрена ничего не отворачивается, два болта крепления правого рычага вржавели намертво, можно только им головы поотрывать и потом высверливать.
Три болта фланца глушителя сожраны коррозией так, что ключ на 12 прокручивается, а на 11 не налазиет...
Изображение
Заднее колесо поэтому снять не получилось, а резина на нем стоковая летняя.
Рычаг колодок
Изображение
поливал соляркой и таки расшевелил, тут самое главное - упорство, но задний тормоз почти не тормозит...
Передний ожил, после снятия суппорта и утапливания поршня несколько раз, это радует.
Получается, эту зиму буду ездить с летней резиной на заднем колесе и без заднего тормоза. :-o
Кошмар.

_________________
моск атзавись


Вернуться наверх
 Профиль  
 
 Заголовок сообщения: Re: Опыт эксплуатации китайского скутера Reggy Fantom
СообщениеДобавлено: 01 Dec 2013, 13:35 
Не в сети
Опытный
Опытный
Аватар пользователя

Зарегистрирован: 28 Aug 2012, 09:30
Сообщений: 616
Откуда: МоскваБад
Поблагодарил: раз(а)
Поблагодарили: раз(а)
Скутер: MaxJet249
Стаж: 24
ужас нах.Пора переезжать в сочи


Вернуться наверх
 Профиль  
 
 Заголовок сообщения: Re: Опыт эксплуатации китайского скутера Reggy Fantom
СообщениеДобавлено: 01 Dec 2013, 13:59 
Не в сети
Старожил
Старожил
Аватар пользователя

Зарегистрирован: 18 Dec 2010, 19:18
Сообщений: 1288
Откуда: Саранск, Мордовия
Поблагодарил: раз(а)
Поблагодарили: раз(а)
Медали: 1
За тех. помощь 1-й степени (1)
Скутер: Atlant Calypso 150cc
Стаж: 5
Что-то ты запустил его. Хоть по весне бы помыл-обработал, на самотек не пускал.

_________________
ДрррррррррррррррррpppРРРРрppрррррДрррррррррррр
150cc.ru


Вернуться наверх
 Профиль  
 
 Заголовок сообщения: Re: Опыт эксплуатации китайского скутера Reggy Fantom
СообщениеДобавлено: 01 Dec 2013, 16:13 
Не в сети
Старожил
Старожил
Аватар пользователя

Зарегистрирован: 04 Май 2010, 04:34
Сообщений: 4217
Откуда: город по умолчанию
Поблагодарил: раз(а)
Поблагодарили: раз(а)
Медали: 4
За дальнобой 2-й степени. (1) За полезные и полные ответы. (1) За статью 1-й степени. (1) За грамотность (1)
Скутер: КумсоPeople S200, ReggyFantom, SH300i, Sym Jet50
Стаж: 020
Это не отношение к технике, фигли он на даче с прошлого апреля стоял, а щас снег и холодно там его починять, я его завел и приехал, думал тут уже делать есичо, а тут у меня индустриальная мощь не та, болгарки-сварки все тама. :)

_________________
моск атзавись


Вернуться наверх
 Профиль  
 
 Заголовок сообщения: Re: Опыт эксплуатации китайского скутера Reggy Fantom
СообщениеДобавлено: 01 Dec 2013, 16:13 
Не в сети
Старожил
Старожил
Аватар пользователя

Зарегистрирован: 18 Dec 2010, 19:18
Сообщений: 1288
Откуда: Саранск, Мордовия
Поблагодарил: раз(а)
Поблагодарили: раз(а)
Медали: 1
За тех. помощь 1-й степени (1)
Скутер: Atlant Calypso 150cc
Стаж: 5
так лето целое было

_________________
ДрррррррррррррррррpppРРРРрppрррррДрррррррррррр
150cc.ru


Вернуться наверх
 Профиль  
 
 Заголовок сообщения: Re: Опыт эксплуатации китайского скутера Reggy Fantom
СообщениеДобавлено: 01 Dec 2013, 16:19 
Не в сети
Старожил
Старожил
Аватар пользователя

Зарегистрирован: 04 Май 2010, 04:34
Сообщений: 4217
Откуда: город по умолчанию
Поблагодарил: раз(а)
Поблагодарили: раз(а)
Медали: 4
За дальнобой 2-й степени. (1) За полезные и полные ответы. (1) За статью 1-й степени. (1) За грамотность (1)
Скутер: КумсоPeople S200, ReggyFantom, SH300i, Sym Jet50
Стаж: 020
А летом на других катался, а он стоял, поэтому вроде как и не нужен... не рассчитывал я что болты не будут отворачиваться. Еслиб открутились, то ведь ничего сложного.

_________________
моск атзавись


Вернуться наверх
 Профиль  
 
 Заголовок сообщения: Re: Опыт эксплуатации китайского скутера Reggy Fantom
СообщениеДобавлено: 01 Dec 2013, 18:18 
Не в сети
Старожил
Старожил
Аватар пользователя

Зарегистрирован: 04 Май 2010, 04:34
Сообщений: 4217
Откуда: город по умолчанию
Поблагодарил: раз(а)
Поблагодарили: раз(а)
Медали: 4
За дальнобой 2-й степени. (1) За полезные и полные ответы. (1) За статью 1-й степени. (1) За грамотность (1)
Скутер: КумсоPeople S200, ReggyFantom, SH300i, Sym Jet50
Стаж: 020
Maximal писал(а):
Off topic:
Цитата:
Ты всегда(до этого) так скуты кидал,когда не нужны?И проблем таких никогда не было?Первый случай?

Да, и ничего с ними не происходит. Но нельзя сравнивать - регги ездит исключительно зимой и всегда в рассольно-грязевой хмари.
Наскока я знаю, если болт ввернут в корпусную деталь из алюминия, то нет никакого способа сделать так, чтобы его можно было свободно выкрутить после 3-х лет обработки солевым туманом... смазывать - не помогает, проверял.

_________________
моск атзавись


Вернуться наверх
 Профиль  
 
 Заголовок сообщения: Re: Опыт эксплуатации китайского скутера Reggy Fantom
СообщениеДобавлено: 01 Dec 2013, 19:45 
Не в сети
Старожил
Старожил

Зарегистрирован: 25 Май 2009, 14:25
Сообщений: 6823
Откуда: Москва, ЮВАО
Поблагодарил: раз(а)
Поблагодарили: раз(а)
Медали: 5
За полезные и полные ответы. (1) За тех. помощь 1-й степени (1) За тех. помощь 2-й степени (1) За вклад в развитие клуба (1) За грамотность (1)
Скутер: Stels Outlander 150
Стаж: общий с 1970года
Обстукивать и промочить американской фигнёй (если надо название, жди до следующей субботы....), я так откручивал болты 10-ти летнего джога, там ивой случай был (безнадёга....)

_________________
Танки грязи не боятся...


Вернуться наверх
 Профиль  
 
 Заголовок сообщения: Re: Опыт эксплуатации китайского скутера Reggy Fantom
СообщениеДобавлено: 15 Dec 2013, 16:59 
Не в сети
Старожил
Старожил
Аватар пользователя

Зарегистрирован: 04 Май 2010, 04:34
Сообщений: 4217
Откуда: город по умолчанию
Поблагодарил: раз(а)
Поблагодарили: раз(а)
Медали: 4
За дальнобой 2-й степени. (1) За полезные и полные ответы. (1) За статью 1-й степени. (1) За грамотность (1)
Скутер: КумсоPeople S200, ReggyFantom, SH300i, Sym Jet50
Стаж: 020
Замена масла в двигателе.
Для тех, кто забыл (как я :-D ), где находится сливная пробка.
Off topic:
желательно этот пост воткнуть куда-нибудь на первую страницу темы
Изображение
Изображение

_________________
моск атзавись


Вернуться наверх
 Профиль  
 
 Заголовок сообщения: Re: Опыт эксплуатации китайского скутера Reggy Fantom
СообщениеДобавлено: 15 Dec 2013, 17:24 
Не в сети
Старожил
Старожил
Аватар пользователя

Зарегистрирован: 18 Dec 2010, 19:18
Сообщений: 1288
Откуда: Саранск, Мордовия
Поблагодарил: раз(а)
Поблагодарили: раз(а)
Медали: 1
За тех. помощь 1-й степени (1)
Скутер: Atlant Calypso 150cc
Стаж: 5
с другой стороны на картере снизу еще пробка с сеточкой-фильтром и резиновой прокладкой

_________________
ДрррррррррррррррррpppРРРРрppрррррДрррррррррррр
150cc.ru


Вернуться наверх
 Профиль  
 
Показать сообщения за:  Сортировать по:  
Начать новую тему Ответить на тему  [ Сообщений: 565 ]  На страницу Пред.  1 ... 5, 6, 7, 8, 9, 10, 11 ... 38  След.

Часовой пояс: UTC + 3 часа


Кто сейчас на форуме

Сейчас этот форум просматривают: нет зарегистрированных пользователей и гости: 16


Вы не можете начинать темы
Вы не можете отвечать на сообщения
Вы не можете редактировать свои сообщения
Вы не можете удалять свои сообщения
Вы не можете добавлять вложения

Перейти:  
Powered by phpBB © phpBB Group
china-scooter.ru © 2006-2019