Клуб любителей китайских скутеров

Форум клуба любителей китайских скутеров

      
Текущее время: 05 Mar 2026, 19:53

Часовой пояс: UTC + 3 часа


Правила форума


Посмотреть правила форума



Начать новую тему Ответить на тему  [ Сообщений: 1956 ]  На страницу Пред.  1 ... 94, 95, 96, 97, 98, 99, 100 ... 131  След.
Автор Сообщение
 Заголовок сообщения: Re: Sachs Quattrocento 400cc
СообщениеДобавлено: 11 Aug 2014, 00:36 
Не в сети
Интересующийся
Интересующийся
Аватар пользователя

Зарегистрирован: 05 Dec 2011, 00:25
Сообщений: 31
Откуда: Питер
Поблагодарил: раз(а)
Поблагодарили: раз(а)
Скутер: Sachs Quattrocento 400cc
Стаж: C 30 марта 2012
Всем привет! Кто может подсказать, как правильно подобрать к Кватре задние амортизаторы? Может есть артикул детали,чтобы по инету заказать?

_________________
Клуб любителей максискутеров Sachs Quattrocento 400cc vkontakte: http://vk.com/club32550914
lasvegascombo.com
http://vk.com/club1287839
http://vk.com/club23324066


Вернуться наверх
 Профиль  
 
 Заголовок сообщения: Re: Sachs Quattrocento 400cc
СообщениеДобавлено: 11 Aug 2014, 09:13 
Не в сети
Старожил
Старожил
Аватар пользователя

Зарегистрирован: 06 Jan 2010, 19:57
Сообщений: 1485
Откуда: Санкт-Петербург, Пушкин
Поблагодарил: раз(а)
Поблагодарили: раз(а)
Скутер: Sachs Quattrocento 400cc
Стаж: 8
Самый простой и надежный способ, это снять родной амморт, помереть длину и диаметр отверстий. И с этой инфой искать уже.

_________________
www.alfa.bike магазин манерных велосипедов


Вернуться наверх
 Профиль  
 
 Заголовок сообщения: Re: Sachs Quattrocento 400cc
СообщениеДобавлено: 11 Aug 2014, 16:12 
OrangeBoy
Померить длину между центрами отверстий. Я лично советую приобрести амортизаторы RFY или NTC, их можно заказать на АлиЭкспрессе.


Вернуться наверх
  
 
 Заголовок сообщения: Re: Sachs Quattrocento 400cc
СообщениеДобавлено: 19 Aug 2014, 09:07 
Не в сети
Старожил
Старожил
Аватар пользователя

Зарегистрирован: 06 Jan 2010, 19:57
Сообщений: 1485
Откуда: Санкт-Петербург, Пушкин
Поблагодарил: раз(а)
Поблагодарили: раз(а)
Скутер: Sachs Quattrocento 400cc
Стаж: 8
Друзья, нужна ваша помощь. Скутер на холодную заводится с 5-6 го раза. Карбюратор и фильтр помыт, свеча новая. Воздушный тракт герметичен. Бензонасос в порядке, аккумулятор тоже. Думал дело в катушке зажигания. Поменял - не помогло. При попытке завода стартер крутит бодренько, но не цепляет. При этом первые три попытки с короткими промежутками делаю с закрытой заслонкой, иначе стартер срывается на визг. На 4-5 раз завожу уже с открытой заслонкой. И вот только на 5-й 6-й раз движок заводится. При этом с открытой заслонкой обороты должны быть высокими, в районе 2000, а у меня от силы 1200-1300. На горячую проблем нет. Едет отлично, холостой ход держит ровно, запускается с полтычка. Может кто сталкивался с подобным?
П.С, Еще вот чего забыл. При заводке на холодную из глушителя (место соединения банки и трубы) капает вода (липковатая такая вода).

_________________
www.alfa.bike магазин манерных велосипедов


Вернуться наверх
 Профиль  
 
 Заголовок сообщения: Re: Sachs Quattrocento 400cc
СообщениеДобавлено: 19 Aug 2014, 19:31 
Не в сети
Опытный
Опытный

Зарегистрирован: 05 Apr 2010, 16:24
Сообщений: 537
Откуда: Кубань
Поблагодарил: раз(а)
Поблагодарили: раз(а)
Скутер: Skywave 400, ТТР125, ТТР250,колхозник
А если после третьего раза выкрутить свечу и посмотреть на неё?
Ещё посмотреть без свечи, проворачивая стартером, может чего вылетает от туда.
Похоже на попадание тосола на холодную, после прогрева течь затыкаетс.
После запуска не парит?

_________________
Святые по земле не ходят!


Вернуться наверх
 Профиль  
 
 Заголовок сообщения: Re: Sachs Quattrocento 400cc
СообщениеДобавлено: 19 Aug 2014, 23:22 
Не в сети
Старожил
Старожил
Аватар пользователя

Зарегистрирован: 06 Jan 2010, 19:57
Сообщений: 1485
Откуда: Санкт-Петербург, Пушкин
Поблагодарил: раз(а)
Поблагодарили: раз(а)
Скутер: Sachs Quattrocento 400cc
Стаж: 8
Причина стала ясна, после консультации со специалистом. Дефектную заводскую прокладку головки я менял на вырезанную по образцу паронитовую (то, что подходит бургмановская тогда никто не знал). Эта прокладка отслужила мне три сезона и приказала долго жить... Подставил сегодня тарелочку под выхлопную трубу. При холодном старте вытекло где-то две столовых ложки антифриза. И да, белый дым валит. Уже оформил заказ на сузуковскую оригинальную прокладку (она вроде даже есть в наличии в Питере, об этом узнаю завтра). Так что временно скут на прикол ставлю до замены, так как далее эксплуатировать технику нельзя (себе дороже выйдет).

_________________
www.alfa.bike магазин манерных велосипедов


Вернуться наверх
 Профиль  
 
 Заголовок сообщения: Re: Sachs Quattrocento 400cc
СообщениеДобавлено: 21 Aug 2014, 01:30 
Не в сети
Бывалый
Бывалый
Аватар пользователя

Зарегистрирован: 05 Jul 2010, 08:05
Сообщений: 348
Откуда: Москва
Поблагодарил: раз(а)
Поблагодарили: раз(а)
Скутер: QUATTROCENTO 400
Стаж: есть
Эльдар, прокладка то 400 рублей стоила Бургамоновская,
Там по поводу амортов кто то спрашивал? Я дважды менял будучи уверен в размерах, не повторяй ошибок, там вот эта скоба которая крепит низ, у всех амортов оч низкая, а у нашего должна быть высокая, то есть если поедешь через лежачий или яма, прощайся с ухом к которому она крепится на двигателе в лучшем случае...в худшем треснет сама коробка. Подошли только ало-красного яркого цвета, но внизу рассверлить дырочки под нужный диаметр(3 минуты делать))) Аморты обалденные, мягкие...и што то около 600или 500 р за штуку. Третий год радуют.

_________________
Подпись в стадии разработки


Последний раз редактировалось Torios 21 Aug 2014, 21:44, всего редактировалось 1 раз.

Вернуться наверх
 Профиль  
 
 Заголовок сообщения: Re: Sachs Quattrocento 400cc
СообщениеДобавлено: 21 Aug 2014, 21:30 
Не в сети
Бывалый
Бывалый
Аватар пользователя

Зарегистрирован: 05 Jul 2010, 08:05
Сообщений: 348
Откуда: Москва
Поблагодарил: раз(а)
Поблагодарили: раз(а)
Скутер: QUATTROCENTO 400
Стаж: есть
Решена одна из гланвых проблем когда прибавляешь газу, скут глохнет и подобная хрень...вобщем вот - НАРЫЛ:

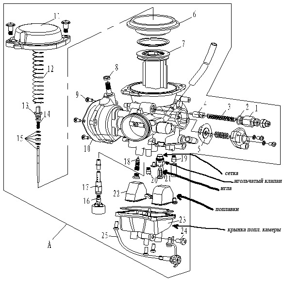
Проблему решили, что касается того что глох на ходу, вопрос решился следующим образом: сняли карбюратор, освободить тросик подсоса на руле, трос газа с руля не снимали , тк. его длины хватает для дальнейших манипуляций, само собой все трубки с краба тоже сняли) когда карбюратор снят откручиваем крышку поплавковой камеры она с низу на 4 болтах под крестовую отвертку крепится, аккуратно снимаем, там прокладка в виде резинового жгутика вставлена так что ничего не порвется при снятии, далее, надо освободить ось поплавков она зажата винтиком, раскручиваем его и снимаем поплавки в месте с иглой (21 на схеме) далее круглогубцами (больше там вряд ли чем подлезешь) аккуратно вынимаем сам игольчатый клапан, он сидит на резиновом уплотнителе, резьбы там нет он просто выдергивается вверх, на нем стоит очень мелкая белая сеточка, в моем случае вся забитая грязью по самый не хочу, хотя скут без топливного фильтра не использовался вообще, ( вот и стало понятно почему скут глох, пока на холостых протока топлива хватает тк расход малый как под нагрузкой грязь не дает нормально проходить бензину соответственно бенза не хватает и скут глохнет. ) аккуратно сеточку промыли кисточкой в бензине, и гнездо под клапан соответственно тоже т.к. тоже грязи хватало. Все собрали на место и вот таки уже все работает без проблем согласен гемору до хрена с разборкой, но если замена вакуумного крана, и топливного фильтра не помогли, тогда стопудово дело в забитой сетке краба. на схеме все постарался расписать. (жиклеры трогать не надо если они чистые) может кому пригодится мой опыт.


Вложения:
краб схема.jpg
краб схема.jpg [ 147.76 KiB | Просмотров: 4834 ]

_________________
Подпись в стадии разработки


Последний раз редактировалось Torios 01 Sep 2014, 15:55, всего редактировалось 2 раз(а).
Вернуться наверх
 Профиль  
 
 Заголовок сообщения: Re: Sachs Quattrocento 400cc
СообщениеДобавлено: 22 Aug 2014, 13:04 
Не в сети
Интересующийся
Интересующийся
Аватар пользователя

Зарегистрирован: 05 Dec 2011, 00:25
Сообщений: 31
Откуда: Питер
Поблагодарил: раз(а)
Поблагодарили: раз(а)
Скутер: Sachs Quattrocento 400cc
Стаж: C 30 марта 2012
Спасибо за информацию по амортизаторам.Еще проблема-при разогреве треск в вариаторе,когда еду,все нормально. В мастерской разобрали ,надо менять слайдеры вариатора ,но не могут подобрать подходящие. Подскажите,кто знает,какие слайдеры подойдут,от какого японского аналога?

_________________
Клуб любителей максискутеров Sachs Quattrocento 400cc vkontakte: http://vk.com/club32550914
lasvegascombo.com
http://vk.com/club1287839
http://vk.com/club23324066


Вернуться наверх
 Профиль  
 
 Заголовок сообщения: Re: Sachs Quattrocento 400cc
СообщениеДобавлено: 23 Aug 2014, 10:37 
Не в сети
Бывалый
Бывалый
Аватар пользователя

Зарегистрирован: 05 Jul 2010, 08:05
Сообщений: 348
Откуда: Москва
Поблагодарил: раз(а)
Поблагодарили: раз(а)
Скутер: QUATTROCENTO 400
Стаж: есть
Вовсе не от японского, я купил от варика ATV. Захватите их с собой когда поедете покупать что бы сравнить. Ищите АНГАР-8 на ярославке. Ездить со сточенными не вздумайте, они сотрут постель и тогда только весь варик менять. Удачи.
А так от Бургмана 400 подходит

_________________
Подпись в стадии разработки


Последний раз редактировалось Torios 25 Aug 2014, 01:51, всего редактировалось 1 раз.

Вернуться наверх
 Профиль  
 
 Заголовок сообщения: Re: Sachs Quattrocento 400cc
СообщениеДобавлено: 24 Aug 2014, 21:04 
Не в сети
Бывалый
Бывалый

Зарегистрирован: 23 Dec 2009, 18:15
Сообщений: 359
Откуда: г.Георгиевск Ставроп.кр.
Поблагодарил: раз(а)
Поблагодарили: раз(а)
Скутер: SYM CITY COM 300I
Стаж: общий с 1965г
Torios писал(а):
Решена одна из гланвых проблем

Нужный и дельный совет.В Сов.Армии автомобиль ЗИЛ-164 заводился с *полтыка*,обороты подхватывал,но ехал строго 40км/ч.Рассудили,что где -то ограничивается подача топлива.Пошли по цепочке от бака и в бензонасосе на сеточке над клапанами обнаружили как бы вату -покрывала равномерно всю сетку.Прочистили и ЗИЛ попёр во всю свою мощь.

_________________
Безвыходных положений не бывает.


Вернуться наверх
 Профиль  
 
 Заголовок сообщения: Re: Sachs Quattrocento 400cc
СообщениеДобавлено: 24 Aug 2014, 21:07 
Не в сети
Старожил
Старожил
Аватар пользователя

Зарегистрирован: 06 Jan 2010, 19:57
Сообщений: 1485
Откуда: Санкт-Петербург, Пушкин
Поблагодарил: раз(а)
Поблагодарили: раз(а)
Скутер: Sachs Quattrocento 400cc
Стаж: 8
прокладку головы поставил сузуковскую. Счастье вернулось. Скут заводится с полтычка.

_________________
www.alfa.bike магазин манерных велосипедов


Вернуться наверх
 Профиль  
 
 Заголовок сообщения: Re: Sachs Quattrocento 400cc
СообщениеДобавлено: 04 Sep 2014, 14:51 
Не в сети
Бывалый
Бывалый
Аватар пользователя

Зарегистрирован: 05 Jul 2010, 08:05
Сообщений: 348
Откуда: Москва
Поблагодарил: раз(а)
Поблагодарили: раз(а)
Скутер: QUATTROCENTO 400
Стаж: есть
щас разобрал варик, ролики сточены почти квадратные... то то ядумаю дергать стало на малых оборотах как будто тебя толкает сзади кто то, а потом вспомнил, я ж их менял 9 или 10 тыс км назад)) Хорошо под рукой ВСЕГДА новые! Кстати внутри всё чистенько, направляющие из пластмассы, сами полозья и постели - не придерёшься... Теперь опять вернулась легкость и прочие ощущенки))) ура млять!

_________________
Подпись в стадии разработки


Вернуться наверх
 Профиль  
 
 Заголовок сообщения: Re: Sachs Quattrocento 400cc
СообщениеДобавлено: 04 Sep 2014, 18:22 
Не в сети
Опытный
Опытный

Зарегистрирован: 16 Mar 2011, 19:53
Сообщений: 825
Откуда: Санкт-Петербург
Поблагодарил: раз(а)
Поблагодарили: раз(а)
Скутер: Silver Wing 600
Стаж: 6
Лучше бы поставит слайдеры Dr.Pulley. Ощущения были бы еще лучше.
А какой расход бензина на кватре?

_________________
CPI Aragon GP 50 (был)
Stels Outlander 150, Dr.Pulley (был)
Suzuki Skywave AN400Y , J.Costa EVO 2 (был)
Honda Silver Wing 600 , Dr.Pulley


Вернуться наверх
 Профиль  
 
 Заголовок сообщения: Re: Sachs Quattrocento 400cc
СообщениеДобавлено: 04 Sep 2014, 18:41 
Не в сети
Старожил
Старожил
Аватар пользователя

Зарегистрирован: 06 Jan 2010, 19:57
Сообщений: 1485
Откуда: Санкт-Петербург, Пушкин
Поблагодарил: раз(а)
Поблагодарили: раз(а)
Скутер: Sachs Quattrocento 400cc
Стаж: 8
artemix77 писал(а):
Лучше бы поставит слайдеры Dr.Pulley. Ощущения были бы еще лучше.
А какой расход бензина на кватре?


4,5 литра на сотню расход (город)

_________________
www.alfa.bike магазин манерных велосипедов


Вернуться наверх
 Профиль  
 
Показать сообщения за:  Сортировать по:  
Начать новую тему Ответить на тему  [ Сообщений: 1956 ]  На страницу Пред.  1 ... 94, 95, 96, 97, 98, 99, 100 ... 131  След.

Часовой пояс: UTC + 3 часа


Кто сейчас на форуме

Сейчас этот форум просматривают: нет зарегистрированных пользователей и гости: 32


Вы не можете начинать темы
Вы не можете отвечать на сообщения
Вы не можете редактировать свои сообщения
Вы не можете удалять свои сообщения
Вы не можете добавлять вложения

Перейти:  
Powered by phpBB © phpBB Group
china-scooter.ru © 2006-2019