Клуб любителей китайских скутеров

Форум клуба любителей китайских скутеров

      
Текущее время: 08 дек 2025, 03:49

Часовой пояс: UTC + 3 часа


Правила форума


Посмотреть правила форума



Начать новую тему Ответить на тему  [ Сообщений: 541 ]  На страницу Пред.  1 ... 33, 34, 35, 36, 37  След.
Автор Сообщение
 Заголовок сообщения: Re: Stels Tactic 150сс
СообщениеДобавлено: 28 дек 2016, 09:53 
Не в сети
Интересующийся
Интересующийся
Аватар пользователя

Зарегистрирован: 21 дек 2016, 22:05
Сообщений: 14
Поблагодарил: раз(а)
Поблагодарили: раз(а)
Скутер: Stels Tactic 150
Стаж: 3
Arthes не секрет. 49,999 :-D


Вернуться наверх
 Профиль  
 
 Заголовок сообщения: Re: Stels Tactic 150сс
СообщениеДобавлено: 28 дек 2016, 13:36 
Что-то мало, скидки что ли?

Я помню в 15 году, был у оф.диллера стелс в Волоколамске.
Там Тактик 150 стоит около 65, вортекс аж 75 еще тогда сильно удивился.

Но когда увидел цену на Аутландер меня хватил шок.

Скоро и стелсы будут брать в кредит *ROFL*


Вернуться наверх
  
 
 Заголовок сообщения: Re: Stels Tactic 150сс
СообщениеДобавлено: 28 дек 2016, 17:22 
Не в сети
Старожил
Старожил
Аватар пользователя

Зарегистрирован: 04 май 2010, 04:34
Сообщений: 4217
Откуда: город по умолчанию
Поблагодарил: раз(а)
Поблагодарили: раз(а)
Медали: 4
За дальнобой 2-й степени. (1) За полезные и полные ответы. (1) За статью 1-й степени. (1) За грамотность (1)
Скутер: КумсоPeople S200, ReggyFantom, SH300i, Sym Jet50
Стаж: 020
Arthes
Всё правильно. На данный момент времени это самый дешевый из 150-ти кубовых. Год назад тоже ездил на Волоколамку за запчастями и тоже видел за 52. Именно Тактик 150.

_________________
моск атзавись


Вернуться наверх
 Профиль  
 
 Заголовок сообщения: Re: Stels Tactic 150сс
СообщениеДобавлено: 05 янв 2017, 22:49 
Не в сети
Интересующийся
Интересующийся
Аватар пользователя

Зарегистрирован: 21 дек 2016, 22:05
Сообщений: 14
Поблагодарил: раз(а)
Поблагодарили: раз(а)
Скутер: Stels Tactic 150
Стаж: 3
Первый выезд.
https://youtu.be/hYzdc8h61iM


Вернуться наверх
 Профиль  
 
 Заголовок сообщения: Re: Stels Tactic 150сс
СообщениеДобавлено: 06 янв 2017, 17:44 
Не в сети
Интересующийся
Интересующийся
Аватар пользователя

Зарегистрирован: 21 дек 2016, 22:05
Сообщений: 14
Поблагодарил: раз(а)
Поблагодарили: раз(а)
Скутер: Stels Tactic 150
Стаж: 3
Это 31 декабря. Сейчас -20.
Масло поменял. Кастрол 10/40 пока залил, потом на синтетику перейду.


Вернуться наверх
 Профиль  
 
 Заголовок сообщения: Re: Stels Tactic 150сс
СообщениеДобавлено: 06 янв 2017, 18:42 
Кастрюля не лучший выбор, от них много отложений в моторе, особенно от минералок.
Лучше сразу лить нормальную синтетику Мотул или Ликви Молли.


Вернуться наверх
  
 
 Заголовок сообщения: Re: Stels Tactic 150сс
СообщениеДобавлено: 23 апр 2017, 18:11 
Не в сети
Наблюдатель
Аватар пользователя

Зарегистрирован: 12 июн 2013, 00:19
Сообщений: 4
Откуда: Южно-Сахалинск
Поблагодарил: раз(а)
Поблагодарили: раз(а)
Скутер: Stels Tactic 150
Стаж: 4
Новичкам салют!
Масло лью автомобильную полусинтетику Роснефть 10w40.
Набегал 14.000, полет нормальный.
:009<


Вернуться наверх
 Профиль  
 
 Заголовок сообщения: Re: Stels Tactic 150сс
СообщениеДобавлено: 25 июн 2017, 07:35 
Не в сети
Интересующийся
Интересующийся
Аватар пользователя

Зарегистрирован: 18 мар 2012, 17:35
Сообщений: 22
Откуда: Владимирская обл.
Поблагодарил: раз(а)
Поблагодарили: раз(а)
Скутер: Stels Tactic 150
Стаж: год
Приобрел "Тактик 150" 2008 года :) 4 владельца по ПТС. В активной эксплуатации с 2009 Обороты живут своей жизнью. На карбе стоит обогатитель но питание на него отрезано в чистую(какими то умелыми рукожопами) :) Игла в обогатителе отсутствует! Суть проблемы: Куда обогатитель подключить?! К какой фишке или к какому блоку(если можно с фото) Карб с обогатителем куплю новый. Проблема номер два: На холостую работает на повышенных оборотах,но стоит качнуть скут из стороны в сторону или хорошенько качнуть на амортизаторах,обороты резко падают. Вплоть до того что глохнет. Проблема с карбом? Хотелось бы знать причину. Для саморазвития :) До этого был Ирбис Нирвана но там движок 157й, отличается от Тактика и с похожими траблами не сталкивался(скут был новый)


Вернуться наверх
 Профиль  
 
 Заголовок сообщения: Re: Stels Tactic 150сс
СообщениеДобавлено: 25 июн 2017, 18:14 
Не в сети
Интересующийся
Интересующийся
Аватар пользователя

Зарегистрирован: 21 дек 2016, 22:05
Сообщений: 14
Поблагодарил: раз(а)
Поблагодарили: раз(а)
Скутер: Stels Tactic 150
Стаж: 3
На фото черная фишка, это с обогатителя.
Изображение


Вернуться наверх
 Профиль  
 
 Заголовок сообщения: Re: Stels Tactic 150сс
СообщениеДобавлено: 27 июн 2017, 07:15 
Не в сети
Интересующийся
Интересующийся
Аватар пользователя

Зарегистрирован: 18 мар 2012, 17:35
Сообщений: 22
Откуда: Владимирская обл.
Поблагодарил: раз(а)
Поблагодарили: раз(а)
Скутер: Stels Tactic 150
Стаж: год
kibandrei писал(а):
На фото черная фишка, это с обогатителя.
Изображение

За фото благодарствую :) Но у меня и эта фишка отсутствует(так же похоже удалена бывшим "умельцем")


Вернуться наверх
 Профиль  
 
 Заголовок сообщения: Re: Stels Tactic 150сс
СообщениеДобавлено: 27 июн 2017, 07:23 
Не в сети
Интересующийся
Интересующийся
Аватар пользователя

Зарегистрирован: 18 мар 2012, 17:35
Сообщений: 22
Откуда: Владимирская обл.
Поблагодарил: раз(а)
Поблагодарили: раз(а)
Скутер: Stels Tactic 150
Стаж: год
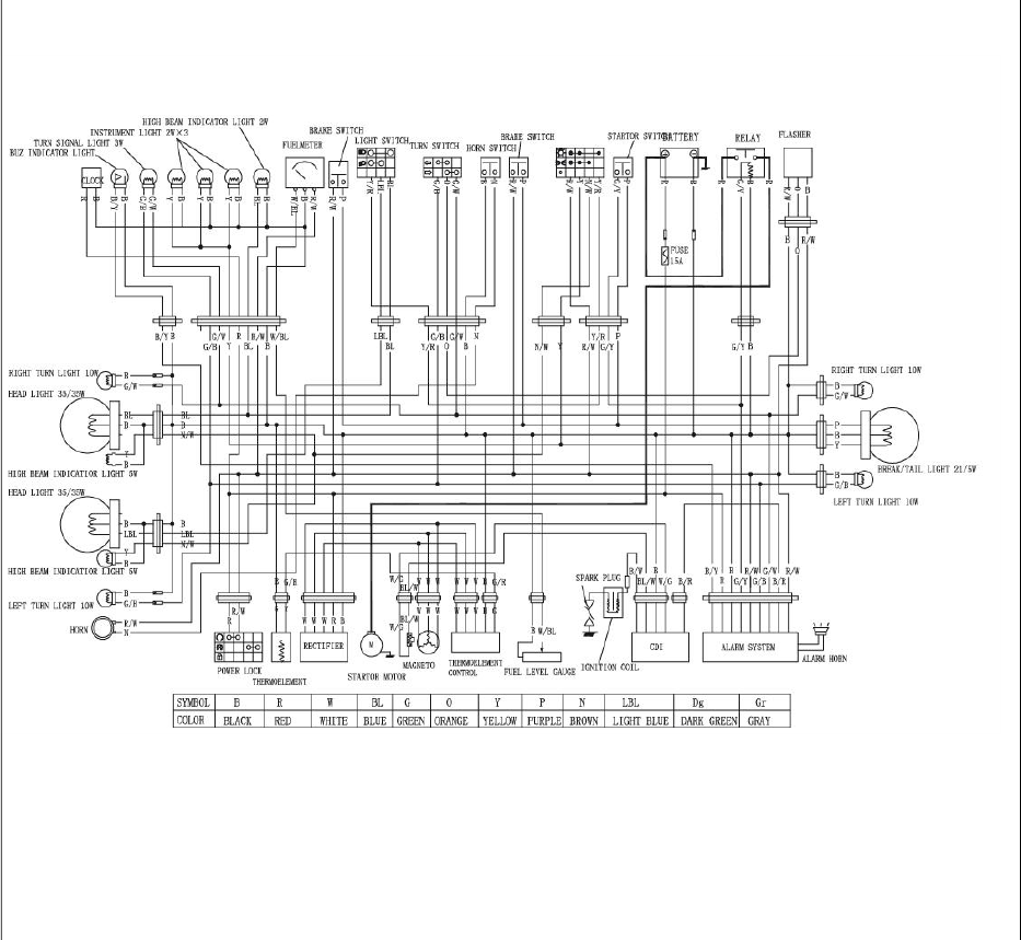
Скачал "Руководство" В нем есть схема,но никак не пойму где на ней обозначен этот самый обогатитель


Вложения:
Снимок экрана (53).png
Снимок экрана (53).png [ 203.1 KiB | Просмотров: 7921 ]
Вернуться наверх
 Профиль  
 
 Заголовок сообщения: Re: Stels Tactic 150сс
СообщениеДобавлено: 27 июн 2017, 12:19 
Не в сети
Посетитель
Посетитель

Зарегистрирован: 05 окт 2015, 22:41
Сообщений: 217
Откуда: Великий Новгород
Поблагодарил: раз(а)
Поблагодарили: раз(а)
Скутер: Znen Splash, - продан, Suzuki Sky Wefe 400
Стаж: 2
Обозначен как TERMOELEMENT

_________________
Любой мотоцикл прослужит вам до конца жизни, если ездить на нём достаточно быстро.


Вернуться наверх
 Профиль  
 
 Заголовок сообщения: Re: Stels Tactic 150сс
СообщениеДобавлено: 27 июн 2017, 21:49 
Не в сети
Интересующийся
Интересующийся
Аватар пользователя

Зарегистрирован: 18 мар 2012, 17:35
Сообщений: 22
Откуда: Владимирская обл.
Поблагодарил: раз(а)
Поблагодарили: раз(а)
Скутер: Stels Tactic 150
Стаж: год
spapa писал(а):
Обозначен как TERMOELEMENT

Благодарю :) Ато думаю карб куплю а куда подсоединить обогатитель фиг его знает. Теперь хоть сам проводку проложу к блоку.


Вернуться наверх
 Профиль  
 
 Заголовок сообщения: Re: Stels Tactic 150сс
СообщениеДобавлено: 27 июн 2017, 21:53 
Не в сети
Интересующийся
Интересующийся
Аватар пользователя

Зарегистрирован: 18 мар 2012, 17:35
Сообщений: 22
Откуда: Владимирская обл.
Поблагодарил: раз(а)
Поблагодарили: раз(а)
Скутер: Stels Tactic 150
Стаж: год
Остался еще один вопрос. Проблема номер два :) Писал выше. Работает на повышенных оборотах. Но стоит качнуть как следует скут из стороны в сторону или на амортизаторах,резко сбрасывает обороты вплоть до того,что глохнет. Может кто сталкивался? Возможная причина?


Вернуться наверх
 Профиль  
 
 Заголовок сообщения: Re: Stels Tactic 150сс
СообщениеДобавлено: 31 авг 2017, 11:07 
Не в сети
Старожил
Старожил
Аватар пользователя

Зарегистрирован: 03 окт 2008, 22:46
Сообщений: 8023
Откуда: Киев
Поблагодарил: раз(а)
Поблагодарили: раз(а)
Медали: 4
За тех. помощь 1-й степени (1) За тех. помощь 2-й степени (1) За статью 1-й степени. (1) За вклад в развитие клуба (1)
Скутер: 180-т4 и 150-Т4;
Стаж: 30
трос газа не возвращает заслонку.

_________________
Теория,-все знают как, ничего не работает
Практика,-все работает, никто не знает почему
Соединяем,-"Теория+Практика",-Ничего не работает и никто не знает, почему.


Вернуться наверх
 Профиль  
 
Показать сообщения за:  Сортировать по:  
Начать новую тему Ответить на тему  [ Сообщений: 541 ]  На страницу Пред.  1 ... 33, 34, 35, 36, 37  След.

Часовой пояс: UTC + 3 часа


Кто сейчас на форуме

Сейчас этот форум просматривают: нет зарегистрированных пользователей и гости: 5


Вы не можете начинать темы
Вы не можете отвечать на сообщения
Вы не можете редактировать свои сообщения
Вы не можете удалять свои сообщения
Вы не можете добавлять вложения

Перейти:  
cron
Powered by phpBB © phpBB Group
china-scooter.ru © 2006-2019