Клуб любителей китайских скутеров

Форум клуба любителей китайских скутеров

      
Текущее время: 12 Jan 2026, 06:48

Часовой пояс: UTC + 3 часа


Правила форума


Посмотреть правила форума



Начать новую тему Ответить на тему  [ Сообщений: 1956 ]  На страницу Пред.  1 ... 54, 55, 56, 57, 58, 59, 60 ... 131  След.
Автор Сообщение
 Заголовок сообщения: Re: Sachs Quattrocento 400cc
СообщениеДобавлено: 07 Jun 2012, 13:02 
Не в сети
Бывалый
Бывалый
Аватар пользователя

Зарегистрирован: 16 Nov 2008, 13:13
Сообщений: 289
Откуда: М.О.
Поблагодарил: раз(а)
Поблагодарили: раз(а)
Скутер: 2 Аутлендера + 3SYM GTS. И снова SYM 300. Joymax.
Стаж: 8
eldar писал(а):
Ремень там тоже чей-то (осталось найти чей). На заксе стоит ремень мицубоши. На нем написано вот что - 24.4*1023.

CITI COM-овский от SYMа близок по размеру 1002х24 На днях расковыряю Батлеру варик, спишу оттуда еще артикулы.

_________________
Хочу назад в СССР.
"Чем больше странных людей, берущих все новое, тем дешевле вторичка. Что нам и требуется." (с) QQZ


Вернуться наверх
 Профиль  
 
 Заголовок сообщения: Re: Sachs Quattrocento 400cc
СообщениеДобавлено: 07 Jun 2012, 13:24 
Не в сети
Опытный
Опытный

Зарегистрирован: 10 Aug 2010, 14:49
Сообщений: 958
Откуда: Москва
Поблагодарил: раз(а)
Поблагодарили: раз(а)
Скутер: какой-то 4т кетайский скутор на
у мегазипа нет самовывоза? Откуда? Из японии или из владика?

_________________
Я люблю свой скутор на


Вернуться наверх
 Профиль  
 
 Заголовок сообщения: Re: Sachs Quattrocento 400cc
СообщениеДобавлено: 07 Jun 2012, 15:07 
http://honda.priehali.ru/index.php/dostavka
Так же как мегазип привозит детали под заказ - НО цена ниже. И до 10 числа этого месяца не работает...

Еще могу посоветовать зарегиться на бург-клабе, и там поискать, наверняка кто-то подскажет, у них есть бугры на зап.части, можите поспрашивать. А можно просто создать тему "Куплю прокладку головки цилиндра на АN400".

Плюс еще на моторазборках поспрашивать - Бург распространенный мопед и наверняка есть зап.части под него.

Есть еще вариант - заказывать в мегазипе не по одной прокладке а группой. Тогда и 600р, будут не так губительны.

P\S А вообще привыкайте к тому что любая зап.часть к мопеду придеться заказывать и ждать, как привыкли все владельцы серьезной техники.

Похоже штатные прокладки от китайцев можно выкидывать...


Вернуться наверх
  
 
 Заголовок сообщения: Re: Sachs Quattrocento 400cc
СообщениеДобавлено: 07 Jun 2012, 15:21 
Не в сети
Старожил
Старожил
Аватар пользователя

Зарегистрирован: 06 Jan 2010, 19:57
Сообщений: 1485
Откуда: Санкт-Петербург, Пушкин
Поблагодарил: раз(а)
Поблагодарили: раз(а)
Скутер: Sachs Quattrocento 400cc
Стаж: 8
Arthes писал(а):
P\S А вообще привыкайте к тому что любая зап.часть к мопеду придеться заказывать и ждать, как привыкли все владельцы серьезной техники.


Ёпта, так у владельцев серьезной техники собственно сама техника не ломается же (судя по твоим постам и еще некоторых товарищей с этого форума). Она (техника эта) сама производит бензин и моторное масло. :-D
На ибее тоже прокладку от бурга я не нашел...

_________________
www.alfa.bike магазин манерных велосипедов


Вернуться наверх
 Профиль  
 
 Заголовок сообщения: Re: Sachs Quattrocento 400cc
СообщениеДобавлено: 07 Jun 2012, 17:48 
Не в сети
Старожил
Старожил

Зарегистрирован: 20 Jun 2009, 23:28
Сообщений: 1168
Откуда: Москва
Поблагодарил: раз(а)
Поблагодарили: раз(а)
Скутер: GX- Jetta 90cc + City Com 300
Стаж: 5 лет, мото 20 лет
Эльдар, ты удивишся, но сама по себе серьёзная техника действительно не ломается. Выходят из строя детали срок которым уже подошёл. Это сальники аммортизаторов, сайлентблоки, расходники, подшипники ступиц и так далее. Даже поршневые кольца. И зная, что через 5000 твоему мопеду надо будет менять что то, просто заказываеш загодя. Есть конечно вещи ломающиеся внезапно. Тросики спидометров, переключатели всевозможные- в основном мелочёвка. Серьёзная и внезапная поломка вроде прогара прокладки или потёкшего сальника редкость.
Это я исключаю конечно ДТП, ураганы с ласковыми женскими именами и концы света во всех видах. Тут конечно ожидание запчастей серьёзная проблема и можно весь сезон просидеть сиднем в ожидании нужного кусочка.
К тому же ходят те вещи, что я описал, очень дольше, чем на технике несерьёзной. собственно Десятилетняя Сузука или Хонда у народа по нескольку сезонов ходит вообще без вмешательства в них ( кроме шатаных ТО конечно с заменой жидкостей, ремней, резины, это я не считаю). Весной выкатил, сезон откатал, закатил на зиму и так несколько лет подряд- всё. Потом меняем что необходимо ( если необходимо конечно) и снова несколько сезонов просто ездим. Для СИМа того же, два-три сезона ( 50000+ пробег) без какого либо относительно серьёзного ремонта практически норма. Причём я во всех случаях говорю за машинку в целом, а не за отдельные агрегаты.

_________________
Бороться и искать, найти и перепрятать!


Вернуться наверх
 Профиль  
 
 Заголовок сообщения: Re: Sachs Quattrocento 400cc
СообщениеДобавлено: 07 Jun 2012, 18:52 
Не в сети
Старожил
Старожил

Зарегистрирован: 25 Май 2009, 14:25
Сообщений: 6823
Откуда: Москва, ЮВАО
Поблагодарил: раз(а)
Поблагодарили: раз(а)
Медали: 5
За полезные и полные ответы. (1) За тех. помощь 1-й степени (1) За тех. помощь 2-й степени (1) За вклад в развитие клуба (1) За грамотность (1)
Скутер: Stels Outlander 150
Стаж: общий с 1970года
a1298!
Ты удивишься, но так работает ЛЮБАЯ техника, в нормальных руках......

_________________
Танки грязи не боятся...


Вернуться наверх
 Профиль  
 
 Заголовок сообщения: Re: Sachs Quattrocento 400cc
СообщениеДобавлено: 07 Jun 2012, 18:53 
Можите конечно, опять меня называть троллем, но Квадру я действительно считаю за серьезную технику. Это не китайский полтос в ашане за 15-18 тысяч. На который зап.части найдешь чуть ли не в "гипер-меркете". Тут все серьезнее и сложнее...
Технически она уже достаточно сложная(так как многие по общему количеству деталей в несколько раз превосходят полтос\стописятку), и при этом она за частую становиться серьезной альтернативой для машины(если не полной), от чего и пробеги на них мереються в десятки тысяч км(а иногда и в сотни тысяч). Обратите внимание - на полтосах одонометры показывают только тысяч км.

Нет, когда ломается серьезная техника то тут все серьезнее. Даже просто что бы заменить самому деталь нужно иметь определенный опыт и знания. От чего и некоторые обращаються в сервис.

Хотя я некоим образом не оправдываю отсутствие зап.частей для серьезной техники.

Цитата:
Ёпта, так у владельцев серьезной техники собственно сама техника не ломается же

К сожалению и ЯПония и Италия и Симы сломаться(И даже Малагути :-D ).... Просто если на китайский полтос\стописятку ты пойдешь и в любом крупном городе найдешь нужную, зап.часть вплоть до нового колена. И этим же вечером ты ее поставишь. А на утро твой скутер уже будет на ходу. То на выше перечисленные, тебе придется либо ехать в Москву и бегать по разборкам, искать на форумах и в инете. Или заказывать из-за границы!
Про цены я и не говорю...

P\S Прокладка за 880 р даже с доставной в 600, это еще цветочки!
P\S\S Я предлагаю еще раз, вам собраться и коллективно(всем желающим) заказать новые оригинальные сузучьи прокладки!
Тогда и доставка не будет такой ущербной.


Вернуться наверх
  
 
 Заголовок сообщения: Re: Sachs Quattrocento 400cc
СообщениеДобавлено: 07 Jun 2012, 20:51 
Не в сети
Старожил
Старожил
Аватар пользователя

Зарегистрирован: 06 Jan 2010, 19:57
Сообщений: 1485
Откуда: Санкт-Петербург, Пушкин
Поблагодарил: раз(а)
Поблагодарили: раз(а)
Скутер: Sachs Quattrocento 400cc
Стаж: 8
Так друзья слушайте сюда. Главный мастер из Х-мото питерского регулярно затаривается на мегазипе. В ближайшие два дня он будет делать заказ и готов кинуть нас к себе на хвост. За доставку возьмет символические 50 рублей с прокладки. Так что кому нужна прокладка в срочном порядке свяжитесь со мной и готовьтесь заслать денежку. И дайте плиз точную ссылку с мегазипа на прокладку.И Sashok, где обещанный фотоотчет о замене прокладки на сбатлеровском скутере? А то мы ща закажем, а окажется что нужно еще напильником дорабатывать.

_________________
www.alfa.bike магазин манерных велосипедов


Вернуться наверх
 Профиль  
 
СообщениеСообщение было удалено | удалил: Torios | 07 Jun 2012, 22:43.
 Заголовок сообщения: Re: Sachs Quattrocento 400cc
СообщениеДобавлено: 07 Jun 2012, 22:48 
Не в сети
Бывалый
Бывалый
Аватар пользователя

Зарегистрирован: 05 Jul 2010, 08:05
Сообщений: 348
Откуда: Москва
Поблагодарил: раз(а)
Поблагодарили: раз(а)
Скутер: QUATTROCENTO 400
Стаж: есть
В МЕГАЗИПЕ прокладка будет стоить мега-дорого. Где то 1500р
Около полутора часов трепался сегодня с SashOK он проезжал мимо моего дома и остановился. Рассказал что даже дырочки в прокладке скайвеевской более точно сделаны ну просто как будто для КВАТРО, а главное, степень сжатия чуток увеличится.
О ГЛАВНОМ!!!
На расстоянии 1км от их мастерской находится мотомагазин. Разговор с его директором привёл к выяснению окончательной цены на прокладку, и составила она 800 рублей и 2 недели ожидания. Оплата естессно вперёд.
http://www.moto-to.ru

КТО ДЕШЕВЛЕ? пишите если найдёте. Хотя по моему это край...

а ваще вот её цена в америце 23 доллара вот №7 http://www.cheapcycleparts.com/model_ye ... inder-head

_________________
Подпись в стадии разработки


Последний раз редактировалось Torios 08 Jun 2012, 00:08, всего редактировалось 1 раз.

Вернуться наверх
 Профиль  
 
 Заголовок сообщения: Re: Sachs Quattrocento 400cc
СообщениеДобавлено: 07 Jun 2012, 23:31 
Не в сети
Старожил
Старожил
Аватар пользователя

Зарегистрирован: 06 Jan 2010, 19:57
Сообщений: 1485
Откуда: Санкт-Петербург, Пушкин
Поблагодарил: раз(а)
Поблагодарили: раз(а)
Скутер: Sachs Quattrocento 400cc
Стаж: 8
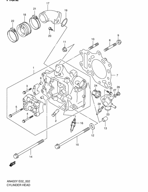
Посмотрел на мегазипе схему головки цилиндра AN400X Burgman. Один в один китайцы слизали. Но цены на этом ресурсе вгоняют в тоску (головка цилндра в сборе 21600).


Вложения:
башка.png
башка.png [ 25.29 KiB | Просмотров: 2684 ]

_________________
www.alfa.bike магазин манерных велосипедов
Вернуться наверх
 Профиль  
 
 Заголовок сообщения: Re: Sachs Quattrocento 400cc
СообщениеДобавлено: 07 Jun 2012, 23:33 
Не в сети
Старожил
Старожил
Аватар пользователя

Зарегистрирован: 06 Jan 2010, 19:57
Сообщений: 1485
Откуда: Санкт-Петербург, Пушкин
Поблагодарил: раз(а)
Поблагодарили: раз(а)
Скутер: Sachs Quattrocento 400cc
Стаж: 8
Блин надо ставить сигналку. Ща прочухают бурговоды что заксы могут стать донорами запчастей на сузы и станут тырить заксики на заказ :-D

_________________
www.alfa.bike магазин манерных велосипедов


Вернуться наверх
 Профиль  
 
 Заголовок сообщения: Re: Sachs Quattrocento 400cc
СообщениеДобавлено: 07 Jun 2012, 23:48 
Не в сети
Старожил
Старожил

Зарегистрирован: 20 Jun 2009, 23:28
Сообщений: 1168
Откуда: Москва
Поблагодарил: раз(а)
Поблагодарили: раз(а)
Скутер: GX- Jetta 90cc + City Com 300
Стаж: 5 лет, мото 20 лет
VVV писал(а):
a1298!
Ты удивишься, но так работает ЛЮБАЯ техника, в нормальных руках......

Слыхали парни? Руки у вас у всех кривые, вот и пробивает прокладки, проводки какие то отлетают, обгонные муфты пластилиновые и сальники не под размер стоят на ваших мопедах. Лихо? Кстати если у кого тормоза скрипят, то это тоже исключительно от кривости рук тормозящего ;)

eldar писал(а):
Блин надо ставить сигналку. Ща прочухают бурговоды что заксы могут стать донорами запчастей на сузы и станут тырить заксики на заказ :-D

Ага, злыдни бурговоды все загсы на прокладки потырят... все десять! :-D

_________________
Бороться и искать, найти и перепрятать!


Вернуться наверх
 Профиль  
 
 Заголовок сообщения: Re: Sachs Quattrocento 400cc
СообщениеДобавлено: 07 Jun 2012, 23:56 
Не в сети
Старожил
Старожил
Аватар пользователя

Зарегистрирован: 06 Jan 2010, 19:57
Сообщений: 1485
Откуда: Санкт-Петербург, Пушкин
Поблагодарил: раз(а)
Поблагодарили: раз(а)
Скутер: Sachs Quattrocento 400cc
Стаж: 8
a1298 ну вот не начинай а. ОДНА поломка у этого скутера - прокладка головки. И не поломка это а косяк производителя, что вместо железной пластилиновую поставили.
Обгонная муфта только у Джеши капризничила, да и то как он написал от длительного простоя скутера закисло все. Хреновый переключатель света не в счет ибо мелочь.

_________________
www.alfa.bike магазин манерных велосипедов


Последний раз редактировалось eldar 08 Jun 2012, 00:12, всего редактировалось 1 раз.

Вернуться наверх
 Профиль  
 
 Заголовок сообщения: Re: Sachs Quattrocento 400cc
СообщениеДобавлено: 07 Jun 2012, 23:59 
Не в сети
Старожил
Старожил
Аватар пользователя

Зарегистрирован: 06 Jan 2010, 19:57
Сообщений: 1485
Откуда: Санкт-Петербург, Пушкин
Поблагодарил: раз(а)
Поблагодарили: раз(а)
Скутер: Sachs Quattrocento 400cc
Стаж: 8
а1298 не продолжай ладно, а то GRO опять тебя в бан вгонит.

_________________
www.alfa.bike магазин манерных велосипедов


Вернуться наверх
 Профиль  
 
Показать сообщения за:  Сортировать по:  
Начать новую тему Ответить на тему  [ Сообщений: 1956 ]  На страницу Пред.  1 ... 54, 55, 56, 57, 58, 59, 60 ... 131  След.

Часовой пояс: UTC + 3 часа


Кто сейчас на форуме

Сейчас этот форум просматривают: нет зарегистрированных пользователей и гости: 2


Вы не можете начинать темы
Вы не можете отвечать на сообщения
Вы не можете редактировать свои сообщения
Вы не можете удалять свои сообщения
Вы не можете добавлять вложения

Перейти:  
cron
Powered by phpBB © phpBB Group
china-scooter.ru © 2006-2019