Клуб любителей китайских скутеров

Форум клуба любителей китайских скутеров

      
Текущее время: 20 ноя 2025, 01:53

Часовой пояс: UTC + 3 часа


Правила форума


Правила форума

Если ваш вопрос касается неисправности вашего скутера, или у вас возникли затруднения с эксплуатацией, или тюнингом, предварительно укажите:
Модель и производителя скутера;
Модель двигателя;
Тактность двигателя и предположительный объём.
После этого, излагайте суть проблемы.
Не забывайте, название поста должно как можно ближе отражать суть проблемы.



Начать новую тему Ответить на тему  [ Сообщений: 22 ]  На страницу Пред.  1, 2
Автор Сообщение
 Заголовок сообщения: Re: распиновка комутатора стелс 2Т
СообщениеДобавлено: 05 май 2013, 22:15 
Не в сети
Опытный
Опытный
Аватар пользователя

Зарегистрирован: 18 авг 2011, 11:24
Сообщений: 941
Откуда: Орехово-Зуево
Поблагодарил: раз(а)
Поблагодарили: раз(а)
Скутер: Irbis Nirvana ,Honda Dio AF 18
Стаж: Скутер 4 года
еще меня теперь озадачил вопрос где доставть комутатор питающийся от постоянки
нужен именно для 2т
от 5т 150сс точно не подходит :-D
в магазинах разводят руками

_________________
Форум-лучший друг человека!


Вернуться наверх
 Профиль  
 
 Заголовок сообщения: Re: распиновка комутатора стелс 2Т
СообщениеДобавлено: 06 май 2013, 07:56 
Не в сети
Гуру ремонта
Гуру ремонта
Аватар пользователя

Зарегистрирован: 20 мар 2009, 23:12
Сообщений: 19841
Откуда: Бронницы
Поблагодарил: раз(а)
Поблагодарили: раз(а)
Медали: 4
За полезные и полные ответы. (1) За тех. помощь 1-й степени (1) За тех. помощь 2-й степени (1) За вклад в развитие клуба (1)
Скутер: Irbis Nirvana 150 уже 175сс
Стаж: Мото 21,скутер 4года
Коммутатор от Хонда Дио, нет?

_________________
Попытка прочесть книгу, не открыв её - обречена на провал.


Вернуться наверх
 Профиль  
 
 Заголовок сообщения: Re: распиновка комутатора стелс 2Т
СообщениеДобавлено: 06 май 2013, 09:23 
Не в сети
Опытный
Опытный
Аватар пользователя

Зарегистрирован: 18 авг 2011, 11:24
Сообщений: 941
Откуда: Орехово-Зуево
Поблагодарил: раз(а)
Поблагодарили: раз(а)
Скутер: Irbis Nirvana ,Honda Dio AF 18
Стаж: Скутер 4 года
GRO
точно,у хонд с горизонтальным мотором есть такое дело
но помнится мне что комутатор хонды запитан постоянкой через стабилитрон в замке зажигания,нада на дио клабе пошукать и попробовать

_________________
Форум-лучший друг человека!


Вернуться наверх
 Профиль  
 
 Заголовок сообщения: Re: распиновка комутатора стелс 2Т
СообщениеДобавлено: 06 май 2013, 14:32 
Не в сети
Бывалый
Бывалый
Аватар пользователя

Зарегистрирован: 21 авг 2007, 08:24
Сообщений: 371
Откуда: Астрахань
Поблагодарил: раз(а)
Поблагодарили: раз(а)
Медали: 2
За тех. помощь 2-й степени (1) За инновации (1)
Скутер: Стелс Тактик 91 сс,ядерный Рокс!
Стаж: 5 лет
Коммут от ямахи аерокс, 5BM, на нем написано, питается от постоянки.

_________________
Здоровье надо беречь,а не укреплять.


Вернуться наверх
 Профиль  
 
 Заголовок сообщения: Re: распиновка комутатора стелс 2Т
СообщениеДобавлено: 07 май 2013, 11:07 
Не в сети
Опытный
Опытный
Аватар пользователя

Зарегистрирован: 18 авг 2011, 11:24
Сообщений: 941
Откуда: Орехово-Зуево
Поблагодарил: раз(а)
Поблагодарили: раз(а)
Скутер: Irbis Nirvana ,Honda Dio AF 18
Стаж: Скутер 4 года
Астраханец
+1
он напрямую от АКБ 12 вольтами питается без понижения напруги точно?

_________________
Форум-лучший друг человека!


Вернуться наверх
 Профиль  
 
 Заголовок сообщения: Re: распиновка комутатора стелс 2Т
СообщениеДобавлено: 07 май 2013, 12:37 
Не в сети
Бывалый
Бывалый
Аватар пользователя

Зарегистрирован: 21 авг 2007, 08:24
Сообщений: 371
Откуда: Астрахань
Поблагодарил: раз(а)
Поблагодарили: раз(а)
Медали: 2
За тех. помощь 2-й степени (1) За инновации (1)
Скутер: Стелс Тактик 91 сс,ядерный Рокс!
Стаж: 5 лет
Да, могу скан электрики скинуть вечерком.

_________________
Здоровье надо беречь,а не укреплять.


Вернуться наверх
 Профиль  
 
 Заголовок сообщения: Re: распиновка комутатора стелс 2Т
СообщениеДобавлено: 07 май 2013, 16:43 
Не в сети
Бывалый
Бывалый
Аватар пользователя

Зарегистрирован: 21 авг 2007, 08:24
Сообщений: 371
Откуда: Астрахань
Поблагодарил: раз(а)
Поблагодарили: раз(а)
Медали: 2
За тех. помощь 2-й степени (1) За инновации (1)
Скутер: Стелс Тактик 91 сс,ядерный Рокс!
Стаж: 5 лет
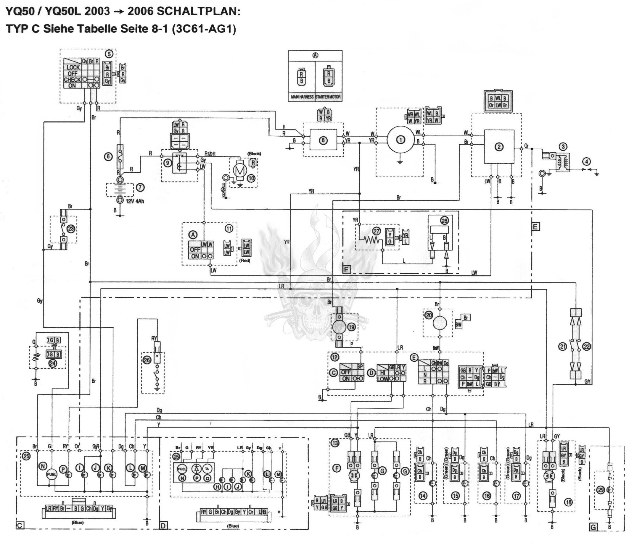
Вот схема с моего, где что догадаешься я думаю, непонятно-спрашивай.


Вложения:
moto_schem_Yamaha_Aerox_2003.jpg
moto_schem_Yamaha_Aerox_2003.jpg [ 520.95 KiB | Просмотров: 1607 ]

_________________
Здоровье надо беречь,а не укреплять.
Вернуться наверх
 Профиль  
 
Показать сообщения за:  Сортировать по:  
Начать новую тему Ответить на тему  [ Сообщений: 22 ]  На страницу Пред.  1, 2

Часовой пояс: UTC + 3 часа


Кто сейчас на форуме

Сейчас этот форум просматривают: нет зарегистрированных пользователей и гости: 4


Вы не можете начинать темы
Вы не можете отвечать на сообщения
Вы не можете редактировать свои сообщения
Вы не можете удалять свои сообщения
Вы не можете добавлять вложения

Перейти:  
cron
Powered by phpBB © phpBB Group
china-scooter.ru © 2006-2019