Клуб любителей китайских скутеров

Форум клуба любителей китайских скутеров

      
Текущее время: 27 Май 2026, 17:44

Часовой пояс: UTC + 3 часа


Правила форума


Правила форума

Если ваш вопрос касается неисправности вашего скутера, или у вас возникли затруднения с эксплуатацией, или тюнингом, предварительно укажите:
Модель и производителя скутера;
Модель двигателя;
Тактность двигателя и предположительный объём.
После этого, излагайте суть проблемы.
Не забывайте, название поста должно как можно ближе отражать суть проблемы.



Начать новую тему Ответить на тему  [ Сообщений: 93 ]  На страницу Пред.  1, 2, 3, 4, 5, 6, 7  След.
Автор Сообщение
 Заголовок сообщения: Re: Пропала искра
СообщениеДобавлено: 16 Sep 2012, 23:13 
Не в сети
Посетитель
Посетитель
Аватар пользователя

Зарегистрирован: 10 Apr 2012, 09:14
Сообщений: 204
Откуда: Устье-Кубенское
Поблагодарил: раз(а)
Поблагодарили: раз(а)
Скутер: Gryphon Racer.150-157QMJ
Стаж: 30 дней
borov писал(а):
Если зажигание нормальное,искра,хоть какая то,но будет,на любой свече.А у него,как он говорит,ее вообще нет
--------
не факт.
во первых.автор пишет что иска то есть-то нет.
во вторых.прежде чем ворочать горы в системе зажигания надо как минимум иметь заведомо рабочую свечу.


"borov"((иска то есть-то нет))это было с самого начала,как все началось,сейчас искры нету


Вернуться наверх
 Профиль  
 
 Заголовок сообщения: Re: Пропала искра
СообщениеДобавлено: 17 Sep 2012, 10:50 
Не в сети
Старожил
Старожил
Аватар пользователя

Зарегистрирован: 18 Oct 2010, 06:21
Сообщений: 2538
Откуда: Кубань
Поблагодарил: раз(а)
Поблагодарили: раз(а)
Медали: 4
За полезные и полные ответы. (1) За тех. помощь 1-й степени (1) За тех. помощь 2-й степени (1) За вклад в развитие клуба (1)
Скутер: RACER uragan- 82сс.
Стаж: ***
vitalii2
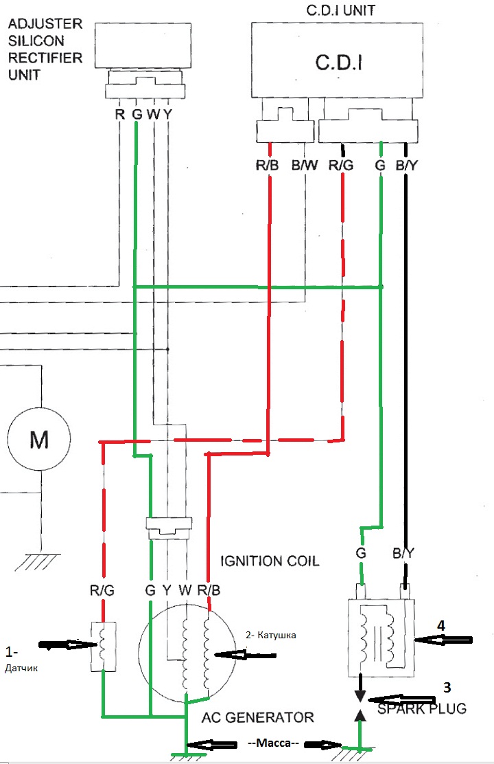
Буквовка ,,R,, на свече, означает, что свеча с резистором. Резистор - это по народному сопротивление. Служит для подавления помех радиоприему. Идем далее. Перечитал все еще раз, и не увидел ничего из того, что ты делал, кроме как менял коммутатор, свечи, и высоковольтный провод с колпачком. Попробую скинуть тебе схему, правда именно твою не нашел, есть с квадрика 150-ки, но она чето больше похожа на полтинник, ну думаю ты поймешь. На картинке под цифирью №1 катушка датчика, стоит над колоколом генератора, и дает импульс коммутатору. Под №2 катушка, которая обеспечивает коммутатор напряжением, заряжает конденсатор, который разряжается импульсом с №1. Далее, напряжение поступает на катушку зажигания №4, и с нее на свечу №3. Заметь, все связано с массой, нарисовал ее зеленым. Ты проверил эту цепь? Хотя бы на наличие надежного контакта? Я не хочу описывать тебе весь этот процесс подробно, поэтому изложил как можно проще. А приборчик ты все-таки купи, пригодится, и напряжение проверить, и провода/обмотки прозвонить, поверь, намного упрощает жизнь. А пользоваться им ты научишься минут за 20- максимум.


Вложения:
ScreenShot 4-1-1.jpg
ScreenShot 4-1-1.jpg [ 132.16 KiB | Просмотров: 3023 ]

_________________
"Добрым словом и револьвером, вы добьетесь намного большего.... чем одним добрым словом"
...Пишу с ошибками, читаю по слогам.
Вернуться наверх
 Профиль  
 
 Заголовок сообщения: Re: Пропала искра
СообщениеДобавлено: 18 Sep 2012, 10:16 
Не в сети
Посетитель
Посетитель
Аватар пользователя

Зарегистрирован: 10 Apr 2012, 09:14
Сообщений: 204
Откуда: Устье-Кубенское
Поблагодарил: раз(а)
Поблагодарили: раз(а)
Скутер: Gryphon Racer.150-157QMJ
Стаж: 30 дней
ДОМОВОЙ писал(а):
vitalii2
Буквовка ,,R,, на свече, означает, что свеча с резистором. Резистор - это по народному сопротивление. Служит для подавления помех радиоприему. Идем далее. Перечитал все еще раз, и не увидел ничего из того, что ты делал, кроме как менял коммутатор, свечи, и высоковольтный провод с колпачком. Попробую скинуть тебе схему, правда именно твою не нашел, есть с квадрика 150-ки, но она чето больше похожа на полтинник, ну думаю ты поймешь. На картинке под цифирью №1 катушка датчика, стоит над колоколом генератора, и дает импульс коммутатору. Под №2 катушка, которая обеспечивает коммутатор напряжением, заряжает конденсатор, который разряжается импульсом с №1. Далее, напряжение поступает на катушку зажигания №4, и с нее на свечу №3. Заметь, все связано с массой, нарисовал ее зеленым. Ты проверил эту цепь? Хотя бы на наличие надежного контакта? Я не хочу описывать тебе весь этот процесс подробно, поэтому изложил как можно проще. А приборчик ты все-таки купи, пригодится, и напряжение проверить, и провода/обмотки прозвонить, поверь, намного упрощает жизнь. А пользоваться им ты научишься минут за 20- максимум.


ДОМОВОЙ,спасибо,вроде нашли причину(хотя может уже и не одна)прозвонили катушку генератора,не работает одна катушка с правой стороны и закрытая белой пленкой,надо покупать новую


Вложения:
DC120918001.jpg
DC120918001.jpg [ 21.32 KiB | Просмотров: 2998 ]
Вернуться наверх
 Профиль  
 
 Заголовок сообщения: Re: Пропала искра
СообщениеДобавлено: 18 Sep 2012, 10:44 
Не в сети
Старожил
Старожил
Аватар пользователя

Зарегистрирован: 18 Oct 2010, 06:21
Сообщений: 2538
Откуда: Кубань
Поблагодарил: раз(а)
Поблагодарили: раз(а)
Медали: 4
За полезные и полные ответы. (1) За тех. помощь 1-й степени (1) За тех. помощь 2-й степени (1) За вклад в развитие клуба (1)
Скутер: RACER uragan- 82сс.
Стаж: ***
vitalii2
vitalii2
vitalii2 писал(а):
не работает одна катушка с правой стороны и закрытая белой пленкой,надо покупать новую

Вот эти две катушки, под пленкой, и обозначены под №2.
Возможно они и парили мозг. Отпишись потом, помогло или нет, хорошо?

_________________
"Добрым словом и револьвером, вы добьетесь намного большего.... чем одним добрым словом"
...Пишу с ошибками, читаю по слогам.


Вернуться наверх
 Профиль  
 
 Заголовок сообщения: Re: Пропала искра
СообщениеДобавлено: 18 Sep 2012, 11:41 
Не в сети
Посетитель
Посетитель
Аватар пользователя

Зарегистрирован: 10 Apr 2012, 09:14
Сообщений: 204
Откуда: Устье-Кубенское
Поблагодарил: раз(а)
Поблагодарили: раз(а)
Скутер: Gryphon Racer.150-157QMJ
Стаж: 30 дней
ДОМОВОЙ писал(а):
vitalii2
vitalii2
vitalii2 писал(а):
не работает одна катушка с правой стороны и закрытая белой пленкой,надо покупать новую

Вот эти две катушки, под пленкой, и обозначены под №2.
Возможно они и парили мозг. Отпишись потом, помогло или нет, хорошо?

Да,спаибо


Вернуться наверх
 Профиль  
 
 Заголовок сообщения: Re: Пропала искра
СообщениеДобавлено: 18 Sep 2012, 17:08 
Не в сети
Посетитель
Посетитель
Аватар пользователя

Зарегистрирован: 10 Apr 2012, 09:14
Сообщений: 204
Откуда: Устье-Кубенское
Поблагодарил: раз(а)
Поблагодарили: раз(а)
Скутер: Gryphon Racer.150-157QMJ
Стаж: 30 дней
подскажите,нету статора генератора-8 катушек нету,а когда привезут не знают,есть другие на 6-катушек,скажите мне они подойдут,блин не знаю,что и делать :(


Вернуться наверх
 Профиль  
 
 Заголовок сообщения: Re: Пропала искра
СообщениеДобавлено: 18 Sep 2012, 17:15 
Не в сети
Посетитель
Посетитель
Аватар пользователя

Зарегистрирован: 10 Apr 2012, 09:14
Сообщений: 204
Откуда: Устье-Кубенское
Поблагодарил: раз(а)
Поблагодарили: раз(а)
Скутер: Gryphon Racer.150-157QMJ
Стаж: 30 дней
vitalii2 писал(а):
подскажите,нету статора генератора-8 катушек нету,а когда привезут не знают,есть другие на 6-катушек,скажите мне они подойдут,блин не знаю,что и делать :(

нашел сейчас в инете вот такую((Ротор генератора (магнит) (DC) 4Т - 125/150сс 152QMI/157QMJ под статор 6 катушек.))как это понять?


Вернуться наверх
 Профиль  
 
 Заголовок сообщения: Re: Пропала искра
СообщениеДобавлено: 18 Sep 2012, 17:23 
Не в сети
Старожил
Старожил
Аватар пользователя

Зарегистрирован: 18 Oct 2010, 06:21
Сообщений: 2538
Откуда: Кубань
Поблагодарил: раз(а)
Поблагодарили: раз(а)
Медали: 4
За полезные и полные ответы. (1) За тех. помощь 1-й степени (1) За тех. помощь 2-й степени (1) За вклад в развитие клуба (1)
Скутер: RACER uragan- 82сс.
Стаж: ***
vitalii2
Подожди маленько, щас специалисты подойдут, расскажут.

_________________
"Добрым словом и револьвером, вы добьетесь намного большего.... чем одним добрым словом"
...Пишу с ошибками, читаю по слогам.


Вернуться наверх
 Профиль  
 
 Заголовок сообщения: Re: Пропала искра
СообщениеДобавлено: 18 Sep 2012, 17:38 
Не в сети
Старожил
Старожил

Зарегистрирован: 08 Jul 2009, 18:07
Сообщений: 3186
Откуда: Беларусь
Поблагодарил: раз(а)
Поблагодарили: раз(а)
Медали: 4
За полезные и полные ответы. (1) За тех. помощь 1-й степени (1) За тех. помощь 2-й степени (1) За вклад в развитие клуба (1)
Скутер: Hors 154\ 157QMJ\RC125T-9X\152QMJ
Поставить можно, правда, возможно понадобиться замена РН.
Кстати, какое РН, если можно фото.

_________________
„Изучай правила, чтобы знать, как правильно их нарушить.“
„Мир несовершенен, поскольку мы несовершенны.“


Вернуться наверх
 Профиль  
 
 Заголовок сообщения: Re: Пропала искра
СообщениеДобавлено: 18 Sep 2012, 17:43 
Не в сети
Старожил
Старожил

Зарегистрирован: 08 Jul 2009, 18:07
Сообщений: 3186
Откуда: Беларусь
Поблагодарил: раз(а)
Поблагодарили: раз(а)
Медали: 4
За полезные и полные ответы. (1) За тех. помощь 1-й степени (1) За тех. помощь 2-й степени (1) За вклад в развитие клуба (1)
Скутер: Hors 154\ 157QMJ\RC125T-9X\152QMJ
Изображение
Это то, что стоит у меня.
Плюс это РН
Изображение

_________________
„Изучай правила, чтобы знать, как правильно их нарушить.“
„Мир несовершенен, поскольку мы несовершенны.“


Вернуться наверх
 Профиль  
 
 Заголовок сообщения: Re: Пропала искра
СообщениеДобавлено: 18 Sep 2012, 17:57 
Не в сети
Посетитель
Посетитель
Аватар пользователя

Зарегистрирован: 10 Apr 2012, 09:14
Сообщений: 204
Откуда: Устье-Кубенское
Поблагодарил: раз(а)
Поблагодарили: раз(а)
Скутер: Gryphon Racer.150-157QMJ
Стаж: 30 дней
Hors писал(а):
Поставить можно, правда, возможно понадобиться замена РН.
Кстати, какое РН, если можно фото.

вот такой,и не договорил сам я 6-катушечные не видел,скинул точно какой двигатель и какой статор-8 катушек в СМС другу,он в городе живет,он и прокатился по магазинам


Вложения:
DC120918003.jpg
DC120918003.jpg [ 37.54 KiB | Просмотров: 3010 ]
Вернуться наверх
 Профиль  
 
 Заголовок сообщения: Re: Пропала искра
СообщениеДобавлено: 18 Sep 2012, 17:59 
Не в сети
Посетитель
Посетитель
Аватар пользователя

Зарегистрирован: 10 Apr 2012, 09:14
Сообщений: 204
Откуда: Устье-Кубенское
Поблагодарил: раз(а)
Поблагодарили: раз(а)
Скутер: Gryphon Racer.150-157QMJ
Стаж: 30 дней
vitalii2 писал(а):
Hors писал(а):
Поставить можно, правда, возможно понадобиться замена РН.
Кстати, какое РН, если можно фото.

вот такой,и не договорил сам я 6-катушечные не видел,скинул точно какой двигатель и какой статор-8 катушек в СМС другу,он в городе живет,он и прокатился по магазинам

да и у меня такой же вроде


Вернуться наверх
 Профиль  
 
 Заголовок сообщения: Re: Пропала искра
СообщениеДобавлено: 18 Sep 2012, 18:03 
Не в сети
Посетитель
Посетитель
Аватар пользователя

Зарегистрирован: 10 Apr 2012, 09:14
Сообщений: 204
Откуда: Устье-Кубенское
Поблагодарил: раз(а)
Поблагодарили: раз(а)
Скутер: Gryphon Racer.150-157QMJ
Стаж: 30 дней
Hors писал(а):
[img]*http://www.skuterist.ru/shop/pictures/448_2.jpg[/img]
Это то, что стоит у меня.
Плюс это РН
[img]*http://scootermag.ru/published/publicdata/SCOOTERMAGBASE/attachments/SC/products_pictures/DSC_9629.jpg[/img]

и статор и у меня почти такой


Вернуться наверх
 Профиль  
 
 Заголовок сообщения: Re: Пропала искра
СообщениеДобавлено: 18 Sep 2012, 18:08 
Не в сети
Посетитель
Посетитель
Аватар пользователя

Зарегистрирован: 05 Sep 2011, 18:27
Сообщений: 194
Откуда: Нижегородская обл.
Поблагодарил: раз(а)
Поблагодарили: раз(а)
Скутер: Lifan sg50qt15
Стаж: 6 лет
Шестикатушечный статор,это скорей всего трехфазный,тебе не подойдет.


Последний раз редактировалось Fatalist 06 Jan 2013, 22:07, всего редактировалось 1 раз.

Вернуться наверх
 Профиль  
 
 Заголовок сообщения: Re: Пропала искра
СообщениеДобавлено: 18 Sep 2012, 18:17 
Не в сети
Старожил
Старожил

Зарегистрирован: 08 Jul 2009, 18:07
Сообщений: 3186
Откуда: Беларусь
Поблагодарил: раз(а)
Поблагодарили: раз(а)
Медали: 4
За полезные и полные ответы. (1) За тех. помощь 1-й степени (1) За тех. помощь 2-й степени (1) За вклад в развитие клуба (1)
Скутер: Hors 154\ 157QMJ\RC125T-9X\152QMJ
Fatalist писал(а):
Шестикатушечный статор,это скорей всего трехфазный,тебе не подойдет.


Изображение
Изображение
Fatalist, Сергей, не путай народ.

_________________
„Изучай правила, чтобы знать, как правильно их нарушить.“
„Мир несовершенен, поскольку мы несовершенны.“


Вернуться наверх
 Профиль  
 
Показать сообщения за:  Сортировать по:  
Начать новую тему Ответить на тему  [ Сообщений: 93 ]  На страницу Пред.  1, 2, 3, 4, 5, 6, 7  След.

Часовой пояс: UTC + 3 часа


Кто сейчас на форуме

Сейчас этот форум просматривают: нет зарегистрированных пользователей и гости: 85


Вы не можете начинать темы
Вы не можете отвечать на сообщения
Вы не можете редактировать свои сообщения
Вы не можете удалять свои сообщения
Вы не можете добавлять вложения

Перейти:  
Powered by phpBB © phpBB Group
china-scooter.ru © 2006-2019