Клуб любителей китайских скутеров

Форум клуба любителей китайских скутеров

      
Текущее время: 25 окт 2025, 03:20

Часовой пояс: UTC + 3 часа


Правила форума


Посмотреть правила форума



Начать новую тему Ответить на тему  [ Сообщений: 28 ]  На страницу Пред.  1, 2
Автор Сообщение
 Заголовок сообщения: Re: Перегорают лампочки
СообщениеДобавлено: 16 дек 2008, 22:51 
Не в сети
Старожил
Старожил
Аватар пользователя

Зарегистрирован: 20 апр 2007, 21:20
Сообщений: 2828
Откуда: Германия
Поблагодарил: раз(а)
Поблагодарили: раз(а)
Скутер: 139QMB
Стаж: 7
Тут


Вложения:
Unbenannt.JPG
Unbenannt.JPG [ 123.26 KiB | Просмотров: 3254 ]

_________________
Продумано не сказано!
Сказано не услышано!
Услышано не понято!
Понято не принято!
Принято не сделано!
Сделано не законченно!
Вернуться наверх
 Профиль  
 
 Заголовок сообщения: Re: Перегорают лампочки
СообщениеДобавлено: 17 дек 2008, 02:21 
Не в сети
Бывалый
Бывалый
Аватар пользователя

Зарегистрирован: 02 ноя 2007, 21:30
Сообщений: 335
Откуда: Москва
Поблагодарил: раз(а)
Поблагодарили: раз(а)
Медали: 1
За болото. (1)
Скутер: JOG Art. Sp. & BT49QT-9
konti1679 писал(а):
Тут


Yegor писал(а):

про резюк:



Оба..... или обои... не-а, скорее таки Оба, все таки ну причем тут бумажные рулоны :)... ответили правильно, НО ... не на мой вопрос. Или у меня с русским языком - плохо ? :)

Вопрос был по ПЕРВОЙ ЦВЕТНОЙ схеме китайского 4-х тактника, а не 2-х тактника. И вопрос был потому, что на своем 4-т китайце я такого резистора - не нашел, хотя на 2-х тактном японце - он есть.


Вернуться наверх
 Профиль  
 
 Заголовок сообщения: Re: Перегорают лампочки
СообщениеДобавлено: 17 дек 2008, 08:48 
Не в сети
Старожил
Старожил
Аватар пользователя

Зарегистрирован: 20 апр 2007, 21:20
Сообщений: 2828
Откуда: Германия
Поблагодарил: раз(а)
Поблагодарили: раз(а)
Скутер: 139QMB
Стаж: 7
BT49QT-9 подходит цветная схема.
BT50QT6 у меня, больше подходит вторая схема.


Вложения:
Unbenannt.jpg
Unbenannt.jpg [ 87.56 KiB | Просмотров: 3266 ]

_________________
Продумано не сказано!
Сказано не услышано!
Услышано не понято!
Понято не принято!
Принято не сделано!
Сделано не законченно!
Вернуться наверх
 Профиль  
 
 Заголовок сообщения: Re: Перегорают лампочки
СообщениеДобавлено: 17 дек 2008, 10:49 
Не в сети
Старожил
Старожил
Аватар пользователя

Зарегистрирован: 07 авг 2007, 11:27
Сообщений: 2239
Откуда: МСК, ВАО, дом 5, корпус 37/11, строение 76Б, спросить Клаву Васильевну
Поблагодарил: раз(а)
Поблагодарили: раз(а)
Скутер: matrix180, fmb50, зид175, ЛВЗ50))
Стаж: н/у
BlackCat_2 писал(а):

Вопрос был по ПЕРВОЙ ЦВЕТНОЙ схеме китайского 4-х тактника, а не 2-х тактника. И вопрос был потому, что на своем 4-т китайце я такого резистора - не нашел, хотя на 2-х тактном японце - он есть.

Блин, не шпрехаю я на дойче. Слишком загадочные шальтеры для меня.
Но могу предположить, что у этого пепелац свет горит постоянно, когда двигатель заведен - либо дальний, либо ближний. Потому и резюк не нужен. :-[

_________________
К И Т А Й - Г_ ВНО!(с)Х 2 раза Если у вас проблемы с прочтением подписи, обратитесь к модераторам.


Вернуться наверх
 Профиль  
 
 Заголовок сообщения: Re: Перегорают лампочки
СообщениеДобавлено: 17 дек 2008, 11:37 
Не в сети
Старожил
Старожил
Аватар пользователя

Зарегистрирован: 20 апр 2007, 21:20
Сообщений: 2828
Откуда: Германия
Поблагодарил: раз(а)
Поблагодарили: раз(а)
Скутер: 139QMB
Стаж: 7
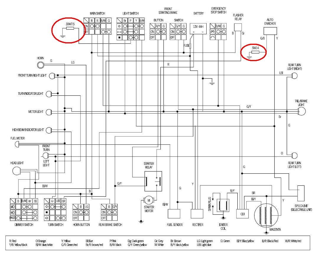
Вот перевёл:
В архиве PowerPoint этой картинки.


Вложения:
Unbenannt3.jpg
Unbenannt3.jpg [ 136.33 KiB | Просмотров: 3315 ]
Prasentation1.rar [236.34 KiB]
Скачиваний: 556

_________________
Продумано не сказано!
Сказано не услышано!
Услышано не понято!
Понято не принято!
Принято не сделано!
Сделано не законченно!
Вернуться наверх
 Профиль  
 
 Заголовок сообщения: Re: Перегорают лампочки
СообщениеДобавлено: 17 дек 2008, 13:06 
Не в сети
Старожил
Старожил
Аватар пользователя

Зарегистрирован: 07 авг 2007, 11:27
Сообщений: 2239
Откуда: МСК, ВАО, дом 5, корпус 37/11, строение 76Б, спросить Клаву Васильевну
Поблагодарил: раз(а)
Поблагодарили: раз(а)
Скутер: matrix180, fmb50, зид175, ЛВЗ50))
Стаж: н/у
konti1679 писал(а):
Вот перевёл:
В архиве PowerPoint этой картинки.

Все подписи было конечно необязательно переводить)) Кста, один фиг - в левом углу забыл 8-)
В общем и правда, походу, здесь свет горит постоянно при работающем моторе. Для скандинавов версия :-D
Так что резистора может и на полтосах не быть. Что в общем-то логично: по пдд нефиг ездить без света. >:o

_________________
К И Т А Й - Г_ ВНО!(с)Х 2 раза Если у вас проблемы с прочтением подписи, обратитесь к модераторам.


Вернуться наверх
 Профиль  
 
 Заголовок сообщения: Re: Перегорают лампочки
СообщениеДобавлено: 17 дек 2008, 14:17 
Не в сети
Бывалый
Бывалый
Аватар пользователя

Зарегистрирован: 02 ноя 2007, 21:30
Сообщений: 335
Откуда: Москва
Поблагодарил: раз(а)
Поблагодарили: раз(а)
Медали: 1
За болото. (1)
Скутер: JOG Art. Sp. & BT49QT-9
Внешний вид клюва впечатляет :) И без сомнений - куча сопротивлений :) Не поспоришь :) Значит Китайцы и тут меня обманули - ну нет на моем Баотиане таких детальков. Ни на схеме нет, ни под клювом - нет :( Потому и начал задавать вопросы, хотя.... свет у меня горит не постоянно при заведенном двигателе - могу и выключить :)


Вернуться наверх
 Профиль  
 
 Заголовок сообщения: Re: Перегорают лампочки
СообщениеДобавлено: 17 дек 2008, 14:33 
Не в сети
Посетитель
Посетитель

Зарегистрирован: 14 май 2006, 18:46
Сообщений: 243
Откуда: Кёнигсберг/Калининград
Поблагодарил: раз(а)
Поблагодарили: раз(а)
Скутер: SYM Fiddle-2
Стаж: с 1998 года
Позвольте кое-что уточнить. Во-первых, как найти балластный резистор. Он включается вместо фары, когда она отключена, поэтому надо найти выключатель (точнее, переключатель) фары и пройти вдоль второго провода, который ведёт НЕ на фару. В его конце обнаружится этот резистор. Далее, насчёт 70 вольт. Вхолостую бывает и побольше, если на генератор нет нагрузки и подгазнуть... Но поскольку цепь фары всегда нагружена (либо на фару, либо на балластник), то наличие такого напряжения - это верный признак неисправности (обрыва) в этой цепи. Так что если замеряется такое напряжение - ищите обрыв. Теперь про 11,5 вольт. При правильно работающем регуляторе зарядки его выходное напряжение - это импульсы, а не синусоида. А все тестеры-вольтметры отградуированы под синусоиду, поэтому не стоит удивляться, получив такие как бы неверные показания. Правильнее проверять зарядку не вольтметром, а амперметром, включив его в разрыв красного провода (более тонкого), подключенного к + аккума. Лучше всего включать амперметр вместо стоящего там предохранителя. На средних оборотах мотора он должен показать десятые доли ампера, на максимальных и при разряженном аккумуляторе ток может дойти до 1 ампера.


Вернуться наверх
 Профиль  
 
 Заголовок сообщения: Re: Перегорают лампочки
СообщениеДобавлено: 17 дек 2008, 15:49 
Не в сети
Старожил
Старожил
Аватар пользователя

Зарегистрирован: 20 апр 2007, 21:20
Сообщений: 2828
Откуда: Германия
Поблагодарил: раз(а)
Поблагодарили: раз(а)
Скутер: 139QMB
Стаж: 7
BlackCat_2 писал(а):
Внешний вид клюва впечатляет :) И без сомнений - куча сопротивлений :) Не поспоришь :) Значит Китайцы и тут меня обманули - ну нет на моем Баотиане таких детальков. Ни на схеме нет, ни под клювом - нет :( Потому и начал задавать вопросы, хотя.... свет у меня горит не постоянно при заведенном двигателе - могу и выключить :)


Когда я качал где то цветную схему, там стояло для Baotian.

_________________
Продумано не сказано!
Сказано не услышано!
Услышано не понято!
Понято не принято!
Принято не сделано!
Сделано не законченно!


Вернуться наверх
 Профиль  
 
 Заголовок сообщения: Re: Перегорают лампочки
СообщениеДобавлено: 28 мар 2009, 00:33 
Не в сети
Посетитель
Посетитель
Аватар пользователя

Зарегистрирован: 17 мар 2009, 19:27
Сообщений: 117
Откуда: Санкт-петербург
Поблагодарил: раз(а)
Поблагодарили: раз(а)
Скутер: Baotian BT49QT-9
Стаж: 105км и 1 падение
А можно мне ссылку на сайт откуда скачан вид клюва


Вернуться наверх
 Профиль  
 
 Заголовок сообщения: Re: Перегорают лампочки
СообщениеДобавлено: 13 окт 2009, 09:04 
Не в сети
Интересующийся
Интересующийся
Аватар пользователя

Зарегистрирован: 10 окт 2009, 19:57
Сообщений: 44
Откуда: Украина
Поблагодарил: раз(а)
Поблагодарили: раз(а)
Скутер: Moto Leader ML 50 QT
Стаж: 8 Лет
Всем спасибо схемы супер *THUMBS UP* *THUMBS UP* *THUMBS UP* *THUMBS UP* *THUMBS UP* *THUMBS UP* *THUMBS UP* *THUMBS UP*


Вернуться наверх
 Профиль  
 
 Заголовок сообщения: Re: Перегорают лампочки
СообщениеДобавлено: 13 окт 2009, 09:56 
Не в сети
Старожил
Старожил
Аватар пользователя

Зарегистрирован: 03 окт 2008, 22:46
Сообщений: 8023
Откуда: Киев
Поблагодарил: раз(а)
Поблагодарили: раз(а)
Медали: 4
За тех. помощь 1-й степени (1) За тех. помощь 2-й степени (1) За статью 1-й степени. (1) За вклад в развитие клуба (1)
Скутер: 180-т4 и 150-Т4;
Стаж: 30
Вообще то начинать стоит с того , что за скутер.
От этого зависит какая электросхема.
На первой схеме(цветной) реле регулятора нет вообще. Там стоит стабилизированный выпрямитель, выход которого через пирдохранитель 10А жеско связан с акб и балластный резистор там нужен как менту в бане кобура.
Если там на выходе появилось 35 вольт, то первое что случится,-хана пирдохранителю. А 35 вольт там может появиться в одном случае, этот случай называется -хана стабилизатору.
Сигналка ещё жива?

Вопрос к топикстартеру,-Сколько проводов и какого цвета отходит от статора?

Вторая схема англицкая, перевел бы кто а?

_________________
Теория,-все знают как, ничего не работает
Практика,-все работает, никто не знает почему
Соединяем,-"Теория+Практика",-Ничего не работает и никто не знает, почему.


Вернуться наверх
 Профиль  
 
 Заголовок сообщения: Re: Перегорают лампочки
СообщениеДобавлено: 14 окт 2009, 04:28 
Не в сети
Новичок
Новичок

Зарегистрирован: 29 сен 2009, 13:20
Сообщений: 66
Поблагодарил: раз(а)
Поблагодарили: раз(а)
Скутер: adskij pepelac
положите сюда - переведу 8-)


Вернуться наверх
 Профиль  
 
Показать сообщения за:  Сортировать по:  
Начать новую тему Ответить на тему  [ Сообщений: 28 ]  На страницу Пред.  1, 2

Часовой пояс: UTC + 3 часа


Кто сейчас на форуме

Сейчас этот форум просматривают: нет зарегистрированных пользователей и гости: 8


Вы не можете начинать темы
Вы не можете отвечать на сообщения
Вы не можете редактировать свои сообщения
Вы не можете удалять свои сообщения
Вы не можете добавлять вложения

Перейти:  
Powered by phpBB © phpBB Group
china-scooter.ru © 2006-2019