Клуб любителей китайских скутеров

Форум клуба любителей китайских скутеров

      
Текущее время: 30 Apr 2026, 12:12

Часовой пояс: UTC + 3 часа


Правила форума


Посмотреть правила форума



Начать новую тему Ответить на тему  [ Сообщений: 38 ]  На страницу Пред.  1, 2, 3  След.
Автор Сообщение
 Заголовок сообщения: Re: Я сломал Stels arrow 50 (benelli)
СообщениеДобавлено: 20 Jul 2010, 21:51 
Не в сети
Старожил
Старожил
Аватар пользователя

Зарегистрирован: 25 Aug 2008, 09:05
Сообщений: 1472
Откуда: Лабинск
Поблагодарил: раз(а)
Поблагодарили: раз(а)
Скутер: Stels Tactic 72 2T + Honling Joker 72cc 4T
Стаж: 3 года
CPI aragon hussar, keeway focus f-act это все аналоги наших стелсов

_________________
Stage6 Sport Pro
Dellorto PHVA 17.5
Tecnigas Next-R
Motoforce Evo
Malossi MultiVar + 16x13x7.5
Malossi VentilVar
Malossi X-Special
Malossi VL12
желтая_торк
белые_MHR_сцепление
84км при 8700об/мин


Вернуться наверх
 Профиль  
 
 Заголовок сообщения: Re: Я сломал Stels arrow 50 (benelli)
СообщениеДобавлено: 21 Jul 2010, 06:49 
Не в сети
Старожил
Старожил
Аватар пользователя

Зарегистрирован: 03 Sep 2007, 10:32
Сообщений: 1777
Откуда: Чувашия
Поблагодарил: раз(а)
Поблагодарили: раз(а)
Медали: 4
За тех. помощь 1-й степени (1) За тех. помощь 2-й степени (1) За вклад в развитие клуба (1) За инновации (1)
Скутер: KYMCO People S50 & XCiting 500
Стаж: 10
impulse, ты уверен что на Тактиках, Лидерах и ЦПИ нет обмотки зажигания в генераторе?
Если нет, то коммутаторы от них подойдут, хотя не вижу смысла менять раз искра есть.


Вернуться наверх
 Профиль  
 
 Заголовок сообщения: Re: Я сломал Stels arrow 50 (benelli)
СообщениеДобавлено: 21 Jul 2010, 07:19 
Не в сети
Опытный
Опытный
Аватар пользователя

Зарегистрирован: 09 Mar 2009, 00:54
Сообщений: 752
Откуда: Пятигорск
Поблагодарил: раз(а)
Поблагодарили: раз(а)
Медали: 1
За тех. помощь 2-й степени (1)
Скутер: E-moto2T>atlantQT-7>OmaksQT-14>OmaksMT150
Стаж: Общий с 94г
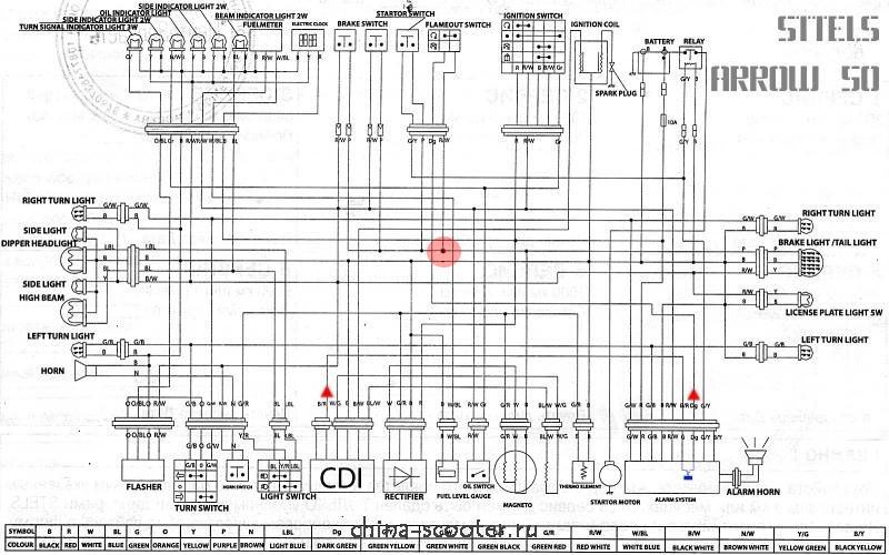
Судя по схеме и по опыту, на массу обычно с коммутатора выходит сигнал датчика... Который потом идет на замок и выключатель двигателя на ручке(если таковой есть).. Так вот, по схеме автор показал что туда было подано +12.. чего вполне достаточно что бы убить или покалечить коммутатор... У самого DC стоит от 150ки, так что не важно есть ли высоковольтная на генераторе или нет, с небольшой доработкой проводки подойдет...

_________________
Все в этом мире сделано руками пусть даже и кетайскими
Motouran в рунетеРаботы в альбоме
662


Вернуться наверх
 Профиль  
 
 Заголовок сообщения: Re: Я сломал Stels arrow 50 (benelli)
СообщениеДобавлено: 21 Jul 2010, 08:26 
Не в сети
Старожил
Старожил
Аватар пользователя

Зарегистрирован: 03 Sep 2007, 10:32
Сообщений: 1777
Откуда: Чувашия
Поблагодарил: раз(а)
Поблагодарили: раз(а)
Медали: 4
За тех. помощь 1-й степени (1) За тех. помощь 2-й степени (1) За вклад в развитие клуба (1) За инновации (1)
Скутер: KYMCO People S50 & XCiting 500
Стаж: 10
1. Да, только сигнал датчика замыкается на массу при ВЫКЛЮЧЕНИИ зажигания.
А если судить по схеме чёрно-красный замыкается на массу при ВКЛЮЧЕНИИ.

2. Конечно DC-CDI можно поставить на любой, но вопрос был совсем другой.
А именно какой CDI на Тактике, Лидере и ЦПИ. DC или нет.


Вернуться наверх
 Профиль  
 
 Заголовок сообщения: Re: Я сломал Stels arrow 50 (benelli)
СообщениеДобавлено: 21 Jul 2010, 08:35 
Не в сети
Старожил
Старожил
Аватар пользователя

Зарегистрирован: 25 Aug 2008, 09:05
Сообщений: 1472
Откуда: Лабинск
Поблагодарил: раз(а)
Поблагодарили: раз(а)
Скутер: Stels Tactic 72 2T + Honling Joker 72cc 4T
Стаж: 3 года
aiovlev писал(а):
1. Да, только сигнал датчика замыкается на массу при ВЫКЛЮЧЕНИИ зажигания.
А если судить по схеме чёрно-красный замыкается на массу при ВКЛЮЧЕНИИ.

2. Конечно DC-CDI можно поставить на любой, но вопрос был совсем другой.
А именно какой CDI на Тактике, Лидере и ЦПИ. DC или нет.


Не DC это точно.
Цитата:
Распайка под Stels Tactic 50 2T:
оранжевый---выход на катушку зажигания---черно/белый(тактик)
черный---масса---черный
черно/белый---глушилка---темно зеленый
красно/белый--вход с датчика---сине/белый
красно/черный-вход от высоковольтной генератора---красно/черный

зелено/белый провод надо соединить с массой, так как на этом комутаторе только один провод для датчика.


То есть АКБ никак не учавствует. И выпрямленного напряжения питания нет на нем.

_________________
Stage6 Sport Pro
Dellorto PHVA 17.5
Tecnigas Next-R
Motoforce Evo
Malossi MultiVar + 16x13x7.5
Malossi VentilVar
Malossi X-Special
Malossi VL12
желтая_торк
белые_MHR_сцепление
84км при 8700об/мин


Вернуться наверх
 Профиль  
 
 Заголовок сообщения: Re: Я сломал Stels arrow 50 (benelli)
СообщениеДобавлено: 21 Jul 2010, 08:38 
Не в сети
Опытный
Опытный
Аватар пользователя

Зарегистрирован: 09 Mar 2009, 00:54
Сообщений: 752
Откуда: Пятигорск
Поблагодарил: раз(а)
Поблагодарили: раз(а)
Медали: 1
За тех. помощь 2-й степени (1)
Скутер: E-moto2T>atlantQT-7>OmaksQT-14>OmaksMT150
Стаж: Общий с 94г
Еще раз рассмотрел схему, мой вывод высоковольтной нет! Датчик идет на прямую в коммутатор обоими проводами, и как я понимаю, включается путем замыкания выключателем на массу через коммутатор...

_________________
Все в этом мире сделано руками пусть даже и кетайскими
Motouran в рунетеРаботы в альбоме
662


Вернуться наверх
 Профиль  
 
 Заголовок сообщения: Re: Я сломал Stels arrow 50 (benelli)
СообщениеДобавлено: 21 Jul 2010, 08:47 
Не в сети
Старожил
Старожил
Аватар пользователя

Зарегистрирован: 03 Sep 2007, 10:32
Сообщений: 1777
Откуда: Чувашия
Поблагодарил: раз(а)
Поблагодарили: раз(а)
Медали: 4
За тех. помощь 1-й степени (1) За тех. помощь 2-й степени (1) За вклад в развитие клуба (1) За инновации (1)
Скутер: KYMCO People S50 & XCiting 500
Стаж: 10
impulse писал(а):
Не DC это точно.

Ну и значит ты напрасно советуешь взять от них коммутаторы.

Ну а глушить необязательно замыканием датчика. Можно просто 12В отключить от CDI.
И если предположить что от замка чёрно-красный идёт не на массу а на +12В, то всё так и получается.


Вернуться наверх
 Профиль  
 
 Заголовок сообщения: Re: Я сломал Stels arrow 50 (benelli)
СообщениеДобавлено: 21 Jul 2010, 09:33 
Не в сети
Старожил
Старожил
Аватар пользователя

Зарегистрирован: 25 Aug 2008, 09:05
Сообщений: 1472
Откуда: Лабинск
Поблагодарил: раз(а)
Поблагодарили: раз(а)
Скутер: Stels Tactic 72 2T + Honling Joker 72cc 4T
Стаж: 3 года
aiovlev писал(а):
impulse писал(а):
Не DC это точно.

Ну и значит ты напрасно советуешь взять от них коммутаторы.

Ну а глушить необязательно замыканием датчика. Можно просто 12В отключить от CDI.
И если предположить что от замка чёрно-красный идёт не на массу а на +12В, то всё так и получается.


Не напрасно, все они такие. Иногда можно встретить с надписью CPI. На всех стелсах кроме скифа стоят именно такие CDI. Покажите откуда на коммут идет 12в??? Те что работают на постоянке меньше размерами примерно на 50%.
Изображение

_________________
Stage6 Sport Pro
Dellorto PHVA 17.5
Tecnigas Next-R
Motoforce Evo
Malossi MultiVar + 16x13x7.5
Malossi VentilVar
Malossi X-Special
Malossi VL12
желтая_торк
белые_MHR_сцепление
84км при 8700об/мин


Вернуться наверх
 Профиль  
 
 Заголовок сообщения: Re: Я сломал Stels arrow 50 (benelli)
СообщениеДобавлено: 21 Jul 2010, 10:10 
Не в сети
Старожил
Старожил
Аватар пользователя

Зарегистрирован: 03 Sep 2007, 10:32
Сообщений: 1777
Откуда: Чувашия
Поблагодарил: раз(а)
Поблагодарили: раз(а)
Медали: 4
За тех. помощь 1-й степени (1) За тех. помощь 2-й степени (1) За вклад в развитие клуба (1) За инновации (1)
Скутер: KYMCO People S50 & XCiting 500
Стаж: 10
Всё совсем наоборот. Те что работают от ПЕРЕМЕНКИ на 50% меньше.
Всё потому что в 12В коммутаторе помимо коммутатора есть ещё высокочастотный
преобразователь напряжения (в том числе и его трансформатор).
А твой (если это он на фотке) очень похож размерами на 12В DC-CDI.
Может ссылочку на схему Тактика кинешь?


Вернуться наверх
 Профиль  
 
 Заголовок сообщения: Re: Я сломал Stels arrow 50 (benelli)
СообщениеДобавлено: 21 Jul 2010, 12:46 
Не в сети
Интересующийся
Интересующийся
Аватар пользователя

Зарегистрирован: 18 Jul 2010, 23:56
Сообщений: 22
Откуда: славный град Королёв
Поблагодарил: раз(а)
Поблагодарили: раз(а)
Скутер: stels arrow
Народ, нарооод!!! Я уже писал, что схема электроооборудования скута не соответствует действительности!

В реале - как на этой картинке - переключатель на руле подключен на "+"


Вложения:
stells.jpg
stells.jpg [ 126.39 KiB | Просмотров: 7245 ]
Вернуться наверх
 Профиль  
 
 Заголовок сообщения: Re: Я сломал Stels arrow 50 (benelli)
СообщениеДобавлено: 21 Jul 2010, 13:31 
Не в сети
Интересующийся
Интересующийся
Аватар пользователя

Зарегистрирован: 18 Jul 2010, 23:56
Сообщений: 22
Откуда: славный град Королёв
Поблагодарил: раз(а)
Поблагодарили: раз(а)
Скутер: stels arrow
Цитата:
На всех стелсах кроме скифа стоят именно такие CDI. Покажите откуда на коммут идет 12в??? Те что работают на постоянке меньше размерами примерно на 50%.

Изображение


У меня внешне именно такой на Stels Arrow
"+12" с кнопки приходит на правый верхний контакт (тот, который в группе из двух контактов)


Последний раз редактировалось tvichy 21 Jul 2010, 13:36, всего редактировалось 1 раз.

Вернуться наверх
 Профиль  
 
 Заголовок сообщения: Re: Я сломал Stels arrow 50 (benelli)
СообщениеДобавлено: 21 Jul 2010, 13:37 
Не в сети
Старожил
Старожил
Аватар пользователя

Зарегистрирован: 03 Sep 2007, 10:32
Сообщений: 1777
Откуда: Чувашия
Поблагодарил: раз(а)
Поблагодарили: раз(а)
Медали: 4
За тех. помощь 1-й степени (1) За тех. помощь 2-й степени (1) За вклад в развитие клуба (1) За инновации (1)
Скутер: KYMCO People S50 & XCiting 500
Стаж: 10
Ну значит на Тактиках тоже DC-CDI. Я про 150сс знал, а про 50сс нет.


Вернуться наверх
 Профиль  
 
 Заголовок сообщения: Re: Я сломал Stels arrow 50 (benelli)
СообщениеДобавлено: 21 Jul 2010, 14:26 
Не в сети
Старожил
Старожил
Аватар пользователя

Зарегистрирован: 25 Aug 2008, 09:05
Сообщений: 1472
Откуда: Лабинск
Поблагодарил: раз(а)
Поблагодарили: раз(а)
Скутер: Stels Tactic 72 2T + Honling Joker 72cc 4T
Стаж: 3 года
aiovlev писал(а):
Ну значит на Тактиках тоже DC-CDI. Я про 150сс знал, а про 50сс нет.

да как будет он на постоянке??? нету на него +12. ну не идет.
масса---черный
глушилка---темно зеленый
вход с датчика 1---сине/белый
вход с датчика 2---зелено/белый
вход от высоковольтной генератора---красно/черный
выход на катушку зажигания---черно/белый

Где тут +12в будет? на датчике замыкание будет, на катушке 15кВ будет, на входе генератора переменка примерно 100в. Глушилка на массу замыкается.

_________________
Stage6 Sport Pro
Dellorto PHVA 17.5
Tecnigas Next-R
Motoforce Evo
Malossi MultiVar + 16x13x7.5
Malossi VentilVar
Malossi X-Special
Malossi VL12
желтая_торк
белые_MHR_сцепление
84км при 8700об/мин


Вернуться наверх
 Профиль  
 
 Заголовок сообщения: Re: Я сломал Stels arrow 50 (benelli)
СообщениеДобавлено: 21 Jul 2010, 14:58 
Не в сети
Старожил
Старожил
Аватар пользователя

Зарегистрирован: 03 Sep 2007, 10:32
Сообщений: 1777
Откуда: Чувашия
Поблагодарил: раз(а)
Поблагодарили: раз(а)
Медали: 4
За тех. помощь 1-й степени (1) За тех. помощь 2-й степени (1) За вклад в развитие клуба (1) За инновации (1)
Скутер: KYMCO People S50 & XCiting 500
Стаж: 10
Если чёрно/красный и в самом деле к генератору идёт, значит не DC. Непонятно только чего он здоровый-то такой, как DC.
Отсюда следует что коммутаторы от Тактика и Лидера не подойдут на Арроу, что и требовалось доказать.
Кстати на МСК читал как-то что бывают экземпляры с разной электрикой.


Вернуться наверх
 Профиль  
 
 Заголовок сообщения: Re: Я сломал Stels arrow 50 (benelli)
СообщениеДобавлено: 24 Jul 2010, 13:25 
Не в сети
Интересующийся
Интересующийся
Аватар пользователя

Зарегистрирован: 18 Jul 2010, 23:56
Сообщений: 22
Откуда: славный град Королёв
Поблагодарил: раз(а)
Поблагодарили: раз(а)
Скутер: stels arrow
Итоги:

1) CDI выжил.
2)Причина неожиданной смерти аппарата - заклинивающая игла карба + хреново настроенный ХХ.
После ритуальных танцев с бубном аппарат таки был воскрещён из мёртвых и отогнан в сервис, для лечения детских болезней :008


Вернуться наверх
 Профиль  
 
Показать сообщения за:  Сортировать по:  
Начать новую тему Ответить на тему  [ Сообщений: 38 ]  На страницу Пред.  1, 2, 3  След.

Часовой пояс: UTC + 3 часа


Кто сейчас на форуме

Сейчас этот форум просматривают: нет зарегистрированных пользователей и гости: 14


Вы не можете начинать темы
Вы не можете отвечать на сообщения
Вы не можете редактировать свои сообщения
Вы не можете удалять свои сообщения
Вы не можете добавлять вложения

Перейти:  
Powered by phpBB © phpBB Group
china-scooter.ru © 2006-2019