Клуб любителей китайских скутеров

Форум клуба любителей китайских скутеров

      
Текущее время: 31 Май 2026, 19:11

Часовой пояс: UTC + 3 часа


Правила форума


Посмотреть правила форума



Начать новую тему Ответить на тему  [ Сообщений: 2 ] 
Автор Сообщение
 Заголовок сообщения: Свет
СообщениеДобавлено: 13 Sep 2009, 16:07 
Не в сети
Бывалый
Бывалый

Зарегистрирован: 20 Apr 2009, 08:05
Сообщений: 367
Откуда: г.Оренбург
Поблагодарил: раз(а)
Поблагодарили: раз(а)
Скутер: vento xb50t-4
Стаж: 2
Вообщем произошло вот что, менял блоки управления левый и правый, и случайно перепутал провода от левого и правого т.е. штекер от правого блока подцепил к штекеру который должен подцепляться к левому а левый к правому. ну поездил я так день не х.. ничего не работало(поворотники стартер фары) а только при переключении кнопки ближний/дальний включались габаритки. позже долго искав причину нашел. в итоге когда все правильно подцепил, работает только габаритки сигнал стартер поворотники а ближний и дальний не работают, и после этого скончалась задняя лампочка а точнее нить порвалась которая загорается при включении фар. лампочка была практически новая. и еще до замены блоков (когда еще все работало) на панели было перепутано ближний дальние т.е. когда включаешь ближний на панели горит лампочка дальнего света, вкл дальний она гаснет.
Какую релюшку смотреть или что еще?

_________________
Любишь кататься...люби и катайся!!!!!!


Вернуться наверх
 Профиль  
 
 Заголовок сообщения: Re: Свет
СообщениеДобавлено: 15 Sep 2009, 19:23 
Не в сети
Старожил
Старожил
Аватар пользователя

Зарегистрирован: 20 Apr 2007, 21:20
Сообщений: 2828
Откуда: Германия
Поблагодарил: раз(а)
Поблагодарили: раз(а)
Скутер: 139QMB
Стаж: 7
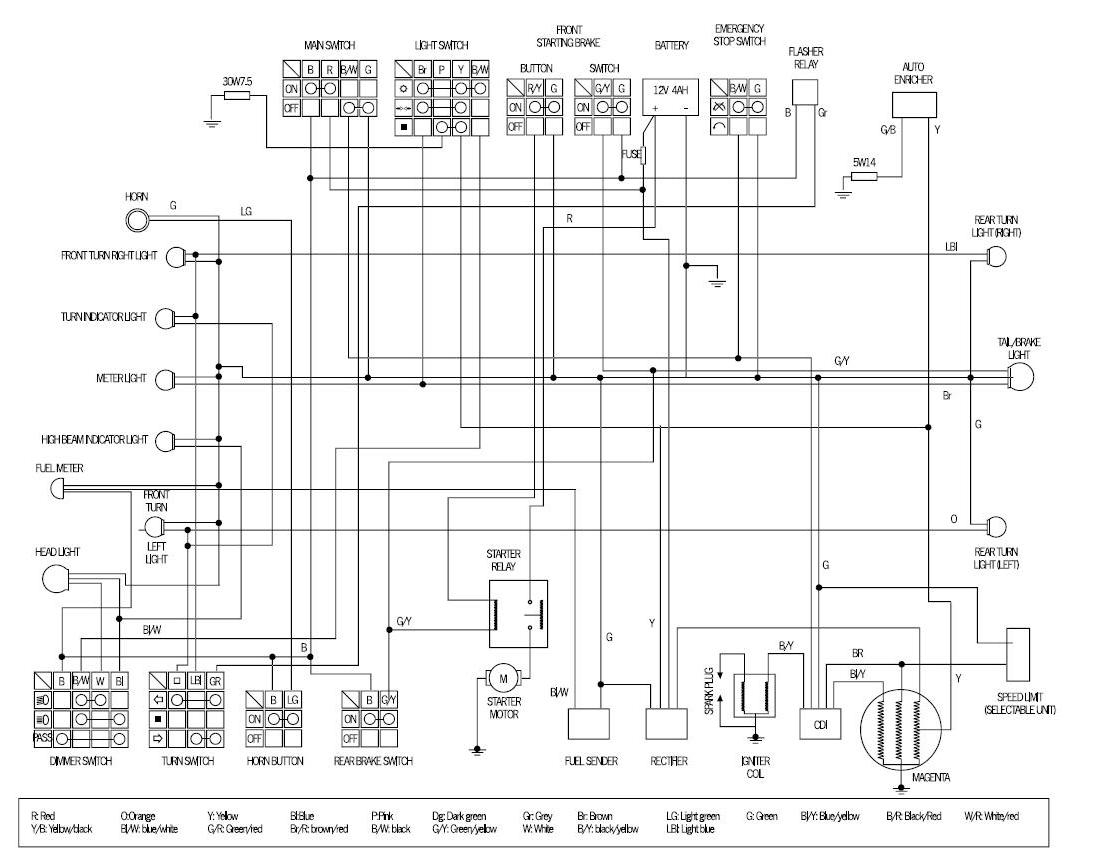
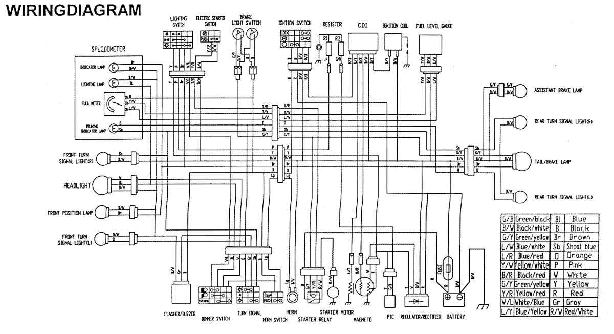
Свет включаешь с права, если габариты работают то уже не правильном пути. Теперь осталось проверить провода с левого переключателя дальнего и ближнего. Ближний должен работать от переменного напряжения так же как и дальний, НО кнопка дальнего в верх для мигания питается от батареи. Посмотри правильно ли тут всё подключено.
download/file.php?id=372
download/file.php?id=718

_________________
Продумано не сказано!
Сказано не услышано!
Услышано не понято!
Понято не принято!
Принято не сделано!
Сделано не законченно!


Вернуться наверх
 Профиль  
 
Показать сообщения за:  Сортировать по:  
Начать новую тему Ответить на тему  [ Сообщений: 2 ] 

Часовой пояс: UTC + 3 часа


Кто сейчас на форуме

Сейчас этот форум просматривают: нет зарегистрированных пользователей и гости: 19


Вы не можете начинать темы
Вы не можете отвечать на сообщения
Вы не можете редактировать свои сообщения
Вы не можете удалять свои сообщения
Вы не можете добавлять вложения

Перейти:  
Powered by phpBB © phpBB Group
china-scooter.ru © 2006-2019