Клуб любителей китайских скутеров

Форум клуба любителей китайских скутеров

      
Текущее время: 09 Май 2026, 19:39

Часовой пояс: UTC + 3 часа


Правила форума


Посмотреть правила форума



Начать новую тему Ответить на тему  [ Сообщений: 13 ] 
Автор Сообщение
 Заголовок сообщения: как подключить генератор???
СообщениеДобавлено: 05 Oct 2009, 14:58 
Не в сети
Наблюдатель

Зарегистрирован: 02 Oct 2009, 23:32
Сообщений: 7
Поблагодарил: раз(а)
Поблагодарили: раз(а)
Скутер: нету, мотоцикл есть))
Стаж: 5
Купил новый двигатель от скутера, 150 см.куб., хочу поставить на карт.
Со скутерами дела не имел вообще. Как мне подключить генератор к реле регулятору и коммутатору?
Сделал несколько фоток генератора.


Вложения:
Комментарий к файлу: я думаю так подключить. может я ошибаюсь?
.GIF
.GIF [ 3.11 KiB | Просмотров: 28887 ]
2010_1.jpg
2010_1.jpg [ 761.39 KiB | Просмотров: 28887 ]
2007.jpg
2007.jpg [ 967.12 KiB | Просмотров: 28887 ]
Вернуться наверх
 Профиль  
 
 Заголовок сообщения: Re: как подключить генератор???
СообщениеДобавлено: 05 Oct 2009, 15:32 
Не в сети
Посетитель
Посетитель
Аватар пользователя

Зарегистрирован: 04 Jan 2009, 15:55
Сообщений: 143
Откуда: Украина .Киевская обл,
Поблагодарил: раз(а)
Поблагодарили: раз(а)
Скутер: 157QMJ/SYM Symphony 125RS
Стаж: 45
зеленый-масса,красный/черный (это 80V переменки)-на коммутатор.Остальное правильно.


Вернуться наверх
 Профиль  
 
 Заголовок сообщения: Re: как подключить генератор???
СообщениеДобавлено: 06 Oct 2009, 19:56 
Не в сети
Наблюдатель

Зарегистрирован: 02 Oct 2009, 23:32
Сообщений: 7
Поблагодарил: раз(а)
Поблагодарили: раз(а)
Скутер: нету, мотоцикл есть))
Стаж: 5
Купил реле регулятор. Распространенную методику «способ тыка» применять как-то глупо, так и спалить все можно. Подскажите как правильно подключить? И еще один вопросик возник. Фото генератора, которого я выше выложил. Генератор трех фазный? Потому что мне говорят что генератор трех фазный, а я только 2 обмотки вызвонил и то разные по сопротивлению. Не клеется как-то.


Вложения:
IMG_0929.jpg
IMG_0929.jpg [ 308.2 KiB | Просмотров: 28861 ]
IMG_0928.jpg
IMG_0928.jpg [ 318.89 KiB | Просмотров: 28861 ]
Вернуться наверх
 Профиль  
 
 Заголовок сообщения: Re: как подключить генератор???
СообщениеДобавлено: 06 Oct 2009, 20:27 
Не в сети
Старожил
Старожил

Зарегистрирован: 08 Jul 2009, 18:07
Сообщений: 3186
Откуда: Беларусь
Поблагодарил: раз(а)
Поблагодарили: раз(а)
Медали: 4
За полезные и полные ответы. (1) За тех. помощь 1-й степени (1) За тех. помощь 2-й степени (1) За вклад в развитие клуба (1)
Скутер: Hors 154\ 157QMJ\RC125T-9X\152QMJ
viewtopic.php?f=3&t=15007

_________________
„Изучай правила, чтобы знать, как правильно их нарушить.“
„Мир несовершенен, поскольку мы несовершенны.“


Вернуться наверх
 Профиль  
 
 Заголовок сообщения: Re: как подключить генератор???
СообщениеДобавлено: 06 Oct 2009, 20:55 
Не в сети
Наблюдатель

Зарегистрирован: 02 Oct 2009, 23:32
Сообщений: 7
Поблагодарил: раз(а)
Поблагодарили: раз(а)
Скутер: нету, мотоцикл есть))
Стаж: 5
спасибо за схемы, немного помогли. А вот красный провод куда лепить? он что лишний?


Вернуться наверх
 Профиль  
 
 Заголовок сообщения: Re: как подключить генератор???
СообщениеДобавлено: 06 Oct 2009, 20:59 
Не в сети
Старожил
Старожил

Зарегистрирован: 08 Jul 2009, 18:07
Сообщений: 3186
Откуда: Беларусь
Поблагодарил: раз(а)
Поблагодарили: раз(а)
Медали: 4
За полезные и полные ответы. (1) За тех. помощь 1-й степени (1) За тех. помощь 2-й степени (1) За вклад в развитие клуба (1)
Скутер: Hors 154\ 157QMJ\RC125T-9X\152QMJ
красный из РР - это заряд АКБ, т.е. на + АКБ

_________________
„Изучай правила, чтобы знать, как правильно их нарушить.“
„Мир несовершенен, поскольку мы несовершенны.“


Вернуться наверх
 Профиль  
 
 Заголовок сообщения: Re: как подключить генератор???
СообщениеДобавлено: 06 Oct 2009, 21:25 
Не в сети
Наблюдатель

Зарегистрирован: 02 Oct 2009, 23:32
Сообщений: 7
Поблагодарил: раз(а)
Поблагодарили: раз(а)
Скутер: нету, мотоцикл есть))
Стаж: 5
черный тоже получается "+" ?
и еще одно. можно на выход реле регулятора ничего не подключать (нагрузку не подключать) или что-то сгореть может?


Вернуться наверх
 Профиль  
 
 Заголовок сообщения: Re: как подключить генератор???
СообщениеДобавлено: 06 Oct 2009, 21:47 
Не в сети
Старожил
Старожил

Зарегистрирован: 08 Jul 2009, 18:07
Сообщений: 3186
Откуда: Беларусь
Поблагодарил: раз(а)
Поблагодарили: раз(а)
Медали: 4
За полезные и полные ответы. (1) За тех. помощь 1-й степени (1) За тех. помощь 2-й степени (1) За вклад в развитие клуба (1)
Скутер: Hors 154\ 157QMJ\RC125T-9X\152QMJ
Встречный вопрос - зачем тогда РР. На карте какие потребители?

_________________
„Изучай правила, чтобы знать, как правильно их нарушить.“
„Мир несовершенен, поскольку мы несовершенны.“


Вернуться наверх
 Профиль  
 
 Заголовок сообщения: Re: как подключить генератор???
СообщениеДобавлено: 06 Oct 2009, 21:54 
Не в сети
Наблюдатель

Зарегистрирован: 02 Oct 2009, 23:32
Сообщений: 7
Поблагодарил: раз(а)
Поблагодарили: раз(а)
Скутер: нету, мотоцикл есть))
Стаж: 5
пока что хочу запустить двигатель. Проверить работу РР (замерять без нагрузки напряжение) а в проекте - зарядка аккумулятора, габаритные огни)) и небольшая фара. может даже фару и не буду ставить.
Черный и красный это постоянка «+» ?


Вернуться наверх
 Профиль  
 
 Заголовок сообщения: Re: как подключить генератор???
СообщениеДобавлено: 06 Oct 2009, 22:02 
Не в сети
Старожил
Старожил

Зарегистрирован: 08 Jul 2009, 18:07
Сообщений: 3186
Откуда: Беларусь
Поблагодарил: раз(а)
Поблагодарили: раз(а)
Медали: 4
За полезные и полные ответы. (1) За тех. помощь 1-й степени (1) За тех. помощь 2-й степени (1) За вклад в развитие клуба (1)
Скутер: Hors 154\ 157QMJ\RC125T-9X\152QMJ
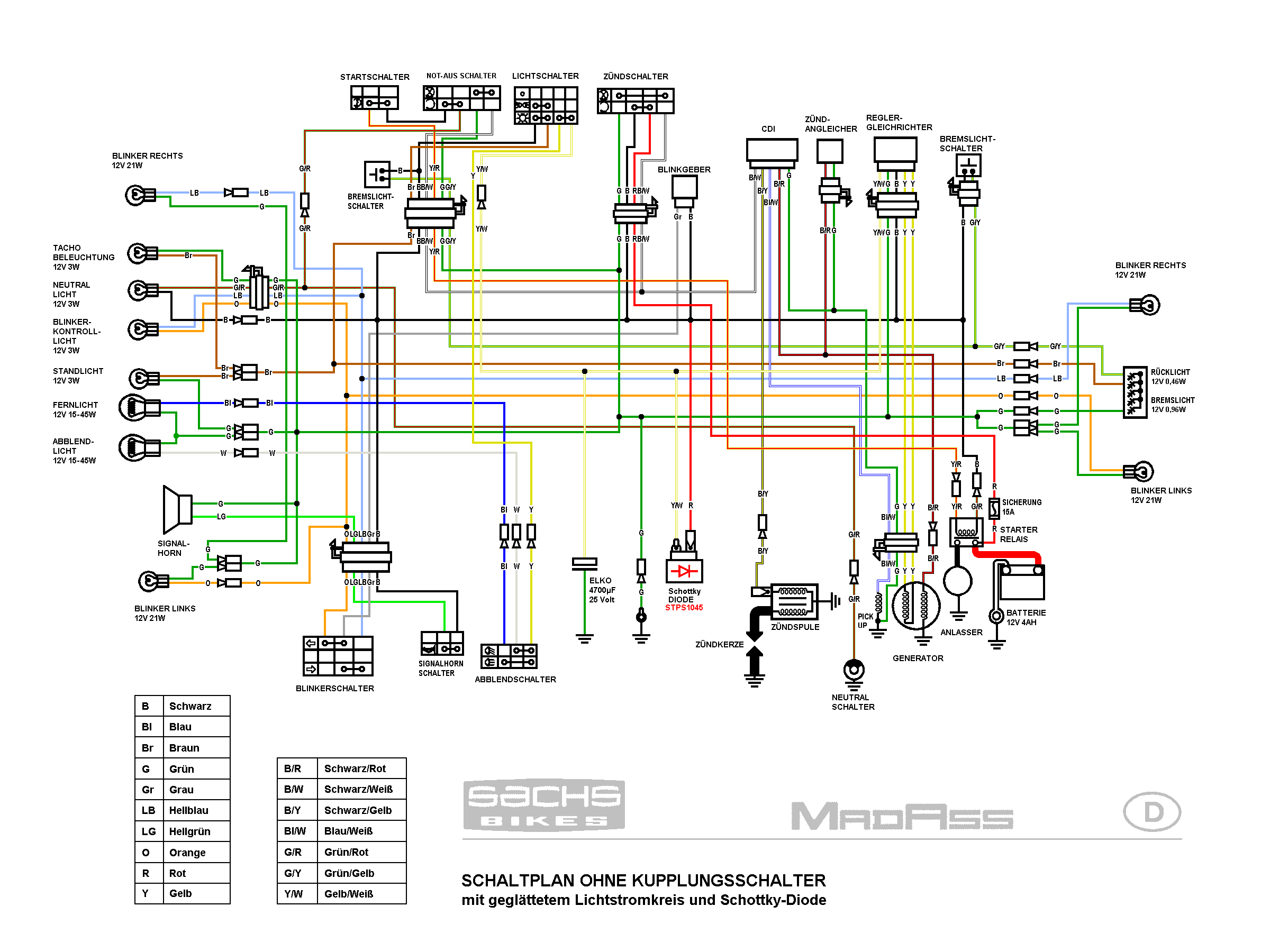
Вложение:
madass_eldiagram_1.png
madass_eldiagram_1.png [ 50.57 KiB | Просмотров: 28834 ]

На мой взгляд тебе подойдет эта схема или ее фрагменты

_________________
„Изучай правила, чтобы знать, как правильно их нарушить.“
„Мир несовершенен, поскольку мы несовершенны.“


Вернуться наверх
 Профиль  
 
 Заголовок сообщения: Re: как подключить генератор???
СообщениеДобавлено: 07 Oct 2009, 19:32 
Не в сети
Наблюдатель

Зарегистрирован: 02 Oct 2009, 23:32
Сообщений: 7
Поблагодарил: раз(а)
Поблагодарили: раз(а)
Скутер: нету, мотоцикл есть))
Стаж: 5
со схемой я разобрался, а вот проводка то по цвету не совпадают. вот я и спрашиваю что по этим проводам идет и какое напряжение? Что идет по черному проводу с РР ??? насколько я знаю лишних проводов не бывает.
И ещё…я так и не получил ответа. Можно ли реле регулятор подключать без нагрузки?
Я думаю подключить выводы генератора ( белый, желтый) к двум желтым выводам РР, а потом уже померяю что где выходит.


Вернуться наверх
 Профиль  
 
 Заголовок сообщения: Re: как подключить генератор???
СообщениеДобавлено: 07 Oct 2009, 19:48 
Не в сети
Посетитель
Посетитель
Аватар пользователя

Зарегистрирован: 04 Jan 2009, 15:55
Сообщений: 143
Откуда: Украина .Киевская обл,
Поблагодарил: раз(а)
Поблагодарили: раз(а)
Скутер: 157QMJ/SYM Symphony 125RS
Стаж: 45
По черному поступает +от замка зажигания.Без нагрузки убьеш РР(нагрузи его хотя бы лампочкой не меньше 20W).


Вернуться наверх
 Профиль  
 
 Заголовок сообщения: Re: как подключить генератор???
СообщениеДобавлено: 07 Oct 2009, 20:39 
Не в сети
Наблюдатель

Зарегистрирован: 02 Oct 2009, 23:32
Сообщений: 7
Поблагодарил: раз(а)
Поблагодарили: раз(а)
Скутер: нету, мотоцикл есть))
Стаж: 5
спасибо огромное. за ответ. я уже начал думать что на китайском пишу))))
завтра буду запускать. Там и проверю, как все работает.


Вернуться наверх
 Профиль  
 
Показать сообщения за:  Сортировать по:  
Начать новую тему Ответить на тему  [ Сообщений: 13 ] 

Часовой пояс: UTC + 3 часа


Кто сейчас на форуме

Сейчас этот форум просматривают: нет зарегистрированных пользователей и гости: 14


Вы не можете начинать темы
Вы не можете отвечать на сообщения
Вы не можете редактировать свои сообщения
Вы не можете удалять свои сообщения
Вы не можете добавлять вложения

Перейти:  
Powered by phpBB © phpBB Group
china-scooter.ru © 2006-2019