Клуб любителей китайских скутеров

Форум клуба любителей китайских скутеров

      
Текущее время: 06 Mar 2026, 05:27

Часовой пояс: UTC + 3 часа


Правила форума


Посмотреть правила форума



Начать новую тему Ответить на тему  [ Сообщений: 11 ] 
Автор Сообщение
 Заголовок сообщения: Хочу поставить сигнализацию.
СообщениеДобавлено: 27 Feb 2010, 14:50 
Не в сети
Интересующийся
Интересующийся
Аватар пользователя

Зарегистрирован: 20 Feb 2010, 19:44
Сообщений: 22
Откуда: Казахстан
Поблагодарил: раз(а)
Поблагодарили: раз(а)
Скутер: Dayang DY50QT-8
Стаж: с 2008 года
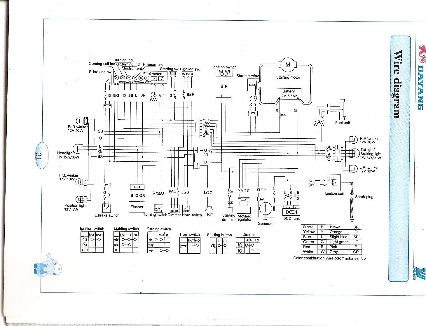
Купил сигнализацию а поставить ее нет мастера или просто не хотят. Хочу попробовать сам подскажите или подкиньте схемку соединения.


Вложения:
0002.jpg
0002.jpg [ 466.49 KiB | Просмотров: 2775 ]

_________________
Мне чужого не надо… Но свое я заберу, чье бы оно ни было
Вернуться наверх
 Профиль  
 
 Заголовок сообщения: Re: Хочу поставить сигнализацию.
СообщениеДобавлено: 27 Feb 2010, 14:51 
Не в сети
Интересующийся
Интересующийся
Аватар пользователя

Зарегистрирован: 20 Feb 2010, 19:44
Сообщений: 22
Откуда: Казахстан
Поблагодарил: раз(а)
Поблагодарили: раз(а)
Скутер: Dayang DY50QT-8
Стаж: с 2008 года
Сверху эл схема моего скутера. Ну там более мение все ясно а вот схема сигнализации на китайском.

_________________
Мне чужого не надо… Но свое я заберу, чье бы оно ни было


Вернуться наверх
 Профиль  
 
 Заголовок сообщения: Re: Хочу поставить сигнализацию.
СообщениеДобавлено: 27 Feb 2010, 14:56 
Не в сети
Бывалый
Бывалый
Аватар пользователя

Зарегистрирован: 28 Nov 2009, 18:09
Сообщений: 250
Откуда: г.Курган
Поблагодарил: раз(а)
Поблагодарили: раз(а)
Скутер: RACER Phantom 72cc
Стаж: 3 сезона
viewtopic.php?f=90&t=797&start=0 Может быть это поможет


Вернуться наверх
 Профиль  
 
 Заголовок сообщения: Re: Хочу поставить сигнализацию.
СообщениеДобавлено: 27 Feb 2010, 14:57 
Не в сети
Интересующийся
Интересующийся
Аватар пользователя

Зарегистрирован: 20 Feb 2010, 19:44
Сообщений: 22
Откуда: Казахстан
Поблагодарил: раз(а)
Поблагодарили: раз(а)
Скутер: Dayang DY50QT-8
Стаж: с 2008 года
Кто небудь подскажите что да как? буду очень признателен.


Вложения:
0003.jpg
0003.jpg [ 687.94 KiB | Просмотров: 2770 ]

_________________
Мне чужого не надо… Но свое я заберу, чье бы оно ни было
Вернуться наверх
 Профиль  
 
 Заголовок сообщения: Re: Хочу поставить сигнализацию.
СообщениеДобавлено: 27 Feb 2010, 15:05 
Не в сети
Интересующийся
Интересующийся
Аватар пользователя

Зарегистрирован: 20 Feb 2010, 19:44
Сообщений: 22
Откуда: Казахстан
Поблагодарил: раз(а)
Поблагодарили: раз(а)
Скутер: Dayang DY50QT-8
Стаж: с 2008 года
Serega1100 писал(а):
http://www.china-scooter.ru/forum/viewtopic.php?f=90&t=797&start=0 Может быть это поможет

Спасибо посмотрим..

_________________
Мне чужого не надо… Но свое я заберу, чье бы оно ни было


Вернуться наверх
 Профиль  
 
 Заголовок сообщения: Re: Хочу поставить сигнализацию.
СообщениеДобавлено: 27 Feb 2010, 15:10 
Не в сети
Гуру ремонта
Гуру ремонта

Зарегистрирован: 17 Май 2006, 12:37
Сообщений: 3446
Откуда: Москва,САО
Поблагодарил: раз(а)
Поблагодарили: раз(а)
Медали: 2
За тех. помощь 1-й степени (1) За вклад в развитие клуба (1)
Скутер: Honling QT-8 (Круизер)
Стаж: 5лет
ты бы лучше вотку жгутов проводов сигнализации выложил. Обычно у таких сигнализаций есть 9шт.разьем, аналогичный разъем присутствует в проводке скутера под клювом , на нем одета заглушка ввиде ответной части с проводом, который выходит из одного контакта и тут же входит в другой. Просто вынимаешь ответную часть этого разъема и вместо нее подключаешь сигнализацию. Если же разъема на жгуте нет, тогда хуже. зайди в раздел "Противодействие угону" на нашем форуме, там выложены схемы сигнализаций, думаю найдешь аналогичную твоей, но на английском языке.


Вернуться наверх
 Профиль  
 
 Заголовок сообщения: Re: Хочу поставить сигнализацию.
СообщениеДобавлено: 27 Feb 2010, 15:18 
Не в сети
Интересующийся
Интересующийся
Аватар пользователя

Зарегистрирован: 20 Feb 2010, 19:44
Сообщений: 22
Откуда: Казахстан
Поблагодарил: раз(а)
Поблагодарили: раз(а)
Скутер: Dayang DY50QT-8
Стаж: с 2008 года
Rus писал(а):
ты бы лучше вотку жгутов проводов сигнализации выложил. Обычно у таких сигнализаций есть 9шт.разьем, аналогичный разъем присутствует в проводке скутера под клювом , на нем одета заглушка ввиде ответной части с проводом, который выходит из одного контакта и тут же входит в другой. Просто вынимаешь ответную часть этого разъема и вместо нее подключаешь сигнализацию. Если же разъема на жгуте нет, тогда хуже. зайди в раздел "Противодействие угону" на нашем форуме, там выложены схемы сигнализаций, думаю найдешь аналогичную твоей, но на английском языке.

Дело в том что нет такого разьема в клюве..либо я плохо смотрел, но всеровно спасибо я посмотрю и сечас выложу фотки жгутов сигнализации..

_________________
Мне чужого не надо… Но свое я заберу, чье бы оно ни было


Вернуться наверх
 Профиль  
 
 Заголовок сообщения: Re: Хочу поставить сигнализацию.
СообщениеДобавлено: 27 Feb 2010, 15:51 
Не в сети
Старожил
Старожил

Зарегистрирован: 25 Май 2009, 14:25
Сообщений: 6823
Откуда: Москва, ЮВАО
Поблагодарил: раз(а)
Поблагодарили: раз(а)
Медали: 5
За полезные и полные ответы. (1) За тех. помощь 1-й степени (1) За тех. помощь 2-й степени (1) За вклад в развитие клуба (1) За грамотность (1)
Скутер: Stels Outlander 150
Стаж: общий с 1970года
Rus писал(а):
ты бы лучше вотку жгутов проводов сигнализации выложил. Обычно у таких сигнализаций есть 9шт.разьем, аналогичный разъем присутствует в проводке скутера под клювом , на нем одета заглушка ввиде ответной части с проводом, который выходит из одного контакта и тут же входит в другой. Просто вынимаешь ответную часть этого разъема и вместо нее подключаешь сигнализацию. Если же разъема на жгуте нет, тогда хуже. зайди в раздел "Противодействие угону" на нашем форуме, там выложены схемы сигнализаций, думаю найдешь аналогичную твоей, но на английском языке.

А я бы вообще её не ставил....Толку ноль, глюки и неисправности вагон....

_________________
Танки грязи не боятся...


Вернуться наверх
 Профиль  
 
 Заголовок сообщения: Re: Хочу поставить сигнализацию.
СообщениеДобавлено: 27 Feb 2010, 16:18 
Не в сети
Интересующийся
Интересующийся
Аватар пользователя

Зарегистрирован: 20 Feb 2010, 19:44
Сообщений: 22
Откуда: Казахстан
Поблагодарил: раз(а)
Поблагодарили: раз(а)
Скутер: Dayang DY50QT-8
Стаж: с 2008 года
VVV писал(а):
Rus писал(а):
ты бы лучше вотку жгутов проводов сигнализации выложил. Обычно у таких сигнализаций есть 9шт.разьем, аналогичный разъем присутствует в проводке скутера под клювом , на нем одета заглушка ввиде ответной части с проводом, который выходит из одного контакта и тут же входит в другой. Просто вынимаешь ответную часть этого разъема и вместо нее подключаешь сигнализацию. Если же разъема на жгуте нет, тогда хуже. зайди в раздел "Противодействие угону" на нашем форуме, там выложены схемы сигнализаций, думаю найдешь аналогичную твоей, но на английском языке.

А я бы вообще её не ставил....Толку ноль, глюки и неисправности вагон....


Ну ХЗ кто как говорит. я думаю попробую а если не будет толку сниму.

_________________
Мне чужого не надо… Но свое я заберу, чье бы оно ни было


Вернуться наверх
 Профиль  
 
 Заголовок сообщения: Re: Хочу поставить сигнализацию.
СообщениеДобавлено: 28 Feb 2010, 12:32 
Не в сети
Интересующийся
Интересующийся
Аватар пользователя

Зарегистрирован: 20 Feb 2010, 19:44
Сообщений: 22
Откуда: Казахстан
Поблагодарил: раз(а)
Поблагодарили: раз(а)
Скутер: Dayang DY50QT-8
Стаж: с 2008 года
Ну что сигнализацию поставил. Работает нормально. только автозавод не стал ставить.так как там не разобрался до конца.. а потом подумал да и не к чему он мне,а в остальном все получилось и не сложно. Сегодня солнце снега совсем почти нет..завел прокатился пару кругов по району аж полегчало))) :003

_________________
Мне чужого не надо… Но свое я заберу, чье бы оно ни было


Вернуться наверх
 Профиль  
 
 Заголовок сообщения: Re: Хочу поставить сигнализацию.
СообщениеДобавлено: 28 Feb 2010, 17:30 
Не в сети
Интересующийся
Интересующийся
Аватар пользователя

Зарегистрирован: 20 Feb 2010, 19:44
Сообщений: 22
Откуда: Казахстан
Поблагодарил: раз(а)
Поблагодарили: раз(а)
Скутер: Dayang DY50QT-8
Стаж: с 2008 года
В общем если кто интересуется могу скинуть весь подробный расклад, как на китайце поставить сигнализацию... :001 дело в том что полистав схемы и сравнив их я понял что все китайцы по сути одинаковы есть не большие раз беги в схемах но в основном все идентично. :001

_________________
Мне чужого не надо… Но свое я заберу, чье бы оно ни было


Вернуться наверх
 Профиль  
 
Показать сообщения за:  Сортировать по:  
Начать новую тему Ответить на тему  [ Сообщений: 11 ] 

Часовой пояс: UTC + 3 часа


Кто сейчас на форуме

Сейчас этот форум просматривают: нет зарегистрированных пользователей и гости: 63


Вы не можете начинать темы
Вы не можете отвечать на сообщения
Вы не можете редактировать свои сообщения
Вы не можете удалять свои сообщения
Вы не можете добавлять вложения

Перейти:  
cron
Powered by phpBB © phpBB Group
china-scooter.ru © 2006-2019