Клуб любителей китайских скутеров

Форум клуба любителей китайских скутеров

      
Текущее время: 15 Mar 2026, 02:05

Часовой пояс: UTC + 3 часа


Правила форума


Посмотреть правила форума



Начать новую тему Ответить на тему  [ Сообщений: 8 ] 
Автор Сообщение
 Заголовок сообщения: Помогите собрать проводку
СообщениеДобавлено: 27 Jan 2010, 11:50 
Не в сети
Наблюдатель
Аватар пользователя

Зарегистрирован: 27 Jan 2010, 00:14
Сообщений: 6
Откуда: Коломна
Поблагодарил: раз(а)
Поблагодарили: раз(а)
Скутер: квадроцикл
Есть у меня китаец:
ENGINE(ДВИГАТЕЛЬ): 62FMJAXZ165288 LONCIN-4 такта
VEHICLE(РАМА): L 6BSCK7606,1100137
DATE(ДАТА): 2006.10
TYPE(ТИП) : ATV 150cc

Без прводки...Кто может помочь? пишите!
У меня нет к нему схемы, вся проводка порвана, бывшие хозяева постарались...
Есть фото релюх и коммутаторов (ниже) но они НЕ все от него у них там много китайцев было и запчастей много от них валялось, я выбрал что больше похоже было...На раме еще есть катушка зажигания, реле стартера,стартер и два провода торчат снизу двигателя это наверное датчик нейтрально скорости.

Изображение
Изображение
Изображение
Изображение
Изображение
Изображение
Изображение
Изображение

_________________
Обходя разложенные грабли - ты теряешь драгоценный ОПЫТ!!!


Последний раз редактировалось sashek 27 Jan 2010, 16:12, всего редактировалось 1 раз.

Вернуться наверх
 Профиль  
 
 Заголовок сообщения: Re: Помогите собрать проводку
СообщениеДобавлено: 27 Jan 2010, 11:56 
Не в сети
Наблюдатель
Аватар пользователя

Зарегистрирован: 27 Jan 2010, 00:14
Сообщений: 6
Откуда: Коломна
Поблагодарил: раз(а)
Поблагодарили: раз(а)
Скутер: квадроцикл
КАК ПРОВЕРИТЬ РАБОТАЕТ ВСЕ ЭТО ИЛИ НЕТ?????


генератор и датчик положения колен вала (вроде датчик положения колен вала он стоит рядом с генератором) я прозвонил вот результаты:
Из датчика положения колен вала идет два провода чёрный и красно белый (на корпус не прозванивается не один) между собой звонятся с сопротивлением 0.142

Из генератора три провода черно красный(на корпус звонится с сопротивлением 0.318) и два белых (между собой звонятся с нулевым сопротивлением, на корпус не звонится не один)


Как прозвонить коммутатор и регулятор напряжения (если они от него)

_________________
Обходя разложенные грабли - ты теряешь драгоценный ОПЫТ!!!


Вернуться наверх
 Профиль  
 
 Заголовок сообщения: Re: Помогите собрать проводку
СообщениеДобавлено: 03 Feb 2010, 10:26 
Не в сети
Гуру ремонта
Гуру ремонта

Зарегистрирован: 17 Май 2006, 12:37
Сообщений: 3446
Откуда: Москва,САО
Поблагодарил: раз(а)
Поблагодарили: раз(а)
Медали: 2
За тех. помощь 1-й степени (1) За вклад в развитие клуба (1)
Скутер: Honling QT-8 (Круизер)
Стаж: 5лет
Ну что-же давай попробуем разобраться. Чтобы завести двигатель нам будет достаточно восстановить цепь коммутатора. Для этого нам понадобится его распиновка.
http://www.motochasti.ru/commutators.htm
для того чтобы заработала система зажигания нам нужно подсоединить к коммутатору следующие провода:
1. От силовой катушки генератора. Ее видно на фото - она более толстая и имеет дополнительную изоляцию. Думаю при помощи тестера ее вывод найти не трудно (скорее всего это красно-черный). Этот вывод нужно завести на разъем №1 коммутатора.
2. Нам нужно завести второй вывод от этой катушки на разьем №3 коммутатора. Возможно, что этот вывод соединен с рамой генератора, это означает, что он выведен на "массу". тогда нужно сделать надежное электрическое соединение между двигателем и рамой и на коммутатор завести провод с рамы.
( Чтобы уменьшить число проводов я рекомендую по любому пускать минус через раму).
3. Чтобы коммутатор понимал, когда поджигать искру нужно завести на него сигнал от датчика. Здесь немного сложнее. Один его вывод нужно завести на клемму №2, а второй конец нсоелдинить с массой. Но здесь есть одна особенность. Если перепутать выводы датчика местами, то получится очень раннее зажигание и двигатель либо вообще не заведется, либо работать будет очень не устойчиво. Тогда нужно поменять выводы местами.
Остается подсоединить катушку зажигнаия к коммутатору. Она обычно имеет два провода (помимо высоковольтного. Один провод катушки сажается на "массу". воторой!, подключается к зазъему №4 коммутатора.
Все. такого соединения достаточно, чтобы зажигание заработало. Главное чтобы была общая масса между катушкой генератора, датчиком положения коленвала,катушкой зажигания, корпусом двигателя и коммутатором.
Если на коммутаторе есть разъем №5, то чтобы заглушить двигатель на него нужно подавать "массу". обычно на АТВ есть выключатель безопасности, вот через него и подключается масса к этому разъему. Если же такого разъема на коммутаторе нет, то нужно ставить выключатель в разрыв любого из перечисленных выше проводов.
Так с системой зажигания разобрались и двигатель если все детали целы заведется. теперь преступаем к бортовой сети.
Судя по всему у тебя регулятор подразумевает шунтирующую систему регулирования напряжения. По этому тебе подойдет вот эта статья: http://honlingzakaz.ru/article_info.php?articles_id=1
С одной лишь разницей, что в самом генераторе тебе делать ничего не нужно, анужно либо спаять, либо купить шунтирующий генератор. На фото скорее всего не он (очень уж он маленький),вот еще немного по теме:

viewtopic.php?f=46&t=17979
viewtopic.php?f=46&t=10131

В общем то ничего сложного нет. Так что думаю разберешься.
Да на первом фото у тебя реле-регулятор от 50сс скутера и тебе не подойдет
на втором фото реле стартера . Нужно от аккумулятора бросить толстый провод на винтовую клемму, со второй винтовой клемму бросить такой же толстый провод на двигатель стартера. А к остальным двум клеммам подвести 12В через кнопку стартера на руле.

Ну вот наверное и вся необходимая для тебя информация. чтобы начать разбираться. Это не инжекторная машина. Ничего особо сложного в электрике нет, т.ч. разберешься.Если что спрашивай, постараемся общими усилиями помочь.


Вернуться наверх
 Профиль  
 
 Заголовок сообщения: Re: Помогите собрать проводку
СообщениеДобавлено: 03 Feb 2010, 10:29 
Не в сети
Гуру ремонта
Гуру ремонта

Зарегистрирован: 17 Май 2006, 12:37
Сообщений: 3446
Откуда: Москва,САО
Поблагодарил: раз(а)
Поблагодарили: раз(а)
Медали: 2
За тех. помощь 1-й степени (1) За вклад в развитие клуба (1)
Скутер: Honling QT-8 (Круизер)
Стаж: 5лет
Ди и еще, этот двигатель -копия двигателя мотоцикла Yanaha YBR125. Этот же движок ставят китайцы на свои 125-200сс мотоциклы. так что думаю найти схемы проводки и недастающие запчасти не составит труда.
А цепь стартера отдали? А то ее на фото нет.
Кстати , по схеме зажигания и устройству генератора твоя схема практически должна повторить вот эту: download/file.php?id=3968&mode=view


Вернуться наверх
 Профиль  
 
 Заголовок сообщения: Re: Помогите собрать проводку
СообщениеДобавлено: 11 Feb 2010, 14:09 
Не в сети
Наблюдатель
Аватар пользователя

Зарегистрирован: 27 Jan 2010, 00:14
Сообщений: 6
Откуда: Коломна
Поблагодарил: раз(а)
Поблагодарили: раз(а)
Скутер: квадроцикл
Огромное спасибо!Ценная информация...
Зачем мне шунтирующий генератор?Этот не подойдет???
А этот коммутатор точно от него?
Еще по поводу реле-регулятора,я звонил туда где забирал квадрик и мне сказали что у них нет и не было техники 50сс может реле-регулятор все же на нем как то стоял???

_________________
Обходя разложенные грабли - ты теряешь драгоценный ОПЫТ!!!


Вернуться наверх
 Профиль  
 
 Заголовок сообщения: Re: Помогите собрать проводку
СообщениеДобавлено: 14 Feb 2010, 08:55 
Не в сети
Гуру ремонта
Гуру ремонта

Зарегистрирован: 17 Май 2006, 12:37
Сообщений: 3446
Откуда: Москва,САО
Поблагодарил: раз(а)
Поблагодарили: раз(а)
Медали: 2
За тех. помощь 1-й степени (1) За вклад в развитие клуба (1)
Скутер: Honling QT-8 (Круизер)
Стаж: 5лет
По поводу коммутатора. Это коммутатор CDI, который ставится на большую часть техники, по этому большой разницы нет - с этого аппарата он или нет. Работать с ним двигатель будет.
А вот по поводу генератора все сложнее. Судя по фотографии у тебя из него выходит три провода. Красно-черный, это скорее всего питание коммутатора, он должен идти от катушки генератора с дополнительной изоляцией. Остальные два- должны принадлежать к катушке, которая питает бортовую сеть.
Теперь как проверить какий тип генератора у тебя. Для этого нужно прозвонить эти два провода тестером. Один щуп тестера соединяешь с выводом катушки, второй с корпусом статора генератора. Если вывод звонится с массой, то у тебя генераторс с регулирующей обмоткой (второй вывод тоже должен звониться с корпусом), если не звонится, то у тебя шунтирующий генератор и соответственно ему нужетн и шунтирующий реле-регулятор. Возможно, что тот, что на фото у тебя тоже шунтирующий, но обычно они более крупного размера.
Вот в этой теме много сказано про генераторы и на первой странице есть фото РР обоих типов, судя по твоей фотке у тебя первый тип с регулирующей обмоткой. http://china-scooter.ru/forum/viewtopic ... 46&t=17979


Вернуться наверх
 Профиль  
 
 Заголовок сообщения: Re: Помогите собрать проводку
СообщениеДобавлено: 14 Feb 2010, 14:38 
Не в сети
Наблюдатель
Аватар пользователя

Зарегистрирован: 27 Jan 2010, 00:14
Сообщений: 6
Откуда: Коломна
Поблагодарил: раз(а)
Поблагодарили: раз(а)
Скутер: квадроцикл
Из генератора три провода черно красный(на корпус звонится с сопротивлением 0.318) и два белых (между собой звонятся с нулевым сопротивлением, на корпус не звонится не один)

Значит шунтирующий...А электросхема шунтирующего генератора отличается от генератора с регулирующей обмоткой?

_________________
Обходя разложенные грабли - ты теряешь драгоценный ОПЫТ!!!


Вернуться наверх
 Профиль  
 
 Заголовок сообщения: Re: Помогите собрать проводку
СообщениеДобавлено: 05 Mar 2010, 09:34 
Не в сети
Наблюдатель
Аватар пользователя

Зарегистрирован: 27 Jan 2010, 00:14
Сообщений: 6
Откуда: Коломна
Поблагодарил: раз(а)
Поблагодарили: раз(а)
Скутер: квадроцикл
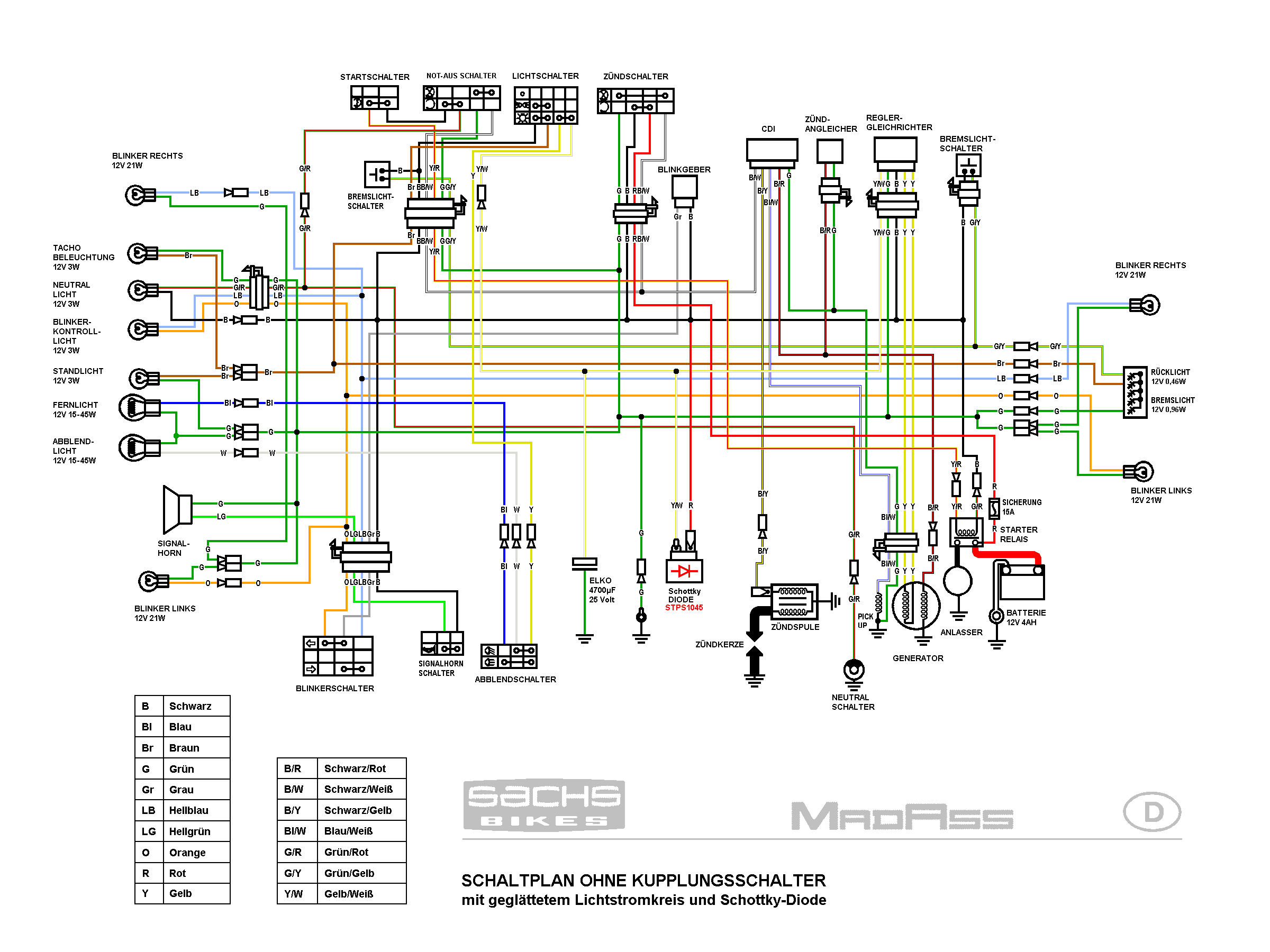
Все, все работает!Всем большое спасибо!
Вот схема:

Изображение

_________________
Обходя разложенные грабли - ты теряешь драгоценный ОПЫТ!!!


Вернуться наверх
 Профиль  
 
Показать сообщения за:  Сортировать по:  
Начать новую тему Ответить на тему  [ Сообщений: 8 ] 

Часовой пояс: UTC + 3 часа


Кто сейчас на форуме

Сейчас этот форум просматривают: нет зарегистрированных пользователей и гости: 11


Вы не можете начинать темы
Вы не можете отвечать на сообщения
Вы не можете редактировать свои сообщения
Вы не можете удалять свои сообщения
Вы не можете добавлять вложения

Перейти:  
Powered by phpBB © phpBB Group
china-scooter.ru © 2006-2019