Клуб любителей китайских скутеров

Форум клуба любителей китайских скутеров

      
Текущее время: 30 Apr 2026, 12:41

Часовой пояс: UTC + 3 часа


Правила форума


Посмотреть правила форума



Начать новую тему Ответить на тему  [ Сообщений: 12 ] 
Автор Сообщение
 Заголовок сообщения: Шунтирующий регулятор на 139QMB
СообщениеДобавлено: 29 Mar 2009, 16:06 
Не в сети
Интересующийся
Интересующийся

Зарегистрирован: 23 Mar 2009, 22:21
Сообщений: 10
Откуда: Тула 71
Поблагодарил: раз(а)
Поблагодарили: раз(а)
Скутер: Honling Joker VIP 50
Стаж: 3
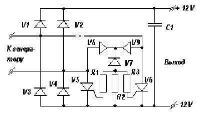
Люди, подскажите кто нибудь переделывал регулятор на скутере вот по этой схеме
Вложение:
schunt.jpg
schunt.jpg [ 36.19 KiB | Просмотров: 6546 ]
и кто реально пользуется этой схемой на скуте, какие минусы и какие плюсы этой схемы вы можете выделить. Какую реальную мощность он выдает. Хотелось бы услышать положительных ответов. Вот задумал переделать регулятор чтобы поставить ксенон.


Вернуться наверх
 Профиль  
 
 Заголовок сообщения: Re: Шунтирующий регулятор на 139QMB
СообщениеДобавлено: 29 Mar 2009, 16:42 
Не в сети
Бывалый
Бывалый
Аватар пользователя

Зарегистрирован: 03 Sep 2007, 15:34
Сообщений: 427
Откуда: NiNo - 52 Rus
Поблагодарил: раз(а)
Поблагодарили: раз(а)
Скутер: Peugeot Speedfight 2 LC
Я пользуюсь такой схемой, правда не на 139-ке, но генератор пыжика не сильно отличается от китайского. Минусов не нашёл, греется слабо, ток даёт приличный, автомобильную галогенку 55 Вт разжигает только в путь))) Ксенон не тянул, но ксенон у меня был левый, жрал аж 10 Ампер, такой и аккум не вытянет. Нормальный ксенон потянет имхо

_________________
Изображение


Вернуться наверх
 Профиль  
 
 Заголовок сообщения: Re: Шунтирующий регулятор на 139QMB
СообщениеДобавлено: 29 Mar 2009, 16:57 
Не в сети
Интересующийся
Интересующийся

Зарегистрирован: 23 Mar 2009, 22:21
Сообщений: 10
Откуда: Тула 71
Поблагодарил: раз(а)
Поблагодарили: раз(а)
Скутер: Honling Joker VIP 50
Стаж: 3
спасибо за ответ K O L D U N E, значит есть смысл в этой переделке, буду в отпуске займусь переделкой, а то стандартный регулятор даже галогенку не тянет. :)


Вернуться наверх
 Профиль  
 
 Заголовок сообщения: Re: Шунтирующий регулятор на 139QMB
СообщениеДобавлено: 14 Apr 2009, 18:13 
Не в сети
Интересующийся
Интересующийся

Зарегистрирован: 23 Mar 2009, 22:21
Сообщений: 10
Откуда: Тула 71
Поблагодарил: раз(а)
Поблагодарили: раз(а)
Скутер: Honling Joker VIP 50
Стаж: 3
блин, кто нить подскажите, сегодня собрал эту схему шунтирующего регулятора, работает супер, только вот напряжение с 15 вольтовым стабилитроном завышенное выдает (16-18 вольт), какой всетаки лучше поставить стабилитрон? :(


Вернуться наверх
 Профиль  
 
 Заголовок сообщения: Re: Шунтирующий регулятор на 139QMB
СообщениеДобавлено: 15 Apr 2009, 18:14 
Не в сети
Бывалый
Бывалый
Аватар пользователя

Зарегистрирован: 01 Nov 2007, 11:21
Сообщений: 295
Откуда: Питер. Приморский р-он
Поблагодарил: раз(а)
Поблагодарили: раз(а)
Скутер: Wangye Tech8
Стаж: 2
13-14 если ты читал, статьи, то там написано купить разных..

_________________
Какая разница, откуда руки растут, если они золотые.


Вернуться наверх
 Профиль  
 
 Заголовок сообщения: Re: Шунтирующий регулятор на 139QMB
СообщениеДобавлено: 15 Apr 2009, 21:09 
Не в сети
Интересующийся
Интересующийся

Зарегистрирован: 23 Mar 2009, 22:21
Сообщений: 10
Откуда: Тула 71
Поблагодарил: раз(а)
Поблагодарили: раз(а)
Скутер: Honling Joker VIP 50
Стаж: 3
Огромное спасибо за ответ, сегодня поменял стабилитрон на 13 вольтовый и стало все окей. Регулятор супер, галогенку тянет свободно, вот теперь буду ставить ксенон. Я доволен переделкой регулятора :)


Вернуться наверх
 Профиль  
 
 Заголовок сообщения: Re: Шунтирующий регулятор на 139QMB
СообщениеДобавлено: 15 Apr 2009, 22:01 
Не в сети
Интересующийся
Интересующийся

Зарегистрирован: 03 Jan 2009, 00:16
Сообщений: 10
Поблагодарил: раз(а)
Поблагодарили: раз(а)
Скутер: Benzhou
Стаж: 2
Извиняюсь что влез, не хочется создавать новый топик.
Как можно использовать эту схему шунтирующего регулятора для 3-х фазного генератора?
Оригинальный регулятор тоже шунтирующий выдаёт порядка 100 ватт, маловато, хотелось бы больше.


Вернуться наверх
 Профиль  
 
 Заголовок сообщения: Re: Шунтирующий регулятор на 139QMB
СообщениеДобавлено: 05 Май 2009, 21:32 
Не в сети
Опытный
Опытный

Зарегистрирован: 18 Apr 2008, 12:36
Сообщений: 926
Откуда: УрФО
Поблагодарил: раз(а)
Поблагодарили: раз(а)
Медали: 1
За тех. помощь 2-й степени (1)
Скутер: Honling QT9, 150сс
avg писал(а):
Извиняюсь что влез, не хочется создавать новый топик.
Как можно использовать эту схему шунтирующего регулятора для 3-х фазного генератора?
Оригинальный регулятор тоже шунтирующий выдаёт порядка 100 ватт, маловато, хотелось бы больше.

Вот смотри: Надо взять трехфазный диодный мост (автомобильный подойдет идеально) и три тиристора вместо двух - на этой схеме (кстати сам по ней собирал регулятор) диоды VD8 и VD9 по существу лишние - стабилитрон просто надо подключить катодом к плюсовому выходу моста, ведь в этом мосте уже есть такие же диоды (я так делал - работает). Итак каждый тиристор подключен катодом к минусу моста, а анодом к проводу переменки. У трехфазного генератора три провода переменки - подключаем аналогично три тиристора на каждый из них, для третьего так же добавляем резистор на 30 Ом, как у остальных, между управляющим электродом и стабилитроном. Надеюсь все понятно, удачи.

Demon писал(а):
Какую реальную мощность он выдает.

Понятие "какую мощность выдает" к шунтирующему регулятору малоприменимо - она определяется характеристиками генератора, а не регулятора. Шунтирующему регулятору наоборот чем больше нагрузка, тем легче работать, т.к. он ограничивает напряжение на выходе генератора при отсутствии достаточной нагрузки.


Вернуться наверх
 Профиль  
 
 Заголовок сообщения: Re: Шунтирующий регулятор на 139QMB
СообщениеДобавлено: 07 Май 2009, 12:09 
Не в сети
Интересующийся
Интересующийся

Зарегистрирован: 23 Mar 2009, 22:21
Сообщений: 10
Откуда: Тула 71
Поблагодарил: раз(а)
Поблагодарили: раз(а)
Скутер: Honling Joker VIP 50
Стаж: 3
Кстати регулятор на самом деле вытягивает большую нагрузку, но при закорачивании обмотки на массу тиристоры реально сильно греются, а вот мосты диодные практически не нагреваются, я доволен переделанной электрикой на скуте. *THUMBS UP*


Вернуться наверх
 Профиль  
 
 Заголовок сообщения: Re: Шунтирующий регулятор на 139QMB
СообщениеДобавлено: 28 Май 2010, 22:09 
Не в сети
Интересующийся
Интересующийся

Зарегистрирован: 25 Jan 2010, 17:54
Сообщений: 38
Откуда: Ижевск
Поблагодарил: раз(а)
Поблагодарили: раз(а)
кто нибудь может написать где какая конкретно деталь на этой схеме? :005


Вернуться наверх
 Профиль  
 
 Заголовок сообщения: Re: Шунтирующий регулятор на 139QMB
СообщениеДобавлено: 30 Май 2010, 06:19 
Не в сети
Гуру ремонта
Гуру ремонта
Аватар пользователя

Зарегистрирован: 20 Mar 2009, 23:12
Сообщений: 19841
Откуда: Бронницы
Поблагодарил: раз(а)
Поблагодарили: раз(а)
Медали: 4
За полезные и полные ответы. (1) За тех. помощь 1-й степени (1) За тех. помощь 2-й степени (1) За вклад в развитие клуба (1)
Скутер: Irbis Nirvana 150 уже 175сс
Стаж: Мото 21,скутер 4года
Andrey_andreich
А поиском не пробовал пользоваться?
Говорят, очень помогает! *THUMBS UP*

_________________
Попытка прочесть книгу, не открыв её - обречена на провал.


Вернуться наверх
 Профиль  
 
 Заголовок сообщения: Re: Шунтирующий регулятор на 139QMB
СообщениеДобавлено: 31 Май 2010, 19:03 
Не в сети
Интересующийся
Интересующийся

Зарегистрирован: 25 Jan 2010, 17:54
Сообщений: 38
Откуда: Ижевск
Поблагодарил: раз(а)
Поблагодарили: раз(а)
все уже я другой спаял, попроще :-[ , посмотрим как работает если нормально выложу схему если надо


Вернуться наверх
 Профиль  
 
Показать сообщения за:  Сортировать по:  
Начать новую тему Ответить на тему  [ Сообщений: 12 ] 

Часовой пояс: UTC + 3 часа


Кто сейчас на форуме

Сейчас этот форум просматривают: нет зарегистрированных пользователей и гости: 2


Вы не можете начинать темы
Вы не можете отвечать на сообщения
Вы не можете редактировать свои сообщения
Вы не можете удалять свои сообщения
Вы не можете добавлять вложения

Перейти:  
Powered by phpBB © phpBB Group
china-scooter.ru © 2006-2019