Клуб любителей китайских скутеров

Форум клуба любителей китайских скутеров

      
Текущее время: 30 Apr 2026, 10:37

Часовой пояс: UTC + 3 часа


Правила форума


Посмотреть правила форума



Начать новую тему Ответить на тему  [ Сообщений: 27 ]  На страницу 1, 2  След.
Автор Сообщение
 Заголовок сообщения: IRBIS TTR-125 установка поворотников,сигнала. Нужна помощь!
СообщениеДобавлено: 23 Aug 2012, 22:19 
Не в сети
Новичок
Новичок
Аватар пользователя

Зарегистрирован: 02 Jun 2010, 18:07
Сообщений: 94
Откуда: Аша
Поблагодарил: раз(а)
Поблагодарили: раз(а)
Скутер: SONIK YH48Q-3B,IRBIS TTR 125
Стаж: 5
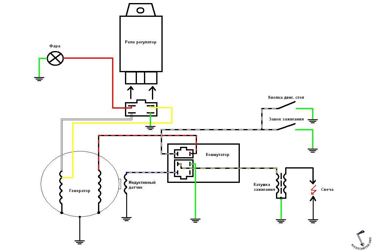
Во общем дело такое...Стал я счастливым обладателем мини - эндуро IRBIS TTR-125, и сразу решил что надо бы сделать нормальное освещение ,указатели поворотов стоп сигнал,звуковой сигнал...начал делать...и столкнулся с проблемой стоп сигнал, габариты и фара работают нормально а вот сигнал при нажатии дает очень большую просадку и кое как пищит,реле поворотом не срабатывает а время от времени тускло загорается лампочка поворота потом гаснет...кто чем может помочь?Модель двигателя 154FMI-2 4х тактный заранее благодарен за ответы!!!
в наличии
1. Поворотники 2 пары
2. 3х контактное реле поворотов
3. Блок переключателей


Вложения:
Комментарий к файлу: Принципиальная схема родной проводки
СХЕМА.JPG
СХЕМА.JPG [ 132.95 KiB | Просмотров: 29605 ]
Вернуться наверх
 Профиль  
 
 Заголовок сообщения: Re: IRBIS TTR-125 установка поворотников,сигнала. Нужна помо
СообщениеДобавлено: 24 Aug 2012, 01:52 
а какого характера помощь нужна?это схема системы зажигания-для очерченого обьёма работы тебе нужна ещё общая схема твоего аппарата которая тоже в мануале должна быть.


Вернуться наверх
  
 
 Заголовок сообщения: Re: IRBIS TTR-125 установка поворотников,сигнала. Нужна помо
СообщениеДобавлено: 24 Aug 2012, 08:34 
Не в сети
Старожил
Старожил
Аватар пользователя

Зарегистрирован: 18 Oct 2010, 06:21
Сообщений: 2538
Откуда: Кубань
Поблагодарил: раз(а)
Поблагодарили: раз(а)
Медали: 4
За полезные и полные ответы. (1) За тех. помощь 1-й степени (1) За тех. помощь 2-й степени (1) За вклад в развитие клуба (1)
Скутер: RACER uragan- 82сс.
Стаж: ***
Евгений Григорьев
Евгений Григорьев писал(а):
..начал делать...и столкнулся с проблемой

А как все работало до того как начал делать?
И еще интересно. Как здоровье аккумулятора? Может он дохленький?

_________________
"Добрым словом и револьвером, вы добьетесь намного большего.... чем одним добрым словом"
...Пишу с ошибками, читаю по слогам.


Вернуться наверх
 Профиль  
 
 Заголовок сообщения: Re: IRBIS TTR-125 установка поворотников,сигнала. Нужна помо
СообщениеДобавлено: 24 Aug 2012, 08:52 
Не в сети
Старожил
Старожил
Аватар пользователя

Зарегистрирован: 19 Sep 2008, 03:32
Сообщений: 3112
Откуда: Москва
Поблагодарил: раз(а)
Поблагодарили: раз(а)
Медали: 6
За полезные и полные ответы. (1) За тех. помощь 1-й степени (1) За тех. помощь 2-й степени (1) За вклад в развитие клуба (1) За инновации (1)
Скутер: Jialing JL50QT-11(ex), Рига-11, Kymco Visa R50
Стаж: 08-
Сигнал без аккумулятора работать не будет. У него мощность гораздо больше той, что может дать генератор.

_________________
Мы рождены, чтоб Кафку сделать былью.
Grammatik macht frei!


Вернуться наверх
 Профиль  
 
 Заголовок сообщения: Re: IRBIS TTR-125 установка поворотников,сигнала. Нужна помо
СообщениеДобавлено: 24 Aug 2012, 09:43 
Не в сети
Новичок
Новичок
Аватар пользователя

Зарегистрирован: 02 Jun 2010, 18:07
Сообщений: 94
Откуда: Аша
Поблагодарил: раз(а)
Поблагодарили: раз(а)
Скутер: SONIK YH48Q-3B,IRBIS TTR 125
Стаж: 5
сейчас немного проясню ситуацию :) Работало никак дабы на этом зверьке вообще не предназначены ни поворотники ни фара, ни сигнал .Вопрос в том как и куда зацепить реле поворотов.Аккамулятор в конструкции не задуман заводом.


Вложения:
Комментарий к файлу: электросхема с документов
12344.jpg
12344.jpg [ 233.71 KiB | Просмотров: 29588 ]
Комментарий к файлу: вот фотка
EAf4.jpg
EAf4.jpg [ 230.32 KiB | Просмотров: 29588 ]
Вернуться наверх
 Профиль  
 
 Заголовок сообщения: Re: IRBIS TTR-125 установка поворотников,сигнала. Нужна помо
СообщениеДобавлено: 24 Aug 2012, 10:11 
Не в сети
Бывалый
Бывалый
Аватар пользователя

Зарегистрирован: 01 Feb 2008, 20:48
Сообщений: 302
Поблагодарил: раз(а)
Поблагодарили: раз(а)
Здесь же половина схемы.Силовая обмотка генератора в воздухе висит.Обычно поворотники,стопсигнал и крякалка висят на АКБ.Фара,габариты идет переменка.Судя по схеме обычный генератор как на любом 50сс китайском скутере,в разделе схемы найди наиболее понравившуюся и делай наподобии,либо переводи все на постоянку.

_________________
Stels Tactic 65cc(запилинг)
Malossi Dellorto PHBN 17.5(ГТЖ 72)
Запил сток. ЛК,лепестки стеклотекстолит 0.35мм
Malossi Multivar,Malossi Ventilvar,7.5 гр
Dayco 7175,белая-торк,желтые-сцепление 297715
Hella micro de,ксенон 2*25W 3000K
Pirelli GTS23/24


Вернуться наверх
 Профиль  
 
 Заголовок сообщения: Re: IRBIS TTR-125 установка поворотников,сигнала. Нужна помо
СообщениеДобавлено: 24 Aug 2012, 10:20 
Не в сети
Гуру ремонта
Гуру ремонта
Аватар пользователя

Зарегистрирован: 20 Mar 2009, 23:12
Сообщений: 19841
Откуда: Бронницы
Поблагодарил: раз(а)
Поблагодарили: раз(а)
Медали: 4
За полезные и полные ответы. (1) За тех. помощь 1-й степени (1) За тех. помощь 2-й степени (1) За вклад в развитие клуба (1)
Скутер: Irbis Nirvana 150 уже 175сс
Стаж: Мото 21,скутер 4года
Евгений Григорьев
Без АКБ, не будет нормально работать регулятор напряжения, соответственно и реле поворотов.

_________________
Попытка прочесть книгу, не открыв её - обречена на провал.


Вернуться наверх
 Профиль  
 
 Заголовок сообщения: Re: IRBIS TTR-125 установка поворотников,сигнала. Нужна помо
СообщениеДобавлено: 24 Aug 2012, 10:27 
Не в сети
Старожил
Старожил
Аватар пользователя

Зарегистрирован: 19 Sep 2008, 03:32
Сообщений: 3112
Откуда: Москва
Поблагодарил: раз(а)
Поблагодарили: раз(а)
Медали: 6
За полезные и полные ответы. (1) За тех. помощь 1-й степени (1) За тех. помощь 2-й степени (1) За вклад в развитие клуба (1) За инновации (1)
Скутер: Jialing JL50QT-11(ex), Рига-11, Kymco Visa R50
Стаж: 08-
Без аккумулятора ничего работать не будет. Аккумулятор надо поставить, хоть самый маленький.
Фара (габариты, подсветка приборки) подключается между жёлтым проводом и массой. Если заставлять её работать от выпрямленного тока, то она сама будет гореть не в полный накал, а выпрямитель в регуляторе будет перегружен.
Между красным проводом и массой ставится аккумулятор, всё дополнительное оборудование подключается уже к нему.
И в порядке придирки. В электрике нашей мототехники нет "реле-регуляторов" и "датчиков холла". Есть регулятор напряжения и индуктивный датчик.

_________________
Мы рождены, чтоб Кафку сделать былью.
Grammatik macht frei!


Вернуться наверх
 Профиль  
 
 Заголовок сообщения: Re: IRBIS TTR-125 установка поворотников,сигнала. Нужна помо
СообщениеДобавлено: 24 Aug 2012, 20:13 
Не в сети
Новичок
Новичок
Аватар пользователя

Зарегистрирован: 02 Jun 2010, 18:07
Сообщений: 94
Откуда: Аша
Поблагодарил: раз(а)
Поблагодарили: раз(а)
Скутер: SONIK YH48Q-3B,IRBIS TTR 125
Стаж: 5
John JACK соглашусь с вами буду думать куда вотнуть аккамулятор
GDN
я скинул схему которая в паспорте была,больше там ничего нет...от себя могу добавить что из нагрузки есть только фара которая работает в роли габарита, АКБ не предусмотрен,сегодня нашел один буду думать куда воткнуть


Вернуться наверх
 Профиль  
 
 Заголовок сообщения: Re: IRBIS TTR-125 установка поворотников,сигнала. Нужна помо
СообщениеДобавлено: 24 Aug 2012, 20:42 
Не в сети
Старожил
Старожил
Аватар пользователя

Зарегистрирован: 19 Sep 2008, 03:32
Сообщений: 3112
Откуда: Москва
Поблагодарил: раз(а)
Поблагодарили: раз(а)
Медали: 6
За полезные и полные ответы. (1) За тех. помощь 1-й степени (1) За тех. помощь 2-й степени (1) За вклад в развитие клуба (1) За инновации (1)
Скутер: Jialing JL50QT-11(ex), Рига-11, Kymco Visa R50
Стаж: 08-
Вот тут что-то похожее есть: http://kickstarter.org/forum/index.php? ... #msg141763

_________________
Мы рождены, чтоб Кафку сделать былью.
Grammatik macht frei!


Вернуться наверх
 Профиль  
 
 Заголовок сообщения: Re: IRBIS TTR-125 установка поворотников,сигнала. Нужна помо
СообщениеДобавлено: 24 Aug 2012, 21:32 
Не в сети
Новичок
Новичок
Аватар пользователя

Зарегистрирован: 02 Jun 2010, 18:07
Сообщений: 94
Откуда: Аша
Поблагодарил: раз(а)
Поблагодарили: раз(а)
Скутер: SONIK YH48Q-3B,IRBIS TTR 125
Стаж: 5
там не много другой аппарат...у меня физический отсутствует пустое пространство куда можно было поставить АКБ, есть вариант под раму а район передней вилки как на TTR-110 ,Если я правильно понял то, на провода с регулятора я параллельно пускаю АКБ и остальные приблуды вешаю на него уже так?


Вернуться наверх
 Профиль  
 
 Заголовок сообщения: Re: IRBIS TTR-125 установка поворотников,сигнала. Нужна помо
СообщениеДобавлено: 24 Aug 2012, 21:41 
хмм,,,очень странная ситуация,,,а скажи пожалуйста зачем тебе на кроссовом мотоцикле все эти цацки?а если собирался ездить по дорогам общего пользования зачем тогда кроссовый моц покупал???не врубаюсь,,,,,,,,,,


Вернуться наверх
  
 
 Заголовок сообщения: Re: IRBIS TTR-125 установка поворотников,сигнала. Нужна помо
СообщениеДобавлено: 24 Aug 2012, 21:42 
Не в сети
Старожил
Старожил
Аватар пользователя

Зарегистрирован: 19 Sep 2008, 03:32
Сообщений: 3112
Откуда: Москва
Поблагодарил: раз(а)
Поблагодарили: раз(а)
Медали: 6
За полезные и полные ответы. (1) За тех. помощь 1-й степени (1) За тех. помощь 2-й степени (1) За вклад в развитие клуба (1) За инновации (1)
Скутер: Jialing JL50QT-11(ex), Рига-11, Kymco Visa R50
Стаж: 08-
Аппарат другой, но с электрикой (её отсутствием) та же фигня.
Как именно тянуть провода не важно, ток сам разберётся. Главное, чтобы фара, задний габарит и всякие подсветки были между жёлтым проводом от генератора и массой, жёлтый и белый приходили на РН, а аккумулятор был включен между красным и массой параллельно прочей электрике.

_________________
Мы рождены, чтоб Кафку сделать былью.
Grammatik macht frei!


Вернуться наверх
 Профиль  
 
 Заголовок сообщения: Re: IRBIS TTR-125 установка поворотников,сигнала. Нужна помо
СообщениеДобавлено: 25 Aug 2012, 10:00 
Не в сети
Новичок
Новичок
Аватар пользователя

Зарегистрирован: 02 Jun 2010, 18:07
Сообщений: 94
Откуда: Аша
Поблагодарил: раз(а)
Поблагодарили: раз(а)
Скутер: SONIK YH48Q-3B,IRBIS TTR 125
Стаж: 5
borov
До леса еще доехать надо,а головой вертеть и руками махать на нем не очень приятное удовольствия,на асфальте очень не устойчив прыгает как конь. + к этому не все водятлы знаю знаки которые показывают руками (например девочки на желтых и розовых матисах).Да и рефлексы на все переключения сбивать не охота, у меня же еще 2 скутера обычных. *DONT_KNOW* Ну вот как то так.


Вернуться наверх
 Профиль  
 
 Заголовок сообщения: Re: IRBIS TTR-125 установка поворотников,сигнала. Нужна помо
СообщениеДобавлено: 25 Aug 2012, 10:02 
Не в сети
Новичок
Новичок
Аватар пользователя

Зарегистрирован: 02 Jun 2010, 18:07
Сообщений: 94
Откуда: Аша
Поблагодарил: раз(а)
Поблагодарили: раз(а)
Скутер: SONIK YH48Q-3B,IRBIS TTR 125
Стаж: 5
John JACK
Спасибо,это более чем понятно *OK*


Вернуться наверх
 Профиль  
 
Показать сообщения за:  Сортировать по:  
Начать новую тему Ответить на тему  [ Сообщений: 27 ]  На страницу 1, 2  След.

Часовой пояс: UTC + 3 часа


Кто сейчас на форуме

Сейчас этот форум просматривают: нет зарегистрированных пользователей и гости: 5


Вы не можете начинать темы
Вы не можете отвечать на сообщения
Вы не можете редактировать свои сообщения
Вы не можете удалять свои сообщения
Вы не можете добавлять вложения

Перейти:  
Powered by phpBB © phpBB Group
china-scooter.ru © 2006-2019