Клуб любителей китайских скутеров

Форум клуба любителей китайских скутеров

      
Текущее время: 26 Apr 2026, 22:20

Часовой пояс: UTC + 3 часа


Правила форума


Посмотреть правила форума



Начать новую тему Эта тема закрыта, Вы не можете редактировать и оставлять сообщения в ней.  [ Сообщений: 58 ]  На страницу Пред.  1, 2, 3, 4  След.
Автор Сообщение
 Заголовок сообщения: Re: Бортовой компьютер БК-ххх
СообщениеДобавлено: 25 Nov 2011, 21:35 
Не в сети
Бывалый
Бывалый
Аватар пользователя

Зарегистрирован: 01 Nov 2011, 20:36
Сообщений: 285
Откуда: Москва САО Бескудниково
Поблагодарил: раз(а)
Поблагодарили: раз(а)
Скутер: jialing QT-22 139QMB, 82см3 (R12)
Стаж: По Москве 8 лет
Принцып переделки этого устройства таков
во первых устроцство должно быть для корбюраторных двигателей
во вторых число цылиндров должно регулироваться 2 цилиндра 4 цилиндра 6 цилиндров
число цилиндров нужно выстовить на два
потом нужно собрать устройство которое будет дублировать один цылиндр
тоесть прибор (бк) может считывать информацыю только с двух цылиндров ,4,6 (чётное количество)
если его обмануть тоесть один цылиндр будет цылиндр скутера а другой устройство дублирующе работу второго
то этот ,,бортовой комп,, будет работать исправно
тоесть будет работать тахометр


Вложения:
4.JPG
4.JPG [ 19.83 KiB | Просмотров: 6278 ]
2.JPG
2.JPG [ 23.13 KiB | Просмотров: 6278 ]
1.JPG
1.JPG [ 25.74 KiB | Просмотров: 6278 ]
3.JPG
3.JPG [ 19.53 KiB | Просмотров: 6278 ]

_________________
ПИШУ БРЕД ДА ЕЩЁ И С ОШШИБКАМИ
Вернуться наверх
 Профиль  
 
 Заголовок сообщения: Re: Бортовой компьютер БК-ххх
СообщениеДобавлено: 26 Nov 2011, 09:33 
Не в сети
Старожил
Старожил
Аватар пользователя

Зарегистрирован: 03 Sep 2007, 10:32
Сообщений: 1777
Откуда: Чувашия
Поблагодарил: раз(а)
Поблагодарили: раз(а)
Медали: 4
За тех. помощь 1-й степени (1) За тех. помощь 2-й степени (1) За вклад в развитие клуба (1) За инновации (1)
Скутер: KYMCO People S50 & XCiting 500
Стаж: 10
Что за ерунда понаписана. Два цилиндра автомобильных = одному нашему цилиндру.
Это один импульс на один оборот. Никаких таких "дубляторов" не нужно.
Просто нужно чтобы у прибора была возможность установить 2 цилиндра или
8 цилиндров (если 8 - тогда подключать к переменке с генератора. и этот способ кстати лучше остальных).

Почему не работают некоторые автомобильные тахометры? Очень просто, они рассчитаны на подключение к катушке
поэтому на своем входе они ожидают импульсы +12В сменяющиеся замыканием на землю.
А наши синусоиды им совсем ни к чему.
Тут даже дизельные больше подходят, если конечно подходящий коэффициент можно установить.
Но вообще-то и с карбюраторными проблема легко решается, транзисторным ключом на входе.


Вернуться наверх
 Профиль  
 
 Заголовок сообщения: Re: Бортовой компьютер БК-ххх
СообщениеДобавлено: 29 Nov 2011, 22:22 
Не в сети
Бывалый
Бывалый
Аватар пользователя

Зарегистрирован: 01 Nov 2011, 20:36
Сообщений: 285
Откуда: Москва САО Бескудниково
Поблагодарил: раз(а)
Поблагодарили: раз(а)
Скутер: jialing QT-22 139QMB, 82см3 (R12)
Стаж: По Москве 8 лет
Почему не работают некоторые автомобильные тахометры? Очень просто, они рассчитаны на подключение к катушке
поэтому на своем входе они ожидают импульсы +12В сменяющиеся замыканием на землю.

Тка у меня какраз к катушке и подключен один провод от Б.К.
А два остальных к + -
А так как минемальное число цылиндров на БК можно выстовить только два
а а скутера одон цылиндр пришлось доработаать БК и сделать дублирующее устройство
как бы повторяющее работу цылиндра

_________________
ПИШУ БРЕД ДА ЕЩЁ И С ОШШИБКАМИ


Вернуться наверх
 Профиль  
 
 Заголовок сообщения: Re: Бортовой компьютер БК-ххх
СообщениеДобавлено: 30 Nov 2011, 14:30 
Не в сети
Старожил
Старожил
Аватар пользователя

Зарегистрирован: 03 Sep 2007, 10:32
Сообщений: 1777
Откуда: Чувашия
Поблагодарил: раз(а)
Поблагодарили: раз(а)
Медали: 4
За тех. помощь 1-й степени (1) За тех. помощь 2-й степени (1) За вклад в развитие клуба (1) За инновации (1)
Скутер: KYMCO People S50 & XCiting 500
Стаж: 10
Ну ты ничего не понял.
Бог с ним, работает и работает, а каким образом работает оно тебе не надо.


Вернуться наверх
 Профиль  
 
 Заголовок сообщения: Re: Бортовой компьютер БК-ххх
СообщениеДобавлено: 30 Nov 2011, 16:17 
Не в сети
Интересующийся
Интересующийся
Аватар пользователя

Зарегистрирован: 13 Aug 2011, 10:24
Сообщений: 18
Откуда: Красноярск
Поблагодарил: раз(а)
Поблагодарили: раз(а)
Скутер: Есть
Стаж: 1
Вот моя версия интеграции бк-06 в скутер, оставьте критику!!!! Очень надо.
viewtopic.php?f=50&t=28714


Вернуться наверх
 Профиль  
 
 Заголовок сообщения: Re: Бортовой компьютер БК-ххх
СообщениеДобавлено: 02 Dec 2011, 08:50 
Не в сети
Бывалый
Бывалый
Аватар пользователя

Зарегистрирован: 01 Nov 2011, 20:36
Сообщений: 285
Откуда: Москва САО Бескудниково
Поблагодарил: раз(а)
Поблагодарили: раз(а)
Скутер: jialing QT-22 139QMB, 82см3 (R12)
Стаж: По Москве 8 лет
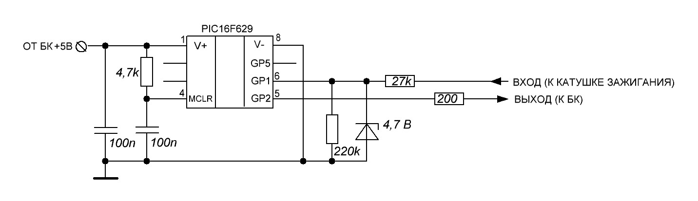
хема умножттеля


Вложения:
Умножитель.JPG
Умножитель.JPG [ 47.85 KiB | Просмотров: 6223 ]

_________________
ПИШУ БРЕД ДА ЕЩЁ И С ОШШИБКАМИ
Вернуться наверх
 Профиль  
 
 Заголовок сообщения: Re: Бортовой компьютер БК-ххх
СообщениеДобавлено: 03 Dec 2011, 00:23 
Не в сети
Бывалый
Бывалый
Аватар пользователя

Зарегистрирован: 23 Apr 2007, 23:43
Сообщений: 389
Откуда: Москва
Поблагодарил: раз(а)
Поблагодарили: раз(а)
Медали: 1
За инновации (1)
Я понял почему тема называется "Бортовой компьютер..."
Автор поставил микрокомпьютер для того чтобы удвоить сигнал :-D


Вернуться наверх
 Профиль  
 
 Заголовок сообщения: Re: Бортовой компьютер БК-ххх
СообщениеДобавлено: 03 Dec 2011, 07:21 
Не в сети
Старожил
Старожил
Аватар пользователя

Зарегистрирован: 03 Sep 2007, 10:32
Сообщений: 1777
Откуда: Чувашия
Поблагодарил: раз(а)
Поблагодарили: раз(а)
Медали: 4
За тех. помощь 1-й степени (1) За тех. помощь 2-й степени (1) За вклад в развитие клуба (1) За инновации (1)
Скутер: KYMCO People S50 & XCiting 500
Стаж: 10
igVVV писал(а):
Я понял почему тема называется "Бортовой компьютер..."
Автор поставил микрокомпьютер для того чтобы удвоить сигнал :-D

Ага, причем если у него он действительно сигнал удваивает, и если он в БК выставит два цилиндра, у него БК будет показывать вдвое больше оборотов чем есть на самом деле.
Тому кто это придумал надо в голову гвоздь вбить.
И это не считая того, что на вход пика с катушки попадёт вольт примерно тридцать напряжения, вместо пяти положенных.


Вернуться наверх
 Профиль  
 
 Заголовок сообщения: Re: Бортовой компьютер БК-ххх
СообщениеДобавлено: 03 Dec 2011, 11:39 
Не в сети
Бывалый
Бывалый
Аватар пользователя

Зарегистрирован: 01 Nov 2011, 20:36
Сообщений: 285
Откуда: Москва САО Бескудниково
Поблагодарил: раз(а)
Поблагодарили: раз(а)
Скутер: jialing QT-22 139QMB, 82см3 (R12)
Стаж: По Москве 8 лет
Цитата:
Тому кто это придумал надо в голову гвоздь вбить.
И это не считая того, что на вход пика с катушки попадёт вольт примерно тридцать напряжения, вместо пяти положенных.


Если ты такой умный как пишешь попробуй повторить то что сделал я а потом всякую чушь
Что типо работать не будет
А не понимая принцип работы судить работающую схему может только дилетант http://www.china-scooter.ru/forum/posti ... &p=428109#
Я предложил идею которой не на одном скутер форуме нет
Воплотил её в жизнь добился хорошего результата за малые деньги

_________________
ПИШУ БРЕД ДА ЕЩЁ И С ОШШИБКАМИ


Вернуться наверх
 Профиль  
 
 Заголовок сообщения: Re: Бортовой компьютер БК-ххх
СообщениеДобавлено: 03 Dec 2011, 11:52 
Не в сети
Бывалый
Бывалый
Аватар пользователя

Зарегистрирован: 04 Jan 2010, 02:23
Сообщений: 495
Откуда: Екатеринбург
Поблагодарил: раз(а)
Поблагодарили: раз(а)
Медали: 1
За тех. помощь 2-й степени (1)
Скутер: ABM WIND LH-50Q (1P39SYB) 100сс+ФНС
Стаж: с 23 июня 2009г.
lelik777
Сколько по деньгам суммарно тебе обошелся этот проект? Только честно...
И сколько времени ты затратил на него в целом.
Можно в личку.

p.s.: скажешь, я приведу для тебя мои затраты.

_________________
Изображение


Вернуться наверх
 Профиль  
 
 Заголовок сообщения: Re: Бортовой компьютер БК-ххх
СообщениеДобавлено: 03 Dec 2011, 12:39 
Не в сети
Старожил
Старожил
Аватар пользователя

Зарегистрирован: 24 Aug 2011, 03:31
Сообщений: 3804
Откуда: Гагарин - родина Ю.А.Гагарина
Поблагодарил: раз(а)
Поблагодарили: раз(а)
Медали: 3
За дальнобой 2-й степени. (1) За тех. помощь 1-й степени (1) За тех. помощь 2-й степени (1)
Скутер: Большой красный.
Стаж: с детства
lelik777 писал(а):
хема умножттеля

Прошивку скинь.

_________________
Изображение


Вернуться наверх
 Профиль  
 
 Заголовок сообщения: Re: Бортовой компьютер БК-ххх
СообщениеДобавлено: 03 Dec 2011, 15:38 
Не в сети
Бывалый
Бывалый
Аватар пользователя

Зарегистрирован: 23 Apr 2007, 23:43
Сообщений: 389
Откуда: Москва
Поблагодарил: раз(а)
Поблагодарили: раз(а)
Медали: 1
За инновации (1)
lelik777 это интерестное решенее еслиб это было бы сделано не на микроконтроллере!!!

Кстати aiovlev помог мне сделать на ATmege168 рабочую схему БК (обороты вольты, температура) можно дополнить прошивку чем угодно и добавить функций разных(предел только в фантазии владельца)... вот для чего нужен микроконтроллер. Проверял на скутере работает!!!


Вернуться наверх
 Профиль  
 
 Заголовок сообщения: Re: Бортовой компьютер БК-ххх
СообщениеДобавлено: 03 Dec 2011, 16:14 
Не в сети
Бывалый
Бывалый
Аватар пользователя

Зарегистрирован: 01 Nov 2011, 20:36
Сообщений: 285
Откуда: Москва САО Бескудниково
Поблагодарил: раз(а)
Поблагодарили: раз(а)
Скутер: jialing QT-22 139QMB, 82см3 (R12)
Стаж: По Москве 8 лет
Ertil Noorison писал(а):
lelik777
Сколько по деньгам суммарно тебе обошелся этот проект? Только честно...
И сколько времени ты затратил на него в целом.
Можно в личку.

p.s.: скажешь, я приведу для тебя мои затраты.


БК 590р
а остальное около 300
Прошивку писал мне брат

_________________
ПИШУ БРЕД ДА ЕЩЁ И С ОШШИБКАМИ


Вернуться наверх
 Профиль  
 
 Заголовок сообщения: Re: Бортовой компьютер БК-ххх
СообщениеДобавлено: 03 Dec 2011, 16:23 
Не в сети
Бывалый
Бывалый
Аватар пользователя

Зарегистрирован: 01 Nov 2011, 20:36
Сообщений: 285
Откуда: Москва САО Бескудниково
Поблагодарил: раз(а)
Поблагодарили: раз(а)
Скутер: jialing QT-22 139QMB, 82см3 (R12)
Стаж: По Москве 8 лет
[quote="igVVV"]lelik777 это интерестное решенее еслиб это было бы сделано не на микроконтроллере!!!

а оно на нём и сделано
умножитель был сделан для правильной работы тохометра
а в самом БК функцый хватает

_________________
ПИШУ БРЕД ДА ЕЩЁ И С ОШШИБКАМИ


Вернуться наверх
 Профиль  
 
 Заголовок сообщения: Re: Бортовой компьютер БК-ххх
СообщениеДобавлено: 03 Dec 2011, 20:46 
Не в сети
Бывалый
Бывалый
Аватар пользователя

Зарегистрирован: 04 Jan 2010, 02:23
Сообщений: 495
Откуда: Екатеринбург
Поблагодарил: раз(а)
Поблагодарили: раз(а)
Медали: 1
За тех. помощь 2-й степени (1)
Скутер: ABM WIND LH-50Q (1P39SYB) 100сс+ФНС
Стаж: с 23 июня 2009г.
lelik777
Понятно.
Мне обошлось: 750р. сам прибор, доставка около 25р. (был в числе крупного заказа) и монтаж минут за 15, с перекуром.
А впрочем, ты молодец *THUMBS UP*
У меня бы терпения не хватило :-D

_________________
Изображение


Вернуться наверх
 Профиль  
 
Показать сообщения за:  Сортировать по:  
Начать новую тему Эта тема закрыта, Вы не можете редактировать и оставлять сообщения в ней.  [ Сообщений: 58 ]  На страницу Пред.  1, 2, 3, 4  След.

Часовой пояс: UTC + 3 часа


Кто сейчас на форуме

Сейчас этот форум просматривают: нет зарегистрированных пользователей и гости: 3


Вы не можете начинать темы
Вы не можете отвечать на сообщения
Вы не можете редактировать свои сообщения
Вы не можете удалять свои сообщения
Вы не можете добавлять вложения

Перейти:  
Powered by phpBB © phpBB Group
china-scooter.ru © 2006-2019