Клуб любителей китайских скутеров

Форум клуба любителей китайских скутеров

      
Текущее время: 30 Jan 2026, 11:45

Часовой пояс: UTC + 3 часа


Правила форума


Посмотреть правила форума



Начать новую тему Ответить на тему  [ Сообщений: 3 ] 
Автор Сообщение
 Заголовок сообщения: нужна распиновка выпрямителя (реле-регулятора) на cama
СообщениеДобавлено: 26 Mar 2010, 14:14 
Не в сети
Бывалый
Бывалый
Аватар пользователя

Зарегистрирован: 16 Jan 2008, 02:46
Сообщений: 393
Откуда: почти С.Петербург
Поблагодарил: раз(а)
Поблагодарили: раз(а)
Скутер: Stels Trigger sm 50
Стаж: 5 лет 3* скатеров
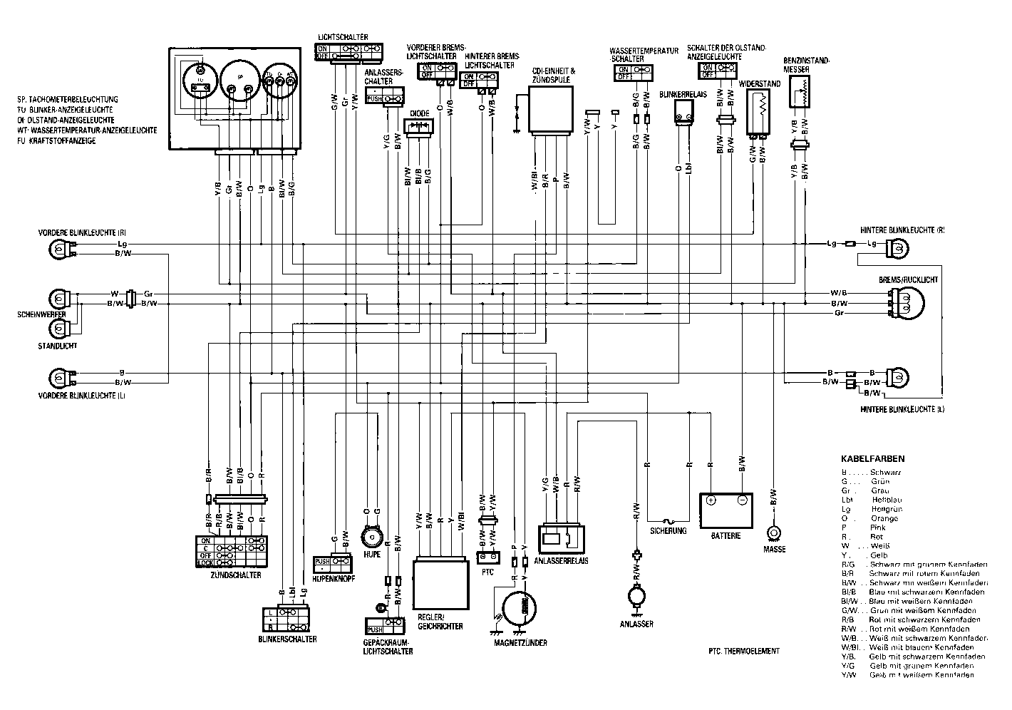
Очень надо узнать что к какому выходу реле регулятора подключается,желательно не со схемы(так как в схемах частенько врут) а реально смопеда,
Хочу приколхозить регулятор от самы на сузуки катанау, генераторы и внешне выпрямители у них внешне и в теории очень похожи,но возможно есть отличие в распиновке(небольшие отличия видно из схемы),и не хочется тупо сжигать недавно присланный из Москвы регулятор.
вот схемы ongshen cama и suzuki катана
download/file.php?id=7223&mode=view


Вложения:
suzuki katana.gif
suzuki katana.gif [ 43.24 KiB | Просмотров: 5244 ]
Вернуться наверх
 Профиль  
 
 Заголовок сообщения: Re: нужна распиновка выпрямителя (реле-регулятора) на cama
СообщениеДобавлено: 02 Apr 2010, 13:59 
Не в сети
Старожил
Старожил
Аватар пользователя

Зарегистрирован: 21 Apr 2006, 06:17
Сообщений: 1349
Откуда: г. Уссурийск
Поблагодарил: раз(а)
Поблагодарили: раз(а)
Медали: 1
За продвижение мототехники (1)
Скутер: мопед
Лучше не колхозить .
Лучше купить оригинальный реле-регулятор от Сузуки .

_________________
CHINAMOTO.RU


Вернуться наверх
 Профиль  
 
 Заголовок сообщения: Re: нужна распиновка выпрямителя (реле-регулятора) на cama
СообщениеДобавлено: 07 Apr 2010, 01:32 
Не в сети
Бывалый
Бывалый
Аватар пользователя

Зарегистрирован: 16 Jan 2008, 02:46
Сообщений: 393
Откуда: почти С.Петербург
Поблагодарил: раз(а)
Поблагодарили: раз(а)
Скутер: Stels Trigger sm 50
Стаж: 5 лет 3* скатеров
85евро(без учета доставки) против 350р стимулируют колхозить.


Вернуться наверх
 Профиль  
 
Показать сообщения за:  Сортировать по:  
Начать новую тему Ответить на тему  [ Сообщений: 3 ] 

Часовой пояс: UTC + 3 часа


Кто сейчас на форуме

Сейчас этот форум просматривают: нет зарегистрированных пользователей и гости: 2


Вы не можете начинать темы
Вы не можете отвечать на сообщения
Вы не можете редактировать свои сообщения
Вы не можете удалять свои сообщения
Вы не можете добавлять вложения

Перейти:  
Powered by phpBB © phpBB Group
china-scooter.ru © 2006-2019