Клуб любителей китайских скутеров

Форум клуба любителей китайских скутеров

      
Текущее время: 01 Май 2026, 15:35

Часовой пояс: UTC + 3 часа


Правила форума


Посмотреть правила форума



Начать новую тему Ответить на тему  [ Сообщений: 66 ]  На страницу Пред.  1, 2, 3, 4, 5  След.
Автор Сообщение
 Заголовок сообщения: Re: Схема коммутатора AC-CDI для 139qmb ......
СообщениеДобавлено: 29 Mar 2015, 22:27 
Не в сети
Гуру ремонта
Гуру ремонта
Аватар пользователя

Зарегистрирован: 20 Mar 2009, 23:12
Сообщений: 19841
Откуда: Бронницы
Поблагодарил: раз(а)
Поблагодарили: раз(а)
Медали: 4
За полезные и полные ответы. (1) За тех. помощь 1-й степени (1) За тех. помощь 2-й степени (1) За вклад в развитие клуба (1)
Скутер: Irbis Nirvana 150 уже 175сс
Стаж: Мото 21,скутер 4года
А вот та же схема, но уже с управляемой по частоте задержкой:
Изображение
Разница видна? :005

_________________
Попытка прочесть книгу, не открыв её - обречена на провал.


Вернуться наверх
 Профиль  
 
 Заголовок сообщения: Re: Схема коммутатора AC-CDI для 139qmb ......
СообщениеДобавлено: 29 Mar 2015, 22:45 
Не в сети
Опытный
Опытный
Аватар пользователя

Зарегистрирован: 13 Dec 2014, 15:54
Сообщений: 748
Поблагодарил: раз(а)
Поблагодарили: раз(а)
Скутер: Yamaha 100сс
Стаж: @
GRO писал(а):
Alwert
Ваши гипотезы в корне не верны.
Если бы там не нужна бы была регулируемая задержка открытия тиристора, обошлись бы просто сопротивлением и стабилитроном.
Кстати однажды собирал коммутатор для второго цилиндра ИЖа, так схема долго не показывала признаков жизни.
В итоге мой отец просто перемкнул конденсатор и всё заработало.
И вот работало всё из рук вон плохо, я не мог добиться нормальной работы второго цилиндра, так как на холостых он работал нормально, а на ходу явно тормозил двигатель.
Но потом разобрались, что в схеме был указан не тот номинал сопротивления.
Заменили и убрали перемычку с конденсатора, всё заработало.
Я это делал 22 года назад и то помню что там и как работает.
А мне тут велосипед изобретают.

Как вижу, RC колебательный контур отпал, причем без извинений. Появились "гипотезы"... Это не гипотезы, уважаемый модератор, а базовые законы ТОЭ. Никаких "задержек" дифференцирующий конденсатор не создает, иначе он бы не назывался дифференцирующим. Есть еще законы коммутации, тоже из ТОЭ, которые говорят о том же. Все это я уже объяснял, но стерто, а повторять не буду. Вы оперируете доморощенными "понятиями", как с "колебательным контуром", что хуже "велосипеда". Это касается и последней схемы, нет там никакой "управляемой по частоте задержки".


Вернуться наверх
 Профиль  
 
 Заголовок сообщения: Re: Схема коммутатора AC-CDI для 139qmb ......
СообщениеДобавлено: 29 Mar 2015, 22:56 
Не в сети
Гуру ремонта
Гуру ремонта
Аватар пользователя

Зарегистрирован: 20 Mar 2009, 23:12
Сообщений: 19841
Откуда: Бронницы
Поблагодарил: раз(а)
Поблагодарили: раз(а)
Медали: 4
За полезные и полные ответы. (1) За тех. помощь 1-й степени (1) За тех. помощь 2-й степени (1) За вклад в развитие клуба (1)
Скутер: Irbis Nirvana 150 уже 175сс
Стаж: Мото 21,скутер 4года
shirsh78
Объясняю на пальцах.
Сигнал от датчика, проходит через диод.
Если бы не была нужна управляемая задержка, он бы сразу подавался на тиристор.
Но тут у нас стоит сопротивление и конденсатор (со школы помню, что это называется RC контуром).
Что происходит?
В варианте без RC контура, сигнал достиг амплитуды достаточной для открытия тиристора и тот открылся.
С RC контуром, происходит задержка роста амплитуды сигнала, за счёт зарядки конденсатора.
После того, как конденсатор зарядится, он уже не не мешает прохождению сигнала и тиристор открывается.
Что происходит далее?
Сигнал прошёл, и конденсатор начинает разряжаться через сопротивление.
Вот тут самое интересное!
Чем выше частота сигнала, тем меньше успевает разрядится конденсатор, а следовательно он даёт меньшую задержку открытия тиристора.

Если бы Вы перед тем как спорить, прочитали бы хоть часть форума, Вы бы знали, что один из форумчан стробоскопом проверил, родной коммутатор имеет регулируемую по частоте задержку.
А вот многие аля тюнинговые коммутаторы за частую её вообще не имеют.
Как итог сломанные стартёры, вырванные кикстартеры из крышек вариаторов.
Но ведь казалось круто же, синенький коммутатор с надписью тюнинг от дядюшки Ляо.

_________________
Попытка прочесть книгу, не открыв её - обречена на провал.


Вернуться наверх
 Профиль  
 
 Заголовок сообщения: Re: Схема коммутатора AC-CDI для 139qmb ......
СообщениеДобавлено: 29 Mar 2015, 22:58 
Не в сети
Гуру ремонта
Гуру ремонта
Аватар пользователя

Зарегистрирован: 20 Mar 2009, 23:12
Сообщений: 19841
Откуда: Бронницы
Поблагодарил: раз(а)
Поблагодарили: раз(а)
Медали: 4
За полезные и полные ответы. (1) За тех. помощь 1-й степени (1) За тех. помощь 2-й степени (1) За вклад в развитие клуба (1)
Скутер: Irbis Nirvana 150 уже 175сс
Стаж: Мото 21,скутер 4года
Alwert писал(а):
Как вижу, RC колебательный контур отпал, причем без извинений. Появились "гипотезы"... Это не гипотезы, уважаемый модератор, а базовые законы ТОЭ. Никаких "задержек" дифференцирующий конденсатор не создает, иначе он бы не назывался дифференцирующим. Есть еще законы коммутации, тоже из ТОЭ, которые говорят о том же. Все это я уже объяснял, но стерто, а повторять не буду. Вы оперируете доморощенными "понятиями", как с "колебательным контуром", что хуже "велосипеда". Это касается и последней схемы, нет там никакой "управляемой по частоте задержки".

У меня есть опыт изготовления коммутатора с задержкой импульса и без, а у Вас только теория, расходящаяся с практикой.
Напомню, прямые оскорбления запрещены правилами форума.

_________________
Попытка прочесть книгу, не открыв её - обречена на провал.


Вернуться наверх
 Профиль  
 
 Заголовок сообщения: Re: Схема коммутатора AC-CDI для 139qmb ......
СообщениеДобавлено: 29 Mar 2015, 23:06 
Не в сети
Гуру ремонта
Гуру ремонта
Аватар пользователя

Зарегистрирован: 20 Mar 2009, 23:12
Сообщений: 19841
Откуда: Бронницы
Поблагодарил: раз(а)
Поблагодарили: раз(а)
Медали: 4
За полезные и полные ответы. (1) За тех. помощь 1-й степени (1) За тех. помощь 2-й степени (1) За вклад в развитие клуба (1)
Скутер: Irbis Nirvana 150 уже 175сс
Стаж: Мото 21,скутер 4года
shirsh78
Если есть желание поколдовать, поиграйся ёмкостью конденсатора и посмотри стробоскопом на результат.
Даже просто его выпаяй и посмотри на результат по стробоскопу.

_________________
Попытка прочесть книгу, не открыв её - обречена на провал.


Вернуться наверх
 Профиль  
 
 Заголовок сообщения: Re: Схема коммутатора AC-CDI для 139qmb ......
СообщениеДобавлено: 29 Mar 2015, 23:09 
Не в сети
Гуру ремонта
Гуру ремонта
Аватар пользователя

Зарегистрирован: 20 Mar 2009, 23:12
Сообщений: 19841
Откуда: Бронницы
Поблагодарил: раз(а)
Поблагодарили: раз(а)
Медали: 4
За полезные и полные ответы. (1) За тех. помощь 1-й степени (1) За тех. помощь 2-й степени (1) За вклад в развитие клуба (1)
Скутер: Irbis Nirvana 150 уже 175сс
Стаж: Мото 21,скутер 4года
ДОМОВОЙ писал(а):
Ну извиниться то можно. Но в открытом состоянии сопротивление тиристора не равно нулю. А это уже R... И, ты, ка человек понимающий, должен знать, что есть схемы задержки. Т.Е. тиристор может оставться открытым определенный отрезок времени. В итоге на свече не одна искра, а затухающий импулс. Это результат более длительного открытия тиристора, и перезаряд конденсатора через первичную обмотку катушки зажигания. Думаю ты это знаешь.

Для этого, параллельно тиристору придётся ещё поставить мощный диод в обратную полярность.
Но на больших оборотах многоискровой режим не нужен.
К тому же, как всем известно, искра подаётся в такт сжатия и повторные импульсы будут проходить при ещё большем давлении чем первый, но их напряжение будет меньше.
Колебания то затухающие.
И если пробоя не был при давлении при 12 атмосферах, то при 12,1, 12,2, 12,3 его не будет тем более.

_________________
Попытка прочесть книгу, не открыв её - обречена на провал.


Вернуться наверх
 Профиль  
 
 Заголовок сообщения: Re: Схема коммутатора AC-CDI для 139qmb ......
СообщениеДобавлено: 29 Mar 2015, 23:10 
Не в сети
Посетитель
Посетитель

Зарегистрирован: 11 Sep 2013, 09:22
Сообщений: 125
Откуда: Саратов
Поблагодарил: раз(а)
Поблагодарили: раз(а)
Скутер: KINETIK
Стаж: 8
GRO писал(а):
shirsh78
С RC контуром, происходит задержка роста амплитуды сигнала, за счёт зарядки конденсатора.
После того, как конденсатор зарядится, он уже не не мешает прохождению сигнала и тиристор открывается.

GRO конденсатор в разряженном состоянии имеет нулевое сопротивление, а растет оно по мере заряда поэтому они не пропускают постоянный ток (легко проверить на практике
подключив к электролиту емкостью от нескольких мкФ стрелочный прибор и увидим что стрелка отклонится к нолю и упадет до тока утечки по мере заряда!
Во всех вышеприведенных схемах конденсатор включен последовательно с УЭ!


Вернуться наверх
 Профиль  
 
 Заголовок сообщения: Re: Схема коммутатора AC-CDI для 139qmb ......
СообщениеДобавлено: 29 Mar 2015, 23:15 
Не в сети
Гуру ремонта
Гуру ремонта
Аватар пользователя

Зарегистрирован: 20 Mar 2009, 23:12
Сообщений: 19841
Откуда: Бронницы
Поблагодарил: раз(а)
Поблагодарили: раз(а)
Медали: 4
За полезные и полные ответы. (1) За тех. помощь 1-й степени (1) За тех. помощь 2-й степени (1) За вклад в развитие клуба (1)
Скутер: Irbis Nirvana 150 уже 175сс
Стаж: Мото 21,скутер 4года
shirsh78 писал(а):
GRO писал(а):
shirsh78
С RC контуром, происходит задержка роста амплитуды сигнала, за счёт зарядки конденсатора.
После того, как конденсатор зарядится, он уже не не мешает прохождению сигнала и тиристор открывается.

GRO конденсатор в разряженном состоянии имеет нулевое сопротивление, а растет оно по мере заряда поэтому они не пропускают постоянный ток (легко проверить на практике
подключив к электролиту емкостью от нескольких мкФ стрелочный прибор и увидим что стрелка отклонится к нолю и упадет до тока утечки по мере заряда!
Во всех вышеприведенных схемах конденсатор включен последовательно с УЭ!

Я пишу про время прохождения импульса, необходимой амплитуды, а не про сопротивление заряженного конденсатора.
Как не увидеть элементарные вещи?

_________________
Попытка прочесть книгу, не открыв её - обречена на провал.


Вернуться наверх
 Профиль  
 
 Заголовок сообщения: Re: Схема коммутатора AC-CDI для 139qmb ......
СообщениеДобавлено: 29 Mar 2015, 23:20 
Не в сети
Гуру ремонта
Гуру ремонта
Аватар пользователя

Зарегистрирован: 20 Mar 2009, 23:12
Сообщений: 19841
Откуда: Бронницы
Поблагодарил: раз(а)
Поблагодарили: раз(а)
Медали: 4
За полезные и полные ответы. (1) За тех. помощь 1-й степени (1) За тех. помощь 2-й степени (1) За вклад в развитие клуба (1)
Скутер: Irbis Nirvana 150 уже 175сс
Стаж: Мото 21,скутер 4года
shirsh78
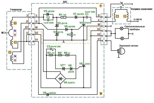
Я на всякий случай выделил красным RC контур задержки управляющего импульса.
Может просто мы про разные конденсаторы и сопротивления говорим.


Вложения:
70.3734.jpg
70.3734.jpg [ 56.21 KiB | Просмотров: 3317 ]

_________________
Попытка прочесть книгу, не открыв её - обречена на провал.
Вернуться наверх
 Профиль  
 
 Заголовок сообщения: Re: Схема коммутатора AC-CDI для 139qmb ......
СообщениеДобавлено: 29 Mar 2015, 23:22 
Не в сети
Посетитель
Посетитель

Зарегистрирован: 11 Sep 2013, 09:22
Сообщений: 125
Откуда: Саратов
Поблагодарил: раз(а)
Поблагодарили: раз(а)
Скутер: KINETIK
Стаж: 8
GRO писал(а):
shirsh78 писал(а):
GRO писал(а):
shirsh78
С RC контуром, происходит задержка роста амплитуды сигнала, за счёт зарядки конденсатора.
После того, как конденсатор зарядится, он уже не не мешает прохождению сигнала и тиристор открывается.


Я пишу про время прохождения импульса, необходимой амплитуды, а не про сопротивление заряженного конденсатора.
Как не увидеть элементарные вещи?

Если конденсатор зарядился до максимальной амплитуды импульса, то как он может не мешать его дальнейшему прохождению?


Вернуться наверх
 Профиль  
 
 Заголовок сообщения: Re: Схема коммутатора AC-CDI для 139qmb ......
СообщениеДобавлено: 29 Mar 2015, 23:23 
Не в сети
Гуру ремонта
Гуру ремонта
Аватар пользователя

Зарегистрирован: 20 Mar 2009, 23:12
Сообщений: 19841
Откуда: Бронницы
Поблагодарил: раз(а)
Поблагодарили: раз(а)
Медали: 4
За полезные и полные ответы. (1) За тех. помощь 1-й степени (1) За тех. помощь 2-й степени (1) За вклад в развитие клуба (1)
Скутер: Irbis Nirvana 150 уже 175сс
Стаж: Мото 21,скутер 4года
shirsh78
Просто обрати внимание, на старых схемах контура задержки нет.


Вложения:
989928_102202.jpg
989928_102202.jpg [ 35.58 KiB | Просмотров: 3316 ]

_________________
Попытка прочесть книгу, не открыв её - обречена на провал.
Вернуться наверх
 Профиль  
 
 Заголовок сообщения: Re: Схема коммутатора AC-CDI для 139qmb ......
СообщениеДобавлено: 29 Mar 2015, 23:26 
Не в сети
Гуру ремонта
Гуру ремонта
Аватар пользователя

Зарегистрирован: 20 Mar 2009, 23:12
Сообщений: 19841
Откуда: Бронницы
Поблагодарил: раз(а)
Поблагодарили: раз(а)
Медали: 4
За полезные и полные ответы. (1) За тех. помощь 1-й степени (1) За тех. помощь 2-й степени (1) За вклад в развитие клуба (1)
Скутер: Irbis Nirvana 150 уже 175сс
Стаж: Мото 21,скутер 4года
shirsh78 писал(а):
Если конденсатор зарядился до максимальной амплитуды импульса, то как он может не мешать его дальнейшему прохождению?

Вот!
Наконец-то!
Вот это если, зависит от частоты импульсов.
Чем выше частота, тем меньше влияние конденсатора на задержку сигнала, так как он не успевает разряжаться полностью.

_________________
Попытка прочесть книгу, не открыв её - обречена на провал.


Вернуться наверх
 Профиль  
 
 Заголовок сообщения: Re: Схема коммутатора AC-CDI для 139qmb ......
СообщениеДобавлено: 29 Mar 2015, 23:44 
Не в сети
Опытный
Опытный
Аватар пользователя

Зарегистрирован: 13 Dec 2014, 15:54
Сообщений: 748
Поблагодарил: раз(а)
Поблагодарили: раз(а)
Скутер: Yamaha 100сс
Стаж: @
Тиристор управляется током, а конденсатор пропускает ток мгновенно. Даже если на нем есть какой-то остаточный заряд. Так понятно?


Вернуться наверх
 Профиль  
 
 Заголовок сообщения: Re: Схема коммутатора AC-CDI для 139qmb ......
СообщениеДобавлено: 29 Mar 2015, 23:48 
Не в сети
Гуру ремонта
Гуру ремонта
Аватар пользователя

Зарегистрирован: 20 Mar 2009, 23:12
Сообщений: 19841
Откуда: Бронницы
Поблагодарил: раз(а)
Поблагодарили: раз(а)
Медали: 4
За полезные и полные ответы. (1) За тех. помощь 1-й степени (1) За тех. помощь 2-й степени (1) За вклад в развитие клуба (1)
Скутер: Irbis Nirvana 150 уже 175сс
Стаж: Мото 21,скутер 4года
Alwert писал(а):
Тиристор управляется током, а конденсатор пропускает ток мгновенно. Даже если на нем есть какой-то остаточный заряд. Так понятно?

А чему равно сопротивление разряженного конденсатора?
Так намёк понятен?

_________________
Попытка прочесть книгу, не открыв её - обречена на провал.


Вернуться наверх
 Профиль  
 
 Заголовок сообщения: Re: Схема коммутатора AC-CDI для 139qmb ......
СообщениеДобавлено: 29 Mar 2015, 23:48 
Не в сети
Посетитель
Посетитель

Зарегистрирован: 11 Sep 2013, 09:22
Сообщений: 125
Откуда: Саратов
Поблагодарил: раз(а)
Поблагодарили: раз(а)
Скутер: KINETIK
Стаж: 8
GRO писал(а):
shirsh78 писал(а):
Если конденсатор зарядился до максимальной амплитуды импульса, то как он может не мешать его дальнейшему прохождению?

Вот!
Наконец-то!
Вот это если, зависит от частоты импульсов.
Чем выше частота, тем меньше влияние конденсатора на задержку сигнала, так как он не успевает разряжаться полностью.

Тиристор открывается по положительному фронту.
Емкость С на положительный фронт не влияет!
В какой момент происходит задержка?
Изображение


Вернуться наверх
 Профиль  
 
Показать сообщения за:  Сортировать по:  
Начать новую тему Ответить на тему  [ Сообщений: 66 ]  На страницу Пред.  1, 2, 3, 4, 5  След.

Часовой пояс: UTC + 3 часа


Кто сейчас на форуме

Сейчас этот форум просматривают: нет зарегистрированных пользователей и гости: 11


Вы не можете начинать темы
Вы не можете отвечать на сообщения
Вы не можете редактировать свои сообщения
Вы не можете удалять свои сообщения
Вы не можете добавлять вложения

Перейти:  
Powered by phpBB © phpBB Group
china-scooter.ru © 2006-2019