Клуб любителей китайских скутеров

Форум клуба любителей китайских скутеров

      
Текущее время: 02 Май 2026, 13:57

Часовой пояс: UTC + 3 часа


Правила форума


Посмотреть правила форума



Начать новую тему Эта тема закрыта, Вы не можете редактировать и оставлять сообщения в ней.  [ Сообщений: 88 ]  На страницу Пред.  1, 2, 3, 4, 5, 6  След.
Автор Сообщение
 Заголовок сообщения: Re: Тюнинг коммутатор
СообщениеДобавлено: 04 Jul 2013, 21:46 
Не в сети
Гуру ремонта
Гуру ремонта
Аватар пользователя

Зарегистрирован: 20 Mar 2009, 23:12
Сообщений: 19841
Откуда: Бронницы
Поблагодарил: раз(а)
Поблагодарили: раз(а)
Медали: 4
За полезные и полные ответы. (1) За тех. помощь 1-й степени (1) За тех. помощь 2-й степени (1) За вклад в развитие клуба (1)
Скутер: Irbis Nirvana 150 уже 175сс
Стаж: Мото 21,скутер 4года
Были?
Есть! :006
На скутере, за центробежный регулятор, работает сам коммутатор.

_________________
Попытка прочесть книгу, не открыв её - обречена на провал.


Вернуться наверх
 Профиль  
 
 Заголовок сообщения: Re: Тюнинг коммутатор
СообщениеДобавлено: 05 Jul 2013, 21:19 
Не в сети
Новичок
Новичок

Зарегистрирован: 08 Aug 2007, 02:55
Сообщений: 94
Откуда: Финляндия,Хельсинки
Поблагодарил: раз(а)
Поблагодарили: раз(а)
Есть предположение , что этот коммутатор ( Naraku NK 390.24 с регулировкой УОЗ) DC - постоянного тока. А у моего скутера AC - переменный ток. Я подключал коммутатор. Какие теперь последствия? Он сгорел ?! или нет?


Вернуться наверх
 Профиль  
 
 Заголовок сообщения: Re: Тюнинг коммутатор
СообщениеДобавлено: 06 Jul 2013, 05:29 
Не в сети
Старожил
Старожил
Аватар пользователя

Зарегистрирован: 03 Sep 2007, 10:32
Сообщений: 1777
Откуда: Чувашия
Поблагодарил: раз(а)
Поблагодарили: раз(а)
Медали: 4
За тех. помощь 1-й степени (1) За тех. помощь 2-й степени (1) За вклад в развитие клуба (1) За инновации (1)
Скутер: KYMCO People S50 & XCiting 500
Стаж: 10
taffel писал(а):
Есть предположение , что этот коммутатор ( Naraku NK 390.24 с регулировкой УОЗ) DC - постоянного тока. А у моего скутера AC - переменный ток. Я подключал коммутатор. Какие теперь последствия? Он сгорел ?! или нет?

Очень сомнительно, маловат он для DC.
Ну а чисто теоретически - да, скорее всего сгорел бы.
Не из-за переменного тока, а из-за слишком высокого напряжения.


Вернуться наверх
 Профиль  
 
 Заголовок сообщения: Re: Тюнинг коммутатор
СообщениеДобавлено: 06 Jul 2013, 14:39 
Не в сети
Посетитель
Посетитель
Аватар пользователя

Зарегистрирован: 06 Apr 2012, 05:49
Сообщений: 180
Откуда: Москва САО
Поблагодарил: раз(а)
Поблагодарили: раз(а)
Скутер: Irbis Nirvana 49+cc
Стаж: 11
>>Блок CDI Naraku регулируемые - Китай 4-тактный QMB139, GY6 50cc, Гонка CDI Naraku. >>Артикул №:. NK390.24
Раз QMB139, значит АС. Если аккум живой, то можно вывернуть свечу и посмотреть искру. А вообще выкинь, раз брал без схемы подключения и б\у, наверняка горелый.

_________________
Пробег 12600, полет нормальный.


Вернуться наверх
 Профиль  
 
 Заголовок сообщения: Re: Тюнинг коммутатор
СообщениеДобавлено: 06 Jul 2013, 15:49 
Не в сети
Новичок
Новичок

Зарегистрирован: 08 Aug 2007, 02:55
Сообщений: 94
Откуда: Финляндия,Хельсинки
Поблагодарил: раз(а)
Поблагодарили: раз(а)
pvs512 писал(а):
Раз QMB139, значит АС. Если аккум живой, то можно вывернуть свечу и посмотреть искру.

Извини,здесь я не понял:- это как практически?


Вернуться наверх
 Профиль  
 
 Заголовок сообщения: Re: Тюнинг коммутатор
СообщениеДобавлено: 06 Jul 2013, 20:33 
Не в сети
Посетитель
Посетитель
Аватар пользователя

Зарегистрирован: 06 Apr 2012, 05:49
Сообщений: 180
Откуда: Москва САО
Поблагодарил: раз(а)
Поблагодарили: раз(а)
Скутер: Irbis Nirvana 49+cc
Стаж: 11
Ну как практически, знают даже опытные скутеристы: сдергиваешь высоковольтный провод со свечи, суешь в него гвоздь или толстый отрезок кабеля. Свечу выверни, чтоб стартеру легче было. Удерживаешь гвоздь в 0,5 см от болта на раме, крутишь стартер, искра видна, если не пробитый коммутатор. А с УОЗ потом разберемся.

_________________
Пробег 12600, полет нормальный.


Вернуться наверх
 Профиль  
 
 Заголовок сообщения: Re: Тюнинг коммутатор
СообщениеДобавлено: 06 Jul 2013, 20:47 
Не в сети
Новичок
Новичок

Зарегистрирован: 08 Aug 2007, 02:55
Сообщений: 94
Откуда: Финляндия,Хельсинки
Поблагодарил: раз(а)
Поблагодарили: раз(а)
Я так делал, только вместо гвоздя использовал выкрученную свечу и свечой к раме. С моим старым коммутатором -- искра была. С коммутатором Naraku --- искры нет.


Вернуться наверх
 Профиль  
 
 Заголовок сообщения: Re: Тюнинг коммутатор
СообщениеДобавлено: 07 Jul 2013, 22:50 
Не в сети
Новичок
Новичок
Аватар пользователя

Зарегистрирован: 08 Jan 2011, 21:58
Сообщений: 50
Поблагодарил: раз(а)
Поблагодарили: раз(а)
Скутер: Lifan LF50-QT15
Стаж: 1
Ну вот я и вернулся. Теперь что мы имеем на данный момент.
1 Полное несоответствие проводки схеме (видно в магазине на всё даётся одна схема)
2 Проводов на коммут идёт 4 (отвалившихся нет (по схеме 5))
3 Пробовал поставить ещё 3 коммутатора (1 новый и 2 с рабочих скутеров) искра есть только на родном
4 Прозванивал индукционный датчик- сопротивление 148-149 ом (будем считать что рабочий хотя на вид немного покоцаный)
5 Генератор- по схеме 5 проводов из них 2 от датчика, в реале проводов 3 из них 1 от датчика. Сопротивления между проводами нет, на массу не помню сколько, но гораздо больше чем 470ом
6 Ну и фото родного коммутатора и схема до кучи


Вложения:
IMG_20130705_165838.jpg
IMG_20130705_165838.jpg [ 492.3 KiB | Просмотров: 2467 ]
сканирование0002.jpg
сканирование0002.jpg [ 833.43 KiB | Просмотров: 2467 ]
Вернуться наверх
 Профиль  
 
 Заголовок сообщения: Re: Тюнинг коммутатор
СообщениеДобавлено: 07 Jul 2013, 22:52 
Не в сети
Новичок
Новичок
Аватар пользователя

Зарегистрирован: 08 Jan 2011, 21:58
Сообщений: 50
Поблагодарил: раз(а)
Поблагодарили: раз(а)
Скутер: Lifan LF50-QT15
Стаж: 1
Сдаётся мне что коммутатор DC.


Вернуться наверх
 Профиль  
 
 Заголовок сообщения: Re: Тюнинг коммутатор
СообщениеДобавлено: 07 Jul 2013, 23:03 
Не в сети
Опытный
Опытный
Аватар пользователя

Зарегистрирован: 04 Jan 2013, 20:03
Сообщений: 653
Откуда: ТАМБОВ
Поблагодарил: раз(а)
Поблагодарили: раз(а)
Скутер: ZZR400-2
и мне
:-D

_________________
We will we will rock you


Вернуться наверх
 Профиль  
 
 Заголовок сообщения: Re: Тюнинг коммутатор
СообщениеДобавлено: 07 Jul 2013, 23:20 
Не в сети
Новичок
Новичок
Аватар пользователя

Зарегистрирован: 08 Jan 2011, 21:58
Сообщений: 50
Поблагодарил: раз(а)
Поблагодарили: раз(а)
Скутер: Lifan LF50-QT15
Стаж: 1
... МАТЬ! :-|
Никому не надо пару коммутаторов? :-[


Последний раз редактировалось AndreyKKKA 08 Jul 2013, 15:01, всего редактировалось 1 раз.

Вернуться наверх
 Профиль  
 
 Заголовок сообщения: Re: Тюнинг коммутатор
СообщениеДобавлено: 07 Jul 2013, 23:25 
Не в сети
Новичок
Новичок
Аватар пользователя

Зарегистрирован: 08 Jan 2011, 21:58
Сообщений: 50
Поблагодарил: раз(а)
Поблагодарили: раз(а)
Скутер: Lifan LF50-QT15
Стаж: 1
Как проверить генератор DC ?
И где взять правильную схему?


Вернуться наверх
 Профиль  
 
 Заголовок сообщения: Re: Тюнинг коммутатор
СообщениеДобавлено: 08 Jul 2013, 08:16 
Не в сети
Посетитель
Посетитель
Аватар пользователя

Зарегистрирован: 06 Apr 2012, 05:49
Сообщений: 180
Откуда: Москва САО
Поблагодарил: раз(а)
Поблагодарили: раз(а)
Скутер: Irbis Nirvana 49+cc
Стаж: 11
Схема коммутатора нихрена не DC, и на первый взгляд правильная. Провод Red (+12В) от выпрямителя не идет на коммутатор, он питается от Black/Red с обмотки генератора. На вот аналогичную схему:


Вложения:
Электрика 139qmb.jpg
Электрика 139qmb.jpg [ 721.63 KiB | Просмотров: 2454 ]

_________________
Пробег 12600, полет нормальный.
Вернуться наверх
 Профиль  
 
 Заголовок сообщения: Re: Тюнинг коммутатор
СообщениеДобавлено: 08 Jul 2013, 08:21 
Не в сети
Посетитель
Посетитель
Аватар пользователя

Зарегистрирован: 06 Apr 2012, 05:49
Сообщений: 180
Откуда: Москва САО
Поблагодарил: раз(а)
Поблагодарили: раз(а)
Скутер: Irbis Nirvana 49+cc
Стаж: 11
taffel писал(а):
Я так делал, только вместо гвоздя использовал выкрученную свечу и свечой к раме. С моим старым коммутатором -- искра была. С коммутатором Naraku --- искры нет.

Значит в топку его, тем более б/у.

_________________
Пробег 12600, полет нормальный.


Вернуться наверх
 Профиль  
 
 Заголовок сообщения: Re: Тюнинг коммутатор
СообщениеДобавлено: 08 Jul 2013, 09:29 
Не в сети
Новичок
Новичок
Аватар пользователя

Зарегистрирован: 08 Jan 2011, 21:58
Сообщений: 50
Поблагодарил: раз(а)
Поблагодарили: раз(а)
Скутер: Lifan LF50-QT15
Стаж: 1
pvs512 писал(а):
Схема коммутатора нихрена не DC, и на первый взгляд правильная. Провод Red (+12В) от выпрямителя не идет на коммутатор, он питается от Black/Red с обмотки генератора. На вот аналогичную схему:

Я и не говорю что схема неправильная. Я предполагаю что она не от него.
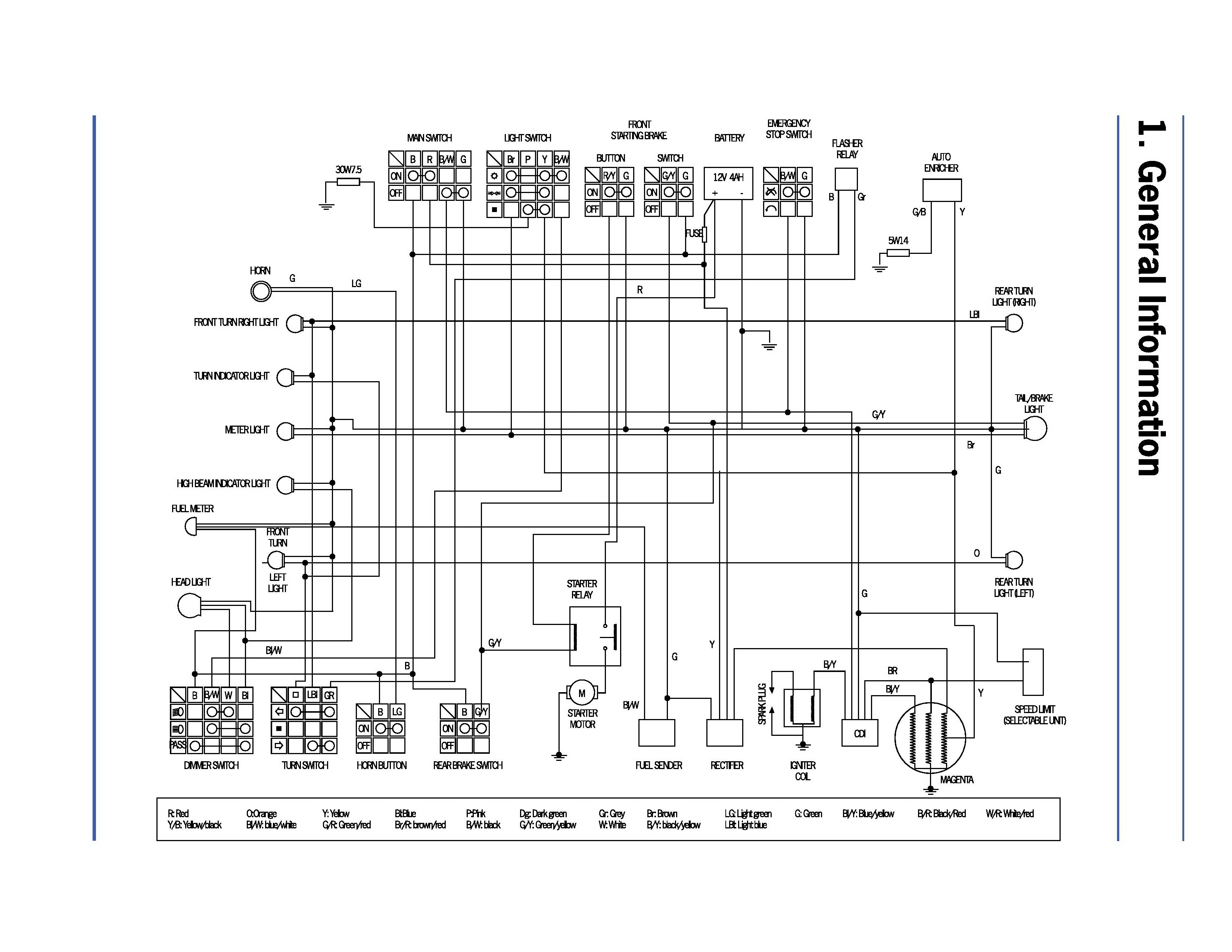
Больше на эту похоже.


Вложения:
5e0b9a071b06.jpg
5e0b9a071b06.jpg [ 81.98 KiB | Просмотров: 2570 ]
Вернуться наверх
 Профиль  
 
Показать сообщения за:  Сортировать по:  
Начать новую тему Эта тема закрыта, Вы не можете редактировать и оставлять сообщения в ней.  [ Сообщений: 88 ]  На страницу Пред.  1, 2, 3, 4, 5, 6  След.

Часовой пояс: UTC + 3 часа


Кто сейчас на форуме

Сейчас этот форум просматривают: нет зарегистрированных пользователей и гости: 10


Вы не можете начинать темы
Вы не можете отвечать на сообщения
Вы не можете редактировать свои сообщения
Вы не можете удалять свои сообщения
Вы не можете добавлять вложения

Перейти:  
Powered by phpBB © phpBB Group
china-scooter.ru © 2006-2019