Клуб любителей китайских скутеров

Форум клуба любителей китайских скутеров

      
Текущее время: 17 Jan 2026, 05:45

Часовой пояс: UTC + 3 часа


Правила форума


Посмотреть правила форума



Начать новую тему Ответить на тему  [ Сообщений: 143 ]  На страницу Пред.  1 ... 4, 5, 6, 7, 8, 9, 10  След.
Автор Сообщение
 Заголовок сообщения: Re: Зарядное устройство из компьютерного БП
СообщениеДобавлено: 15 Jan 2011, 21:48 
Не в сети
Гуру ремонта
Гуру ремонта
Аватар пользователя

Зарегистрирован: 20 Mar 2009, 23:12
Сообщений: 19841
Откуда: Бронницы
Поблагодарил: раз(а)
Поблагодарили: раз(а)
Медали: 4
За полезные и полные ответы. (1) За тех. помощь 1-й степени (1) За тех. помощь 2-й степени (1) За вклад в развитие клуба (1)
Скутер: Irbis Nirvana 150 уже 175сс
Стаж: Мото 21,скутер 4года
Долгожданная фотосессия:


Вложения:
S7300648.JPG
S7300648.JPG [ 352.6 KiB | Просмотров: 11448 ]
S7300645.JPG
S7300645.JPG [ 397.63 KiB | Просмотров: 11448 ]
S7300640.JPG
S7300640.JPG [ 358.38 KiB | Просмотров: 11448 ]

_________________
Попытка прочесть книгу, не открыв её - обречена на провал.
Вернуться наверх
 Профиль  
 
 Заголовок сообщения: Re: Зарядное устройство из компьютерного БП
СообщениеДобавлено: 15 Jan 2011, 21:50 
Не в сети
Опытный
Опытный
Аватар пользователя

Зарегистрирован: 02 Feb 2010, 22:06
Сообщений: 527
Поблагодарил: раз(а)
Поблагодарили: раз(а)
Скутер: Stels Skif 70 с6 racing
Стаж: 3 года
Зачет *THUMBS UP* а внутри получше отфоткать можешь?


Вернуться наверх
 Профиль  
 
 Заголовок сообщения: Re: Зарядное устройство из компьютерного БП
СообщениеДобавлено: 15 Jan 2011, 21:55 
Не в сети
Гуру ремонта
Гуру ремонта
Аватар пользователя

Зарегистрирован: 20 Mar 2009, 23:12
Сообщений: 19841
Откуда: Бронницы
Поблагодарил: раз(а)
Поблагодарили: раз(а)
Медали: 4
За полезные и полные ответы. (1) За тех. помощь 1-й степени (1) За тех. помощь 2-й степени (1) За вклад в развитие клуба (1)
Скутер: Irbis Nirvana 150 уже 175сс
Стаж: Мото 21,скутер 4года
Сергей777
Да внутри ничего хорошего не видно.
Сам блок питания, провода, шунт, блочки питания приборов, првода.
Ничего особенного.
Основной выход я сделал сзади(белый шнур), так как подумал, что к передней панели лучше не привязываться, будет выпадать.
Зато туда можно подключить ещё что-нибудь.

_________________
Попытка прочесть книгу, не открыв её - обречена на провал.


Вернуться наверх
 Профиль  
 
 Заголовок сообщения: Re: Зарядное устройство из компьютерного БП
СообщениеДобавлено: 15 Jan 2011, 22:07 
Не в сети
Опытный
Опытный
Аватар пользователя

Зарегистрирован: 02 Feb 2010, 22:06
Сообщений: 527
Поблагодарил: раз(а)
Поблагодарили: раз(а)
Скутер: Stels Skif 70 с6 racing
Стаж: 3 года
Дополнительный вывод сзади это удобно, но у тебя он намертво закреплен, а я бы сделал на каком то разъеме, чтобы можно было без проблем этот хвост убрать или подключить.


Вернуться наверх
 Профиль  
 
 Заголовок сообщения: Re: Зарядное устройство из компьютерного БП
СообщениеДобавлено: 16 Jan 2011, 00:32 
Не в сети
Старожил
Старожил
Аватар пользователя

Зарегистрирован: 03 Oct 2008, 22:46
Сообщений: 8023
Откуда: Киев
Поблагодарил: раз(а)
Поблагодарили: раз(а)
Медали: 4
За тех. помощь 1-й степени (1) За тех. помощь 2-й степени (1) За статью 1-й степени. (1) За вклад в развитие клуба (1)
Скутер: 180-т4 и 150-Т4;
Стаж: 30
GRO Рома. в случае переполюсовки реле защиты просто не подключит акб ко входу. Это основная и ГЛАВНАЯ её функция. хОЧЕШЬ СОВЕТ?.... 10метров провода.... стандартная лапша в полквадрата. Блок убить нельзя. На кз-10А, (лапша дымит_)
Ты не понял, что создал. Эта вещь практически неубиваема. На лапше в 10 метров ток кончается НАЧИСТО. Дым есть, тока нет.(не мерим) Я год пытаюсь убить этот блок. И Их пять в разных схемных реализациях.... 15А-отключение мощностной защиты. Любой блок я замыкаю накоротко...... Кто не понимает этого.... НЕТ ЗАЩИТЫ=СРАЗУ ВЗРЫВ!!!!
Понимаю, ты боишься испытать. Не ссы. Он не подведет.... Мы говорили.... Ты допзащиту впер по напряжению 17,5, не выше....
У меня это всё снесено нах! Блок дает 20,0 и вольтметр жопится. НО.... за пять лет эксплуатации, я ни разу не встретил такого, чтобы я выставил напряжение, а блок меня обманул. Если я ставлю 12,8..... 12,8 будет завтра .... В Африке.... При любой температуре окружающей среды.
ПРОВЕРЬ!!! МЕня ни один блок ни разу не подвел....
Поставь напругу, подожди три дня, возьми вольтметр и отпишись тут.

_________________
Теория,-все знают как, ничего не работает
Практика,-все работает, никто не знает почему
Соединяем,-"Теория+Практика",-Ничего не работает и никто не знает, почему.


Вернуться наверх
 Профиль  
 
 Заголовок сообщения: Re: Зарядное устройство из компьютерного БП
СообщениеДобавлено: 30 Jan 2011, 17:45 
Не в сети
Гуру ремонта
Гуру ремонта
Аватар пользователя

Зарегистрирован: 20 Mar 2009, 23:12
Сообщений: 19841
Откуда: Бронницы
Поблагодарил: раз(а)
Поблагодарили: раз(а)
Медали: 4
За полезные и полные ответы. (1) За тех. помощь 1-й степени (1) За тех. помощь 2-й степени (1) За вклад в развитие клуба (1)
Скутер: Irbis Nirvana 150 уже 175сс
Стаж: Мото 21,скутер 4года
ДОМОВОЙ
Дык испытания уже давно провёл.
Ещё на восьмой странице.
Всё руки недоходят релюхи вставить.
А так, блок почти постоянно трудится.
То мелкие АКБ заряжаю, то шуруповёрт им питаю.
Сегодня вымутил ещё пару подобных блоков.
Тоже пойдут в дело.
Один блок, из имевшихся, с несколько иной схемой, удалось слегка переделать под питание светодиодных фонарей освещения гаража.
Скажу так, что расход электроэнергии, со светодиодными фонарями не лучшего качества, в трое меньше, чем с энергосберегаюшими люминисцентными лампами.
Тоесть в 15 раз меньше чем с лампами накаливания.

_________________
Попытка прочесть книгу, не открыв её - обречена на провал.


Вернуться наверх
 Профиль  
 
 Заголовок сообщения: Re: Зарядное устройство из компьютерного БП
СообщениеДобавлено: 31 Jan 2011, 18:39 
Не в сети
Гуру ремонта
Гуру ремонта
Аватар пользователя

Зарегистрирован: 20 Mar 2009, 23:12
Сообщений: 19841
Откуда: Бронницы
Поблагодарил: раз(а)
Поблагодарили: раз(а)
Медали: 4
За полезные и полные ответы. (1) За тех. помощь 1-й степени (1) За тех. помощь 2-й степени (1) За вклад в развитие клуба (1)
Скутер: Irbis Nirvana 150 уже 175сс
Стаж: Мото 21,скутер 4года
ДОМОВОЙ
Да общем там особо нечего совершенствовать.
Пытаюсь поднять второй блок.
При вскрытии обнаружил взорвавшийся конденсатор, перегретые сопротивления и массу непропаяных деталей.
Несчастливый блочёк.
Будем приводить в чувства.
Пока не нашёл схему.

_________________
Попытка прочесть книгу, не открыв её - обречена на провал.


Вернуться наверх
 Профиль  
 
 Заголовок сообщения: Re: Зарядное устройство из компьютерного БП
СообщениеДобавлено: 31 Jan 2011, 23:16 
Не в сети
Гуру ремонта
Гуру ремонта
Аватар пользователя

Зарегистрирован: 20 Mar 2009, 23:12
Сообщений: 19841
Откуда: Бронницы
Поблагодарил: раз(а)
Поблагодарили: раз(а)
Медали: 4
За полезные и полные ответы. (1) За тех. помощь 1-й степени (1) За тех. помощь 2-й степени (1) За вклад в развитие клуба (1)
Скутер: Irbis Nirvana 150 уже 175сс
Стаж: Мото 21,скутер 4года
Ура!
Блок поднял и без схемы!
Оказалось умерла половина диодов на выходе.
Когда на плате осталась подключена только цепь 12 вольт, с новыми диодами Шоттки, блок заработал.
Завтра удалю излишки деталей.
Можно будет подумать, куда его применить.
Ещё бы компаратор безболезнено удалить, хотя он есть не просит.

_________________
Попытка прочесть книгу, не открыв её - обречена на провал.


Вернуться наверх
 Профиль  
 
 Заголовок сообщения: Re: Зарядное устройство из компьютерного БП
СообщениеДобавлено: 01 Feb 2011, 15:30 
Не в сети
Гуру ремонта
Гуру ремонта
Аватар пользователя

Зарегистрирован: 20 Mar 2009, 23:12
Сообщений: 19841
Откуда: Бронницы
Поблагодарил: раз(а)
Поблагодарили: раз(а)
Медали: 4
За полезные и полные ответы. (1) За тех. помощь 1-й степени (1) За тех. помощь 2-й степени (1) За вклад в развитие клуба (1)
Скутер: Irbis Nirvana 150 уже 175сс
Стаж: Мото 21,скутер 4года
Итак зарядное варианта нейкед:


Вложения:
S7300655.JPG
S7300655.JPG [ 355.77 KiB | Просмотров: 11555 ]
S7300654.JPG
S7300654.JPG [ 338 KiB | Просмотров: 11555 ]

_________________
Попытка прочесть книгу, не открыв её - обречена на провал.
Вернуться наверх
 Профиль  
 
 Заголовок сообщения: Re: Зарядное устройство из компьютерного БП
СообщениеДобавлено: 01 Feb 2011, 15:35 
Не в сети
Гуру ремонта
Гуру ремонта
Аватар пользователя

Зарегистрирован: 20 Mar 2009, 23:12
Сообщений: 19841
Откуда: Бронницы
Поблагодарил: раз(а)
Поблагодарили: раз(а)
Медали: 4
За полезные и полные ответы. (1) За тех. помощь 1-й степени (1) За тех. помощь 2-й степени (1) За вклад в развитие клуба (1)
Скутер: Irbis Nirvana 150 уже 175сс
Стаж: Мото 21,скутер 4года
В габаритах штатного БП.
Выходное напряжение от 13,5 Вольт, до 16,6 Вольт.
Максимальный рабочий ток 8 Ампер.
Со временем разживусь головкой амперметра, установлю.
А может опять поставлю 830В.

_________________
Попытка прочесть книгу, не открыв её - обречена на провал.


Вернуться наверх
 Профиль  
 
 Заголовок сообщения: Re: Зарядное устройство из компьютерного БП
СообщениеДобавлено: 01 Feb 2011, 19:00 
Не в сети
Гуру ремонта
Гуру ремонта
Аватар пользователя

Зарегистрирован: 20 Mar 2009, 23:12
Сообщений: 19841
Откуда: Бронницы
Поблагодарил: раз(а)
Поблагодарили: раз(а)
Медали: 4
За полезные и полные ответы. (1) За тех. помощь 1-й степени (1) За тех. помощь 2-й степени (1) За вклад в развитие клуба (1)
Скутер: Irbis Nirvana 150 уже 175сс
Стаж: Мото 21,скутер 4года
Испытания второго блока прошли неуспешно.
Был выяснен косяк потенциометра - плохой внутренний контакт.
Блок отключался припопытках привести в движение ручку потенциометра, возникал сильный шум и блок отключался.
При этом дома всё работало нормально.
На морозе пошли перебои.
Заменил потенциомерт и поставил на него экранированный провод.
Было исправлено ещё пару косяков, вызывающих помехи и срыв работы блока.
Вентилятор охлаждения переключен на питание от стабилизатора на 9 Вольт.

_________________
Попытка прочесть книгу, не открыв её - обречена на провал.


Вернуться наверх
 Профиль  
 
 Заголовок сообщения: Re: Зарядное устройство из компьютерного БП
СообщениеДобавлено: 02 Feb 2011, 00:48 
Не в сети
Старожил
Старожил
Аватар пользователя

Зарегистрирован: 03 Oct 2008, 22:46
Сообщений: 8023
Откуда: Киев
Поблагодарил: раз(а)
Поблагодарили: раз(а)
Медали: 4
За тех. помощь 1-й степени (1) За тех. помощь 2-й степени (1) За статью 1-й степени. (1) За вклад в развитие клуба (1)
Скутер: 180-т4 и 150-Т4;
Стаж: 30
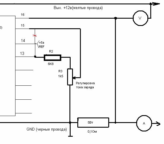
Вложение:
рег тока.jpg
рег тока.jpg [ 40.2 KiB | Просмотров: 11540 ]

Гро, как то так . Смысл в том , что 15 и 16 ноги это второй компаратор 494-й. Как правило, он не используется поэтому 16-я нога обычно включена на корпус, а 15-я на +5в УСБ. Этим разрешается полный токовый выход. Используя напряжение шунта и делитель мы регулируем выходной ток делая на 15 ноге "чуть плюсее" чем на 16-й(как бы открываем,но не до конца). Схема это значение стремится сохранить (обратная связь по току на шунте) Попробуй сначала так, на сопротивление шутна не обращай внимание, должно всё работать. 15-ю ногу нужно аккуратно отскрести от 14и13 и потом уже припаяться. Ну и 16-ю отделить и припаять после шунта.

_________________
Теория,-все знают как, ничего не работает
Практика,-все работает, никто не знает почему
Соединяем,-"Теория+Практика",-Ничего не работает и никто не знает, почему.


Вернуться наверх
 Профиль  
 
 Заголовок сообщения: Re: Зарядное устройство из компьютерного БП
СообщениеДобавлено: 02 Feb 2011, 00:54 
Не в сети
Гуру ремонта
Гуру ремонта
Аватар пользователя

Зарегистрирован: 20 Mar 2009, 23:12
Сообщений: 19841
Откуда: Бронницы
Поблагодарил: раз(а)
Поблагодарили: раз(а)
Медали: 4
За полезные и полные ответы. (1) За тех. помощь 1-й степени (1) За тех. помощь 2-й степени (1) За вклад в развитие клуба (1)
Скутер: Irbis Nirvana 150 уже 175сс
Стаж: Мото 21,скутер 4года
Эпикуреец
Тоесть можно не делать регулятор напряжения, а сразу сделать регулятор тока?

_________________
Попытка прочесть книгу, не открыв её - обречена на провал.


Вернуться наверх
 Профиль  
 
 Заголовок сообщения: Re: Зарядное устройство из компьютерного БП
СообщениеДобавлено: 02 Feb 2011, 01:00 
Не в сети
Старожил
Старожил
Аватар пользователя

Зарегистрирован: 03 Oct 2008, 22:46
Сообщений: 8023
Откуда: Киев
Поблагодарил: раз(а)
Поблагодарили: раз(а)
Медали: 4
За тех. помощь 1-й степени (1) За тех. помощь 2-й степени (1) За статью 1-й степени. (1) За вклад в развитие клуба (1)
Скутер: 180-т4 и 150-Т4;
Стаж: 30
Практически да. Регулятор тока по сути тот же регулятор напряжения, не дающий току превысить установленное значение. Меняется в обоих случаях скважность. Других способов нет. Единственный момент , это не загнаться током в диапазон предельных напряжений блока. Там реально получить "пробой по стойке".

_________________
Теория,-все знают как, ничего не работает
Практика,-все работает, никто не знает почему
Соединяем,-"Теория+Практика",-Ничего не работает и никто не знает, почему.


Вернуться наверх
 Профиль  
 
 Заголовок сообщения: Re: Зарядное устройство из компьютерного БП
СообщениеДобавлено: 02 Feb 2011, 01:01 
Не в сети
Гуру ремонта
Гуру ремонта
Аватар пользователя

Зарегистрирован: 20 Mar 2009, 23:12
Сообщений: 19841
Откуда: Бронницы
Поблагодарил: раз(а)
Поблагодарили: раз(а)
Медали: 4
За полезные и полные ответы. (1) За тех. помощь 1-й степени (1) За тех. помощь 2-й степени (1) За вклад в развитие клуба (1)
Скутер: Irbis Nirvana 150 уже 175сс
Стаж: Мото 21,скутер 4года
Это даже интереснее.

_________________
Попытка прочесть книгу, не открыв её - обречена на провал.


Вернуться наверх
 Профиль  
 
Показать сообщения за:  Сортировать по:  
Начать новую тему Ответить на тему  [ Сообщений: 143 ]  На страницу Пред.  1 ... 4, 5, 6, 7, 8, 9, 10  След.

Часовой пояс: UTC + 3 часа


Кто сейчас на форуме

Сейчас этот форум просматривают: нет зарегистрированных пользователей и гости: 66


Вы не можете начинать темы
Вы не можете отвечать на сообщения
Вы не можете редактировать свои сообщения
Вы не можете удалять свои сообщения
Вы не можете добавлять вложения

Перейти:  
Powered by phpBB © phpBB Group
china-scooter.ru © 2006-2019